Как модифицировать радиоприемник «Сириус 303» для приема любительских диапазонов. Какие изменения нужно внести в схему. Какие детали потребуются для переделки. Как настроить приемник после модификации.
История и характеристики радиоприемника «Сириус 303»
«Сириус 303» — это советский стационарный радиоприемник, выпускавшийся в 1970-х годах. Он имел следующие основные характеристики:
- Диапазоны: ДВ, СВ, КВ (3 поддиапазона), УКВ
- Чувствительность: 2 мкВ на ДВ и СВ, 5 мкВ на КВ
- Выходная мощность: 2 Вт
- Питание: от сети 220 В
- Габариты: 380x270x165 мм
- Вес: около 6 кг
Приемник был построен на 10 лампах и имел неплохие для своего времени характеристики. Однако его возможности по приему любительских диапазонов были ограничены.
Зачем переделывать «Сириус 303» на любительские диапазоны?
Модификация «Сириуса 303» для приема любительских диапазонов имеет ряд преимуществ:
- Расширение функциональности устаревшего приемника
- Возможность прослушивания интересных любительских радиопередач
- Экономия на покупке специализированного трансивера
- Получение опыта радиолюбительского конструирования
- Сохранение винтажного устройства с улучшенными возможностями
При этом важно понимать, что такая модификация потребует определенных навыков и знаний в области радиотехники.

Необходимые инструменты и компоненты для переделки
Для успешной модификации «Сириуса 303» потребуются следующие инструменты и детали:
- Паяльник и припой
- Набор отверток
- Мультиметр
- Генератор ВЧ сигналов
- Осциллограф (желательно)
- Кварцевые резонаторы для нужных частот
- Конденсаторы и катушки индуктивности
- Дополнительные радиолампы (при необходимости)
- Монтажные провода
Точный набор компонентов будет зависеть от конкретной схемы модификации.
Этапы переделки радиоприемника «Сириус 303»
Процесс модификации «Сириуса 303» для приема любительских диапазонов можно разделить на следующие основные этапы:
- Изучение принципиальной схемы приемника
- Разработка схемы модификации
- Демонтаж ненужных элементов схемы
- Установка новых компонентов
- Изменение цепей гетеродина
- Перестройка входных контуров
- Модификация УПЧ (при необходимости)
- Настройка и регулировка модифицированного приемника
Рассмотрим каждый из этих этапов более подробно.
Изменение входных цепей и гетеродина
Ключевым моментом в переделке «Сириуса 303» является модификация входных цепей и гетеродина для обеспечения приема нужных любительских диапазонов. Как это сделать?

- Рассчитайте новые номиналы катушек и конденсаторов входного контура для нужных частот
- Замените существующие элементы на новые или добавьте дополнительные контуры
- Модифицируйте схему гетеродина, установив кварцевые резонаторы на частоты любительских диапазонов
- При необходимости добавьте умножители частоты для расширения диапазона гетеродина
- Обеспечьте переключение между новыми диапазонами
Важно тщательно рассчитать и подобрать элементы, чтобы обеспечить стабильность частоты и отсутствие паразитных колебаний.
Модификация усилителя промежуточной частоты (УПЧ)
В некоторых случаях может потребоваться изменение УПЧ приемника. Зачем это нужно и как сделать?
- Изменение полосы пропускания УПЧ для приема различных видов модуляции
- Повышение селективности приемника
- Улучшение чувствительности на высоких частотах
Для модификации УПЧ может потребоваться:
- Замена существующих контуров УПЧ
- Добавление дополнительных каскадов усиления
- Установка кварцевых или керамических фильтров
- Изменение цепей АРУ (автоматической регулировки усиления)
Модификация УПЧ требует аккуратности и точных измерений, чтобы не ухудшить характеристики приемника.

Настройка и регулировка модифицированного приемника
После внесения изменений в схему необходимо провести тщательную настройку приемника. Как это сделать правильно?
- Проверьте все соединения на отсутствие короткого замыкания
- Подайте питание и убедитесь в отсутствии перегрева компонентов
- Настройте контуры гетеродина на требуемые частоты
- Отрегулируйте входные контуры для максимальной чувствительности
- Настройте УПЧ на максимальное усиление и требуемую полосу пропускания
- Проверьте работу АРУ и при необходимости откорректируйте
- Измерьте основные параметры приемника: чувствительность, избирательность, уровень шумов
Для точной настройки потребуются измерительные приборы: генератор ВЧ сигналов, осциллограф, измеритель модуляции.
Возможные проблемы и их решение
При переделке «Сириуса 303» могут возникнуть различные проблемы. Какие из них наиболее распространены и как их решить?
- Самовозбуждение приемника — проверьте экранировку и развязку каскадов
- Недостаточная чувствительность — скорректируйте связь во входных цепях, проверьте исправность ламп
- Нестабильность частоты — улучшите термостабилизацию генератора, примените более качественные компоненты
- Помехи и наводки — улучшите фильтрацию по цепям питания, проверьте качество заземления
- Искажения звука — проверьте режимы работы ламп, состояние фильтров источника питания
Большинство проблем решается путем тщательной настройки и подбора оптимальных режимов работы ламп и цепей приемника.

Советы по улучшению работы модифицированного приемника
Чтобы добиться максимального качества работы переделанного «Сириуса 303», обратите внимание на следующие моменты:
- Используйте качественные радиодетали с минимальным разбросом параметров
- Обеспечьте хорошее экранирование высокочастотных цепей
- Применяйте короткие соединения в ВЧ части схемы
- Установите дополнительную фильтрацию по цепям питания
- Используйте качественные коаксиальные кабели для межкаскадных соединений
- Обеспечьте хорошую вентиляцию ламп для продления срока их службы
- Регулярно проводите профилактику и подстройку приемника
Следуя этим рекомендациям, вы сможете получить надежно работающий приемник с хорошими характеристиками.
| 1 | AR-88 | 193 | 8345 | 28.02.2003 |
| 2 | AR8000 инструкция по эксплуатации | 156 | 7104 | 29.10.2002 |
| 3 | AR8200 cканирующий приёмник | 567 | 9361 | 28.10.2002 |
| 4 | BC-312 схема | 291 | 5789 | 30.10.2007 |
| 5 | Beomaster 3000 схема | 659 | 3987 | 11.01.2008 |
| 6 | Eton Satellit 750 | 1085 | 2191 | 09.10.2014 |
| 7 | Fisher FM-350L | 1812 | 2476 | 25.12.2014 |
| 8 | FM RDS-декодер | 9052 | 09.01.2006 | |
| 9 | FM приемник со встроенным стереодекодером | 9096 | 07.04.2006 | |
| 10 | FM РАДИО НА МИКРОСХЕМЕ KA22429 | 7451 | 07.04.2006 | |
| 11 | FM стерео тюнер на микросхеме TEA5711 | 15349 | 07. 03.2006 | |
| 12 | FM-радиоприемник 88-l08 мHz на К174ХА34 с УЗЧ 10Вт на ТDА2003 | 6437 | 07.04.2006 | |
| 13 | IC-R3 Service Manual | 2548 | 6953 | 01.11.2008 |
| 14 | IC-R3 Инструкция | 351 | 3723 | 01.11.2008 |
| 15 | IC-R9500 Brochure | 899 | 3573 | 31.03.2008 |
| 16 | IC-R9500 Manual | 21315 | 3966 | 31.03.2008 |
| 17 | IC-R9500 Specification | 789 | 3820 | 31.03.2008 |
| 18 | MASON AE-5800-3 | 311 | 4396 | 27.11.2011 |
| 19 | MASON R41L | 524 | 3494 | 27.11.2011 |
| 20 | Maycom AR-108 Operating manual | 345 | 3405 | 09.11.2007 |
| 21 | Radioshack DX-160 Manual | 3625 | 02.11.2007 | |
| 22 | Radioshack DX-350 12-Band Portable Receiver | 5181 | 02. 11.2007 | |
| 23 | Radioshack DX-392 PLL All-Band Portable Receiver w Cassette Recorder | 7574 | 02.11.2007 | |
| 24 | Radioshack DX-394 Owners manual | 3494 | 02.11.2007 | |
| 25 | Radioshack DX-395 FM AM SW1 SW2 PLL Synthesized Receiver | 3855 | 02.11.2007 | |
| 26 | Radioshack DX-396 AM SW FM Stereo PLL Portable Receiver | 3681 | 02.11.2007 | |
| 27 | Radioshack DX-397 AM FM SW 12-Band Portable Receiver | 3333 | 02.11.2007 | |
| 28 | Radioshack DX-398 Owners manual | 7950 | 02.11.2007 | |
| 29 | Radioshack DX-399 Shortwave Receiver | 13509 | 02.11.2007 | |
| 30 | Radioshack DX-440 Service manual | 2563 | 02.11.2007 | |
| 31 | Radioshack Personal FM Radio | 1730 | 02.11.2007 | |
| 32 | Radioshack PRO-2053 Manual | 1540 | 02. 11.2007 | |
| 33 | Radioshack PRO-93 Manual | 1368 | 02.11.2007 | |
| 34 | Radioshack PRO-94 Service manual | 1352 | 02.11.2007 | |
| 35 | Radioshack PRO-95 Owners manuals | 1680 | 02.11.2007 | |
| 36 | SDR радиоприемник диапазона 50 – 10000 кГц | 8456 | 16.03.2008 | |
| 37 | SONY CRF-1 Manual | 169 | 1624 | 26.03.2009 |
| 38 | SONY ICF-480, 490 | 3590 | 15.05.2003 | |
| 39 | SONY ICF-SW7600GR service manual | 2400 | 4621 | 11.02.2005 |
| 40 | Stern 40х годов | 118 | 3955 | 23.09.2002 |
| 41 | Tecsun PL-600 Review | 4097 | 6206 | 31.03.2010 |
| 42 | Tecsun PL-600 Schematic | 163 | 6415 | 31.03.2010 |
| 43 | Tecsun PL-600 инструкция | 183 | 6594 | 31. 03.2010 |
| 44 | Tecsun S-2000 | 442 | 2310 | 09.10.2014 |
| 45 | Telefunken Malhar | 1309 | 2111 | 18.07.2010 |
| 46 | Ten-Tec RX-320 Manual | 422 | 2203 | 30.11.2007 |
| 47 | Ten-Tec RX-320 Scheme | 224 | 2670 | 30.11.2007 |
| 48 | Ten-Tec RX-340 MAnual | 7834 | 1717 | 23.11.2007 |
| 49 | Trio 9R-59D General Communications Recever | 489 | 1458 | 09.11.2007 |
| 50 | VEF-204 схема | 115 | 3902 | 27.11.2008 |
| 51 | А 271 (автомобильный) — 45Кб | 44 | 3320 | 09.01.2002 |
| 52 | А 275 (автомобильный) — 54Кб | 53 | 2782 | 09.01.2002 |
| 53 | А 324 (автомобильный) — 32Кб | 31 | 1956 | 09.01.2002 |
| 54 | А 327 (автомобильный) — 30Кб | 29 | 2196 | 09. 01.2002 |
| 55 | А 370 (А 370М) (автомобильный) — 30Кб | 29 | 2521 | 09.01.2002 |
| 56 | А 373 (автомобильный) — 40Кб | 39 | 2691 | 09.01.2002 |
| 57 | А-12 | 1548 | 28.07.2002 | |
| 58 | А-12а | 1307 | 28.07.2002 | |
| 59 | А-13 | 1306 | 28.07.2002 | |
| 60 | А-17 | 1247 | 28.07.2002 | |
| 61 | А-17а | 1215 | 28.07.2002 | |
| 62 | А-18 | 1489 | 28.07.2002 | |
| 63 | А-18е | 1221 | 28.07.2002 | |
| 64 | А-271 | 1408 | 28.07.2002 | |
| 65 | А-275 | 1173 | 28.07.2002 | |
| 66 | А-3 | 1219 | 28.07.2002 | |
| 67 | А-324 | 1060 | 28. 07.2002 | |
| 68 | А-327 | 996 | 28.07.2002 | |
| 69 | А-370(М) | 997 | 28.07.2002 | |
| 70 | А-373 | 888 | 28.07.2002 | |
| 71 | А-4 | 810 | 28.07.2002 | |
| 72 | А-5 | 781 | 28.07.2002 | |
| 73 | А-695 | 814 | 28.07.2002 | |
| 74 | А-8 | 786 | 28.07.2002 | |
| 75 | А-8м | 813 | 28.07.2002 | |
| 76 | А-9 | 776 | 28.07.2002 | |
| 77 | Абава РП 8330 | 163 | 2722 | 05.08.2001 |
| 78 | Абава РП-8330 | 1248 | 28.07.2002 | |
| 79 | Абава РП-8330 (транзисторный) — 27Кб | 27 | 2804 | 09.01.2002 |
| 80 | Аврора | 862 | 28.07.2002 | |
| 81 | Агат | 822 | 28.07.2002 | |
| 82 | Алмаз | 1064 | 28.07.2002 | |
| 83 | Алмаз (транзисторный) — 22Кб | 21 | 1746 | 09.01.2002 |
| 84 | Алмаз 401 (полупроводн.) — 25Кб | 26 | 1869 | 09.01.2002 |
| 85 | Альпинист | 1555 | 28.07.2002 | |
| 86 | Альпинист (2) | 1254 | 28.07.2002 | |
| 87 | Альпинист (2) (транзисторный) — 22Кб | 22 | 2192 | 09.01.2002 |
| 88 | Альпинист 320 (транзисторный) — 27Кб | 26 | 5892 | 09.01.2002 |
| 89 | Альпинист 321 (транзисторный) — 33Кб | 33 | 6627 | 09.01.2002 |
| 90 | Альпинист 405 | 2224 | 28.07.2002 | |
| 91 | Альпинист 405 (транзисторный) — 27Кб | 26 | 2899 | 09.01.2002 |
| 92 | Альпинист 407 | 34 | 2912 | 05.08.2001 |
| 93 | Альпинист 407 (транзисторный) — 30Кб | 30 | 2614 | 09.01.2002 |
| 94 | Альпинист 417 (полупроводн.) — 25Кб | 25 | 4308 | 09.01.2002 |
| 95 | Альпинист 418 (полупроводн.) — 33Кб | 33 | 4079 | 09.01.2002 |
| 96 | Альпинист РП-224 (полупроводн.) — 40Кб | 40 | 4099 | 09.01.2002 |
| 97 | Альпинист РП-224-1 (полупроводн.) — 22Кб | 22 | 3526 | 09.01.2002 |
| 98 | Альпинист РП-225 (полупроводн.) — 26Кб | 26 | 2410 | 09.01.2002 |
| 99 | АМ КВ радиоприёмник | 3417 | 05.09.2010 | |
| 100 | АМ-ЧМ радиоприемник с низковольтным питанием | 4411 | 07.04.2006 | |
| 101 | Ангара | 1864 | 28.07.2002 | |
| 102 | Антенный усилитель для УКВ ЧМ радиоприемника | 9741 | 07.04.2006 | |
| 103 | Апв-60-2 | 914 | 28.07.2002 | |
| 104 | Араз | 774 | 28.07.2002 | |
| 105 | Араз-М | 657 | 28.07.2002 | |
| 106 | Арена ПМ-1005 | 194 | 1624 | 21.07.2003 |
| 107 | Арз-49 | 824 | 28.07.2002 | |
| 108 | Арз-51 | 787 | 28.07.2002 | |
| 109 | Арз-54 | 819 | 28.07.2002 | |
| 110 | Арфа | 736 | 28.07.2002 | |
| 111 | АТ 64 | 749 | 28.07.2002 | |
| 112 | АТ 64 (автомобильный) — 30Кб | 29 | 1541 | 09.01.2002 |
| 113 | АТ 66 | 714 | 28.07.2002 | |
| 114 | АТ 66 (автомобильный) — 52Кб | 50 | 1572 | 09.01.2002 |
| 115 | Ат-63 | 653 | 28.07.2002 | |
| 116 | Ат-64 | 704 | 28.07.2002 | |
| 117 | Ат-66 | 717 | 28.07.2002 | |
| 118 | Атмосфера | 779 | 28.07.2002 | |
| 119 | Атмосфера (транзисторный) — 21Кб | 20 | 1426 | 09.01.2002 |
| 120 | Атмосфера 2М (транзисторный) — 21Кб | 21 | 1454 | 09.01.2002 |
| 121 | Атмосфера-2 | 695 | 28.07.2002 | |
| 122 | Атмосфера-2М | 766 | 28.07.2002 | |
| 123 | Аусма | 699 | 28.07.2002 | |
| 124 | Байкал | 826 | 28.07.2002 | |
| 125 | Баку | 691 | 28.07.2002 | |
| 126 | Баку-58 | 691 | 28.07.2002 | |
| 127 | Баку-58М | 654 | 28.07.2002 | |
| 128 | Балтика | 1189 | 28.07.2002 | |
| 129 | Балтика М-254 | 1107 | 28.07.2002 | |
| 130 | Балтика-52 | 1090 | 28.07.2002 | |
| 131 | Банга | 1162 | 28.07.2002 | |
| 132 | Банга (транзисторный) — 31Кб | 30 | 1698 | 09.01.2002 |
| 133 | Банга 2 | 933 | 28.07.2002 | |
| 134 | Банга 2 (транзисторный) — 30Кб | 29 | 1609 | 09.01.2002 |
| 135 | Беларусь | 892 | 28.07.2002 | |
| 136 | Беларусь-53 | 1057 | 28.07.2002 | |
| 137 | Беларусь-59 | 1532 | 28.07.2002 | |
| 138 | Беларусь-62 | 1088 | 28.07.2002 | |
| 139 | Беларусь-62С | 790 | 28.07.2002 | |
| 140 | Беларусь-Р101Л | 1316 | 28.07.2002 | |
| 141 | Беларусь-Р103Л | 974 | 28.07.2002 | |
| 142 | Бирюза (цветомузыкальная) | 1641 | 28.07.2002 | |
| 143 | Блок УКВ Лира РП231 | 1567 | 28.07.2002 | |
| 144 | Блюз РП-203А (автомобильный) — 65Кб | 64 | 2470 | 09.01.2002 |
| 145 | Бригантина | 1008 | 28.07.2002 | |
| 146 | Бригантина (радиола транз.) — 26Кб | 25 | 1542 | 09.01.2002 |
| 147 | Былина 207 | 1127 | 28.07.2002 | |
| 148 | Былина 207 (автомобильный) — 46Кб | 45 | 2283 | 09.01.2002 |
| 149 | Былина 310 (полупроводн.) — 36Кб | 37 | 2341 | 09.01.2002 |
| 150 | Былина 315 | 3011 | 28.07.2002 | |
| 151 | Былина 315 (автомобильный) — 57Кб | 56 | 7490 | 09.01.2002 |
| 152 | Былина 320 | 4461 | 1995 | 11.12.2011 |
| 153 | В3-56 | 648 | 1521 | 01.09.2010 |
| 154 | Вега | 1028 | 28.07.2002 | |
| 155 | Вега 300 стерео (радиола) — 34Кб | 34 | 5356 | 09.01.2002 |
| 156 | Вега 312 стерео (радиола) — 80Кб | 79 | 5818 | 09.01.2002 |
| 157 | Вега 313 моно (радиола) — 48Кб | 48 | 1711 | 09.01.2002 |
| 158 | Вега 323 стерео (радиола) — 85Кб | 85 | 8086 | 09.01.2002 |
| 159 | Вега 341 | 1529 | 28.07.2002 | |
| 160 | Вега 341 (транзисторный) — 21Кб | 21 | 2709 | 09.01.2002 |
| 161 | Вега 402 | 1055 | 28.07.2002 | |
| 162 | Вега 402 (транзисторный) — 26Кб | 26 | 1600 | 09.01.2002 |
| 163 | Вега 404 | 1098 | 28.07.2002 | |
| 164 | Вега 404 (транзисторный) — 19Кб | 19 | 2406 | 09.01.2002 |
| 165 | Вега РП-240 (полупроводн.) — 22Кб | 22 | 4339 | 09.01.2002 |
| 166 | Вега РП-241 (полупроводн.) — 17Кб | 16 | 2647 | 09.01.2002 |
| 167 | Вега РП-243 (полупроводн.) — 20Кб | 20 | 2476 | 09.01.2002 |
| 168 | Вега РП-341-1 | 1624 | 28.07.2002 | |
| 169 | Вега РП-341-1 (полупроводн.) — 18Кб | 18 | 2231 | 09.01.2002 |
| 170 | Верас РП-225 (полупроводн.) — 122Кб | 120 | 14312 | 09.01.2002 |
| 171 | Верньер из шарикоподшипников | 3006 | 07.04.2006 | |
| 172 | Весна (транзист.) | 811 | 28.07.2002 | |
| 173 | Весна, Резонанс | 797 | 28.07.2002 | |
| 174 | Виктория 001 стерео | 1275 | 28.07.2002 | |
| 175 | Виктория 001 стерео | 1169 | 28.07.2002 | |
| 176 | Виктория 001 стерео (радиола) — 119Кб | 116 | 2919 | 09.01.2002 |
| 177 | Волга | 885 | 28.07.2002 | |
| 178 | Волна | 1618 | 28.07.2002 | |
| 179 | Волна-К альбом схем | 7200 | 1090 | 08.04.2019 |
| 180 | Волхова (мини) — 23Кб | 23 | 1534 | 09.01.2002 |
| 181 | Воронеж (1-вариант) | 820 | 28.07.2002 | |
| 182 | Воронеж (2-вариант) | 751 | 28.07.2002 | |
| 183 | Восток 6Н25 | 760 | 28.07.2002 | |
| 184 | Восток 7Н27 | 783 | 28.07.2002 | |
| 185 | Восток-49 | 755 | 28.07.2002 | |
| 186 | Восток-57 | 928 | 28.07.2002 | |
| 187 | Восход | 787 | 28.07.2002 | |
| 188 | Восход 302 схема | 1397 | 1377 | 05.02.2010 |
| 189 | Восход-2 | 798 | 28.07.2002 | |
| 190 | Высокая чувствительность приемника, простыми методами | 3149 | 07.04.2006 | |
| 191 | Вэф — Аккорд | 1353 | 28.07.2002 | |
| 192 | Вэф 12 | 1578 | 28.07.2002 | |
| 193 | Вэф 12 (транзисторный) — 48Кб | 47 | 2395 | 09.01.2002 |
| 194 | ВЭФ 202 (транзисторный) — 79Кб | 79 | 8721 | 09.01.2002 |
| 195 | ВЭФ 317 (транзисторный) — 90Кб | 90 | 5164 | 09.01.2002 |
| 196 | Вэф М-557 | 1069 | 28.07.2002 | |
| 197 | Вэф М-697 | 1024 | 28.07.2002 | |
| 198 | Вэф-12 | 1208 | 28.07.2002 | |
| 199 | Вэф-Радио | 1769 | 28.07.2002 | |
| 200 | Вэф-Рапсодия | 1634 | 28.07.2002 | |
| 201 | Вэф-Спидола | 1672 | 28.07.2002 | |
| 202 | Вэф-Спидола (транзисторный) — 41Кб | 40 | 2521 | 09.01.2002 |
| 203 | Вэф-Спидола 10 | 1857 | 28.07.2002 | |
| 204 | Вэф-транзистор 17 | 1202 | 28.07.2002 | |
| 205 | Гайна Р-302Л | 828 | 28.07.2002 | |
| 206 | Гамма (цветомузыкальная) | 1657 | 28.07.2002 | |
| 207 | Гамма-В (цветомузыкальная) | 1700 | 28.07.2002 | |
| 208 | Гауя | 820 | 28.07.2002 | |
| 209 | Гауя (транзисторный) — 20Кб | 20 | 1567 | 09.01.2002 |
| 210 | Где найти схему приемника | 7255 | 07.12.2003 | |
| 211 | Геолог | 1110 | 28.07.2002 | |
| 212 | Геолог (транзисторный) — 51Кб | 50 | 2079 | 09.01.2002 |
| 213 | Геолог 2 (3) (полупровод.) — 39Кб | 39 | 1943 | 09.01.2002 |
| 214 | Геолог 3 | 59 | 1943 | 05.08.2001 |
| 215 | Гиала | 853 | 28.07.2002 | |
| 216 | Гиала (транзисторный) — 20Кб | 20 | 1599 | 09.01.2002 |
| 217 | Гиала 303 (полупроводн.) — 61Кб | 60 | 1978 | 09.01.2002 |
| 218 | Гиала 404 (транзисторный) — 23Кб | 23 | 2567 | 09.01.2002 |
| 219 | Гиала 407 (транзисторный) — 26Кб | 26 | 2740 | 09.01.2002 |
| 220 | Гиала 410 (транзисторный) — 24Кб | 24 | 2277 | 09.01.2002 |
| 221 | Дайна | 690 | 28.07.2002 | |
| 222 | Даугава | 748 | 28.07.2002 | |
| 223 | Двухканальный фазокомпенсационный приемник с разносом фаз 180 градусов | 722 | 18.11.2017 | |
| 224 | Днепропетровск | 692 | 28.07.2002 | |
| 225 | Днипро-52 | 739 | 28.07.2002 | |
| 226 | Днипро-56 | 699 | 28.07.2002 | |
| 227 | Днипро-58 | 821 | 28.07.2002 | |
| 228 | Домино 20м — простой приемник прямого преобразования | 7287 | 30.05.2010 | |
| 229 | Донец | 772 | 28.07.2002 | |
| 230 | Дорожный | 769 | 28.07.2002 | |
| 231 | Дружба | 908 | 28.07.2002 | |
| 232 | Жигули | 814 | 28.07.2002 | |
| 233 | Заря | 748 | 28.07.2002 | |
| 234 | Звезда | 1006 | 28.07.2002 | |
| 235 | Звезда 54 | 1280 | 28.07.2002 | |
| 236 | Иволга-66 | 909 | 28.07.2002 | |
| 237 | Ижевск | 692 | 28.07.2002 | |
| 238 | Илга 320 авто (автомобильный) — 16Кб | 16 | 1595 | 09.01.2002 |
| 239 | Иоланта | 793 | 28.07.2002 | |
| 240 | Ирень 401 | 1373 | 28.07.2002 | |
| 241 | Ирень 401 (полупроводник.) — 18Кб | 18 | 2221 | 09.01.2002 |
| 242 | Искра | 813 | 28.07.2002 | |
| 243 | Искра-52 | 757 | 28.07.2002 | |
| 244 | Искра-53 | 781 | 28.07.2002 | |
| 245 | Италмас | 736 | 28.07.2002 | |
| 246 | Ишим (транзисторный) — 82Кб | 81 | 8984 | 09.01.2002 |
| 247 | Ишим 003 (транзисторный) — 121Кб | 119 | 15006 | 09.01.2002 |
| 248 | Ишим-003 | 284 | 8665 | 19.12.2000 |
| 249 | Ишим-003 | 197 | 4692 | 01.11.2010 |
| 250 | К174ХА42 — однокристальный ЧМ радиоприемник | 2953 | 07.04.2006 | |
| 251 | Казань | 696 | 28.07.2002 | |
| 252 | Казань (радиола ламп.) — 14Кб | 14 | 1478 | 09.01.2002 |
| 253 | Казань-57 | 779 | 28.07.2002 | |
| 254 | Казахстан | 2807 | 28.07.2002 | |
| 255 | Казахстан и Казахстан-2 — описание пользователя | 2135 | 2856 | 15.09.2008 |
| 256 | Казахстан и Казахстан-2 — принципиальная схема | 1223 | 5785 | 15.09.2008 |
| 257 | Кама | 743 | 28.07.2002 | |
| 258 | Кама (радиола ламп.) — 10Кб | 10 | 1528 | 09.01.2002 |
| 259 | Кама-61 | 707 | 28.07.2002 | |
| 260 | Кама-62 | 833 | 28.07.2002 | |
| 261 | Кантата | 1743 | 28.07.2002 | |
| 262 | Кантата 204 (радиола ламп.) — 82Кб | 82 | 7264 | 09.01.2002 |
| 263 | Кварц 309 (транзисторный) — 53Кб | 52 | 2626 | 09.01.2002 |
| 264 | Кварц 401 | 1024 | 28.07.2002 | |
| 265 | Кварц 401 (транзисторный) — 23Кб | 23 | 1484 | 09.01.2002 |
| 266 | Кварц 402 (транзисторный) — 24Кб | 24 | 1607 | 09.01.2002 |
| 267 | Кварц 403(404,405) (транзисторный) — 26Кб | 26 | 2028 | 09.01.2002 |
| 268 | Кварц 406 (транзисторный) — 40Кб | 37 | 1595 | 09.01.2002 |
| 269 | Кварц 407 | 35 | 1807 | 05.08.2001 |
| 270 | Кварц 408 (транзисторный) — 36Кб | 33 | 2024 | 09.01.2002 |
| 271 | Кварцевые генераторы | 15818 | 07.04.2006 | |
| 272 | Кварцевые генераторы | 2385 | 07.04.2006 | |
| 273 | Киев 7 | 887 | 28.07.2002 | |
| 274 | Киев 7 (транзисторный) — 21Кб | 20 | 1384 | 09.01.2002 |
| 275 | Киев Б-2 | 738 | 28.07.2002 | |
| 276 | КМПУ | 315 | 1492 | 21.07.2003 |
| 277 | Колос | 82 | 2182 | 22.06.2006 |
| 278 | Комета | 938 | 28.07.2002 | |
| 279 | Компактный приЈмник СВ | 1398 | 07.04.2006 | |
| 280 | Конвертер диапазона 128-148 МГц в диапазон 88-108 МГц | 2149 | 07.04.2006 | |
| 281 | Конвертер для приема звука телевизора на УКВ приемник | 2407 | 07.04.2006 | |
| 282 | Конвертер для УКВ приемника | 4142 | 07.04.2006 | |
| 283 | Корвет 104 стерео (тюнер) — 110Кб | 108 | 2543 | 09.01.2002 |
| 284 | Космонавт | 697 | 28.07.2002 | |
| 285 | Космонавт (транзисторный) — 22Кб | 22 | 1223 | 09.01.2002 |
| 286 | Космос | 644 | 28.07.2002 | |
| 287 | Космос (транзисторный) — 18Кб | 18 | 1195 | 09.01.2002 |
| 288 | Космос М | 620 | 28.07.2002 | |
| 289 | Космос М (транзисторный) — 19Кб | 18 | 1277 | 09.01.2002 |
| 290 | Круиз 203 (автомобильный) — 142Кб | 142 | 2789 | 09.01.2002 |
| 291 | Ласточка | 595 | 28.07.2002 | |
| 292 | Ласточка (транзисторный) — 20Кб | 20 | 1073 | 09.01.2002 |
| 293 | Латвия М-127 | 692 | 28.07.2002 | |
| 294 | Латвия РН-59 | 951 | 28.07.2002 | |
| 295 | Латвия-2 | 643 | 28.07.2002 | |
| 296 | Латвия-М | 834 | 28.07.2002 | |
| 297 | Лель (транзисторный) — 15Кб | 15 | 1095 | 09.01.2002 |
| 298 | Лель РП-202 (полупроводн.) — 24Кб | 25 | 1240 | 09.01.2002 |
| 299 | Лель РП-202 (транзисторный) — 24Кб | 25 | 1238 | 09.01.2002 |
| 300 | Ленинград | 1004 | 28.07.2002 | |
| 301 | Ленинград 002 | 3102 | 28.07.2002 | |
| 302 | Ленинград 002 (транзисторный) — 104Кб | 102 | 7913 | 09.01.2002 |
| 303 | Ленинград 010 стерео | 4168 | 28.07.2002 | |
| 304 | Ленинград 010 стерео (транзисторный) — 236Кб | 231 | 5028 | 09.01.2002 |
| 305 | Ленинград-006 Стерео | 3666 | 6206 | 07.04.2017 |
| 306 | Ленинградец | 571 | 28.07.2002 | |
| 307 | Лира | 948 | 28.07.2002 | |
| 308 | Лира РП 231 (полупроводн.) — 80Кб | 81 | 2815 | 09.01.2002 |
| 309 | Лира РП 241 (транзисторный) — 61Кб | 60 | 3114 | 09.01.2002 |
| 310 | Лира РП-249 | 253 | 2480 | 09.10.2014 |
| 311 | Лира РП231 | 1529 | 28.07.2002 | |
| 312 | Луч | 535 | 28.07.2002 | |
| 313 | Луч (транзисторный) — 21Кб | 21 | 951 | 09.01.2002 |
| 314 | Любительский радиоприемник на 160 метров | 4578 | 07.04.2006 | |
| 315 | Люкс | 1066 | 28.07.2002 | |
| 316 | Люкс-2 | 971 | 28.07.2002 | |
| 317 | Малыш | 811 | 28.07.2002 | |
| 318 | Маршал-М | 633 | 28.07.2002 | |
| 319 | Маяк | 947 | 28.07.2002 | |
| 320 | Маяк-2 | 978 | 3302 | 11.05.2012 |
| 321 | Мелодия | 686 | 28.07.2002 | |
| 322 | Мелодия-64 | 601 | 28.07.2002 | |
| 323 | Меридиан | 1317 | 28.07.2002 | |
| 324 | Меридиан (транзисторный) — 44Кб | 43 | 1850 | 09.01.2002 |
| 325 | Меридиан 206 | 135 | 3485 | 05.08.2001 |
| 326 | Меридиан 210 (транзисторный) — 84Кб | 82 | 8812 | 09.01.2002 |
| 327 | Меридиан 235 (транзисторный) — 88Кб | 86 | 5964 | 09.01.2002 |
| 328 | Меридиан РП-248 (полупроводн.) — 84Кб | 83 | 6842 | 09.01.2002 |
| 329 | Меридиан РП-348 | 1659 | 28.07.2002 | |
| 330 | Меридиан РП-348 (транзисторный) — 74Кб | 73 | 3345 | 09.01.2002 |
| 331 | Меркурий 210 (транзисторный) — 99Кб | 97 | 2405 | 09.01.2002 |
| 332 | Микро | 715 | 28.07.2002 | |
| 333 | Микрон | 975 | 28.07.2002 | |
| 334 | Микрон (транзисторный) — 8Кб | 7 | 1315 | 09.01.2002 |
| 335 | Микрон РП-203 (полупроводн.) — 20Кб | 20 | 2278 | 09.01.2002 |
| 336 | Миниатюрный радиоприемник ДВ и СВ | 3733 | 07.04.2006 | |
| 337 | Минск | 518 | 28.07.2002 | |
| 338 | Минск (стереорадиола) | 634 | 28.07.2002 | |
| 339 | Минск (транзисторный) — 19Кб | 19 | 992 | 09.01.2002 |
| 340 | Минск Р-7 | 629 | 28.07.2002 | |
| 341 | Минск Р-7-55 | 465 | 28.07.2002 | |
| 342 | Минск РС-301-Л | 464 | 28.07.2002 | |
| 343 | Минск С-4 | 428 | 28.07.2002 | |
| 344 | Минск-1 | 393 | 28.07.2002 | |
| 345 | Минск-55 | 527 | 28.07.2002 | |
| 346 | Минск-58 | 420 | 28.07.2002 | |
| 347 | Минск-61 | 470 | 28.07.2002 | |
| 348 | Минск-62 | 406 | 28.07.2002 | |
| 349 | Минск-65 | 452 | 28.07.2002 | |
| 350 | Мир | 490 | 28.07.2002 | |
| 351 | Мир (транзисторный) — 18Кб | 18 | 966 | 09.01.2002 |
| 352 | Мир М-152 | 489 | 28.07.2002 | |
| 353 | Мир М-154 | 498 | 28.07.2002 | |
| 354 | Москвич-3 | 481 | 28.07.2002 | |
| 355 | Москвич-Б | 474 | 28.07.2002 | |
| 356 | Москвич-В (1- вариант) | 510 | 28.07.2002 | |
| 357 | Москвич-В (2-вариант) | 482 | 28.07.2002 | |
| 358 | Москвич-В (3-вариант) | 508 | 28.07.2002 | |
| 359 | Москвич-В (4-вариант) | 508 | 28.07.2002 | |
| 360 | Мрия 301 | 465 | 28.07.2002 | |
| 361 | Мрия 301 (радиола транз.) — 39Кб | 39 | 1159 | 09.01.2002 |
| 362 | Муромец (приемник) | 625 | 28.07.2002 | |
| 363 | Муромец (радиола) | 597 | 28.07.2002 | |
| 364 | Муромец-62 | 498 | 28.07.2002 | |
| 365 | Нарочь | 425 | 28.07.2002 | |
| 366 | Нарочь (транзисторный) — 25Кб | 24 | 927 | 09.01.2002 |
| 367 | Нева (радиола) | 425 | 28.07.2002 | |
| 368 | Нева 2 (транзисторный) — 22Кб | 22 | 1204 | 09.01.2002 |
| 369 | Нева-2 | 417 | 28.07.2002 | |
| 370 | Нева-48 | 415 | 28.07.2002 | |
| 371 | Нева-51 | 402 | 28.07.2002 | |
| 372 | Нева-52 | 410 | 28.07.2002 | |
| 373 | Нева-55 | 385 | 28.07.2002 | |
| 374 | Невский 402 | 1174 | 28.07.2002 | |
| 375 | Невский 402 (микросхема) — 17Кб | 17 | 2057 | 09.01.2002 |
| 376 | Нейва | 648 | 28.07.2002 | |
| 377 | Нейва (транзисторный) — 23Кб | 22 | 1262 | 09.01.2002 |
| 378 | Нейва 303 (транзисторный) — 18Кб | 19 | 1405 | 09.01.2002 |
| 379 | Нейва 402 | 29 | 2135 | 05.08.2001 |
| 380 | Новь | 415 | 28.07.2002 | |
| 381 | О работе приемника на микросхеме К174ХА34 | 2861 | 07.04.2006 | |
| 382 | Огонек (приемник) | 761 | 28.07.2002 | |
| 383 | Огонек (радиола) | 417 | 28.07.2002 | |
| 384 | Океан | 1932 | 28.07.2002 | |
| 385 | Океан 204 (205) | 2886 | 28.07.2002 | |
| 386 | Океан 204 (205) (транзисторный) — 94Кб | 91 | 4814 | 09.01.2002 |
| 387 | Океан 209 | 11319 | 28.07.2002 | |
| 388 | Океан 209 (транзисторный) — 79Кб | 77 | 12956 | 09.01.2002 |
| 389 | Океан 214 (транзисторный) — 57Кб | 56 | 27444 | 09.01.2002 |
| 390 | Океан РП-222 (полупроводн.) — 148Кб | 145 | 20252 | 09.01.2002 |
| 391 | Октава (приемник) | 657 | 28.07.2002 | |
| 392 | Октава (радиола) | 674 | 28.07.2002 | |
| 393 | Октябрь | 549 | 28.07.2002 | |
| 394 | Олимпик 2 (полупроводн.) — 24Кб | 23 | 1379 | 09.01.2002 |
| 395 | Описание инструкция к радиоприемнику Р-673 | 285 | 13.01.2020 | |
| 396 | Орбита | 553 | 28.07.2002 | |
| 397 | Орленок | 475 | 28.07.2002 | |
| 398 | Орленок (транзисторный) — 18Кб | 18 | 968 | 09.01.2002 |
| 399 | Орленок 605 | 479 | 28.07.2002 | |
| 400 | Орленок 605 (транзисторный) — 19Кб | 19 | 1164 | 09.01.2002 |
| 401 | Орленок М | 432 | 28.07.2002 | |
| 402 | Орленок М (транзисторный) — 17Кб | 16 | 979 | 09.01.2002 |
| 403 | Отдых | 413 | 28.07.2002 | |
| 404 | Паспорт к радиоприемнику «Родина 52» | 18053 | 885 | 19.11.2015 |
| 405 | Пеликан | 24952 | 1471 | 26.09.2010 |
| 406 | Перестройка блоков УКВ на FM | 8109 | 07.04.2006 | |
| 407 | Перестройка импортных УКВ приемников для приема станций отечественного диапазона. | 1442 | 28.05.2001 | |
| 408 | Пионер | 738 | 28.07.2002 | |
| 409 | Планета | 475 | 28.07.2002 | |
| 410 | Планета (транзисторный) — 23Кб | 22 | 1057 | 09.01.2002 |
| 411 | Преобразователь УКВ — FM | 4584 | 07.04.2006 | |
| 412 | Прибор 2-0М (2-1М) | 6328 | 786 | 05.05.2015 |
| 413 | Прибор 4-0М | 3717 | 904 | 19.04.2015 |
| 414 | Приемник на 144 МГц | 2199 | 07.04.2006 | |
| 415 | Приемник начинающего коротковолновика | 7064 | 07.04.2006 | |
| 416 | Приемник прямого преобразования | 3711 | 07.04.2006 | |
| 417 | Приемник Р-160П | 3799 | 2485 | 22.11.2006 |
| 418 | ПРИЗМА-21 | 135 | 1285 | 10.09.2003 |
| 419 | Принципиальная схема Chaub Lorenz Inter Continental U 790 schematic diagram | 16171 | 216 | 23.05.2019 |
| 420 | Принципиальныесхемы старых радиоприемников. | 1842 | 30.07.2002 | |
| 421 | Принцпиальная схема Degen 1103 schematic diagram | 320 | 1881 | 08.04.2018 |
| 422 | Проминь | 365 | 28.07.2002 | |
| 423 | Проминь-2 | 399 | 28.07.2002 | |
| 424 | Проминь-М | 409 | 28.07.2002 | |
| 425 | Простой FM-приемник 88-108 МГц | 2708 | 07.04.2006 | |
| 426 | Простой высококачественный стереоприемник | 14672 | 27.01.2004 | |
| 427 | Простой УКВ приЈмник | 1694 | 07.04.2006 | |
| 428 | Простой УКВ ЧМ приемник | 1563 | 07.04.2006 | |
| 429 | Простые радиоприемные устройства УКВ | 7222 | 16.02.2004 | |
| 430 | Пунане Рет VV-462 | 465 | 28.07.2002 | |
| 431 | Пунане Рет VV-662 | 456 | 28.07.2002 | |
| 432 | Пунане Рет VV-663 | 437 | 28.07.2002 | |
| 433 | Р-155 П | 132 | 2503 | 10.09.2003 |
| 434 | Р-250М | 147 | 3904 | 21.07.2003 |
| 435 | Р-250М альбом схем | 74000 | 558 | 08.04.2019 |
| 436 | Р-250М документация | 154000 | 802 | 08.04.2019 |
| 437 | Р-311-У — техническое описание радиоприемника | 13387 | 26.05.2004 | |
| 438 | Р-313М2 документация | 1761 | 3433 | 17.11.2008 |
| 439 | Р-326 полное описание | 45642 | 7534 | 07.09.2010 |
| 440 | Р-399 А | 129 | 2645 | 10.09.2003 |
| 441 | Р-675 (ОНИКС) | 237542 | 2320 | 18.03.2007 |
| 442 | Радиоконструктор Электрон-М | 3062 | 701 | 10.10.2016 |
| 443 | Радиоприемник «Волна-К» | 430 | 11780 | 21.07.2003 |
| 444 | Радиоприемник «Волна-К» — техдокументация | 722 | 8907 | 29.05.2003 |
| 445 | Радиоприемник «Салют 001» | 3183 | 3201 | 29.01.2014 |
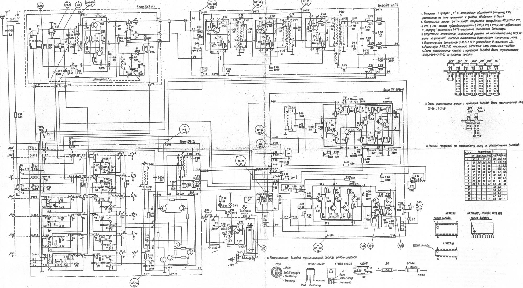
| 446 | Радиоприемник Contest-RX | 5548 | 30.05.2007 | |
| 447 | Радиоприемник \»ЛЕС-3,5\» эксплуатационная документация | 2013 | 1766 | 16.10.2009 |
| 448 | Радиоприёмник «Экстра-Тест» — схемы, описание | 1388 | 31.08.2018 | |
| 449 | Радиоприемник на низкочастотные диапазоны | 3524 | 22.07.2007 | |
| 450 | Радиоприемник прямого усиления ДВ | 3455 | 07.04.2006 | |
| 451 | Радиотехника Т-689 | 696 | 28.07.2002 | |
| 452 | Радиотехника Т-755 | 577 | 28.07.2002 | |
| 453 | Радиотехника Т101 стерео | 1846 | 28.07.2002 | |
| 454 | Радиотехника Т101 стерео (тюнер) — 139Кб | 136 | 5362 | 09.01.2002 |
| 455 | Радиотехника Т7111 стерео (тюнер) — 70Кб | 69 | 2962 | 09.01.2002 |
| 456 | Рапсодия | 497 | 28.07.2002 | |
| 457 | Рассвет (1-вариант) | 718 | 28.07.2002 | |
| 458 | Рассвет (2-вариант) | 921 | 28.07.2002 | |
| 459 | РД 3602 | 428 | 28.07.2002 | |
| 460 | РД 3602 (автомобильный) — 24Кб | 24 | 1032 | 09.01.2002 |
| 461 | РЕЖИМ РЕГЕНЕРАЦИИ В СВЕРХРЕГЕНЕРАТИВНОМ ПРИЕМНИКЕ | 1576 | 07.04.2006 | |
| 462 | Резонанс | 481 | 28.07.2002 | |
| 463 | Резонансный УПЧ на 174ПС1 | 1959 | 07.04.2006 | |
| 464 | Рекорд (приемник) | 621 | 28.07.2002 | |
| 465 | Рекорд (радиола ламп.) — 16Кб | 13 | 1406 | 09.01.2002 |
| 466 | Рекорд-47 | 497 | 28.07.2002 | |
| 467 | Рекорд-53М | 579 | 28.07.2002 | |
| 468 | Рекорд-59 | 772 | 28.07.2002 | |
| 469 | Рекорд-601М | 400 | 28.07.2002 | |
| 470 | Рекорд-60М | 762 | 28.07.2002 | |
| 471 | Рекорд-61 | 957 | 28.07.2002 | |
| 472 | Рекорд-61М | 847 | 28.07.2002 | |
| 473 | Рекорд-61М2 | 476 | 28.07.2002 | |
| 474 | Рекорд-65 | 492 | 28.07.2002 | |
| 475 | Рекорд-66 | 922 | 28.07.2002 | |
| 476 | Рекорд-68 | 711 | 28.07.2002 | |
| 477 | Рига 101 (радиола транз.) — 28Кб | 28 | 1592 | 09.01.2002 |
| 478 | Рига 103 | 1967 | 28.07.2002 | |
| 479 | Рига 103 (102) (транзисторный) — 89Кб | 87 | 3718 | 09.01.2002 |
| 480 | Рига Б-912 | 493 | 28.07.2002 | |
| 481 | Рига-101 | 907 | 28.07.2002 | |
| 482 | Рига-301 | 612 | 28.07.2002 | |
| 483 | Рига-6 | 575 | 28.07.2002 | |
| 484 | Ригонда | 2065 | 28.07.2002 | |
| 485 | Ригонда-С | 1109 | 28.07.2002 | |
| 486 | Родина | 509 | 28.07.2002 | |
| 487 | Родина (вариант) | 402 | 28.07.2002 | |
| 488 | Родина 65 (транзисторный) — 45Кб | 44 | 1134 | 09.01.2002 |
| 489 | Родина-47 | 491 | 28.07.2002 | |
| 490 | Родина-52 | 577 | 28.07.2002 | |
| 491 | Родина-52А | 495 | 28.07.2002 | |
| 492 | Родина-52М | 587 | 28.07.2002 | |
| 493 | Родина-58 | 501 | 28.07.2002 | |
| 494 | Родина-59 | 481 | 28.07.2002 | |
| 495 | Родина-59У | 403 | 28.07.2002 | |
| 496 | Родина-60М1 | 494 | 28.07.2002 | |
| 497 | Родина-60М2 | 358 | 28.07.2002 | |
| 498 | Родина-65 | 496 | 28.07.2002 | |
| 499 | Рондо 101 | 117 | 1351 | 05.08.2001 |
| 500 | Рондо 101 стерео (тюнер) — 49Кб | 48 | 1524 | 09.01.2002 |
| 501 | Россия | 896 | 28.07.2002 | |
| 502 | Россия 303 | 52 | 7020 | 05.08.2001 |
| 503 | РПУ «Бригантина-М» альбом схем | 65000 | 394 | 03.09.2019 |
| 504 | Рубин (2) | 527 | 28.07.2002 | |
| 505 | Рубин (2) (транзисторный) — 28Кб | 27 | 1101 | 09.01.2002 |
| 506 | Рубин Т-7 | 566 | 28.07.2002 | |
| 507 | Рубин-2 | 524 | 28.07.2002 | |
| 508 | Салют | 784 | 28.07.2002 | |
| 509 | Салют 001 (полупровод.) — 129Кб | 129 | 4516 | 09.01.2002 |
| 510 | Самодельный сканирующий приемник | 6757 | 27.10.2004 | |
| 511 | Сатурн | 494 | 28.07.2002 | |
| 512 | Сатурн (транзисторный) — 22Кб | 21 | 1030 | 09.01.2002 |
| 513 | Свехрегенеративный приемник на Си-Би диапазон | 2276 | 07.04.2006 | |
| 514 | Свирель (транзисторный) — 24Кб | 24 | 1401 | 09.01.2002 |
| 515 | Свирель 402 (микросхема) — 29Кб | 28 | 1466 | 09.01.2002 |
| 516 | Сдвоенный тюнер TEAC TR-D2000 | 770 | 641 | 07.10.2016 |
| 517 | Селга | 902 | 28.07.2002 | |
| 518 | Селга (транзисторный) — 20Кб | 20 | 1719 | 09.01.2002 |
| 519 | Селга 309 | 1027 | 28.07.2002 | |
| 520 | Селга 309 (микросхема) — 14Кб | 13 | 1616 | 09.01.2002 |
| 521 | Селга 402 | 974 | 28.07.2002 | |
| 522 | Селга 402 (транзисторный) — 22Кб | 22 | 2094 | 09.01.2002 |
| 523 | Селена (Selena) В-215 | 1628 | 11495 | 17.09.2006 |
| 524 | Серенада | 617 | 28.07.2002 | |
| 525 | Серенада 406 | 634 | 28.07.2002 | |
| 526 | Серенада 406 (радиола) — 28Кб | 28 | 2143 | 09.01.2002 |
| 527 | Серенада РЭ-209 (радиола) — 93Кб | 92 | 3221 | 09.01.2002 |
| 528 | Сибирь | 485 | 28.07.2002 | |
| 529 | Сигнал | 635 | 28.07.2002 | |
| 530 | Сигнал (транзисторный) — 21Кб | 21 | 1084 | 09.01.2002 |
| 531 | Сигнал 402 | 32 | 2086 | 05.08.2001 |
| 532 | Симфония-2 | 954 | 28.07.2002 | |
| 533 | Сириус | 695 | 28.07.2002 | |
| 534 | Сириус-316 пано (радиола транз.) — 68Кб | 67 | 4677 | 09.01.2002 |
| 535 | Сириус-5 | 826 | 28.07.2002 | |
| 536 | Сириус-М | 698 | 28.07.2002 | |
| 537 | Сканирующее устройство | 977 | 07.04.2006 | |
| 538 | Сокол 2 | 620 | 28.07.2002 | |
| 539 | Сокол 2 (транзисторный) — 24Кб | 23 | 1307 | 09.01.2002 |
| 540 | Сокол 307 (транзисторный) — 22Кб | 22 | 1520 | 09.01.2002 |
| 541 | Сокол 308 (транзисторный) — 37Кб | 37 | 4607 | 09.01.2002 |
| 542 | Сокол 4 | 656 | 28.07.2002 | |
| 543 | Сокол 4 (транзисторный) — 36Кб | 35 | 1326 | 09.01.2002 |
| 544 | Сокол 403 (транзисторный) — 21Кб | 21 | 2273 | 09.01.2002 |
| 545 | Сокол 404 | 31 | 1981 | 05.08.2001 |
| 546 | Сокол 404 (транзисторный) — 23Кб | 23 | 2101 | 09.01.2002 |
| 547 | Соната | 804 | 28.07.2002 | |
| 548 | Спидола | 989 | 28.07.2002 | |
| 549 | Спидола 207 (транзисторный) — 66Кб | 66 | 2044 | 09.01.2002 |
| 550 | Спидола 230(231) (транзисторный) — 64Кб | 64 | 3697 | 09.01.2002 |
| 551 | Спидола 231 | 89 | 2816 | 05.08.2001 |
| 552 | Спидола 232 (транзисторный) — 70Кб | 69 | 6674 | 09.01.2002 |
| 553 | Спорт 2 (транзисторный) — 32Кб | 31 | 1156 | 09.01.2002 |
| 554 | Спорт 301 | 493 | 28.07.2002 | |
| 555 | Спорт 301 (транзисторный) — 34Кб | 33 | 1271 | 09.01.2002 |
| 556 | Старт 2 | 459 | 28.07.2002 | |
| 557 | Старт-2 | 504 | 28.07.2002 | |
| 558 | Стерео в простом УКВ приемнике | 2285 | 07.04.2006 | |
| 559 | Стереоприемник с ПДУ, индикацией и памятью | 2750 | 07.04.2006 | |
| 560 | Сувенир | 455 | 28.07.2002 | |
| 561 | Схема и фотоальбом приемника Р-673 | 18000 | 448 | 13.01.2020 |
| 562 | Сюрприз | 507 | 28.07.2002 | |
| 563 | Сюрприз (транзисторный) — 16Кб | 15 | 1131 | 09.01.2002 |
| 564 | Сюрприз-67 | 463 | 28.07.2002 | |
| 565 | Таллин Б-2 | 372 | 28.07.2002 | |
| 566 | Тернава 302 (автомобильный) — 74Кб | 75 | 3149 | 09.01.2002 |
| 567 | Тонар РП-303А | 1492 | 28.07.2002 | |
| 568 | Тонар РП-303А (автомобильный) — 110Кб | 108 | 3229 | 09.01.2002 |
| 569 | Тонар-авто 301 | 571 | 28.07.2002 | |
| 570 | Тонар-авто 301 (автомобильный) — 44Кб | 43 | 1499 | 09.01.2002 |
| 571 | Тонар-авто 302 (автомобильный) — 70Кб | 71 | 1512 | 09.01.2002 |
| 572 | Топаз 2 | 381 | 28.07.2002 | |
| 573 | Топаз 2 (транзисторный) — 25Кб | 25 | 792 | 09.01.2002 |
| 574 | ТПС-54 | 1159 | 28.07.2002 | |
| 575 | ТПС-58 | 2479 | 28.07.2002 | |
| 576 | Тула (1-вариант) | 378 | 28.07.2002 | |
| 577 | Тула (2-вариант) | 413 | 28.07.2002 | |
| 578 | Турист | 537 | 28.07.2002 | |
| 579 | Турист (автомобильный) — 55Кб | 54 | 786 | 09.01.2002 |
| 580 | Турист 315 (транизисторный) — 19Кб | 19 | 1626 | 09.01.2002 |
| 581 | Тюнер Т-202 (Болгария) | 448 | 664 | 07.10.2016 |
| 582 | УKB ПРИЕМНИК — В ПАЧКЕ «MARLBORO» | 1527 | 07.04.2006 | |
| 583 | Увеличение чувствительности приемника «MANBO» | 3186 | 07.04.2006 | |
| 584 | УВЧ ДЛЯ СВ ПРИЕМНИКА | 2562 | 07.04.2006 | |
| 585 | УКВ пpиемник на К174ХА34 | 2034 | 07.04.2006 | |
| 586 | УКВ приЈмник из старого телевизора | 4151 | 07.04.2006 | |
| 587 | УКВ приемник | 2930 | 07.04.2006 | |
| 588 | УКВ приемник КХА058 | 2544 | 07.04.2006 | |
| 589 | УКВ приемники на К174ХА42 | 2402 | 07.04.2006 | |
| 590 | УКВ ЧМ пpиемник на КХА058 | 1402 | 07.04.2006 | |
| 591 | УКВ ЧМ приемник | 1798 | 07.04.2006 | |
| 592 | УКВ ЧМ приемник на 145 МГц | 1918 | 07.04.2006 | |
| 593 | УКВ ЧМ приемник на КХА060 | 2050 | 07.04.2006 | |
| 594 | УКВ ЧМ приемник с синтезатором частоты | 20815 | 09.11.2006 | |
| 595 | УКВ-ЧМ тюнер на К174ХА34 (TDA7021) | 6943 | 07.04.2006 | |
| 596 | Украина 201 | 621 | 28.07.2002 | |
| 597 | Украина 201 (транзисторный) — 32Кб | 31 | 1217 | 09.01.2002 |
| 598 | Универсальный гетеродин широкого применения | 1413 | 07.04.2006 | |
| 599 | Универсальный УКВ ЧМ приемник | 3264 | 07.04.2006 | |
| 600 | Урал 114 (радиола ламп.) — 117Кб | 115 | 8050 | 09.01.2002 |
| 601 | Урал 301 (транзисторный) — 35Кб | 35 | 1135 | 09.01.2002 |
| 602 | Урал РМ334А (автомобильный) — 91Кб | 91 | 1643 | 09.01.2002 |
| 603 | Урал РП-340А | 536 | 28.07.2002 | |
| 604 | Урал РП-340А (автомобильный) — 67Кб | 66 | 1175 | 09.01.2002 |
| 605 | Урал-1 | 727 | 28.07.2002 | |
| 606 | Урал-110 | 499 | 2239 | 19.06.2006 |
| 607 | Урал-2 | 718 | 28.07.2002 | |
| 608 | Урал-47 | 583 | 28.07.2002 | |
| 609 | Урал-5 | 643 | 28.07.2002 | |
| 610 | Урал-52 | 463 | 28.07.2002 | |
| 611 | Урал-7 | 780 | 28.07.2002 | |
| 612 | Урал-авто | 3045 | 28.07.2002 | |
| 613 | Урал-авто (автомобильный) — 78Кб | 76 | 3436 | 09.01.2002 |
| 614 | Урал-авто 2 | 3640 | 28.07.2002 | |
| 615 | Урал-авто 2 (автомобильный) — 74Кб | 72 | 10112 | 09.01.2002 |
| 616 | Уралец (1-вариант) | 440 | 28.07.2002 | |
| 617 | Уралец (2-вариант) | 396 | 28.07.2002 | |
| 618 | Усилитель РЧ для FM радиоприемника | 2414 | 07.04.2006 | |
| 619 | Утро 601 (транзисторный) — 21Кб | 21 | 910 | 09.01.2002 |
| 620 | Факел | 408 | 28.07.2002 | |
| 621 | Хазар 402 | 45 | 1363 | 13.09.2007 |
| 622 | Харьков | 391 | 28.07.2002 | |
| 623 | Чайка | 442 | 28.07.2002 | |
| 624 | Чайка (транзисторный) — 18Кб | 18 | 939 | 09.01.2002 |
| 625 | Чайка-М | 501 | 28.07.2002 | |
| 626 | ЧМ-приемник на TDA7088T | 3486 | 07.04.2006 | |
| 627 | Чувствительный сверхрегенеративный АМ приемник | 1874 | 07.04.2006 | |
| 628 | Экономичный приемник для Си-Би радиостанции | 1548 | 07.04.2006 | |
| 629 | Экономичный приемник узкополосной ЧМ | 1284 | 07.04.2006 | |
| 630 | Экономичный, стереофонический УКВ приемник | 3363 | 07.04.2006 | |
| 631 | Экспериментальный приемник сигналов РБУ 66 кГц | 3251 | 16.03.2008 | |
| 632 | Элегия 102 стерео (радиола) — 54Кб | 54 | 5239 | 09.01.2002 |
| 633 | Элегия 106 стерео (радиола) — 56Кб | 55 | 2271 | 09.01.2002 |
| 634 | Электрон | 572 | 28.07.2002 | |
| 635 | Электроника Р403 (с часами) — 49Кб | 48 | 1406 | 09.01.2002 |
| 636 | Электроника-160 RX | 2611 | 2626 | 15.03.2016 |
| 637 | ЭЛЕКТРОННАЯ НАСТРОЙКА ПРИЕМНИКА | 1895 | 07.04.2006 | |
| 638 | Электросигнал-3 | 411 | 28.07.2002 | |
| 639 | ЭЛС-1 | 482 | 28.07.2002 | |
| 640 | Эра 2М | 309 | 28.07.2002 | |
| 641 | Эра 2М (транзисторный) — 8Кб | 8 | 1033 | 09.01.2002 |
| 642 | Эстония | 764 | 28.07.2002 | |
| 643 | Эстония 006 | 2951 | 28.07.2002 | |
| 644 | Эстония 009 стерео (радиола) — 127Кб | 125 | 4106 | 09.01.2002 |
| 645 | Эстония 010 стерео | 1955 | 28.07.2002 | |
| 646 | Эстония 010 стерео (тюнер) — 187Кб | 183 | 3529 | 09.01.2002 |
| 647 | Эстония-2 | 980 | 28.07.2002 | |
| 648 | Эстония-3 | 735 | 28.07.2002 | |
| 649 | Эстония-4 | 1079 | 28.07.2002 | |
| 650 | Этюд | 358 | 28.07.2002 | |
| 651 | Этюд (транзисторный) — 21Кб | 21 | 1103 | 09.01.2002 |
| 652 | Этюд 2 | 417 | 28.07.2002 | |
| 653 | Этюд 2 (транзисторный) — 22Кб | 21 | 1239 | 09.01.2002 |
| 654 | Этюд 603 | 352 | 28.07.2002 | |
| 655 | Этюд 603 (транзисторный) — 22Кб | 21 | 1093 | 09.01.2002 |
| 656 | Эфир | 610 | 28.07.2002 | |
| 657 | Эфир (радиола транз.) — 43Кб | 42 | 1184 | 09.01.2002 |
| 658 | Эфир-67 | 460 | 28.07.2002 | |
| 659 | Эфир-М | 889 | 28.07.2002 | |
| 660 | Эхо 601 стерео (транз.встроенный) — 30Кб | 30 | 1201 | 09.01.2002 |
| 661 | Юбилейный | 304 | 28.07.2002 | |
| 662 | Югдон | 395 | 28.07.2002 | |
| 663 | Юниор (полупроводн.) — 23Кб | 24 | 890 | 09.01.2002 |
| 664 | Юность | 717 | 28.07.2002 | |
| 665 | Юпитер | 490 | 28.07.2002 | |
| 666 | Юпитер 601 | 455 | 28.07.2002 | |
| 667 | Юпитер 601 (транзисторный) — 22Кб | 9 | 1351 | 09.01.2002 |
| 668 | Юпитер-М | 479 | 28.07.2002 | |
| 669 | Янтарь | 474 | 28.07.2002 |
Archive — RECEIVER.BY
a quick search in the archives of amateur publications
Recent searches
916 [4], Рассвет 307 [1], УРАЛ [40], Доработки Yaesu FT-290R [1], Samsung CK5051A [1], амфитон [8], В7-35 Электрическая схема [1], 160 [73], Программатор EEPROM серии 93C46/56/66 [1], приёмник прямого преобразования [11], QRPP трансивер на 28 МГц [1], Передатчик видеосигнала [5], jvc av-21jt5 [1], sony c [87], sony [301], Электроника Т1-002 стерео (полупроводн.) — 45Кб [1], Х1-7 [3], goldstar ci-14a80fa, ci-20a80fa [1], JVC KD-G [17], Терморегулятор для инкубатора с автономным питанием [1], SAMSUNG CK-3351A. Принципиальная схема [1], Автомагнитола LG TCC-5610 [1], Широкополосный шумовой генератор Tetra Fast [1], SAMSUNG CS29A6MTQ схема [1], антенный усилитель [42], Широкополосный усилитель мощности,P~110Вт. [1], Kenwood TH-235A/E. Руководство [1], вега 300 стерео [1], микрофон [281], диполь [5], Анализатор [26], akai 2021 [1], SANYO CMX3310C-05. Принципиальная схема [1], 27256 [14], Широкополосный смеситель. [2], Частотомер Ф246 инструкция [1], Funai V-3EE MK6 [1], Marantz — model 8 Ламповый усилитель. Схема. 63Kb. [1], SAMSUNG 700ift [1], prima [5], alligator [18], Весна [31], Сура — источник питания [1], grundig cuc-6460 [2], jvc [436], sony KV [58], усилитель у [16], panasonic tx-2150 [3], 27 МГц [26], 144 мгц [70], простой [240], Романтик 306 [1], GRUNDIG T63 [2], panasonic tc [145], осциллограф [130], lg tcc-9010 [1], lg 2 [11], В7-16А [4], Alinco DJ-X1 Инструкция [1], Akai TV2835TUK and Schneider STV2801T [1], tda [101], Усилитель мощности для радиостанции 3-ей категории [2], Domotec MS-2915 [1], Усилитель мощности 144-146 Мгц на КТ 930 [1], sony sdm [12], yaesu ft-7 [4], усилитель мощности [396], DAEWOO [330], Бриг 001 — стереофонический усилитель (УКУ) [2], goldstar 1725 [1], PANASONIC NV-SD20EE [1], Бегущая строка на PIC контроллере [1], Ft-817 [7], Генератор Г4-18а Электрическая схема [2], Вега 002 (113 Кб) — стереофонический электрофон (отечественная ап-ра) [2], Сверхрегенеративный приемник на 90…150 МГц [2], Трансивер UP2NV [1], ТРАНСИВЕР НА 160 м Я. ЛАПОВКА [1], Электроника 404Д [8], ALAN -100 схема [1], осциллограф ОМЛ-3М [4], Радиостанция Каштан (Ядро-1) [2], регулятор [189], УКВ [290], передатчик [451], Alinco DJ-G5 [1], MFJ [128], развертки [30], 003 [53], CHA250B Antenna Manual [1], усилит% [1066], УМЗЧ [61], приёмник [288], yaesu ft-101e [1], PANASONIC S-50 [2], Электроника 12-41A [1], Цифровой [125], blaupunkt [249], Cenmax V-200*. Схема подключения. [1], электроника Б6-403 [2]Рассылка «Радиолюбитель». Выпуски 1-99
Перед вами первый выпуск рассылки. Думаю, прежде всего, следует объяснить, почему вдруг появилась эта рассылка и рассказать немного о самой рассылке.
О рассылке.
Немного истории. Когда-то, в начале века, где-то в 2001 году, я сделал свой первый сайт, и примерно в тоже время, на сервисе MailList появилась рассылка «EVM News», основной целью которой было сообщать обо всех изменения на сайте — новости, аннотации к новым статьям, письма читателей и т.д. Сайт назывался EVM, располагался на бесплатном хостинге, отсюда и название рассылки. В 2006-м с хостиногм начались проблемы, фактически тогда я потерял сайт, и хотя сейчас этот сайт все еще доступен — доступа у меня к нему нет. Переезд с бесплатного на платных хостинг и создание нового сайта хотя и потребовало много времени и сил, но оно того стоило. Это уже был другой уровень, у сайта появился новый дизайн, полноценный форум и т.д. А благодаря рассылке, очень быстро удалось восстановить аудиторию сайта, так как большинство посетителей сайта одновременно являлись и подписчиками рассылки. Всего вышло более 100 выпусков рассылки. В 2008 году, так случилось, что я стал вести рассылку «Вестник старого радио», но уже в 2012 году, стало понятно, что на ведение двух отдельных рассылок времени катастрофически не хватает — и рассылка «EVM News», отметив свое 10-ти летие, была объединена с рассылкой «Вестник старого радио». Фактически это стала одна рассылка, выходящая под разными названиями на двух разных сервисах. В конце 2014 года, на сервисе MailList начались проблемы с выпуском рассылки, и в конце 2014-го года сервис прекратил работу, а вместе с ним прекратила свое существование рассылка «EVM News». Несмотря на это рассылка «Вестник старого радио» продолжила выходить все в том же «смешанном» формате. Ничего не мешает продолжать выпускать рассылку так, как оно есть сейчас, но название рассылки уже не соответствует содержимому. Чтобы исправить эту ситуацию — решено было создать еще одну рассылку, название которой будет соответствовать. Так появилась рассылка «Радиолюбитель», день рождения которой 1 сентября 2015 года — в этот день рассылка была зарегистрирована на сервисе Subscribe, и в этот же день вышел тестовый выпуск рассылки.
Что будет в рассылке. Сегодня понятие «радиолюбитель» довольно широко, это уже не только «любовь к радио», не только любительская связь и конструирование любительской аппаратуры, но и все, что так или иначе связано c конструированием и постройкой, ремонтом и реставрацией, модернизацией и использованием различной радиоэлектронной аппаратуры. Вот об этом и будет рассылка. Также планируется в первых выпусках рассылки переиздание рассылок «EVM News» и «Вестник старого радио», конечно, это будет не простое копирование, а именно переиздание, для этого в рассылке будет создан специальный раздел. Думаю, что это будет интересно и новым подписчикам, и тем, кто был подписан с момента основания рассылок, наверное, будет интересно вспомнить, как все начиналось.
А как же «Вестник старого радио»? Рассылка «Вестник старого радио» будет по прежнему выходить, так как она и выходила, но начиная с 300-го выпуска она станет меньше — из нее уйдет все, что не связано с темой «старого радио». Т.е. примерно до конца года рассылка «Вестник старого радио» будет выходить в прежнем формате. Этого времени, полагаю, вполне достаточно для того, чтобы желающие смогли без всякой спешки подписаться на рассылку «Радиолюбитель», которая, имея более общее название, будет включать в себя и все то, что будет публиковаться в «Вестнике старого радио». Но я не советовал бы отписываться от рассылки «Вестник старого радио», ведь «Радиолюбитель» будет включать в себя материалы «Вестника» только пока я его веду, а если у рассылки появится новый ведущий, то, скорее всего, это уже будет две разных рассылки.
Обратная связь.
Как и предыдущие рассылки, предполагается, что рассылка «Радиолюбитель» будет интерактивной, это значит, что рассылка будет содержать не только материалы ведущего, но и различные материалы, которые присылаете вы, уважаемые читатели. Если вы радиолюбитель — вы можете поделиться своими разработками на странице рассылки. Если у вас есть собственные сайт — размещайте свои статьи и анонсы в рассылке, это позволит вам рассказать о своем сайте коллегам и поделиться своим опытом с единомышленниками. И, конечно же, любые вопросы от вас, дорогие читатели, будут рассмотрены на странице рассылки. Для обратной связи на нашем форуме создана специальная тема: Рассылка «Радиолюбитель». Обратная связь, каждый выпуск рассылки после публикации попадает в архив, где также можно обсудить выпуск, оставить комментарии к выпуску или задать вопрос. Также вы можете связаться со мной по электронной почте: [email protected]
Новости.
Аппаратура
Радиолампы
Активные темы.
Внимание! C 15 января по 28 мая проводится Конкурс «День Радио-2016»
Добрый день.
Сегодня вышел 25-й выпуск рассылки «Радиолюбитель» и мне хотелось бы подвести небольшой итог. С выхода первого выпуска прошло уже полгода, и настало время небольшой коррекции. Во-первых, все еще не очень понятно, что делать дальше с рассылкой «Вестник старого радио». Как вы помните, в течении декабря прошлого года я искал автора для рассылки — безрезультатно. Никто не хочет ей заниматься. Продолжать вести ее дальше, если честно — не вижу смысла, так как сегодня она представляет собой урезанный вариант рассылки «Радиолюбитель». Было ожидание, что если у рассылки появятся новые авторы — ее содержание может серьезно измениться, и тогда мы бы имели две рассылки, но ожидания не оправдались, и сегодня ведение рассылки «Вестник старого радио» мне кажется не целесообразным.
Вторая проблема с выпуском рассылки связана с низкой активностью подписчиков рассылки — обратной связи нет от слова совсем, и поэтому для автора рассылки не очень понятно, куда она должна развиваться. Еще одна проблема — нулевая активность на сайте рассылки http://radionic.ru и практически нулевая активность в группах вконтакта: https://vk.com/radionic и https://vk.com/amradio, не смотря на то, что количество подписчиков в группах медленно, но растет. Да и у рассылки «Вестник старого радио», если верить счетчику, 3129 подписчиков, хотя реально читают рассылку, судя по всему не более 300 человек. Вот такая картинка вырисовывается. Поэтому, я еще раз делаю объявление, о том что рассылке требуется новый ведущий или по крайней мере помощник, если у вас есть желание попробовать себя в этом — пишите, e-mail: [email protected] или на форуме, в теме «Расссылка. Обратная связь» Никаких особых навыков не требуется, нужно лишь ваше желание.
И у меня будет большая просьба к читателям рассылки и к пользователям сайта. Нам нужно протестировать нормально ли работает сайт рассылки, и оценить, а сколько на самом деле подписчиков у рассылки. Вот что нужно сделать: Авторизоваться на сайте (если вы еще не зарегистрированы — зарегистрироваться, если забыли пароль — на сайте есть система восстановления пароля, на крайний случай — вот мой е-маил: [email protected]), после этого в теме этого выпуска рассылки (http://www.radionic.ru/rf025) отпишите свое мнение и оцените этот выпуск по пятибалльной системе. В этой же теме мы можем обсудить дальнейшую судьбу рассылок, но если по каким-то причинам вы не желаете или не имеете возможности высказать свое мнение, то хотя бы просто поставьте оценку, достаточно одной цифры. В результате мы сможем оценить и количество подписчиков на обоих рассылках, и появится какая-то информация для размышления и обсуждения. Пожалуйста, уделите несколько минут, это действительно нужно. А в следующем выпуске подведем итоги.
Новости.
Радиолюбительские дипломы
Аппаратура
Видео
Мастерская
Библиотека
Активные темы.
Возвращаясь к напечатанному
Добрый день.
Прежде всего — всех с Праздником! Два года назад состоялось историческое событие — воссоединение Крыма с Россией, как сказал президент В.В.Путин — Крым вернулся в родную гавань.
Ну и как обещал в прошлом выпуске — подводим итоги. Итак, всего откликнулось на просьбу, опубликованную в прошлом выпуске рассылки — 11 человек. Из них 8 человек оставили комментарий на сайте рассылки и 3 человека прислали е-маил. При этом, на сайте голоса разделились, и в теме выпуска рассылки «Вестник старого радио» и в теме выпускал рассылки «Радиолюбиетель» — количество голосов примерно поровну. Значит можно сделать вывод о том, что, согласно статистике, реально читают рассылку не более 100 человек, что, с учетом тех, кто подписался на рассылку просто ради любопытства, а это еще примерно столько же — в общем-то, соответствует количеству подписчиков рассылки «Радиолюбитель». Ну а теперь посмотрим, что было в комментариях. По содержанию рассылки мнения практически у всех, кто оставил комментарии — совпали, рассылку оценили на 4-5 балов, оценка довольно высокая. Также мнения практически совпали и в вопросе дублирования рассылок — нет смысла дублировать рассылки, с этим я тоже согласен. Большое спасибо всем, кто откликнулся на просьбу прошлого выпуска. Ну и исходя из этого, я принимаю решение прекратить выпуск рассылки «Вестник старого радио». Я сам был подписан на рассылку «Вестник старого радио» (тогда у нее правда было другое название) чуть ли не с ее основания, а вел эту рассылку с января 2008 года, т.е. уже более 8-ми лет, собственно я и взялся за нее в свое время лишь потому, что мне очень не хотелось, чтобы перестала существовать единственная рассылка для любителей технической старины. Но, умерла, так умерла. Впрочем, я и сейчас не хочу ставить на ней крест, закрывать ее я не стану, а чтобы ее автоматически не закрыли — раз в месяц я буду делать выпуск, в котором будет только краткая информация о том, что происходит на сайте. Поэтому, если когда-нибудь сайт нормально заработает, то и рассылка автоматически за ним подтянется. А если для рассылки найдется автор, то, полагаю, рассылка возобновится в полном объеме, но уже в новом виде — все будет зависеть от нового ведущего рассылки. Все остальные ресурсы, так или иначе связанные с рассылкой продолжают работать, в том числе и группа в контакте: http://vk.com/radionic
Рассылка «Радиолюбитель» будет выходить в прежнем формате, еженедельно. Поэтому, те, кто подписан только на «Вестника» — подпишитесь на рассылку «Радиолюбитель». Для тех, кто не знаком с рассылкой «Радиолюбитель» — можете посмотреть предыдущие выпуски рассылки на сайте, в разделе: «Рассылка радиолюбитель». Также можно подписаться на группу в контакте: http://vk.com/amradio
Новости.
Радиолюбительские дипломы
Аппаратура
Видео
Аппаратура для спортивной радиопеленгации
Мастерская
Библиотека
Активные темы.
Возвращаясь к напечатанному
Внимание! C 15 января по 28 мая проводится Конкурс «День Радио-2016»
Здравствуйте дорогие читатели рассылки!
Хочу обратиться с не совсем обычной просьбой. Дело в том, что число подписчиков рассылки на данный момент составляет всего 199 человек, а количество участников группы в контакте — 10 человек. Количество активных участников форума также невелико. Я, конечно, понимаю, что время рассылок, как и время форумов уже уходит, но давайте все-таки попробуем как-то изменить ситуацию. У каждого из нас есть друзья, коллеги, все мы общаемся на каких-то других форумах и состоим в каких-то группах. Давайте пригласим наших друзей подписаться на рассылку, вступить в группу в контакте или зарегистрироваться на нашем форуме. Чем нас будет больше, тем, и в этом я абсолютно уверен, будет интереснее рассылка. Если каждый из нас пригласит хотя бы одного участника — нас сразу станет в два раза больше!
Еще хотелось бы обратить внимание на рассылку «Вестник старого радио». К сожалению, пока для рассылки так и не удалось найти ведущего, поэтому рассылка пока по-прежнему будет выходить раз в месяц, только лишь для того, чтобы ее не закрыли.
Также хочу напомнить, что конкурс, который был заявлен в начале этого года, продлен до 1 декабря, если кто-то желает поучаствовать — присылайте работы.
- Группа в контакте: https://vk.com/amradio
- Страница подписки на рассылку: http://subscribe.ru/catalog/socio.science.radio
- Наш форум: http://radionic.ru
- О конкурсе: http://msevm.com/2016/konkurs/index.htm
PS. Кстати, возможно кто-то из числа приглашенных вами коллег согласится вести рассылку «Вестник старого радио» или поучаствовать в конкурсе…
Новости.
Радиолюбительские дипломы
Аппаратура
Библиотека
Активные темы.
Возвращаясь к напечатанному
С Новым Годом!
Всех подписчиков рассылки «Радиолюбитель» — С Новым Годом! Желаем вам, и вашим близким здоровья, радости, ярких впечатлений, успехов в ваших делах и вдохновения в творчестве.
Чтобы у вас всегда были силы смотреть с оптимизмом в будущее, быть в хорошем настроении и никогда не терять чувство юмора.
Пусть лучший день уходящего года станет худшим днем года наступающего.
С Новым Годом!
Обмен Опытом. Путеводитель по журналу «Радио» 1981-2009 гг
Обмен Опытом
Слуховой контроль записи
Звуковоспроизведение
Лазарев А.
1981, № 1, с. 60.
В «Веге-326»
Магнитофон звучит лучше
Звуковоспроизведение
Шувалов А.
1981, № 1, с. 47.
Комета-212-стерео
Кварцевый генератор
???
Башканков П.
1981, № 1, с. 60.
На логическом элементе «И-НЕ»
Уменьшение фона в «Веге-106-стерео»
Звуковоспроизведение
Тарасун С.
1981, № 2, с. 25.
Окрашивание баллонов ламп
???
Ярмолюк С., Малин П.,Ногин К., Иванов А., Родионов И.
1981, № 2, с. 43.
Несколько рецептов.
Устранение неисправности
Звуковоспроизведение
Кокиелов И.
1981, № 2, с. 25.
Переключатель перемотки в магнитофоне «Комета-212».
«Слава» включает телевизор
Для Народного Хозяйства И Быта
Арканов А.
1981, № 3, с. 38.
Еще раз о ремонте часов «Слава»
Для Народного Хозяйства И Быта
Головач В.
1981, № 4, с. 55.
Телеграфная манипуляция в кварцевом гетеродине
Связь: Кв, Укв И Си-Би
Медведев Р. (UA4DR)
1981, № 4, с. 22.
Эффективная антенна на 10-метровый диапазон
Связь: Кв, Укв И Си-Би
Тыдыков Н. (UA9UBN)
1981, № 4, с. 23.
«Дистошн» с удвоением частоты
Электронные Музыкальные Инструменты
Кузнецов А.
1981, № 4, с. 31.
Сенсорный датчик
Радиолюбителю-Конструктору
Соболев А.
1981, № 4, с. 55.
Модернизация «Радио-77»
Связь: Кв, Укв И Си-Би
Попов Ю. (UA3DRA)
1981, № 4, с. 23.
Трансивера.
Переключатель «Моно-стерео» в «Тонике-310-стерео»
Звуковоспроизведение
Двуреченский В.
1981, № 5, с. 44.
Устройство для получения псевдостереоэффекта
Звуковоспроизведение
Петров В.
1981, № 5, с. 38.
«Вау»- устройство с изменяемой характеристикой
Электронные Музыкальные Инструменты
Кузнецов А.
1981, № 5, с. 79.
Об одной неисправности «Веги-106-стерео»
Звуковоспроизведение
Утолин А.
1981, № 5, с. 68.
Ремонт ЭПУ G-600C
Индикатор выходной мощности с логарифмической шкалой
Звуковоспроизведение
Бахтин С.
1981, № 5, с. 41.
Для усилителей НЧ.
Металлизация ракорда
Звуковоспроизведение
Кузьмин М.
1981, № 5, с. 41.
Для магнитофонной ленты.
Повышение чувствительности приемника
Радиоприем
Грешнов В.
1981, № 5, с. 68.
Приемника УКВ, описанного в Р 1979 № 9 с 33
Устранение фона
Звуковоспроизведение
Джараян В.
1981, № 5, с. 59.
Переменного тока в радиоприемнике «Океан-209».
Расчет многослойной катушки
Радиолюбителю-Конструктору
Мамзенко С.
1981, № 5, с. 45.
Расчет многослойной катушки разделительных фильтров громкоговорителей
Усовершенствование автостопа (Р 1978 № 9 с 36)
Звуковоспроизведение
Тормозов И.
1981, № 5, с. 44.
Усовершенствование автостопа для кассетного магнитофона, описанного в Р 1978 № 9 с 36
Кварцевый фильтр на 10,5 МГц
Связь: Кв, Укв И Си-Би
Солдатенков В.
1981, № 5, с. 38.
Четырехзвенный фильтр длля работы в тракте ПЧ приемника с широкополосным преселектором.
Релейное защитное устройство
Для Народного Хозяйства И Быта
Пятницын Д., Ершенко В.
1981, № 5, с. 59.
Для автоматического отключения бытовых электронасосов при переходе из режима нагрузки в режим холостого хода.
Переключатель «Моно-стерео» в «Тонике-310-стерео»
Звуковоспроизведение
Двуреченский В.
1981, № 6, с. 44.
Устройство для получения псевдостереоэффекта
Звуковоспроизведение
Петров В.
1981, № 6, с. 38.
«Вау»- устройство с изменяемой характеристикой
Электронные Музыкальные Инструменты
Кузнецов А.
1981, № 6, с. 79.
Об одной неисправности «Веги-106-стерео»
Промышленная Аппаратура
Утолин А.
1981, № 6, с. 68.
Ремонт ЭПУ G-600C
Индикатор выходной мощности с логарифмической шкалой
Звуковоспроизведение
Бахтин С.
1981, № 6, с. 41.
Для усилителей НЧ.
Металлизация ракорда
Звуковоспроизведение
Кузьмин М.
1981, № 6, с. 41.
Для магнитофонной ленты.
Повышение чувствительности приемника (Р 1979 № 9 с 33)
Радиоприем
Грешнов В.
1981, № 6, с. 68.
Приемника УКВ, описанного в Р 1979 № 9 с 33
Устранение фона
Звуковоспроизведение
Джараян В.
1981, № 6, с. 59.
Фона переменного тока в радиоприемнике «Океан-209»
Расчет многослойной катушки
Радиолюбителю-Конструктору
Мамзенко С.
1981, № 6, с. 44.
Расчет многослойной катушки разделительных фильтров громкоговорителей
Усовершенствование автостопа (Р 1978 № 9 с 36)
Звуковоспроизведение
Тормозов И.
1981, № 6, с. 44.
Усовершенствование автостопа для кассетного магнитофона, описанного в Р 1978 № 9 с 36
Кварцевый фильтр на 10,5 МГц
Связь: Кв, Укв И Си-Би
Солдатенков В.
1981, № 6, с. 38.
Четырехзвенный фильтр длля работы в тракте ПЧ приемника с широкополосным преселектором.
Релейное защитное устройство
Для Народного Хозяйства И Быта
Пятницын Д., Ершенко В.
1981, № 6, с. 59.
Для автоматического отключения бытовых электронасосов при переходе из режима нагрузки в режим холостого хода.
Формирователь мощных импульсов
???
Деев Н.
1982, № 2, с. 57.
Контактная планка из фольгированного материала
Радиолюбительская Технология
Федякин В.
1982, № 2, с. 63.
Бестрансформаторный преобразователь напряжения
Источники Питания
Кузнецов Г.
1982, № 2, с. 36.
9 В преобразует в 16 В при токе нагрузке 120 мА.
Усовершенствование электронно-музыкальной игрушки «Малыш»
Радио — Начинающим
Филлатов Н.
1982, № 3, с. 54.
«ВАУ-бустер» для электрогитары
Электронные Музыкальные Инструменты
Бурнашев И.
1982, № 3, с. 29.
Улучшение блокирующего устройства
Для Народного Хозяйства И Быта
Момотенко Б., Чернявский В., Прохватилов Б.
1982, № 3, с. 46.
Для мотоцикла
Усовершенствование ЭПУ G-602
Звуковоспроизведение
Тамаровский В.
1982, № 3, с. 37.
Устройство возврата тонарма на стойку.
Регулирование скважности импульсов
Измерения
Шмарин Н.
1982, № 5, с. 57.
Предназначено для использования в ЭМИ
Сигнализатор шума
Для Народного Хозяйства И Быта
Апанович А.
1982, № 6, с. 53.
Улучшение синхронизации в телевизоре «Радуга-701»
Телевидение И Видеотехника
Цыхман А.
1982, № 6, с. 43.
Ждущий мультивибратор
Глушко Е., Могилевский Е.
1982, № 6, с. 33.
Реле, управляемое кнопкой
Полишкаров В.
1982, № 6, с. 43.
Стабилизатор напряжения на К1УС221В
Источники Питания
Нечаев И.
1982, № 6, с. 29.
4 В, 10 мА.
Пользоваться приемником станет удобнее
Бродский Ю.
1982, № 6, с. 26.
Введение реле времени на подсветку шкалы в приемниках «ВЭФ»
Усовершенствование «Радиотехники-020-стерео»
Промышленная Аппаратура
Стриганов А.
1982, № 6, с. 26.
Защита громкоговорителей, устранение щелчков при включении и при переключении входов, уменьшение уровня шума и фона.
Усилитель воспроизведения — из предусилителя-корректора
Звуковоспроизведение
Козловский В.
1982, № 7, с. 32.
Еще раз о регуляторах стереобаланса
Звуковоспроизведение
Шатохин В.
1982, № 7, с. 43.
Повышение чувствительности приемника «Селга-404»
Промышленная Аппаратура
Сергеев Г.
1982, № 7, с. 32.
Индикатор настройки в приемнике «ВЭФ-202»
Промышленная Аппаратура
Цурюпа М.
1982, № 7, с. 45.
Устранение неисправности телевизора «Электрон-714»
Промышленная Аппаратура
Сластен В.
1982, № 7, с. 45.
Термометр с линейной шкалой
Для Народного Хозяйства И Быта
Коноплев П., Мартынюк А.
1982, № 7, с. 37.
Диапазон 0…+50 град. Погрешность 0,3 град.
Сенсорный переключатель
Для Народного Хозяйства И Быта
Ратников В.
1982, № 8, с. 43.
Неисправность телевизора «Электрон-714»
Телевидение И Видеотехника
Сластен В.
1982, № 8, с. 56.
Устранение неисправности телевизора «Электроника ВЛ-100»
Телевидение И Видеотехника
Семененко В.
1982, № 8, с. 56.
Генератор-пробник для телевизора
Измерения
Мишин О.
1982, № 8, с. 63.
Усовершенствование системы зажигания
Для Народного Хозяйства И Быта
Кобяк В., Борухович В.
1982, № 9, с. 57.
ФВЧ широкополосного милливольтметра
Измерения
Степанов Б.
1982, № 9, с. 40.
Индикатор напряжения в автокарандаше
Измерения
Прилепко А.
1982, № 9, с. 54.
Кассетница для мелких деталей
Радиолюбительская Технология
Пахомов Ю.
1982, № 9, с. 54.
Зажим из плоскогубцев
Радиолюбительская Технология
Рощаховский В.
1982, № 9, с. 54.
Экономичный индикатор настройки
Радиоприем
Асеев В.
1982, № 9, с. 38.
Для носимых радиоприемников.
Псевдостереофония в приемнике
Радиоприем
Гамзаев А.
1982, № 10, с. 56.
Генератор прямоугольных импульсов
Измерения
Смирнов А.
1982, № 10, с. 38.
Приставка-фазовращатель
Электронные Музыкальные Инструменты
Эйнбиндер В.
1982, № 10, с. 56.
Оригинальная «Вау»-приставка
Электронные Музыкальные Инструменты
Мурзин А.
1982, № 12, с. 30.
Питание радиостанции «Виталка»
Связь: Кв, Укв И Си-Би
Соболев С.
1982, № 12, с. 22.
От генератора переменного тока карманного фонаря.
Еще одно применение ПТУ
Телевидение И Видеотехника
Смирнов Н.
1982, № 12, с. 30.
ПТУ — промышленная телевизионная установка. Усовершенствование позволяет просматривать на экране одного или нескольких телевизоров негативные пленки в позитивном изображении.
Простой секундомер
Для Народного Хозяйства И Быта
Волков Э.
1983, № 1, с. 42.
О способе установки АРУ в телевизорах УЛПЦТ-59/61-II
Телевидение И Видеотехника
Быков П.
1983, № 1, с. 35.
Простой манипулятор для ЭМИ
Электронные Музыкальные Инструменты
Ермаков Б.
1983, № 1, с. 35.
Прерыватель тока с разомкнутыми контактами
Данилюк Г.
1983, № 1, с. 62.
Расширение интервала яркости экрана
Цветомузыка
Нечаев И.
1983, № 1, с. 57.
Для светодинамических установок.
Индикатор перегрузки стабилизатора
Источники Питания
Карапетьянц К.
1983, № 2, с. 31.
Индикаторы на светодиодах
Челебаев М.
1983, № 2, с. 52.
Предварительный усилитель НЧ
Звуковоспроизведение
Орлов В.
1983, № 3, с. 38.
Ном. вх. напр. 250 мВ. Ном. вых. напр. 1 В.
Термометр на ОУ
Для Народного Хозяйства И Быта
1983, № 4, с. 44.
Генератор секундных импульсов из будильника «Слава»
1983, № 4, с. 52.
Звуковой индикатор
1983, № 4, с. 35.
Сигнализатор окончания разрядки аккумуляторной батареи
Для Народного Хозяйства И Быта
Чантурия А.
1983, № 5, с. 63.
Вариант зарядного устройства
Для Народного Хозяйства И Быта
Долин Е.
1983, № 5, с. 58.
Устройство многоискрового зажигания
Для Народного Хозяйства И Быта
Лобов А.
1983, № 5, с. 58.
ВЧ пробник к прибору Ц4323
Измерения
Татарко Б.
1983, № 5, с. 55.
Усилитель-ограничитель звукового сигнала
Николастиков М.
1983, № 5, с. 55.
Контроль двух анодных напряжений низковольтной лампой накаливания
Связь: Кв, Укв И Си-Би
1983, № 6, с. 37.
Приемник на 160 м (к Р 1980 № 6 с 20)
Связь: Кв, Укв И Си-Би
1983, № 6, с. 37.
Усовершенствование СДУ
Цветомузыка
1983, № 6, с. 27.
Восстановление вывода электролитического конденсатора
Радиолюбительская Технология
1983, № 6, с. 39.
Регулируемая атака звука в ФАЭМИ
Электронные Музыкальные Инструменты
1983, № 6, с. 53.
Электронное управление приставками
1983, № 6, с. 28.
Выходной касакад НЧ милливольтметра
Измерения
1983, № 7, с. 43.
Регулятор напряжения
Для Народного Хозяйства И Быта
Трунин В.
1983, № 8, с. 33.
Автомобильный.
Экономичное реле времени
Для Народного Хозяйства И Быта
1983, № 9, с. 53.
Реле блокировки стартера
Для Народного Хозяйства И Быта
1983, № 10, с. 27.
Релейный переключатель с зависимой фиксацией
Для Народного Хозяйства И Быта
1983, № 10, с. 57.
Упрощение лабораторного блока питания (Р 1980 № 11 с 46)
Измерения
1983, № 10, с. 27.
Об установке оксидных конденсаторов К50-6
1983, № 11, с. 39.
Усовершенствование устройства защиты громкоговорителей
Звуковоспроизведение
1983, № 12, с. 35.
Введение в СДУ ламп подсветки
Цветомузыка
1983, № 12, с. 41.
Лентоприжим может служить дольше («Маяк-203,205»)
Промышленная Аппаратура
1983, № 12, с. 37.
Ограничитель разрядки (7Д-0,1)
1983, № 12, с. 41.
Трансформатор безопасности
1983, № 12, с. 54.
ДУ «Нотой-203-стерео»
1983, № 12, с. 35.
Регенерация элементов в «Океане»
1983, № 12, с. 35.
Улучшение звучания стереотелефонов ТДС-1
Звуковоспроизведение
Некрасов Н.
1984, № 2, с. 50.
Усилитель воспроизведения на МС К548УН1А
Звуковоспроизведение
Березюк Н.
1984, № 2, с. 46.
Усовершенствование приемника «ВЭФ-202»
Промышленная Аппаратура
Чушикин И.
1984, № 2, с. 64.
Об уменьшении фона в «Веге-106-стерео»
Промышленная Аппаратура
Шайков Е.
1984, № 2, с. 46.
Еще раз о раздельной четырехдорожечной записи
Магнитная Запись
Тронин М., Власов Г.
1984, № 2, с. 64.
Если рядом мощный передатчик…
Глушенков М.
1984, № 2, с. 64.
О помехохащищенности бытовой радиоаппаратуры.
О замене ламп накаливания в ЭПУ G-602
Промышленная Аппаратура
Кузьмичев С.
1984, № 3, с. 45.
Усовершенствование сенсорного коммутатора
Широкий А.
1984, № 3, с. 45.
Резистор группы А — в регуляторе громкости
Зубченко М.
1984, № 3, с. 46.
Источник фона — светорегулятор
Костогрыз В.
1984, № 3, с. 46.
Проникание можно уменьшить
Катричев Н.
1984, № 3, с. 46.
О магнитофоне «Маяк-205».
Лампа служит дольше
Перфильев А.
1984, № 3, с. 46.
О неоновой лампе в ЭПУ G-602.
Усовершенствование АДКМ
Связь: Кв, Укв И Си-Би
Гуев Р.
1984, № 4, с. 29.
Амплитудный детектор
Радиоприем
Руднев А.
1984, № 4, с. 56.
Ручная регулировка уровня записи в «Электронике-311-стерео»
Промышленная Аппаратура
Яланский В.
1984, № 4, с. 56.
Звуковой индикатор радиомонтера
Степанов Г.
1984, № 4, с. 56.
Преобразователь для питания индикаторов
Источники Питания
Виноградов Ю.
1984, № 4, с. 55.
Люминисцентных.
Усовершенствование автосторожа
Для Народного Хозяйства И Быта
Ширинян Л.
1984, № 4, с. 29.
К Р 1981 № 9 с 28.
Продление срока службы головок
Промышленная Аппаратура
Шокшинский Г.
1984, № 4, с. 29.
«Маяк-001-стерео».
О креплении ламп в экране СДУ
Цветомузыка
Мясников И.
1984, № 6, с. 31.
Как отрегулировать положение головки по высоте
Магнитная Запись
Шокшинский Г.
1984, № 6, с. 46.
Автомат выдержки пауз в фонограмме
Магнитная Запись
Прогонов Н.
1984, № 6, с. 56.
Преобразователь полярности
Источники Питания
Мотинов Ю.
1984, № 6, с. 56.
Однополярное в двуполярное.
Об одной неисправности ЭПУ G-602
Промышленная Аппаратура
Бударин В.
1984, № 6, с. 56.
Стабилизация частоты вращения.
Регулятор мощности
Для Народного Хозяйства И Быта
Бражников А.
1984, № 7, с. 42.
Индикатор перегрузки громкоговорителя
Звуковоспроизведение
Лукьянов Д.
1984, № 7, с. 27.
Еще раз о замене лампы в ЭПУ G-602
Промышленная Аппаратура
Долгов С.
1984, № 7, с. 57.
Сенсорный выключатель подсветки шкалы
Нечаев И.
1984, № 7, с. 25.
Светодиодный индикатор напряжения
Розенталь А., Афанасьев А.
1984, № 7, с. 57.
Вилка для стереотелефонов
Звуковоспроизведение
Джум Д.
1984, № 9, с. 32.
Зарядка батареи питания в «Томи-303»
Промышленная Аппаратура
Розмаит В.
1984, № 9, с. 49.
Приставка для «Легенды-404»
Промышленная Аппаратура
Широков О.
1984, № 9, с. 49.
Релейный переключатель
Юшков В.
1984, № 9, с. 29.
Улучшение замка
Промышленная Аппаратура
Элерт А.
1984, № 9, с. 32.
«Нота-203-стерео».
Динамический фильтр в приемнике
Радиоприем
Руднев А.
1984, № 9, с. 49.
О регенерации элементов в «Океане»
Промышленная Аппаратура
Алферов В.
1984, № 9, с. 49.
Улучшение звучания стереокомплекса
Звуковоспроизведение
Бенхан В.
1984, № 10, с. 31.
Частотомер — измеритель L и C
Измерения
Владимиров В.
1984, № 10, с. 45.
Экономичный преобразователь напряжения для питания варикапов
Источники Питания
Нечаев И.
1984, № 10, с. 57.
Усовершенствование импульсного стабилизатора частоты вращения
Источники Питания
Сергеев Ю.
1984, № 10, с. 64.
К Р 1979 № 12 с 57.
Усовершенствование логарифмического индикатора (Р 1983 № 12 с 40)
Звуковоспроизведение
Рындюг Н.
1984, № 11, с. 34.
Трассоискатель на базе магнитофона
Дуплий Е.
1984, № 11, с. 56.
Устройство защиты (громкоговорителей) на оптронах
Звуковоспроизведение
Решетников О.
1984, № 12, с. 53.
Фазометр на микросхемах
Измерения
Гончаренко А.
1984, № 12, с. 29.
Простые декодеры АВС
Зайцев О.
1984, № 12, с. 54.
Экономичный стабилизатор
Источники Питания
Нечаев И.
1984, № 12, с. 53.
9 В, 50 мА.
Дополнительное согласование телевизионного фидера
Телевидение И Видеотехника
Хасанов Р.
1985, № 1, с. 32.
160 м — в «Спидоле-231»
Радиоприем
Монин П.
1985, № 1, с. 56.
Уменьшение уровня рокота в «Веге-106-стерео»
Промышленная Аппаратура
Шокшинский Г.
1985, № 1, с. 64.
Еще раз о переделке громкоговорителя 35АС-212 (S-90)
Промышленная Аппаратура
Маслов А.
1985, № 1, с. 59.
Снижение шумов в «Ноте-203-стерео»
Промышленная Аппаратура
Барабошкин Д.
1985, № 1, с. 59.
Простое реле времени
Для Народного Хозяйства И Быта
Бялик А., Межибовская А., Правиков В.
1985, № 2, с. 33.
Пробник длля проверки маломощных транзисторов
Измерения
Савицкий Е.
1985, № 2, с. 55.
Диапазон 10 м — в «Меридиане-206»
Промышленная Аппаратура
Малык В. (UL7JAC)
1985, № 2, с. 53.
Аналоговые коммутаторы для согласования с индикаторами
Строганов Е.
1985, № 2, с. 32.
Устранение потерь постоянной составляющей
Дранников С.
1985, № 3, с. 64.
УЛПЦТ-59/61, УЛПЦТИ-61.
Компрессор для ЦМУ и СДУ
Цветомузыка
Плотников В.
1985, № 5, с. 47.
Антенна в комнате
Радиоприем
Пашанин Е., Ушанов Г., Вагнер И.
1985, № 5, с. 53.
Рамочная на 160 м. Антенна к приемнику наблюдателя. Антенна для радиовещательного приемника.
Индикатор отклонений сетевого напряжения
Для Народного Хозяйства И Быта
Бутев В.
1985, № 6, с. 39.
Усилитель воспроизведения катушечного магнитофона
Магнитная Запись
Кожекин В.
1985, № 6, с. 55.
О контроле частоты вращения диска ЭПУ
Звуковоспроизведение
1985, № 7, с. 25.
Пиковый индикатор
Звуковоспроизведение
1985, № 7, с. 25.
Вариант включения контрольного экрана СДУ
Цветомузыка
1985, № 7, с. 45.
Светодиоды в ЭПУ G-602
Промышленная Аппаратура
1985, № 7, с. 25.
Улучшение прерывателя стеклоочистителя
Для Народного Хозяйства И Быта
1985, № 7, с. 45.
К Р 1981 № 7-8 с 36.
Синхронный запуск двух фотовспышек
Для Народного Хозяйства И Быта
Захаров В.
1985, № 8, с. 35.
«ВАУ»-приставка с кнопочным управлением
Электронные Музыкальные Инструменты
Абоян М.
1985, № 8, с. 46.
Усовершенствование контролирующего устройства
Для Народного Хозяйства И Быта
Русанов Н.
1985, № 8, с. 46.
Для автомобиля. К Р 1983 № 4 с 26.
Дополнительный контур для приемника
Радиоприем
Кетнерс В.
1985, № 10, с. 53.
Генератор автовибрато для гитары-соло
Электронные Музыкальные Инструменты
Абоян М.
1985, № 10, с. 57.
Фонограммы могут быть лучше
Звуковоспроизведение
Буянов Е.
1985, № 10, с. 57.
Доработка «Маяк-205».
Как проверить трансформатор
Сычев В.
1985, № 11, с. 51.
Цилиндрическая шкала настройки
Радиоприем
Романис С.
1985, № 12, с. 55.
Способ настройки УКВ ЧМ приемника
Радиоприем
Кобизький А.
1985, № 12, с. 26.
Щуп для авометра
Измерения
Скетерис В.
1985, № 12, с. 53.
Переделка тонарма «Старт-1202»
Промышленная Аппаратура
Шаронов В.
1986, № 1, с. 54.
Стабилизатор напряжения
Источники Питания
Федосин С.
1986, № 2, с. 57.
9 В, 150 мА.
Усовершенствование системы зажигания
Для Народного Хозяйства И Быта
Чайка М.
1986, № 2, с. 57.
К Р 1981 № 5-6 с 20.
Ослабление помех телевизорам
Телевидение И Видеотехника
Фадеев Н.
1986, № 3, с. 42.
Повышение чувствительности приемника на ИМС К174ХА2
Радиоприем
Соловьев В.
1986, № 4, с. 16.
Увеличение срока службы батареи питания
Источники Питания
Недзвецкий В.
1986, № 4, с. 31.
Усовершенствование приемников «ВЭФ-12» и «ВЭФ-202»
Промышленная Аппаратура
Каманин С.
1986, № 4, с. 16.
Улучшение звучания «России-303»
Промышленная Аппаратура
Овсянников В.
1986, № 4, с. 16.
Индикатор уровня электролита в аккумуляторе
Для Народного Хозяйства И Быта
Иловайский И.
1986, № 5, с. 58.
Дешифратор для цифрового регулятора громкости
Звуковоспроизведение
Болотин И.
1986, № 5, с. 47.
Устройство предотвращения щелчков
Звуковоспроизведение
Загуменов А.
1986, № 5, с. 47.
Улучшение АЧХ миниатюрных громкоговорителей
Звуковоспроизведение
Козловский В.
1986, № 5, с. 47.
Повышение удобства пользования ЭПУ
Звуковоспроизведение
Сотов С.
1986, № 5, с. 58.
«Интим»-фильтр для усилителя ЗЧ
Звуковоспроизведение
Корнеев В.
1986, № 5, с. 58.
Восстановление работы микролифта
Радиолюбительская Технология
Степанец А.
1986, № 5, с. 48.
Магнитофон в автомобиле
Магнитная Запись
Емельянов В.
1986, № 5, с. 58.
Квазисенсорный коммутатор
Гарбузюк С.
1986, № 5, с. 46.
Усовершенствование устройства защиты громкоговорителей (Р 1981 № 11 с 44)
Звуковоспроизведение
Гусев Д.
1986, № 5, с. 48.
К Р 1981 № 11 с 44.
Как снизить фон…
Промышленная Аппаратура
Ткаченко В., Мейер В.
1986, № 5, с. 48.
…в «Мелодии-103М-стерео»; …в «Радиотехнике-020-стерео».
Усилитель воспроизведения
Звуковоспроизведение
Юрицын А.
1986, № 6, с. 46.
Изготовление пассика
Радиолюбительская Технология
Ломакин Л.
1986, № 6, с. 47.
Повышение качества записи магнитофона «Маяк-231»
Промышленная Аппаратура
Медведев Ю., Кучерак С.
1986, № 6, с. 46.
Электронное управление в магнитофоне
Магнитная Запись
Бушуев С.
1986, № 6, с. 47.
Электронно-механический привод бензонасоса
Для Народного Хозяйства И Быта
Машкинов Л.
1986, № 7, с. 63.
Необычное звучание стереотелефонов
Звуковоспроизведение
Шокшинский Г.
1986, № 7, с. 41.
Способ изготовления ПАС
Звуковоспроизведение
Манаенков В.
1986, № 7, с. 43.
Светофильтры из шаров
Цветомузыка
Иваньков Е.
1986, № 7, с. 55.
Устранение щелчков
Ермишин В.
1986, № 7, с. 41.
К Р 1979 № 11 с 36.
Симисторный регулятор мощности
Для Народного Хозяйства И Быта
Черный В.
1986, № 8, с. 20.
Электронное реле указателя поворотов
Для Народного Хозяйства И Быта
Солодкий В.
1986, № 8, с. 32.
Импульсный регулятор частоты вращения
Для Народного Хозяйства И Быта
Козловский В.
1986, № 8, с. 63.
Квазисенсорный выключатель
Для Народного Хозяйства И Быта
Бушуев И.
1986, № 8, с. 19.
Улучшение звучания стереотелефонов
Звуковоспроизведение
Ратинский В.
1986, № 8, с. 32.
Как очистить ленту
Барсуков А.
1986, № 8, с. 20.
Устройство контроля напряжения
Чурбаков А.
1986, № 8, с. 32.
Как удержать клавишу нажатой
Радиолюбительская Технология
Сонин В.
1986, № 9, с. 41.
Регулируемый аналог стабилитрона
Источники Питания
Лукьянов Д.
1986, № 9, с. 32.
Стабилизатор напряжения на ОУ
Источники Питания
Шитяков А., Морозов М., Кузнецов Ю.
1986, № 9, с. 48.
Улучшение звучания «Юпитера-203-стерео»
Промышленная Аппаратура
Молоцкий В., Сопин В.
1986, № 9, с. 32.
Выключение электродвигателя в «Маяке-231-стерео»
Промышленная Аппаратура
Поспелов В.
1986, № 9, с. 45.
Переключатель для магнитофона
Магнитная Запись
Дегтяренко В.
1986, № 9, с. 41.
Мультивибратор с активной нагрузкой
Кириллов В.
1986, № 10, с. 41.
«Кубик» для проверки ОУ
Измерения
Козлов Ф., Прилепко А.
1986, № 11, с. 59.
Сигнализатор разрядки батареи аккумуляторов
Источники Питания
Ходаковский Е., Андрущенко В.
1986, № 11, с. 62.
Полный автостоп в «Снежети-204-стерео»
Промышленная Аппаратура
Таранов В.
1986, № 11, с. 43.
Два совета владельцам «Яузы-220-стерео»
Промышленная Аппаратура
Арсеньев Ю.
1986, № 11, с. 43.
Автопоиск фрагментов фонограмм в «Маяке-231-стерео»
Промышленная Аппаратура
Онищенко В.
1986, № 11, с. 43.
Усилитель записи на К548УН1
Магнитная Запись
Кочешков Ю.
1986, № 11, с. 42.
Способ определения скорости ленты
Магнитная Запись
Лебедев А,
1986, № 11, с. 43.
Усовершенствование регулятора мощности
Для Народного Хозяйства И Быта
Карапетьянц В.
1986, № 11, с. 62.
К Р 1981 № 9 с 41, 1984 № 7 с 42.
Тонкомпенсированный регулятор громкости
Звуковоспроизведение
Лукьянов С.
1987, № 1, с. 57.
Защита стабилизатора напряжения от перегрузок
Источники Питания
Улексин В.
1987, № 1, с. 62.
Параллельное включение МС К142ЕН5А
Источники Питания
Попович В.
1987, № 1, с. 62.
Сигнализатор срабатывания автостопа
Магнитная Запись
Плахотнюк Ю.
1987, № 1, с. 30.
Упрощение счетчика времени звучания
Магнитная Запись
Кулешов В., Сванбаев П.
1987, № 1, с. 42.
К Р 1984 № 8 с 38.
Устранение щелчка
Промышленная Аппаратура
Мицкевич Е.
1987, № 1, с. 42.
«Нота-203-стерео».
Способ подачи напряжения смещения
Гришин А.
1987, № 2, с. 39.
Прибор для подбора диодов
Измерения
Смирнов Н.
1987, № 3, с. 26.
Две приставки к авометру
Измерения
Павлюченко И.
1987, № 3, с. 58.
Патрон для миниатюрной лампы накаливания
Радиолюбительская Технология
Федотов Н.
1987, № 3, с. 26.
Квазисенсорный переключатель
Сильдам Т.
1987, № 3, с. 45.
Рекомендую повторить. Не пожалеете!
Телевидение И Видеотехника
Манцевич А.
1987, № 4, с. 57.
Пульт ДУ для «Маяка-232-стерео»
Промышленная Аппаратура
Маурин М.
1987, № 4, с. 21.
Лампа накаливания в цепи питания электромагнита
Гаврилов Л.
1987, № 4, с. 57.
Усовершенствование микролифта
Промышленная Аппаратура
Ерухимович В.
1987, № 4, с. 57.
ЭПУ-G-602.
Повышение входного сопротивления частотомера
Измерения
Васильев М.
1987, № 4, с. 57.
К Р 1981 № 10 с 44.
Еще раз об устранении щелчков
Смирнов С.
1987, № 4, с. 21.
При выключении питания УМЗЧ.
Транзисторный регулятор уровня воды
Для Народного Хозяйства И Быта
Золотарь В.
1987, № 5, с. 60.
Улучшение охлаждения двигателя
Для Народного Хозяйства И Быта
Балаболин С.
1987, № 5, с. 51.
Еще одна кнопка в часах на БИС К145ИК1901 («Старт-7146»)
Для Народного Хозяйства И Быта
Губарев А.
1987, № 5, с. 47.
Бесконтактное устройство управления
Для Народного Хозяйства И Быта
Эйферт А.
1987, № 5, с. 58.
Вариант двуполупериодного выпрямителя
Источники Питания
Титов А.
1987, № 5, с. 60.
Усовершенствование «Маяка-231-стерео»
Промышленная Аппаратура
Матвеев В., Матвеев д.
1987, № 5, с. 50.
Доработка «Сонаты-211»
Промышленная Аппаратура
Шаулко А.
1987, № 5, с. 51.
Блокировка записи в «Снежети-204-стерео»
Промышленная Аппаратура
Томилов С.
1987, № 5, с. 51.
Блокировка записи в «Яузе-220-стерео»
Промышленная Аппаратура
Винниченко А.
1987, № 5, с. 51.
Пассик будет служить дольше
Магнитная Запись
Ласточкин А.
1987, № 5, с. 50.
Микркалькулятор — счетчик расхода ленты
Магнитная Запись
Зеер С.
1987, № 5, с. 51.
Простой ГСП
Магнитная Запись
Грешнов В.
1987, № 5, с. 52.
Управляющее устройство
Пидюра В.
1987, № 5, с. 60.
Формирователь импульсов
Джанаев А.
1987, № 5, с. 60.
Два генератора для электронных часов
Овечкин М.
1987, № 5, с. 58.
Модификация зарядного устройства
Для Народного Хозяйства И Быта
Шмаков Г.
1987, № 5, с. 56.
К Р 1978 № 3 с 44.
Повышение чувствительности «Юнги»
Промышленная Аппаратура
1987, № 5, с. 38.
К Р 1983 № 10 с 56.
Чтобы УВ не вышел из строя
Магнитная Запись
Яцик С.
1987, № 5, с. 52.
Усилитель воспроизведения.
Экономичное реле
Для Народного Хозяйства И Быта
Слезко В.
1987, № 6, с. 54.
Бесконтактный регулятор
Для Народного Хозяйства И Быта
Захаров В.
1987, № 6, с. 46.
Звуковой пробник в авометре Ц4312
Измерения
Субботин А.
1987, № 6, с. 56.
Усовершенствование проигрывателя «Электроника ЭП-017-стерео»
Промышленная Аппаратура
Гаврилюк В.
1987, № 6, с. 46.
Преобразователь частота-напряжение
Булгаков А., Гудков В., Поляков Ю., Чаков В.
1987, № 6, с. 46.
Усовершенствование переключателя
Марков К.
1987, № 6, с. 59.
К Р 1982 № 10 с 37.
Устранение шума
Промышленная Аппаратура
Кевеш Л.
1987, № 6, с. 59.
При включении УПИМЦТ-61-II.
Активный ответвитель ТВ сигнала
Телевидение И Видеотехника
Горейко Н.
1987, № 7, с. 27.
Об использовании ИС К176ИЕ5 без кварцевого резонатора
Виноградов Ю.
1987, № 7, с. 48.
Делитель частоты на 3
Холмогорцев А.
1987, № 7, с. 48.
На одной МС К155ТМ2.
Повышение экономичности электронных часов
Строганов Е.
1987, № 7, с. 48.
Для часов на МС серии К155.
Вариант кодового замка
Для Народного Хозяйства И Быта
Москаленко В.
1987, № 8, с. 26.
Автоматический селектор входов
Звуковоспроизведение
Маркозен Б.
1987, № 8, с. 30.
Устройство защиты АС
Звуковоспроизведение
Виноградов В.
1987, № 8, с. 30.
Способ монтажа микросхем
Радиолюбительская Технология
Юзюк П.
1987, № 8, с. 55.
Стабилизатор напряжения питания УМЗЧ
Источники Питания
Орешкин В.
1987, № 8, с. 31.
Улучшение «Маяка-231-стерео»
Промышленная Аппаратура
Кузнецов А.
1987, № 8, с. 57.
Доработка генератора телесигналов
Телевидение И Видеотехника
Тимофеев В.
1987, № 8, с. 26.
К Р 1983 № 5 с 27.
Автоматическая регулировка контрастности и насыщенности в телевизорах УПИМЦТ-61-II-2
Телевидение И Видеотехника
Таненгольц Б.
1987, № 8, с. 64.
Генератор импульсов с большой скважностью
Измерения
Овчинников А.
1987, № 8, с. 58.
Генератор импульсов
Гребенюк Ю.
1987, № 8, с. 58.
Как увеличить «емкость» счетчика расхода ленты
Магнитная Запись
Анищенко В.
1987, № 8, с. 57.
«Маяк-231-стерео»
Система ДУ телевизорам УПИМЦТ-61-2
Телевидение И Видеотехника
Щитяков А., Морозов М., Кузнецов Ю.
1987, № 8, с. 58.
К Р 1981 № 7-8 с 75.
Как предотвратить пробой кинескопа в «Электронике Ц-432»
Телевидение И Видеотехника
Гордон Ф.
1987, № 9, с. 31.
Амплитудный детектор
Кистерный Н.
1987, № 9, с. 31.
Устройство сравнения чисел
Шевченко И.
1987, № 9, с. 42.
Триггер Шмитта на ИС К176ЛП1
Бирюков С.
1987, № 9, с. 45.
Переключатель на ИС ППЗУ К556РТ4
Бендера А.
1987, № 9, с. 58.
Релейный переключатель
Похлебаев Ф.
1987, № 9, с. 58.
Транзисторный фильтр в телевизоре
Телевидение И Видеотехника
Гусев Ю.
1987, № 9, с. 30.
«Горизонт-206».
Повышение чувствительности конвертера ДМВ (Р 1981 № 10 с 27)
Телевидение И Видеотехника
Храмов С.
1987, № 9, с. 30.
К Р 1981 № 10 с 27.
Устранение помехи при записи с УКВ приемника
Радиоприем
Крупнов А.
1987, № 10, с. 42.
Плавное включение ГСП
Магнитная Запись
Коньшин С.
1987, № 10, с. 42.
Усилитель воспроизведения
Магнитная Запись
Хурамшин М.
1987, № 10, с. 42.
Два устройства на ИС К155ЛР1
Пахомов А.
1987, № 10, с. 45.
RS-триггер.
Усовершенствование реле времени
Для Народного Хозяйства И Быта
Риффель В.
1987, № 10, с. 23.
К Р 1985 № 4 с 25.
Усовершенствование цифрового переключателя
Магнитная Запись
Сивак В.
1987, № 10, с. 42.
К Р 1986 № 6 с 47.
Автоматический выключатель
Яковлев В.
1987, № 10, с. 33.
Для защиты в сети 220 В.
Детектор малых сигналов
Радиоприем
1987, № 11, с. 39.
Корпус для транзисторного приемника
Радиолюбительская Технология
1987, № 11, с. 55.
Уменьшение помех в «Яузе-220-стерео»
Промышленная Аппаратура
1987, № 11, с. 63.
Усовершенствование «Веги-110-стерео»
Промышленная Аппаратура
1987, № 11, с. 39.
Как исключить случайное стирание фонограмм
Магнитная Запись
1987, № 11, с. 42.
Автостоп для кассетного магнитофона
Магнитная Запись
1987, № 11, с. 42.
О доработке электронных часов
Для Народного Хозяйства И Быта
1987, № 11, с. 55.
К Р 1979 № 8 с 55.
К155РЕ3 в устройствах отображения цифровой информации
Цифровая Техника
Шевкунов В.
1987, № 12, с. 55.
Таймер для магнитофона
Магнитная Запись
Винюков И.
1987, № 12, с. 47.
Управление реле одной кнопкой
Омельяненко А.
1987, № 12, с. 25.
Светодиодный индикатор настройки
Промышленная Аппаратура
Потачин А.
1987, № 12, с. 39.
«Селга-309».
Еще раз о выключении электродвигателя
Магнитная Запись
Лебедев М.
1987, № 12, с. 48.
К Р 1986 № 9 с 45.
Улучшение параметров шумоподавителя на ИС К157ХП3
Звуковоспроизведение
Тарасов В.
1987, № 12, с. 48.
К Р 1985 № 11 с 33.
Стабилизатор частоты вращения электродвигателя
Магнитная Запись
Гасымов З.
1987, № 12, с. 48.
Для бытовых магнитофонов.
Устранение импульсных помех
Промышленная Аппаратура
Киселев А., Анисимов А., Перепелкин В.
1987, № 12, с. 48.
«Маяк-232-стерео», «Яуза-220-стерео».
Как сбалансировать ротор электродвигателя
Для Народного Хозяйства И Быта
Козлов А.
1988, № 1, с. 52.
Индикатор уровня на двухцветном диоде
Звуковоспроизведение
Заряев А.
1988, № 1, с. 53.
Устранение щелчков в ЭПУ G-602
Промышленная Аппаратура
Чекасин А.
1988, № 1, с. 61.
Об одной неисправности ЭПУ G-2021
Промышленная Аппаратура
Матюшенко С.
1988, № 1, с. 61.
«Маяк-232-стерео» работает надежнее
Промышленная Аппаратура
Напора Н.
1988, № 1, с. 53.
Снижение фона в электропроигрывателе «Радиотехника-101-стерео»
Промышленная Аппаратура
Полукаров Ю.
1988, № 1, с. 53.
Способ защиты записывающей головки
Магнитная Запись
Сухарев А.
1988, № 1, с. 52.
Корректирующий контур в магнитофоне
Магнитная Запись
Погосов А.
1988, № 1, с. 55.
Размагничивание головок
Голубев В.
1988, № 1, с. 52.
Взвешивающий фильтр
Григорьев Б.
1988, № 1, с. 55.
Настройка будет устойчивее
Колмаков М.
1988, № 1, с. 61.
В приемниках.
Вилка для подключения телефонов
Бегичев Ю.
1988, № 1, с. 50.
К телевизорам.
Усовершенствование подающего узла
Магнитная Запись
Разумный В.
1988, № 1, с. 56.
К Р 1983 № 6 с 29.
Усовершенствование двуполярного стабилизатора
Источники Питания
Прогулбицкий А., Алешин П.
1988, № 1, с. 50.
К Р 1984 № 9 с 53.
Усовершенствование автомата управления освещением
Для Народного Хозяйства И Быта
Степанов К.
1988, № 1, с. 31.
К Р 1986 № 12 с 36.
Автоматическое обнуление счетчика
Балашов О.
1988, № 1, с. 53.
«Вега-МП120-стерео».
Источник помех — тринистор
Ковбасюк В.
1988, № 1, с. 53.
«Нота-203-1-стерео».
Вариант устройства блокировки стартера
Для Народного Хозяйства И Быта
Прутков В.
1988, № 2, с. 51.
Доработка осциллографа ОМЛ-2М
Измерения
Тимофеев Г.
1988, № 2, с. 39.
«Восстановление» микросхемы К237УН2
Радиолюбительская Технология
Колосов А.
1988, № 2, с. 39.
Стабилизатор напряжения
Источники Питания
Александров И.
1988, № 2, с. 61.
9 В; 0,5А.
Простой генератор
Измерения
Савицкий Е.
1988, № 3, с. 53.
Амплитудный детектор в блоке индикации
Звуковоспроизведение
Медведев В.
1988, № 5, с. 56.
Постоянный подогрев катодов кинескопа
Телевидение И Видеотехника
Перминов О.
1988, № 5, с. 56.
О возможности вращения ремонтируемого устройства
Радиолюбительская Технология
Жбанов А.
1988, № 5, с. 56.
Световая индикация режимов перемотки «Яуза-220-стерео»
Промышленная Аппаратура
Горюнов В.
1988, № 6, с. 30.
Уменьшение щелчка в громкоговорителях электрофона «Вега-108-стерео»
Промышленная Аппаратура
Ткаченко В.
1988, № 6, с. 30.
Резервный источник питания в «Прибое-201»
Промышленная Аппаратура
Панасенков В.
1988, № 6, с. 42.
Исключение случайного стирания фонограмм
Магнитная Запись
Потапкин Н., Бречалов А.
1988, № 6, с. 30.
«Маяк-231-стерео».
Как улучшить качество приема
Радиоприем
Соколов А.
1988, № 6, с. 30.
К Р 1985 № 12 с 28.
О включении трехфазного двигателя
Для Народного Хозяйства И Быта
Лукъянчиков О.
1988, № 7, с. 58.
Изготовление двухобмоточного реле
Радиолюбительская Технология
Савченко В.
1988, № 7, с. 58.
Коммутатор двуполярного питания
Трошин В.
1988, № 7, с. 44.
Стабилизатор частоты вращения
Магнитная Запись
Леоненко П.
1988, № 7, с. 32.
Для кассетных магнитофонов.
Способ проверки конденсатора
Измерения
Никоноренков В.
1988, № 9, с. 57.
Коммутатор для цифрового табло
Ермин С.
1988, № 9, с. 57.
Телефонное гнездо в «Ирени-401»
Промышленная Аппаратура
1988, № 10, с. 42.
Устранение щелчка в громкоговорителях радиолы «Кантата-205-стерео»
Промышленная Аппаратура
1988, № 10, с. 36.
Доработка предусилителя «Амфитон УП-003С»
Промышленная Аппаратура
1988, № 10, с. 48.
Защитный кожух для тонвала магнитофона
Магнитная Запись
1988, № 10, с. 60.
Прием звукового сопровождения телепрограмм (на «Ирень-401»)
1988, № 10, с. 42.
Доработка регулятора уровня
Для Народного Хозяйства И Быта
1988, № 10, с. 36.
К Р 1987 № 5 с 60.
Замена магнитной головки
Промышленная Аппаратура
1988, № 10, с. 36.
«Сатурн-202-2-стерео».
Знаковый фазоуказатель
Измерения
Цыбин Д.
1988, № 11, с. 60.
Восстановление магнитных головок
Радиолюбительская Технология
Колотило Д.
1988, № 11, с. 38.
Усовершенствование магнитофона «Легенда-404»
Промышленная Аппаратура
Кашин С.
1988, № 11, с. 58.
Стабилизатор энергии вспышки
Цаплин Д.
1988, № 11, с. 25.
Улучшение работы кассетоприемника
Промышленная Аппаратура
Алексеев М.
1988, № 11, с. 60.
«Яуза МП-221С».
Улучшение автомата управления освещением (Р 1986 № 12 с 36)
Для Народного Хозяйства И Быта
Безвенюк В.
1988, № 11, с. 38.
К Р 1986 № 12 с 36.
Устройство тепловой защиты электродвигателей
Для Народного Хозяйства И Быта
Кобылянский А., Рубаненко А., Шумский А.
1988, № 12, с. 48.
Улучшение звучания переносных радиоприемников
Радиоприем
Цыбульский В.
1988, № 12, с. 42.
Ремонт «Славы» с помощью осциллографа
Радиолюбительская Технология
Маслаев В.
1988, № 12, с. 51.
Восстановление микросхемы К237ХА1
Радиолюбительская Технология
1988, № 12, с. 35.
Снижение фона в радиоприемнике «Океан-214»
Промышленная Аппаратура
Лукашенко А.
1988, № 12, с. 48.
«Красный или зеленый» на микросхеме
Радио — Начинающим
Иваненко Н.
1988, № 12, с. 55.
Новый вариант игры.
Доработка тахометра «Электроника ЦАТ-1»
Промышленная Аппаратура
Косенко А.
1989, № 1, с. 79.
Устройство защиты от превышения напряжения
Солоненко В., Алешин Е.
1989, № 1, с. 79.
Сетевой блок питания для «Славы»
Источники Питания
Гусев Ю.
1989, № 2, с. 69.
Улучшение работы магнитофона «ИЖ-302»
Промышленная Аппаратура
Горошко Л.
1989, № 2, с. 72.
Накопитель энергии (для электронных часов)
Пономаренко А.
1989, № 2, с. 72.
Индикатор уровня сигналов
Павлов В.
1989, № 2, с. 79.
Увеличение срока службы магнитных головок
Магнитная Запись
Пантюхов А.
1989, № 2, с. 42.
«Орбита-106-стерео»
Устранение пропадания сигнала
Промышленная Аппаратура
Голик В.
1989, № 2, с. 72.
«Ленинград-006-стерео».
Простой терморегулятор
Для Народного Хозяйства И Быта
Беляков А.
1989, № 3, с. 32.
«Конденсаторная» приставка к частотомеру
Измерения
Кульченко А.
1989, № 3, с. 71.
Генератор с регулируемой скважностью
Измерения
Агеев В.
1989, № 3, с. 32.
Защита стабализатора тока в мультиметре на БИС
Источники Питания
Баканов В.
1989, № 3, с. 33.
Усовершенствование магнитофона-приставки «Орбита-106-стерео»
Промышленная Аппаратура
Алейников В.
1989, № 3, с. 42.
Доработка ЛПМ «Маяка-231-стерео»
Промышленная Аппаратура
Мойсеенко В.
1989, № 3, с. 42.
ВЧ пробник к вольтметру ВК7-9
Измерения
Зархин А.
1989, № 4, с. 64.
Прибор для проверки кварцевых резонаторов
Измерения
Агафонов Ю. (UA3TDL)
1989, № 4, с. 64.
Индикатор тока аккумуляторной батареи
Машкинов Л.
1989, № 4, с. 55.
Усовершенствование коммутатора
Банников Н.
1989, № 4, с. 74.
К статье «Управление реле одной кнопкой» в Р 1987 № 12 с 25.
Усовершенствование «Астры-209-стерео»
Промышленная Аппаратура
Несененко А.
1989, № 5, с. 69.
Доработка зарядного устройства
Источники Питания
Позгорев А.
1989, № 5, с. 69.
К Р 1987 № 12 с 54.
Повышение частоты переключения инвертора
Наплеков М.
1989, № 5, с. 92.
К статье «Экономичный блок питания» в Р 1981 № 10 с 56.
Усовершенствование индикатора настройки в приемнике «Спидола-232» (попр. в Р 1989 № 9 с 57)
Радиоприем
Прилуков Г., Прилуков О.
1989, № 6, с. 58.
Блок БП 12/5 на два напряжения
Источники Питания
Савицкий Е.
1989, № 6, с. 75.
Улучшение качества МК-60
Магнитная Запись
1989, № 6, с. 58.
Доработка логарифмического индикатора
Звуковоспроизведение
Кучер И.
1989, № 6, с. 64.
К Р 1983 № 12 с 42.
Выходной узел симисторного коммутатора
Для Народного Хозяйства И Быта
Левинов М., Шендерович А.
1989, № 7, с. 61.
О микросхеме К176ИЕ2
Цифровая Техника
Егоров И.
1989, № 7, с. 88.
Растяжка развертки в осциллографе С1-94
Измерения
Кубасов Е.
1989, № 7, с. 61.
Проверка МОП-транзистора
Измерения
Холодков В.
1989, № 7, с. 83.
Необычный щуп для транзисторов
Измерения
Лимантас В.
1989, № 7, с. 79.
Индикация расхода ленты в кассетных магнитофонах
Магнитная Запись
Перевалов А., Забалуев Л.
1989, № 7, с. 87.
Улучшение работы СДП-2
Магнитная Запись
Миллер А.
1989, № 7, с. 34.
К Р 1987 № 2.
Улучшение стабильности напряжения настройки (Р 1985 № 1 с 17)
Телевидение И Видеотехника
Есин С., Потапов А.
1989, № 7, с. 94.
К статье «Устройство электронного выбора программ» в Р 1985 № 1 с 17.
Увеличение частоты вращения диска в электрофоне «Арктур-006-стерео»
Промышленная Аппаратура
Гренок О.
1989, № 8, с. 50.
Диктофон из магнитофона
Магнитная Запись
Ельтищев А.
1989, № 8, с. 69.
Выходной каскад приемника начинающего радиоспортсмена
Связь: Кв, Укв И Си-Би
Александров И.
1989, № 9, с. 87.
Четырехсветодиодный индикатор
Сенцов В.
1989, № 9, с. 64.
Аналог мощного стабилитрона
Курский И.
1989, № 9, с. 88.
Еще раз о стабилизаторе К142ЕН2Б
Источники Питания
Лукин Н.
1989, № 9, с. 64.
К Р 1987 № 12 с 54.
Простой кабельный пробник
Для Народного Хозяйства И Быта
Жолнерчук В.
1989, № 10, с. 35.
Светорегулятор с выдержкой времени
Для Народного Хозяйства И Быта
Бжевский Л.
1989, № 10, с. 76.
Часы «Слава» могут работать дольше
Для Народного Хозяйства И Быта
Мандрыка П.
1989, № 10, с. 87.
Замена микропроцессора в «Веге МП-120-стерео»
Промышленная Аппаратура
Ариса Х.
1989, № 10, с. 63.
Улучшение звучания 35АС-012 (S-90)
Промышленная Аппаратура
Сысоев Н.
1989, № 10, с. 64.
Комбинированный измеритель уровня сигнала
Наговицын Ю.
1989, № 10, с. 35.
Диапазон ДВ в «Юности-105»
Лукин П.
1989, № 10, с. 87.
Автоматический отключатель нагрузки
Для Народного Хозяйства И Быта
Павлов В.
1989, № 11, с. 91.
Доработка «Юности КП101»
Радио — Начинающим
Кареев М.
1989, № 11, с. 86.
Маленькие хитрости для магнитофона-приставки «Вега МП-120-стерео»
Промышленная Аппаратура
Барсуков М.
1989, № 11, с. 92.
Усовершенствование магнитофона «Маяк-232-стерео»
Промышленная Аппаратура
Бондаренко С.
1989, № 11, с. 73.
Применение сендастовой магнитной головки в магнитофоне
Магнитная Запись
Лихачев Э.
1989, № 11, с. 91.
Восстановление работоспособности устройств с микросхемой К237ГС1
Пороскун Э., Кудрический А.
1989, № 11, с. 34.
Преобразователь для бритвы
Для Народного Хозяйства И Быта
Карлащук С., Карлащук В.
1989, № 11, с. 69.
Автомобильный.
Введение режима «Подмотка» в магнитофоны-приставки
Промышленная Аппаратура
Пороскун Э., Кудрический А.
1989, № 11, с. 35.
«Маяк-232-стерео», «Маяк-233-стерео».
Регулятор работы стеклоочистителя
Для Народного Хозяйства И Быта
Гарасымив И.
1989, № 11, с. 92.
Отыскание места замыкания в кабеле
Для Народного Хозяйства И Быта
Бабич Г.
1989, № 12, с. 80.
Зуммер для электронного будильника
Для Народного Хозяйства И Быта
Соломатин В., Лисин А.
1989, № 12, с. 80.
Индикатор перегрузки стабилизатора
Источники Питания
Ровков Б.
1989, № 12, с. 80.
Автореверс в магнитофонах-приставках «Электроника ТА1-003С» и «Электроника ТА-004С»
Промышленная Аппаратура
Скударнов В.
1989, № 12, с. 81.
Релейный переключатель
Журавлев А.
1989, № 12, с. 94.
Улучшение параметров усилителя на микросхеме К174УН4
Звуковоспроизведение
Сухов С.
1990, № 1, с. 56.
Повышение помехоустойчивости магнитофонов
Магнитная Запись
Кобзев Ю.
1990, № 1, с. 56.
Вариант автора и два варианта от редакции.
Доработка «Ноты-203-1-стерео»
Промышленная Аппаратура
Левшин О.
1990, № 2, с. 55.
Усовершенствование электронного звонка «Электроника-02»
Промышленная Аппаратура
Оболенцев Г.
1990, № 2, с. 55.
Изменение диапазона приемника «Олимпик»
Промышленная Аппаратура
Карнаухов Е.
1990, № 2, с. 77.
Приоритетное включение питания
Чаплыгин Е.
1990, № 2, с. 55.
Снижение уровня помех от блока питания
Источники Питания
Фрадкин Я.
1990, № 2, с. 55.
К Р 1985 № 6 с 51.
Усовершенствование измерителя RCL
Измерения
Яковлев В.
1990, № 3, с. 60.
Трансформатор для блока зажигания
Для Народного Хозяйства И Быта
Романов А.
1990, № 3, с. 60.
К Р 1988 № 9 с 17.
Будильник для часов из набора «Старт»
Для Народного Хозяйства И Быта
Фаламин А.
1990, № 4, с. 70.
Способ восстановления кинескопа
Телевидение И Видеотехника
Эсенов С.
1990, № 4, с. 72.
Необычное включение счетчика К155ИЕ5
Цифровая Техника
Костецкий В.
1990, № 4, с. 72.
Запуск двуполярного стабилизатора
Источники Питания
Пришлов Ю.
1990, № 4, с. 72.
Доработка магнитофона «Комета-225-1-стерео»
Промышленная Аппаратура
Редин С.
1990, № 4, с. 70.
СДП-2 в «Орбите М-201-стерео» и «Радиотехнике М-201-стерео»
Магнитная Запись
Дохтаренко Д.
1990, № 4, с. 72.
Модификация регулятора мощности
Для Народного Хозяйства И Быта
Шмелев Ю.
1990, № 4, с. 72.
К Р 1984 № 2 с 48.
Еще одно усовершенствование электропроигрывателя «Электроника ЭП-017-стерео»
Промышленная Аппаратура
Лендерман М.
1990, № 5, с. 55.
Питание реле
Кандауров В.
1990, № 5, с. 62.
Реле постоянного тока от сети переменного тока.
Двурежимное устройство управления стеклоочистителем
Для Народного Хозяйства И Быта
Франтов В.
1990, № 6, с. 89.
Зажим для транзисторов
Радиолюбительская Технология
Пестов Л.
1990, № 6, с. 75.
Снижение фона в электропроигрывателе «Радиотехника-101-стерео»
Промышленная Аппаратура
Лимаев В.
1990, № 6, с. 61.
Снижение фона в магнитофоне «Электроника-311-стерео»
Промышленная Аппаратура
Резник С.
1990, № 6, с. 61.
Как снизить фон в «Сириусе-203»
Промышленная Аппаратура
Лобанов А.
1990, № 6, с. 46.
Счетчик расхода ленты
Магнитная Запись
Басалаев С.
1990, № 6, с. 66.
Устранение влияния магнитного поля
Минин А.
1990, № 6, с. 52.
В магнитофоне.
Усовершенствование автосторожа
Для Народного Хозяйства И Быта
Макаров В.
1990, № 6, с. 65.
К Р 1975 № 10 с 51.
Магнитола снова работает
Промышленная Аппаратура
Стеценко И.
1990, № 6, с. 46.
Устранение неисправности в «Гродно-301».
Регулировка фазоинвентора
Звуковоспроизведение
Сапожников М.
1990, № 7, с. 61.
Доработка магнитофонных приставок «Яуза»
Промышленная Аппаратура
Белоусов А.
1990, № 7, с. 51.
Ремонт МК-60
Промышленная Аппаратура
Харитонов А.
1990, № 7, с. 56.
LC-генератор на логических элементах
Киверин Н.
1990, № 7, с. 55.
Усовершенствование электропроигрывателя «Вега-110-стерео»
Промышленная Аппаратура
Новик Ю.
1990, № 8, с. 73.
О замене включателя паяльника «Искра»
Рома С.
1990, № 8, с. 52.
Улучшенный вариант выключателя будильника (Р 1989 № 9 с 42)
Для Народного Хозяйства И Быта
Желваков В.
1990, № 8, с. 75.
К Р 1989 № 9 с 42.
Еще о приоритетном включении
Наумко О.
1990, № 8, с. 52.
К Р 1990 № 22 с 55.
Подключение магнитной головки к «Яузе-220-стерео»
Промышленная Аппаратура
Яздаускас Э.
1990, № 10, с. 58.
Магнитофон в роли таймера
Дударьков В., Шевченко Е.
1990, № 10, с. 84.
О переделке катушки зажигания
Для Народного Хозяйства И Быта
Прокопенко А.
1990, № 10, с. 57.
К Р 1987 № 1 с 25.
Ремонт датчика автостопа
Промышленная Аппаратура
Яценков В.
1990, № 10, с. 57.
«Маяк-231,-232,-233».
Настройка дискриминаторов цветности в телевизорах
Телевидение И Видеотехника
Дранников С.
1990, № 10, с. 57.
УЛПЦТ-59/61-II, УЛПЦТИ-61-II.
Автоматическое отключение громкоговорителей («Эльфа-201-3-стерео»)
Звуковоспроизведение
Алтесар А.
1990, № 11, с. 36.
Модификация тринисторного регулятора мощности
Для Народного Хозяйства И Быта
Карелин С.
1990, № 11, с. 47.
К Р 1989 № 7 с 32.
Автоматический коммутатор «батарея-сеть» в магнитофоне
Магнитная Запись
Павлов О.
1990, № 12, с. 49.
Доработка управления ЛПМ
Магнитная Запись
Рыбчинский И.
1990, № 12, с. 49.
К Р 1988 № 6 с 30.
Доработка блока БП2-3
Промышленная Аппаратура
Александров И.
1991, № 1, с. 71.
Усовершенствование магнитофона «Комета-225-1-стерео»
Промышленная Аппаратура
Дашко А.
1991, № 1, с. 63.
Устранение фона в радиоприемнике «Абава»
Промышленная Аппаратура
Куратов П.
1991, № 1, с. 59.
Устранение щелчков в громкоговорителе
Солдатенко А.
1991, № 1, с. 59.
Замена транзистора в блоке зажигания
Для Народного Хозяйства И Быта
Ковалевич П.
1991, № 1, с. 63.
Блок зажигания 36.3734.
Доработка блока питания телевизоров 3УСЦТ
Телевидение И Видеотехника
Быковский В.
1991, № 2, с. 52.
Восстановление работоспособности микросхемы К278УН2
Радиолюбительская Технология
Прохин И.
1991, № 2, с. 50.
Ремонт МС К2УС245 (К224УН4)
Радиолюбительская Технология
Кнышев В.
1991, № 2, с. 68.
Дистанционное управление для магнитофона «Романтика-220С»
Промышленная Аппаратура
Томашин Ю.
1991, № 2, с. 84.
Доработка магнитофонов «Маяк»
Промышленная Аппаратура
Стельмах А.
1991, № 2, с. 51.
Кассетных.
Из опыта работы с СДП
Магнитная Запись
Семкин О.
1991, № 2, с. 50.
К Р 1983 № 5 с 38.
Звуковой пробник в авометре Ц4315
Измерения
Маркин С., Чехарин Е.
1991, № 3, с. 65.
Кабельный пробник на диодах
Для Народного Хозяйства И Быта
Кирпичев А.
1991, № 4, с. 69.
Питание «Славы» от сети
Источники Питания
Новиков С.
1991, № 4, с. 81.
Эффект «Эхо»
Новых Н.
1991, № 4, с. 69.
Доработка УМЗЧ для бытового радиокомплекса (Р 1989 №2 с 46)
Звуковоспроизведение
Мускатиньев Г., Мускатиньев В.
1991, № 4, с. 86.
К Р 1989 № 2 с 46.
Ремонт кассетоприемника
Радиолюбительская Технология
FCC оштрафовала человека за отсутствие недополученной лицензии
FCC прекратила рассылку лицензий CB несколько десятилетий назад, однако отсутствие лицензии повлекло за собой штраф в размере 15 тысяч долларов.
FCC оштрафовала человека по имени Джон Хейс на 15 000 долларов за использование радио Citizens Band без лицензии.
Погодите. Вам не нужна лицензия для CB-радио. Ну, ладно, технически да, но это не то, на что вам нужно подавать заявку. Считается, что каждый, у кого есть радио CB, имеет его.FCC называет это «лицензией по правилу» юридической фикцией, которая упрощает жизнь всем. В том числе и FCC, которая давно устала облизывать штампы для рассылки реальных лицензий.
Но если лицензии CB автоматически выдаются всем участникам CB, как у мистера Хейса могут возникнуть проблемы из-за того, что у него нет лицензии?
Предел мощности радиоприемников CB составляет четыре ватта. Г-н Хейс использовал незаконное устройство, называемое линейным усилителем, которое увеличило мощность его передатчика до 750 Вт. Когда FCC появился у его двери и объяснил правила, г-н.Хейс добровольно отключил и уничтожил устройство. Но несколько месяцев спустя он использовал другой, до 75 Вт, но все еще значительно превышающий допустимый предел.
FCC обвинила г-на Хейса в деятельности без лицензии.
Следите за нами здесь. FCC считает, что режим «лицензия по правилу» применяется только к радиостанциям CB, которые соответствуют техническим правилам. Мощное радио г-на Хейса не соответствовало требованиям и, следовательно, не подпадало под действие правила лицензии. Это привело к нарушению мистера Хейса из-за отсутствия лицензии.Базовый штраф за правонарушение составляет 10 000 долларов. FCC увеличила сумму до 15 000 долларов в связи с повторным нарушением.
Есть ли в этом смысл? Не к нам. Если бы г-н Хейс подал заявку на получение лицензии на работу с мощностью 750 Вт в диапазоне CB — или даже 75 Вт — ему было бы отказано. Во-первых, FCC больше не выдает индивидуальные лицензии CB. И даже если бы это было так, он не стал бы сознательно лицензировать передатчик мощностью более четырех ватт. Таким образом, г-на Хейса оштрафовали за то, что он не сделал того, что FCC не позволила бы ему сделать.Как и в предыдущем случае, это кажется нам в корне несправедливым.
Не то, чтобы мистеру Хейсу обязательно уйти безнаказанным. FCC могла правильно процитировать его за превышение пределов мощности или за использование неавторизованного оборудования, а может и за то и другое. Эти правонарушения влекут за собой штрафы в размере 4000 и 5000 долларов соответственно. Если цифры недостаточно велики, чтобы удовлетворить чувство справедливости FCC, она может скорректировать их в сторону увеличения (в пределах, установленных Конгрессом), в зависимости от обстоятельств конкретных дел.Но мы считаем неправильным увеличивать размер штрафа, заявляя о нарушении правила, соблюдение которого невозможно.
Как работает спутниковое радио | HowStuffWorks
Хотя XM Radio и Sirius объединились в одну компанию, эти две службы еще не полностью интегрированы. Частично это связано с различиями в аппаратном и программном обеспечении.
XM Radio использует два спутника Boeing HS 702, соответственно прозванные «Рок» и «Ролл», и два спутника BSS 702, которые оно называет «Ритм» и «Блюз», размещенные на параллельной геостационарной орбите, два на 85 градусах западной долготы и два спутника. два других — на 115 градусах западной долготы.Геостационарная околоземная орбита (GEO) находится на высоте около 22 223 миль (35 764 км) над Землей и является типом орбиты, наиболее часто используемым для спутников связи. Первый спутник XM «Рок» был запущен 18 марта 2001 года, а спутник «Ролл» — 8 мая того же года. Недостаток конструкции спутника HS 702 привел к неэффективной работе его солнечных батарей. XM запустила «Rhythm» 28 февраля 2005 г. и «Blues» 30 октября 2006 г., чтобы заменить старые спутники. Затем XM Radio отключило «Рок» и «Ролл».«Старые спутники остаются на орбите и при необходимости могут использоваться в качестве резервных копий.
Наземная станция XM Radio передает сигнал на два своих активных спутника GEO, которые передают сигналы обратно в радиоприемники на земле. Радиоприемники запрограммированы для приема и дешифрования цифрового сигнала данных, который содержит более 170 каналов цифрового звука. Помимо закодированного звука, сигнал содержит информацию о трансляции. Название песни, исполнитель и жанр музыки отображаются на радио.В городских районах, где здания могут блокировать спутниковый сигнал, система вещания XM дополняется наземными передатчиками.
Каждый приемник содержит собственный набор микросхем. XM начала поставлять наборы микросхем своим партнерам по производству радиоприемников XM в октябре 2000 года. Набор микросхем состоит из двух специально разработанных интегральных схем, разработанных STMicroelectronics . XM сотрудничает с Pioneer, Alpine, Clarion, Delphi Delco, Sony и Motorola для производства автомобильных радиоприемников XM. Каждый спутниковый радиоприемник использует небольшую антенну размером с автомобильный телефон для приема сигнала XM.General Motors инвестировала около 100 миллионов долларов в XM, и Honda также подписала соглашение об использовании радиостанций XM в своих автомобилях. GM начала устанавливать спутниковые радиоприемники XM на отдельные модели в начале 2001 года.
В настоящее время абоненты могут получить стандартный набор каналов XM за 12,95 долларов в месяц. За эту цену слушатели получают более 170 каналов музыки, разговоров и новостей. Они также получают доступ к XM Radio online, сервису потокового аудио с более чем 80 каналами. На многих каналах нет рекламы, и ни один из каналов не имеет более семи минут рекламы в час.Поставщики контента XM включают USA Today, BBC, CNN, Sports Illustrated и The Weather Channel. Сервис пополняет эту линейку собственными музыкальными каналами.
WWV и WWVH Цифровой временной код и формат вещания
Время анонсов
Голосовые объявления делаются из WWV каждую минуту. Объявление WWVH происходит первым, примерно за 15 секунд до минуты.Объявление WWV следует примерно за 7,5 с до минуты. Объявленное время — «всемирное координированное время» (UTC). UTC было создано международным соглашением в 1972 году и регулируется Международным бюро мер и весов (BIPM) в Париже, Франция. Координация с международной шкалой времени UTC позволяет сигналам времени NIST находиться в тесном соответствии с сигналами других станций времени и частоты по всему миру.
UTC отличается от вашего местного времени на определенное количество часов.Количество часов зависит от количества часовых поясов между вашим местоположением и местоположением нулевого меридиана (который проходит через Гринвич, Англия). Когда местное время меняется с летнего на стандартное или наоборот, UTC не меняется. Однако разница между временем по Гринвичу и местным временем меняется на 1 час.
UTC — это 24-часовая система часов. Часы нумеруются от 00 часов в полночь до 12 часов в полдень и до 23 часов 59 минут непосредственно перед следующей полуночью.
Стандартные интервалы времени
Наиболее частые звуки, которые слышны на WWV и WWVH, — это секундные импульсы. Эти импульсы слышны каждую секунду, кроме 29 и 59 секунд каждой минуты. Первый импульс каждого часа — это импульс длительностью 800 мс и частотой 1500 Гц. Первый импульс каждой минуты — это импульс длительностью 800 мс с частотой 1000 Гц в WWV и 1200 Гц в WWVH. Остающиеся секундные импульсы представляют собой короткие звуковые всплески (импульсы 5 мс с частотой 1000 Гц в WWV и 1200 Гц в WWVH), которые звучат как тиканье часов.
Каждому секундному импульсу предшествует 10 мс тишины, за которым следует 25 мс тишины. Второй маркер для широковещательной передачи находится в конце периода 10 мс и начале периода 5 мс. Своевременный маркер станции синхронизируется с началом 5-миллисекундного тонального сигнала. Молчание до и после импульсов облегчает идентификацию вторых импульсов. Как показано на рисунке ниже, общая зона вокруг вторых импульсов длится 40 мс, состоящих из 10 мс тишины, 5 мс тона и еще 25 мс тишины.Затем возобновляются звуковые сигналы стандартной частоты.
Стандартные частоты
И WWV, и WWVH передают звуковые сигналы стандартной частоты, которые чередуются в течение большей части часа. В большинстве минут используется звуковой сигнал 500 или 600 Гц. Однако тон 440 Гц транслируется один раз в час, а в некоторые минуты звуковые сигналы вообще отсутствуют.
Расписание звуковых сигналов приведено в таблице с указанием минут от 0 до 59.
| Звуковой сигнал | Станция | Минуты |
|---|---|---|
| 500 Гц | WWV | 4, 6, 12, 14, 16, 20, 22, 24, 26, 28, 32, 34, 36, 38, 40, 42, 52, 54, 56, 58 |
| 500 Гц | WWVH | 3, 5, 7, 11, 13, 21, 23, 25, 27, 31, 33, 35, 37, 39, 41, 90 101 от 43 до 45, 47 до 51, 53, 55, 57 |
| 600 Гц | WWV | 1, 3, 5, 7, 11, 13, 15, 17, 19, 21, 23, 25, 27, 31, 33, 35, 37, 90 101 39, 41, 53, 55, 57 |
| 600 Гц | WWVH | 2, 4, 6, 12, 20, 22, 24, 26, 28, 32, 34, 36, 38, 40, 42, 46, 90 101 52, 54, 56, 58 |
| 440 Гц | WWV | 2 |
| 440 Гц | WWVH | 1 |
| Нет | WWV | 0, 8–10, 18, 29–30, 43–51, 59 |
| Нет | WWVH | 0, 8–10, 14–19, 29–30 |
Тон 440 Гц (музыкальная нота A над средней C) транслируется один раз в час, в течение 2-й минуты на WWV и 1-й минуты на WWVH.Тональный сигнал 440 Гц не только является музыкальным стандартом, но и является почасовой отметкой для самописцев и других автоматизированных устройств. Однако тон 440 Гц опускается в течение первого часа каждого дня по всемирному координированному времени.
Коррекция времени UT1
Шкала времени UTC, транслируемая WWV и WWVH, удовлетворяет потребности большинства пользователей. UTC работает с почти идеально постоянной скоростью, поскольку ее скорость основана на стандартах частоты атомного цезия. Удивительно, но некоторым пользователям требуется время, связанное с вращением Земли, которое менее стабильно, чем UTC.Такие приложения, как астрономическая навигация, спутниковые наблюдения Земли и некоторые виды съемки, требуют времени, привязанного к вращательному положению Земли. Эти пользователи полагаются на шкалу времени UT1. UT1 получено астрономами, которые следят за скоростью вращения Земли.
Вы можете получить UT1 из сигналов времени, передаваемых по WWV и WWVH. UT1 доступен с двумя уровнями точности. Если вам нужен UT1 с неопределенностью 1 с, вы можете просто использовать UTC, поскольку две шкалы времени всегда находятся в пределах 0.9 с друг друга. В шкалу времени всемирного координированного времени вносятся случайные поправки ровно на 1 с, чтобы две шкалы времени согласовывались. Эти поправки, называемые дополнительными секундами, координируются в соответствии с международным соглашением Международной службой вращения Земли. Дополнительные секунды могут быть как положительными, так и отрицательными, но до сих пор требовались только положительные дополнительные секунды. Положительная дополнительная секунда обычно добавляется каждые 1-2 года, обычно 30 июня или 31 декабря.
Если вам нужен UT1 с погрешностью 0.1 с, вы можете применить поправку к UTC. Поправки UT1 кодируются в трансляции с использованием удвоенных тиков в течение первых 16 секунд каждой минуты. Вы можете определить величину коррекции (в единицах 0,1 с), посчитав количество удвоенных тиков. Знак коррекции зависит от того, происходят ли удвоенные тики в первые 8 секунд минуты или во вторые 8 секунд. Если двойные галочки находятся в первых 8 с (1-8), знак положительный. Если двойные галочки находятся во вторых 8 с (9-16), знак отрицательный.Например, при удвоении тиков 1, 2 и 3 коррекция составит +0,3 с. Это означает, что UT1 равно UTC плюс 0,3 с. Если UTC 8:45:17, то UT1 8:45:17. 3. Если тики 9, 10, 11 и 12 удваиваются, коррекция составляет -0,4 с. Если UTC — 8:45:17, то UT1 — 8: 45: 16.6. Если ни один из тиков не удвоен, то текущая коррекция равна 0.
BCD временной код
WWV и WWVH непрерывно передают двоично-десятичный (BCD) временной код на поднесущей 100 Гц. Временной код представляет информацию о всемирном координированном времени последовательно с частотой 1 импульс в секунду.Информация, переносимая временным кодом, включает текущую минуту, час и день года. Временной код также содержит частоту 100 Гц от поднесущей. Частота 100 Гц может использоваться как стандарт с той же точностью, что и звуковые частоты.
Геофизические предупреждения
Национальное управление океанических и атмосферных исследований (NOAA) использует WWV и WWVH для трансляции геофизических сообщений, содержащих информацию о земных условиях на Солнце. Геофизические оповещения передаются из WWV через 18 минут после часа и из WWVH через 45 минут после часа.Сообщения имеют длину менее 45 секунд и обновляются каждые 3 часа (обычно в 0000, 0300, 0600, 0900, 1200, 1500, 1800 и 2100 UTC). При необходимости выполняются более частые обновления.
Геофизические оповещения предоставляют информацию о текущих условиях высокочастотной радиосвязи на большие расстояния. В предупреждениях используется стандартизованный формат и терминология, требующая некоторых пояснений. Прежде чем рассматривать образец сообщения, давайте определимся с терминологией:
Солнечный поток — это измерение интенсивности солнечного радиоизлучения с длиной волны 10.7 см (частота около 2800 МГц). Ежедневные измерения солнечного потока записываются в 2000 UTC Радиоастрофизической обсерваторией Доминиона Канадского национального исследовательского совета, расположенной в Пентиктоне, Британская Колумбия, Канада. Трансляция значений осуществляется в единицах солнечного потока, которые варьируются от теоретического минимума около 50 до чисел, превышающих 300. В течение ранней части 11-летнего цикла солнечных пятен числа потока низкие; но они поднимаются и опускаются по мере продолжения цикла. Цифры будут оставаться высокими в течение длительных периодов около максимума солнечных пятен.
Индексы A и K являются мерой поведения магнитного поля внутри и вокруг Земли. Индекс K использует шкалу от 0 до 9 для измерения изменения горизонтальной составляющей геомагнитного поля. Новый индекс K определяется и добавляется к трансляции каждые 3 часа на основе измерений магнитометра, сделанных в обсерватории Столовой горы, к северу от Боулдера, штат Колорадо, или в другой обсерватории средних широт. Индекс A — это дневное значение по шкале от 0 до 400, выражающее диапазон возмущения геомагнитного поля.Он получается путем преобразования и усреднения восьми трехчасовых значений индекса K. Оценка индекса A впервые объявляется в 21:00 по всемирному координированному времени на основе 7 измерений и 1 оценочного значения. В 00:00 по Гринвичу объявленный индекс A полностью состоит из известных измерений, а слово «оценка» опускается из объявления.
Space Weather описывает условия в космосе, которые влияют на Землю и ее технологические системы. Космическая погода является следствием поведения Солнца, природы магнитного поля и атмосферы Земли, а также нашего местоположения в Солнечной системе.
Наблюдаемые и ожидаемые штормы космической погоды охарактеризованы с использованием шкал космической погоды NOAA. В сокращенной таблице ниже показаны уровни активности, включенные в объявления, и соответствующая терминология. Дескриптор, используемый для идентификации наблюдаемых или ожидаемых условий, — это максимальный достигнутый или прогнозируемый уровень. Шкалы космической погоды NOAA более подробно описаны на веб-сайте Центра космической среды.
Весы космической погоды NOAA
| Геомагнитные бури | Солнечная радиационная буря | Radio Blackouts | Дескриптор |
|---|---|---|---|
| G5 | S5 | R5 | Экстрим |
| G4 | S4 | R4 | Тяжелая |
| G3 | S3 | R3 | Сильный |
| G2 | S2 | R2 | Умеренный |
| G1 | S1 | R1 | Незначительный |
Уровни геомагнитной бури определяются с помощью расчетных трехчасовых планетарных K-индексов, полученных в режиме реального времени с помощью сети наземных магнитометров западного полушария.
Уровни геомагнитной бури
| Планетарные K-индексы | Уровень геомагнитной бури |
|---|---|
К = 5 | G1 |
К = 6 | G2 |
К = 7 | G3 |
К = 8 | G4 |
К = 9 | G5 |
Солнечные радиационные бури Уровни определяются на основе измерений потока протонов, сделанных основным геостационарным операционным спутником окружающей среды NOAA (GOES).
Уровни солнечной радиации в шторм
| Уровень потока частиц> 10 МэВ | Solar Radiation Storm уровень |
|---|---|
| 10 | S1 |
| 10 2 | S2 |
| 10 3 | S3 |
| 10 4 | S4 |
| 10 5 | S5 |
Уровни отключения радиоизлучения определяются по уровню рентгеновского излучения, измеренному первичным спутником GOES.
Отключение радио
| Пиковый уровень и поток рентгеновского излучения | Radio Blackout уровень |
|---|---|
| M1 и (10 -5 ) | R1 |
| M5 и (5 x 10 -5 ) | R2 |
| X1 и (10 -4 ) | R3 |
| X10 и (10 -3 ) | R4 |
| X20 и (2 x 10 -3 ) | R5 |
Каждое геофизическое предупреждение состоит из трех частей, как показано в двух таблицах ниже.Первая таблица описывает информацию, содержащуюся в геофизическом предупреждении. Во второй таблице приводится пример текста реального сообщения.
Информация в голосовом сообщении геофизического оповещения
| Раздел | Информация в голосовом сообщении |
|---|---|
| 1 | Солнечно-земные индексы на день: в частности, солнечный поток, индекс A и индекс K. |
| 2 | Штормы космической погоды, наблюдавшиеся в течение предыдущих 24 часов.Включает все наблюдаемые геомагнитные бури, солнечные радиационные бури (протонные события) и отключения радиосвязи (вспышки класса M1 и выше). |
| 3 | Ожидается космическая погода в следующие 24 часа. |
Пример текста из фактического геофизического оповещения
| Раздел | Пример фактического сообщения геофизического оповещения |
|---|---|
| 1 | Солнечно-земные индексы на 08 ноября. Солнечный поток 173 и среднеширотный A-индекс 14 Среднеширотный K-индекс в 15:00 по всемирному координированному времени 8 ноября составил 3. |
| 2 | Космическая погода за последние 24 часа была суровой. Продолжаются солнечные радиационные штормы, достигающие уровня S4. Произошло отключение радиосвязи до уровня R2. |
Альтернативная секция 2 | В течение последних 24 часов штормов космической погоды не наблюдалось. |
3 | Космическая погода в ближайшие 24 часа будет суровой. Ожидается, что солнечные радиационные бури, достигающие уровня S4, продолжатся. Ожидаются отключения радиосвязи до уровня R2. |
Альтернативная секция 3 | В ближайшие 24 часа штормов космической погоды не ожидается. |
Объявления включают дескриптор самого крупного наблюдаемого (2) или ожидаемого (3) явления космической погоды в первой строке каждого раздела.Остальные строки указывают тип событий и наблюдаемый уровень для каждого из них. В приведенном выше примере информация о геомагнитной буре не включена, потому что в этот период ничего не наблюдалось или не ожидается. В случае, если ни один из трех типов событий не наблюдается или не ожидается, объявление будет содержать раздел 1, а также альтернативный раздел 2 и альтернативный раздел 3.
Чтобы прослушать текущее геофизическое сообщение по телефону, наберите (303) 497-3235. Запросы относительно этих сообщений следует направлять по адресу:
. Службы космической погоды
NOAA R / SEC
325 Broadway
Boulder, CO 80305-3328
(303) 497-3171
MARS Объявления
Радиостанции WWV и WWVH объявляют о предстоящих и текущих выпусках военной вспомогательной радиосистемы (MARS) и U.С. Учения Министерства обороны США. Основанная в 1925 году, MARS — это организация, учрежденная Министерством обороны, которая обучает добровольцев-радиолюбителей оказывать помощь в чрезвычайной высокочастотной (ВЧ) радиосвязи во время стихийных бедствий и других неотложных ситуаций. Волонтеры MARS также помогают Министерству обороны, предоставляя гуманитарную помощь и помощь при стихийных бедствиях, а также поддерживая моральный дух и социальное обеспечение. Учения MARS проводятся несколько раз в год на региональной и общенациональной основе. Объявления WWV и WWVH предоставляют участникам радиолюбителей информацию о целях, датах, времени и месте проведения учений, а также другую информацию.WWV транслирует объявления MARS на 10-й минуте каждого часа, а WWVH использует 50-ю минуту. Каждое объявление будет транслироваться в течение примерно двух недель до и во время каждого упражнения. Для получения дополнительной информации о MARS см .: http://www.usarmymars.org/home/history-of-mars и https://www.mars.af.mil/. Участники учений MARS направляются на сайт www.dodmars.org.
Sirius XM Holdings Inc. — Потерянное радио-шоу Люсиль Болл будет транслироваться исключительно на новом комедийном канале SiriusXM, «Давайте поговорим с Люси»
Эми Полер, Рози О’Доннелл, Тиффани Хаддиш, Рон Ховард, Дебра Мессинг и многие другие звезды будут отдать дань уважения Боллу на новом канале
Слушатели услышат оригинальные интервью Болла с некоторыми из самых громких имен Голливуда Золотой Эры, включая Кэрол Бернетт, Бинг Кросби, Боб Хоуп, Дина Мартина, Фрэнка Синатру, Барбру Стрейзанд и других
НЬЮ-ЙОРК, авг.3 февраля 2021 г. / PRNewswire / — SiriusXM сегодня анонсировал новый канал, посвященный одной из самых смешных женщин в истории комедии: Люсиль Болл. «Давайте поговорим с Люси», названная в честь ее радиошоу на CBS 1960-х годов, будет доступна на канале 104, начиная с 5 августа. Специальные программы также будут доступны в приложении SXM, Pandora и Stitcher.
Звезда сцены, экрана, телевидения и радио, Люсиль Болл — бесспорная американская легенда, чей комедийный талант и трудолюбие в сочетании сделали ее живой легендой.Ее работы по-прежнему пользуются популярностью во всем мире, спустя почти девяносто лет после того, как она приехала в Голливуд.
В промежутках между съемками в четырех телесериалах и более чем 70 фильмах Люси часто прыгала со съемочной площадки на съемочную с магнитофоном в руке и рассказывала обо всех аспектах жизни с одними из самых громких имен в истории Голливуда, включая Бинг Кросби. , Боб Хоуп, Дин Мартин, Кэрол Бернетт, Фрэнк Синатра, Барбра Стрейзанд, и многие другие. Эти записи в конечном итоге попали в эфир, когда радио CBS транслировало их как «Давайте поговорим с Люси» в 1964-1965 годах.Однако за последние 50 с лишним лет о них никогда больше не слышали публично — до сих пор.
На новом ограниченном тираже канала SiriusXM «Поговорим с Люси» слушатели наконец-то получат возможность полностью испытать эти удивительные разговоры. К каналу присоединятся не только классические голливудские знаменитости, но и современные звезды, чтобы воздать должное пятикратному обладателю премии «Эмми». Эми Полер, Рози О’Доннелл, Тиффани Хаддиш, Рон Ховард, Кэрол Бернетт, Дебра Мессинг, Джой Бехар, Роберт Кляйн, Барри Манилов, Шон Эстин, Кэти Ли Гиффорд, Сет Рудецки, Дэнни Бернштейн, Рэнди Рейнбоу , среди многие другие ответят на некоторые из первоначальных вопросов, заданных самой Люси в тот день.
«Хотя я храню эти древние записи более тридцати лет, я никогда не слушал их все и понятия не имел, со сколькими замечательными людьми мама разговаривала на этих радиошоу», — рассказали Люси Арназ, Люсиль Болл и Дочь Дези Арназ. «Это сокровищница личной информации от некоторых из величайших талантов American Entertainment и моей семьи, и я не могу дождаться, чтобы поделиться ими с остальной частью планеты».
«Немногие звезды достигают такого уровня всемирной славы, чтобы их знали только под одним именем.Люси — одна из таких звезд », — сказал Джек Вон, старший вице-президент SiriusXM по программированию комедий.« Всегда первопроходец, Люси, возможно, может добавить «одного из первых подкастеров Америки в свой обширный репертуар». Слушать ее разговоры с некоторыми из самых громких имен в мире, полные ее фирменного остроумия, обаяния и интеллекта, — это поистине сюрреалистический опыт, и я не могу дождаться, когда слушатели настроятся на это ».
Информация о Люсиль Болл:
Родившейся в 1911 году в Джеймстауне, штат Нью-Йорк, Люсиль Дезире Болл суждено было стать звездой.В юности модель и актриса любительского театра, Люси переехала в Голливуд в 1934 году, где снялась в своем первом фильме ( Roman Scandals ). С 1948 по 51 год она снялась в радиокомедийном сериале CBS Мой любимый муж , который был показан на телевидении в 1951 году как Я люблю Люси , с Боллом и ее мужем Дези Арназ в главных ролях. Их новаторское шоу, отмеченное наградами, четыре из шести сезонов занимало первое место в рейтинге. В браке двадцать лет, пара родила двоих детей — Люси и Дези — и владела Desilu Studios.
За свою жизнь Люси снялась в более чем семидесяти фильмах, снялась в четырех телесериалах и бесчисленном множестве других шоу, а также в своем собственном радиосериале Let’s Talk to Lucy , среди прочего. Она получила пять личных наград «Эмми», в том числе премию губернаторов 1989 года. У нее две звезды на Голливудской аллее славы, она была введена в Зал славы телевидения, а также награждена Почетной грамотой Центра Кеннеди и Президентской медалью свободы. В 1998 году она была названа в журнале Time журнала Time 100: Самые важные люди века [20 th ].«
О SiriusXM
Sirius XM Holdings Inc. (NASDAQ: SIRI) — ведущая компания в сфере аудио-развлечений в Северной Америке, ведущий разработчик и платформа для создания аудиопродуктов, поддерживаемых подпиской и цифровой рекламой. Платформы SiriusXM в совокупности охватывают около 150 миллионов слушателей, самую большую аудиторию цифрового аудио на платных и бесплатных уровнях в Северной Америке, и доставляют музыку, спорт, разговоры, новости, комедии, развлечения и подкасты.Pandora, дочерняя компания SiriusXM, является крупнейшим сервисом потоковой передачи аудио-развлечений в США. Дочерние компании SiriusXM Stitcher, Simplecast и AdsWizz делают его лидером в области хостинга, производства, распространения, аналитики и монетизации подкастов. Организация продаж рекламы компании, которая работает как SXM Media, использует свой масштаб, кроссплатформенную организацию продаж и возможности рекламных технологий для предоставления результатов создателям аудио и рекламодателям. SiriusXM через Sirius XM Canada Holdings, Inc., также предлагает спутниковое радио и аудио развлечения в Канаде. Помимо бизнеса в сфере аудио-развлечений, SiriusXM предлагает автопроизводителям услуги по подключению транспортных средств. Для получения дополнительной информации о SiriusXM посетите: www.siriusxm.com .
Это сообщение содержит «прогнозные заявления» в значении Закона о реформе судебных разбирательств по частным ценным бумагам 1995 года. Такие заявления включают, помимо прочего, заявления о будущих финансовых и операционных результатах, наших планах, целях, ожиданиях и намерениях в отношении уважение к будущим операциям, продуктам и услугам; и другие утверждения, обозначенные такими словами, как «вероятно приведет», «ожидается», «будет продолжаться», «ожидается», «оценивается», «полагаю», «намерен», «план», «прогноз», «мировоззрение» или слова аналогичного значения.Такие прогнозные заявления основаны на текущих убеждениях и ожиданиях нашего руководства и по своей природе подвержены значительным деловым, экономическим и конкурентным неопределенностям и непредвиденным обстоятельствам, многие из которых трудно предсказать и, как правило, находятся вне нашего контроля. Фактические результаты и сроки событий могут существенно отличаться от результатов, ожидаемых в этих прогнозных заявлениях.
Следующие факторы, среди прочего, могут привести к тому, что фактические результаты и сроки событий будут существенно отличаться от ожидаемых результатов или других ожиданий, выраженных в прогнозных заявлениях: пандемия COVID-19 отрицательно влияет на наш бизнес; мы сталкиваемся с серьезной конкуренцией, и эта конкуренция, вероятно, со временем усилится; наши усилия по привлечению и удержанию подписчиков и слушателей или по превращению слушателей в подписчиков, которые могут оказаться безуспешными и могут отрицательно повлиять на наш бизнес; мы активно занимаемся маркетингом, и постоянная эффективность этих усилий является важной частью нашего бизнеса; мы полагаемся на третьих лиц в ведении нашего бизнеса, и невыполнение обязательств третьими сторонами может отрицательно повлиять на наш бизнес; мы можем не осознавать выгоды от приобретений и других стратегических инвестиций и инициатив; значительное число наших подписчиков Sirius XM периодически отменяют свои подписки, и мы не можем предсказать, насколько успешно мы будем удерживать клиентов; наша способность выгодно привлекать и удерживать подписчиков на нашу услугу Sirius XM, поскольку наши маркетинговые усилия охватывают более чувствительных к цене потребителей, сомнительна; наш бизнес во многом зависит от автомобильной промышленности; выход из строя нашего спутника нанесет серьезный ущерб нашему бизнесу; наша служба Sirius XM может испытывать вредные помехи из-за беспроводных операций; наш бизнес Pandora, поддерживаемый рекламой, претерпел значительную и постоянную потерю ежемесячных активных пользователей, что может отрицательно повлиять на наш бизнес Pandora; наша неспособность убедить рекламодателей в преимуществах нашей службы поддержки рекламы Pandora может нанести вред нашему бизнесу; если мы не сможем поддерживать рост доходов от наших рекламных продуктов, особенно в мобильной рекламе, это отрицательно скажется на результатах нашей деятельности; изменения в мобильных операционных системах и браузерах могут ограничить нашу способность продавать рекламу и продавать наши услуги; если мы не сможем точно предсказать и воспроизвести музыку, комедию или другой контент, который нравится нашим слушателям Pandora, мы можем не удержать существующих и привлечь новых слушателей; законы и постановления о конфиденциальности и безопасности данных могут ограничивать нашу способность продавать наши услуги, продавать рекламу и налагать юридические обязательства; законы о защите прав потребителей и наше несоблюдение их может нанести ущерб нашему бизнесу; несоблюдение требований FCC может нанести ущерб нашему бизнесу; если мы не сможем защитить безопасность личной информации о наших клиентах, мы можем стать объектом дорогостоящих принудительных действий со стороны государства и частных судебных разбирательств, и наша репутация может пострадать; прерывание или отказ наших информационных технологий и систем связи может помешать предоставлению наших услуг и нанести вред нашему бизнесу; рынок прав на музыку меняется и подвержен значительной неопределенности; наши услуги Pandora зависят от поддержки сложных лицензий с правообладателями, и эти лицензии содержат обременительные условия; ставки, которые мы должны платить за «механические права» на использование музыкальных произведений в нашем сервисе Pandora, существенно выросли, и эти новые ставки могут отрицательно повлиять на наш бизнес; использование нами звукозаписей до 1972 года в нашем сервисе Pandora может привести к дополнительным расходам; неспособность защитить нашу интеллектуальную собственность или действия третьих лиц по защите своих прав интеллектуальной собственности могут существенно повредить нашему бизнесу и результатам деятельности; некоторые из наших услуг и технологий могут использовать программное обеспечение с «открытым исходным кодом», что может ограничивать то, как мы используем или распространять наши услуги, или требовать, чтобы мы выпускали исходный код в соответствии с этими лицензиями; быстрые технологические и отраслевые изменения и новые участники могут отрицательно повлиять на наши услуги; у нас есть значительная задолженность, и наша задолженность содержит определенные условия, ограничивающие нашу деятельность; мы являемся «контролируемой компанией» по смыслу правил листинга NASDAQ и, как следствие, имеем право на освобождение от определенных требований корпоративного управления и полагаемся на них; хотя в настоящее время мы выплачиваем ежеквартальные денежные дивиденды держателям наших обыкновенных акций, мы можем изменить нашу дивидендную политику в любое время; и наш основной акционер имеет значительное влияние, в том числе на действия, требующие одобрения акционеров, и его интересы могут отличаться от интересов других держателей наших обыкновенных акций; если мы не сможем привлечь и удержать квалифицированный персонал, это может навредить нашему бизнесу; наши объекты могут быть повреждены в результате стихийных бедствий или террористической деятельности; неблагоприятный исход незавершенного или будущего судебного процесса может отрицательно повлиять на нашу деятельность и финансовое состояние; мы можем столкнуться с обязательствами, которые обычно не распространяются на других поставщиков развлекательных услуг; а наш бизнес и перспективы зависят от силы наших брендов.Дополнительные факторы, которые могут привести к тому, что наши результаты будут существенно отличаться от тех, которые описаны в прогнозных заявлениях, можно найти в нашем Годовом отчете по форме 10-K за год, закончившийся 31 декабря 2020 года, который подается в Комиссию по ценным бумагам и биржам ( «SEC») и доступны на сайте SEC в Интернете ( http://www.sec.gov ). Информация, изложенная здесь, действительна только на дату настоящего сообщения, и мы отказываемся от каких-либо намерений или обязательств по обновлению любых прогнозных заявлений в результате событий, произошедших после даты этого сообщения.
Источник: SiriusXM
Контактное лицо:
Даниэль Линн
[email protected]
Просмотреть исходный контент для загрузки мультимедиа: https://www.prnewswire.com/news-releases/lucille-balls-lost-radio-show-to-broadcast-exclusively-on-new-siriusxm-comedy-channel-lets-talk -to-lucy-301347202.html
ИСТОЧНИК Sirius XM Holdings Inc.
Amateur Radio — Бесплатное программное обеспечение с открытым исходным кодом
, Номер 17 на вашем Fl! ‘EdbKk nrd Im
• Я буду заменен обычным
Number I’ на вашем Карта FeedbKil Tex
I I —— ~ ==== ~ ————— l Рис.
будет выглядеть так: C WBSVZL v OIGI @
• Номер 20 на вашем FeedbM: k etln
-, Основное преимущество ROSE —
ЛЮБИТЕЛЬСКОЕ ТЕЛЕВИДЕНИЕ ВЫЖИЛОСЬ 100 000
Официальный список стран Династии Окс:
— Numb &! ‘ 22 на JOY ‘FHd ~ tII..v,
, Номер 23Qn your Feedback card V
• Это называется кардиоидным узором.
FT Одежда императора A несколько лет
-Повторители -Ltnks -Дистанционная база -VHF
Никаких других повторителей или контроллеров
· — Функция Морзе выполнена
продолжение со стр.59 — sm ….: IC \ ‘
1990 ЗВОНКИ QSL BOOK! E xt
1 ~ 1i (10 ‘Solld-SI.le Prot-i. Ito
… «CHICAGO IL OCT 1 The Chi cago
PC HF FACSIMILE 4.0 $ 99 G5RV AII · B
D X-ing, соревнования, pileups, трафик
ПОЛУЧИТЕ ВИД ГЛАЗА BIRO от Graffrak
Печатная плата SYSPEC CIlOWBIi / i / OVPJ YAE
Номер 39 в нашем информационном бюллетене:! 73
• • s • IDS nl ВВЕДЕНИЕ
РАЗЫСКИВАЕТСЯ: все типы 01 Электронные трубки
•, I • • I • • • • I
Радиолюбительские антенны, антенны, радио Связь, бытовая электроника
Двухдиапазонная двухдиапазонная складная медная антенна J-Pole, 2 метра / 70 см от KC0SDV Бесплатная доставка
35 долларов.00 Купить сейчас 25d 8h
Подробнее
2шт для Baofeng UV5R UV-82 Band ANTENNA 144/430MHz Dual NA771 SMA Female 10W
$ 6,39 908
См. Подробности
ВЧ-диполь 9: 1 с торцевым питанием «произвольная проволока». Нержавеющая сталь / 80-6 метров 150 Вт Pep
$ 79,99 Купи сейчас 11d 16h
Подробнее
UT106 Внешняя автомобильная антенна WALKIE для BAOFENG UV5R UV5RA A067 900/450 9302 $99
Купить сейчас 9d 9hПодробнее
Антенный штатив 29Ft Алюминиевая портативная мачта в корпусе Tower Новый
$ 249.95 Купить сейчас 25d 14h
Антенная мачта POLY Guy Rings для военной замаскированной сетки 4-футовые штабельные стойки$ 14,99 Купить сейчас 29d 17h
См. Подробности
Радиолюбители ANTENNA SE HF-X80 6 БЕСПЛАТНОЕ ВЕРТИКАЛЬНОЕ РАДИО
155 долларов США.67 Купить сейчас 21d 4h
Подробнее
Модель Deluxe Roll Up 2M / 70Cm Roll Up антенна с 10-футовой коаксиальной J-стойкой / Slim-Jim
$ 32,00 Купить сейчас Купить сейчас Купить сейчас 2d 7h
См. Подробности
Диполь с торцевым питанием 80-6 метров Портативная система спичечных коробок для ВЧ-антенны. ВЫСОКОЕ КАЧЕСТВО
$ 37,99 Купи сейчас 11д 18ч
Подробнее
GMRS VHF UHF Mobile NMO Whip Antenna с усилением AutoDual BAND UV324.3 144 Mz 440 470
$ 19,89 Купить сейчас 13d 12h
Подробнее
Nagoya NA-701C Антенна
$ 19,99 Посмотреть подробности h Купить сейчас
NMO to UHF Female 1 «Толстое крепление для базы или мобильного устройства — от W5SWL
$ 7,29 Купить сейчас 24d 11h
Подробнее
42.5-дюймовая SMA-гнездовая тактическая антенна VHF / UHF для двусторонней радиостанции Baofeng UV-5R UV-82
$ 13.91 Купить сейчас 9d 11h
Подробнее
Larsen High Gain GMRS base station / Антенна-ретранслятор Простая установка Сделано в США F / S
$ 65,00 Купи сейчас 1д 8ч
См. Подробности
Портативная полуволновая антенна без подстройки с питанием от конца до 50 Ом для радиосвязи
США 17 долларов.85 Купить сейчас 5d 13h
Подробнее
2-Pack для Baofeng UV5R UV-82 Двухдиапазонная антенна 144/430 МГц NA771 SMA Female 10W
$ 6.25 908 10d 10h
См. Подробности
Tarheel Антенны Little Tarheel 2, 6 через 80 метров, 200 Вт
$ 350,00 32 Предложения 17h 0m
N2RS Двухдиапазонная антенна MOTOROLA CAR Mobile Radio UHF VHF 400-470 136-174 NMO$ 10.99 Купить сейчас или лучшее предложение 27d 9h
См. Подробности
SLP-30 Рамочная антенна 100 кГц-30 МГц Активная приемная антенна для коротковолнового радио
$ 23,99 Купить сейчас Лучшее предложение 14d 5h
См. Подробности
NMO Крепление для антенны от 3/8 до 3/4 дюйма с разъемом PL-259 15 ‘RG-58 CB
$ 17,95 Купить сейчас 12d 16h
Подробнее
Tram 1480 Двухдиапазонная базовая антенна для любителей
$ 90.98 $ 64,18 Купить сейчас 12h 35m
См. Подробности
2x разъема BNC для замены телескопической антенны для радиосканера / VHF / UHF / AM / FM
62 908 $62 908 $62 908 It Now или Лучшее предложение 3d 19hПодробнее
Slim Jim Antenna Двухдиапазонная УКВ-антенна (новая)
$ 29.95 000 Купить сейчас См. Подробности
Authentic N9TAX VHF / UHF Slim Jim J-Pole Dual Band 2m 70cm Antenna jpole
$ 25.99 Купить сейчас 18d 8h
Подробнее
10 Вт для Baofeng UV5R UV-82 144/430 МГц Двухдиапазонная антенна NA771 SMA Female
$ 3,85 Купить сейчас 9 2 Купить сейчас 9 2
См. Подробности
Антенна приемного сканера для широкополосного улучшенного магнитного крепления Uniden RadioShack BNC
$ 9,90 Купи сейчас 3d 22h
См. Подробности
9049TERio MST / 10 БАЗОВАЯ АНТЕННА CB AMATEUR$ 74.99 0 Предложения или Лучшее предложение 2ч 14м
См. Подробности
КВ усилитель приемной петли — любительская или коротковолновая SWL — Обновлено!
$ 17,99 Купить сейчас 5d 6h
Подробнее
Premium KB9VBR J-Pole Base Antenna 2-х метровый двухдиапазонный любительский сканер радиолюбителей
,97 Купить сейчас 15d 6h
См. Подробности
Рамочная антенна MLA-30 + Активная приемная антенна 100 кГц-30 МГц для коротковолновой радиосвязи
$ 35.99 Купить сейчас 22d 10h
Подробнее
VHF UHF Ham Radio Scanner Antenna Amateur Mobile Magnetic Base BNC Male Antennas
$ 14,40 000 Купить сейчас
Taurus RO-109 HF / 6M 3.5-57MHz Базовая антенна
$ 89.00 Купить сейчас 14d 20h
Подробнее
Tram 1154 Magnet Mount 140-175 VHF Antenna 2HF Измеритель любительского радиолюбителя
49 $.95 Купить сейчас 30d 9h
Подробнее
Скрытый антенный провод Серый / синий многожильный # 22 AWG 135 Ножка
$ 26.00 Купить сейчас 29d 8h
16 Посмотреть 9000 ПодробнееTennTennas Полуволновой антенный трансформатор EFHW с торцевым питанием 49: 1 FT-140-43 SOTA POTA
$ 34,95 Купить сейчас 16d 10h
Подробнее АЛЮМИНИЕВЫЕ / СТЕКЛЯННЫЕ ОПОРЫ
$ 119.95 Купить сейчас 6d 9h
Подробнее
BAOFENGDIGITAL UT-106 Двухдиапазонная автомобильная антенна с магнитным основанием для baofeng uv-5r uv-82
908 915 Купить сейчас 908 $ 12.99 9d 17h
См. Подробности
ВСЕ НЕРЖАВЕЮЩИЕ АППАРАТЫ Диполь с торцевой подачей 80-6M Портативный ВЧ спичечный коробок.
$ 42,99 Купи сейчас 8d 18h
См. Подробности
Victory Kf-110 Стальное крепление для зеркала антенны с регулируемой поворотной верхней частью
$ 16.95 Купить сейчас 19d 9h
Подробнее
GMRS 458–470MHz ДЕЛЮКС МОДЕЛЬ ROLL UP АНТЕННА GMRS ROLL UP С 10FT COAX
8,35 $ См. Подробности
80-метровая K5WZ Horse Fence HF дипольная антенна / 6–80 м
$ 82,50 Купить сейчас 18d 6 часов
Подробнее
Rf Choke Balun Изолятор линии подачи Ham Cb
$ 33.95 Купить сейчас 24d 6h
Подробнее
Подлинный N9TAX VHF / UHF Slim Jim J-Pole Dual Band MURS / GMRS Antenna jpole!
$ 25,99 Купи сейчас 18d 8h
См. Подробности
ВЧ диполь с торцевым питанием UJM-EFHW-40-10 200 Вт 40-10 м / ТЮНЕР НЕ ТРЕБУЕТСЯ !! / 65 футов в длину
94,99 $ Купить сейчас 7д 19ч
См. Подробности
Портативная антенная мачта 30 футов с поворотной стойкой Новый
234 долл. США.95 Купить сейчас 29d 4h
Подробнее
Аутентичный N9TAX VHF / UHF Slim Jim J-Pole для антенны HT MURS / GMRS 16 ‘, коаксиальный кабель!
$ 30,99 Купи сейчас 18d 8h
См. Подробности
Аутентичная N9TAX VHF Slim Jim J-Pole 2-метровая антенна свернуть джип!
$ 22,99 Купи сейчас 18d 8h
См. Подробности
ВЧ-диполь с торцевым питанием UJM-EFHW-80-10 200 Вт 80-10 м / ТЮНЕР НЕ ТРЕБУЕТСЯ !! / 130 футов в длину
$ 104.99 Купить сейчас 3d 15h
См. Подробности
Сверхпрочная вертикальная боковая стойка с креплением для антенны Подходит для ROHN и многих других
$ 48,00 Купи сейчас или Лучшее предложение 28d 13h
См. Подробности
Ярко-желтый антенный провод Многожильный # 22 Диполь EFHW, противовес
$ 25,00 Купить сейчас 24d 13h
9000 15002 Подробнее 1 антенна с торцевым питанием (случайный провод) Комплект антенны.160 м-10 м$ 92,99 Купи сейчас 2д 19ч
Подробнее
JETSTREAM JTD1 ШИРОКОПОЛОСНЫЙ ДИСКОН СКАНЕР HAM BASE ANTENNA
5 5 9165 12hСм. Подробности
HEAVY DUTY Левый кронштейн багажника из нержавеющей стали с отверстием 3/4 «для антенны с креплением NMO — от W5SWL
$ 3,99 Купить сейчас 27d 10h
ВЧ-антенна с торцевым питанием UJM-EFHW-80-10-1kW + длина 130 футов
$ 169.99 Купить сейчас 29d 13h
См. Подробности
3 оттяжных кольца для военной антенной мачты из стекловолокна Камуфляжная мачта 40 мм
$ 17,90 Купить сейчас h 908 или лучшее предложение
См. Подробности
Магнитное крепление Основание антенны Nmo с разъемом PL-259 Сделано в США
$ 19,99 Купить сейчас 16h 34m
Roleged
46 Портативная / Stealth / QRP КВ антенна для радиолюбителей Выберите свой диапазон
$ 36.95 Купить сейчас 30d 11h
Подробнее
American Tower, Rohn Tower Style-Ame25-New- 10 ‘Tower Section
$ 143,79 Купить сейчас или лучшее предложение 14d 6h
См. Подробности
Набор из (2) опор на опору — антенная мачта на кронштейн мачты, до 2 1/2 дюймов
$ 10.00 Купить сейчас 24d 15h
См. Подробности
Аутентичный N9TAX VHF / UHF Slim Jim J-Pole для HT 2 м 70 см антенна 16 ‘, коаксиальный кабель
$ 30.99 Купить сейчас 18d 8h
Подробнее
49: 1 Unun Impedance Xformer для полуволновой антенны с торцевым питанием. Ujm-49-1
$ 55,99 Купить сейчас 4d 12h
Подробнее
Nmo Mount 3/8 «отверстие Rg-58A / U L-195 с UHF So-239 Pl -259 Разъем, сделанный в США
$ 17,99 Купить сейчас 21d 9h
Подробнее
Unun 1:64 — 1:49 Переменная для полуволновой антенны с торцевым питанием (EFHW) 100 + W
10 долларов США.00 Купить сейчас 25d 13h
Подробнее
RW-BSAU — Стекированная 5/8-волновая UHF антенна базовой станции GMRS 6.5 DB Easy Assembly FS
$ 59.00 Купить сейчас Купить сейчас Купить сейчас 15h
Подробнее
Активная рамочная антенна TECSUN AN-48x для длинноволновых, AM / средних и коротковолновых диапазонов
$ 29,99 Купить сейчас 4d 21h
4-полосная ВЧ дипольная антенна OCF с питанием от центра, 300 Вт, PEP
$ 52.00 Купить сейчас 12д 15ч
Подробнее
Shark FM-mini 20-метровый однополосный передвижной радиолюбительский радиоприемник Дорожная антенна Черный
$ 24,99 Купить сейчас 19000 197
См. Подробности
ВЧ-полуволновая торцевая антенна EFHW 80-10 метров
$ 58,00 Купить сейчас 12д 15ч
Подробнее
Полипропиленовые гидравлические зажимы 8 дюймов (Лот 10 пар)
16 $.00 Купить сейчас 4d 11h
Подробнее
TOWER ASSIST TOOL, оригинальный дизайн OEM
$ 116,19 Купить сейчас или Лучшее предложение 269 816h
См. Подробности
Workman W58 5/8-волновая коммерческая базовая антенна с комплектом заземления 1500 Вт
$ 179,95 Купи сейчас 3d 11h
См. Подробности
5 WOR WAVE SUPER PENETRATOR CB РАДИОБАЗОВАЯ АНТЕННА 7dBi GAIN 1500W
$ 194.95 Купить сейчас 8d 13h
Подробнее
Универсальное J-образное крепление 19 дюймов для наружных антенн, беспроводного HDTV, сканеров
$ 12,95 Купить сейчас 25d 9h
См. Подробности
Alliance Tenna Ротор Антенна Роторная система, малоиспользуемая
$ 51,95 4 предложения 4d 13h
См. Подробности
Резиновые опоры для анкерных опор NMO
906 Pack HEAVY DUTY QUALITY — от W5SWL
$ 4.19 Купить сейчас 1d 15h
См. Подробности
Шестигранный антенный концентратор
$ 55.00 Купить сейчас 23d 9h
92 Подробнее Башенная система 12 АЛЮМИНИЕВЫХ 4-футовых штабелируемых опоры$ 279,99 Купить сейчас 21d 12h
Подробнее
VHF 144-174 MHz Антенна NMO Тип 5/8 Wave 3db High Gain VHF 2 Meter
36 долларов США.95 Купить сейчас 24d 13h
Подробнее
YouLoop Portable Passive Magnetic Loop Antenna for HF and VHF (ORIGINAL)
$ 34.95 Купить сейчас 6 16 См. Подробности
NMO — UHF Женский низкопрофильный адаптер ваттметра для крепления антенны — продается W5SWL
$ 11,95 Купить сейчас 24d 9h
Подробнее 9000 Oh7
Лестничная линия США Центральный изолятор
$ 6.00 Купить сейчас 19h 59m
Подробнее
Shark FM-mini 80 метров КВ однополосная передвижная радиолюбительская антенна Дорожная антенна Черный
$ 29,99 Купить сейчас 19
См. Подробности
Workman C406 Складной наклонный кронштейн на 3 / 8-24 для антенны до 3 футов
$ 10.95 Купить сейчас 19d 10h
См. Подробности
9049 STARDUSTER 906 БАЗОВАЯ АНТЕННА CB, 11 м, УСИЛЕНИЕ 7 дБи 800 Вт$ 132.95 Купить сейчас 21d 15h
Подробнее
Разделенные изоляторы 5/8 дюйма
$ 10.00 Купить сейчас 20d 6h
906 Подробнее Крышка от дождя для крепления на антенну с уплотнительным кольцом — Продавец W5SWL$ 1,99 Купить сейчас 7d 18h
См. Подробности
AY03 Yagi Antenna16-KHF 100W для элементов SL Базовая станция Ham Radio Repeater
46 $.79 Купить сейчас или лучшее предложение 21d 17h
См. Подробности
HYGAIN AV-18VS ВЧ (10–80 м) с ручной настройкой Вертикальная антенна, высота 18 футов, макс.
Купить сейчас 5d 20hПодробнее
MFJ-347 Крепление на трубу с двойным тройником с SO-239, построить 80-6-метровый мини-диполь Hamstick
$ 37.95 Купить сейчас Купить сейчас Купить сейчас Купить сейчас 13d 10h
См. Подробности
Jetstream Jt14100 100Ft 14Awg Жесткий многожильный медный антенный провод
$ 37.95 Купить сейчас 13d 16h
Подробнее
25G American Tower, Rohn Tower Style-Ame25 ** Новинка ** W / Base-30 Foot
$ 799,55 Купить сейчас 27d 5h
См. Подробности
1-3 / 4-дюймовый шкив Ham Radio Dipole перевернутый Vee Loop Longwire End Feed Antenna W5SWL
$ 4,49 Купить сейчас 20d 10h
Свободно стоящее наземное крепление для антенных мачт до 2-1 / 4 «- Easy Up EZ TS-50
109 долларов США.25 Купить сейчас 30d 10h
Подробнее
50 MHz, 6 METER, LOOP, ANTENNA, HAM RADIO
$ 139.95 Buy It See 22d 197000 9000 9000 9000 9000
Антенные мачты POLY Guy Rings для военной замаскированной сетки 4-футовые штабелируемые опоры
$ 16,99 Купить сейчас 26d 8h
Подробнее
50 MHz, XENNA, LOOPARNA, 6 METER, LOOPAR , Радиолюбитель
419 $.95 Купить сейчас 30d 2h
Подробнее
400 ‘3/16 «Дакрон Полиэфирный трос для крепления антенны Диполь Перевернутый V-образный полюс Gin Guy
$ 43.95 Купить сейчас h
См. Подробности
Коаксиальное реле с антенной 12 В постоянного тока Dow Key Microwave с разъемами So-239 + Bnc
$ 26,95 Купить сейчас 2d 12h
96 См. Подробные сведения для антенны 13B2 2 метра Новинка49 $.

03.2006
11.2007
11.2007
03.2010
01.2002
07.2002