Как собрать универсальный программатор для микроконтроллеров AVR. Какие компоненты потребуются. Как правильно подключить и настроить программатор. Какие микроконтроллеры можно программировать с его помощью.
Что такое программатор для микроконтроллеров AVR и зачем он нужен
Программатор для микроконтроллеров AVR — это устройство, позволяющее записывать прошивку (программный код) в микроконтроллеры семейства AVR производства компании Atmel. Он необходим разработчикам электронных устройств для программирования микроконтроллеров и отладки создаваемых программ.
Основные функции программатора AVR:
- Запись прошивки в память программ микроконтроллера
- Считывание содержимого памяти микроконтроллера
- Стирание памяти микроконтроллера
- Установка битов конфигурации (фьюзов)
- Проверка правильности программирования
Универсальный программатор позволяет работать с большинством популярных микроконтроллеров AVR различных серий — ATtiny, ATmega, ATxmega и других.

Схема и принцип работы универсального программатора AVR
Рассмотрим схему и принцип работы типичного универсального программатора для микроконтроллеров AVR:
Основные компоненты схемы:
- Микроконтроллер ATmega8 или ATmega88 — выполняет функции программатора
- Преобразователь USB-UART (например, FT232RL) — для связи с компьютером
- ZIF-панель — для установки программируемого МК
- Набор перемычек — для выбора типа программируемого МК
- Стабилизатор напряжения — для питания схемы
Принцип работы:
- Микроконтроллер-программатор получает команды от компьютера через USB
- Формирует необходимые сигналы для программирования целевого МК
- Считывает данные с программируемого МК и передает на компьютер
- Управляет напряжением программирования и питанием целевого МК
Какие микроконтроллеры AVR можно программировать
Универсальный программатор позволяет работать со следующими сериями микроконтроллеров AVR:
- ATtiny (ATtiny13, ATtiny24/44/84, ATtiny25/45/85 и др.)
- ATmega (ATmega8, ATmega16, ATmega32, ATmega328 и др.)
- ATxmega
- AT90 (AT90S2313, AT90S8515 и др.)
Большинство популярных 8-разрядных микроконтроллеров AVR поддерживаются. Для программирования 32-разрядных AVR обычно требуются специализированные программаторы.

Необходимые компоненты для сборки программатора
Для сборки универсального программатора AVR потребуются следующие основные компоненты:
- Микроконтроллер ATmega8 или ATmega88 в корпусе DIP28
- Преобразователь USB-UART FT232RL
- ZIF-панель на 40 выводов
- Стабилизатор напряжения 3.3В и 5В
- Кварцевый резонатор 12 МГц
- Набор конденсаторов, резисторов, диодов
- Печатная плата
- Разъем USB type B
- Разъемы для подключения программируемого МК
Также понадобятся провода, припой, паяльник и другие стандартные инструменты для монтажа электронных устройств.
Пошаговая инструкция по сборке программатора AVR
Порядок сборки универсального программатора AVR:
- Изготовить или заказать печатную плату по предоставленной схеме
- Установить и припаять компоненты на плату, начиная с самых низких
- Установить микросхемы в панели
- Припаять разъемы и соединительные провода
- Проверить качество пайки и отсутствие коротких замыканий
- Установить плату в корпус
- Подключить USB-кабель и провести первичное тестирование
При сборке важно строго соблюдать полярность компонентов и не допускать перегрева деталей при пайке.

Настройка и подключение программатора к компьютеру
После сборки программатор необходимо настроить и подключить к компьютеру:
- Установить драйверы для USB-UART преобразователя
- Подключить программатор к USB-порту компьютера
- Установить программное обеспечение (например, AVRDUDE)
- Настроить программу для работы с данным программатором
- Провести тестовое программирование микроконтроллера
При правильной настройке программатор должен определяться в системе и позволять записывать прошивки в микроконтроллеры AVR.
Программное обеспечение для работы с программатором
Для программирования микроконтроллеров AVR через собранный программатор можно использовать следующее популярное ПО:
- AVRDUDE — консольная утилита для программирования
- AVR Studio — интегрированная среда разработки от Atmel
- PonyProg — простая программа для программирования
- AVRDUDESS — графическая оболочка для AVRDUDE
- eXtreme Burner — программатор с удобным интерфейсом
Большинство программ бесплатны и имеют открытый исходный код. Выбор зависит от предпочтений пользователя.

Особенности программирования различных микроконтроллеров AVR
При программировании разных серий микроконтроллеров AVR следует учитывать некоторые особенности:
- ATtiny требуют правильной установки фьюз-битов
- ATmega часто имеют загрузчик, который нужно учитывать
- ATxmega программируются через PDI или JTAG интерфейс
- Некоторые МК требуют высокого напряжения для программирования
- Важно правильно выбирать частоту SPI при программировании
Перед программированием нового типа МК рекомендуется изучить его документацию.
Возможные проблемы при работе с программатором и их решение
При использовании самодельного программатора могут возникнуть следующие проблемы:
- Программатор не определяется в системе — проверить драйверы и USB-кабель
- Ошибка при программировании — проверить правильность подключения МК
- Не удается считать сигнатуру МК — проверить напряжение питания
- Медленная скорость прошивки — уменьшить частоту SPI
- Ошибка проверки записи — попробовать очистить МК перед записью
Большинство проблем решается проверкой подключения, очисткой контактов и корректной настройкой программного обеспечения.

Программатор STK200/300 для микроконтроллеров AVR
DI HALT:
Признаюсь, что я этот программатор никогда не собирал, т.к. у меня с первого раза заработала и никогда не подводила схема Громова. Однако, судя по многочисленным комментариям, эта схема работает далеко не у всех и тут не все гладко. Даже если есть COM порт, то не факт что он захочет правильно работать в таком режиме. Многое зависит и от операционки, и от тактовой частоты проца. В общем, грабель там закопано много. Но есть еще варианты относительно простой прошивки микроконтроллеров AVR — это программатор на LPT, аналог STK500/300. В своей простейшей модификации «пять проводков» не требует вообще ничего, даже резисторов. Соединяешь все напрямую и шьешь. Правда пожечь LPT порт тут проще простого. C токоограничитльными резисторами все безопасней, однако и это не спасает. Помогает установка буфферной микросхемы 74HC244.И получаем STK200! Достоинства этой схемы в том, что это классика жанра. Ее поддерживают по моему вообще все прошивающие программы и оболочки. В том числе и разные среды разработки вроде CVAVR. Надежная и простая, как кувалда, схема. Недостаток один — нужен LPT порт, который ныне редкость.
Но что мешает под свои радиоопыты завести древнюю машинку уровня PIII-500 которую можно собрать из хлама за пиво? И работать будет все отлично и пожечь не жалко. Ну, а вдоволь наигравшись с STK и поняв премудрости процесса прошивки в деталях, можно собрать и USB программатор. А тут Михаил (Code007) написал отличную статью по сборке этого девайса. Грех не выложить.
В настоящее время микроконтроллеры AVR фирмы ATMEL получили весьма широкое распространение. Это обусловлено небольшой стоимостью, развитой периферией, доступностью и удобством средств разработки. Несомненным достоинством процессоров этой серии является возможность внутрисхемного программирования с использованием интерфейса SPI.
Для начала работы с этими микроконтроллерами необходимо обзавестись какими либо средствами осуществляющими внутрисхемное программирование.
Существует достаточно большое количество различных конструкций программаторов, но на первоначальном этапе вполне подойдет адаптер STK200/300. В данной статье я попытаюсь подробно описать процесс сборки этого адаптера. Причем настоятельно рекомендую повторить конструкцию именно так, как описано, а не на куске макетной платы. Рекомендация вытекает из шести летнего использования адаптера собранного на чем попало.
Рисунок 1. Электрическая принципиальная схема адаптера STK200/300
Для изготовления адаптера нам потребуется разъем DB25М (LPT-папа) с пластиковым корпусом, десятижильный плоский кабель длиной около 2 метров, разъем IDC-10, стеклотекстолит, детали по схеме и немного терпения.
Рисунок 2. Основные комплектующие (разъем IDC-10 обжат на кабеле)
Все детали монтируются на односторонней печатной плате. Разводка платы осуществлена не на 100%, поэтому часть проводников выполнена навесным монтажом. Такое решение было принято в связи с тем, что изготовление двухсторонней платы более трудоемко и в данной ситуации не имеет особого смысла. Плата изготавливается по всем известной лазерно-утюжной технологии.
Коротко напомню ее основные шаги.
На глянцевой бумаге с помощью лазерного принтера печатается чертеж печатной платы. В качестве бумаги подойдут листы из рекламного буклета или чего то подобного. Я использовал рекламную книгу о средствах автоматизации фирмы Siemens. Поверхность медной фольги текстолита зачищается мелкой наждачной бумагой и протирается ватным тампоном, при этом надо проследить что бы на поверхности не осталось волокон ваты.
Рисунок 3. Приспособление для переноса рисунка печатной платы — зажим.
Заготовка печатной платы вместе с распечатанным чертежом проводников зажимается между двумя металлическими пластинами через дополнительные прокладки из мягкого термостойкого материала ( я использую ткань сложенную в несколько слоев). На получившийся пакет ставим утюг и включаем в сеть. Ждем минут пять и снимаем утюг. После чего даем пакету остыть. Вынимаем заготовку платы с уже “мертво” прилипшей распечаткой чертежа и опускаем в теплую воду для дальнейшего удаления бумаги. Удалив бумагу и протравив фольгу у вас должно получиться нечто подобное тому, что показано на рисунке.
Рисунок 4. Плата после травления
Далее необходимо удалить тонер. Я обычно для этого использую ацетон. Берем ватный тампон, смачиваем ацетоном и стираем тонер. Результат показан на рисунке. В принципе можно остановиться на этом, но мы будем лудить.
Рисунок 5. Тонер смыт
Для лужения используется следующий метод. Берем небольшую кастрюльку, наливаем немного воды, растворяем в воде лимонную кислоту ( сильно много сыпать не надо, так что бы была кислой) и кипятим. Когда вода закипит опускаем печатную плату, если лимонной кислоты было достаточно, то медь немного изменит цвет. Бросаем кусочек сплава Розе и ждем пока он расплавиться, после чего держа пинцетом ватный тампон равномерно наносим сплав по поверхности платы. Эта операция естественно проводится в кипящей воде.
Должно получиться как на рисунке.
Рисунок 6. После лужения сплавом Розе
Далее вооружившись ножницами по металлу обрезаем лишнее по контуру и дорабатываем напильником.
Рисунок 7. Печатная плата готова
Подробности технологии лазерно утюжного метода (ЛУТ) можно найти в разделе «Радиолюбительские технологии» в статьях:
Создание печатной платы методом лазерного утюга
и
Изготовление печатной платы от и до. Видео урок.
Все, можно брать в руки паяльник и распаивать детали в соответствии с монтажной схемой.
Рисунок 8. После распайки пассивных компонентов (светодиоды и микросхема не установлены)
Далее припаиваются светодиоды и дорабатывается верхняя крышка разъема.
Суть доработки заключается в сверлении двух отверстий под светодиоды. Как должно получиться можно посмотреть на рисунке.
Рисунок 9. Доработка верхней крышки разъема
Поле этого можно припаивать микросхему 74HC244. С помощью многожильного или одножильного монтажного провода не большого сечения ( я использовал провод во фторопластовой изоляции — МГТФ) припаиваем перемычки в соответствии с принципиальной схемой. Не забываем припаять перемычку с любого контакта из диапазона 18-25 на корпус разъема и с корпуса на общий проводник печатной платы, но уже со стороны монтажа. Для пояснения и наглядности привожу рисунок того, что должно получиться.
Рисунок 10. Монтаж печатной платы завершен
Завершив распайку всех перемычек припаиваем десятижильный плоский кабель. При пайке кабель следует располагать так как показано на рисунке.
Рисунок 11. Распайка сигнальных цепей шлейфа
Далее кабель складывается поперек за корпусом микросхемы и подготавливаются проводники, которые должны быть подключены к общему проводу. Подготовка сводится к подгонке длины этих проводников таким образом что бы их можно было припаять к корпусу разъема. После чего они зачищаются, скручиваются, лудятся и припаиваются в одной точке к корпусу как показано на рисунке. На мой взгляд это позволяет отказаться от дополнительного крепления кабеля внутри корпуса.
Рисунок 12. Распайка общего провода шлейфа
Установив собранную плату в верхнюю часть корпуса разъема проверяем не забыли ли припаять перемычку с контакта разъема на его корпус (о том как это сделать говорилось выше).
Рисунок 13.
Распайка перемычки общего провода
Окончательно собираем корпус разъема. Распечатываем этикетку, обклеиваем ее с лицевой стороны скотчем и закрепляем на корпусе в предусмотренном для этого углублении на нем.
Рисунок 14. Собираем корпус и клеем этикетку
Ну вот и все. Адаптер для внутрисхемного программирования готов! Что получилось у меня показано на рисунке. У вас должно получиться то же самое, если вы следовали моим указания.
Рисунок 15. Адаптер готов
Можно проводить испытания. Подключаем к макетной плате с установленным микроконтроллером, запускаем программу для внутрисхемной прошивки с поддержкой STK200/300 ( например CodeVisionAVR Programmer) и наслаждаемся.
Рисунок 16.
Проверяем работу
В заключение хотелось сказать пару слов о длине кабеля. В большинстве источников говорится что длина кабеля не должна превышать нескольких десятков сантиметров для обеспечения надежной работы адаптера. Однако практика использования адаптера с двух метровым кабелем, изготовленного по выше описанной технологии, не выявила никаких проблем. Кабель такой длины позволяет удобно располагать программируемое устройство на рабочем столе и отказаться от использования удлинителя параллельного порта компьютера. В последствии приходилось общаться с людьми утверждавшими что успешно использовали подобную конструкцию с кабелем длиной около десяти метров для внутрисхемного программирования по интерфейсу SPI.
Надеюсь, что мои рекомендации окажутся полезными для тех кто решится начать свою работу с микроконтроллерами AVR со сборки адаптера STK200/300.
Файлы к статье:
Кунавин Михаил
г. Волгоград
Универсальный USB программатор AVR
Универсальный программатор AVR
Представляю схему универсального программатора, с помощью которого можно программировать все типы AVR микроконтроллеров.
Универсальный usb программатор состоит из usbasp программатора и ZIF панели для программирования.
Схема usbasp
Ниже на скрине приведена схема программатора avr. Чтобы собрать zif программатор, понадобится zif панель на 40 выводов и микроконтроллер Atmega8.
Собрав по этой схеме usb программатор, можно будет программировать любые микроконтроллеры из серии AVR, достаточно только расположить нужный микроконтроллер в zif usbasp панели, установить перемычки в нужные места, подключить к USB и программировать c помощью специальной программы, например AVRDUDE_PROG.
Плата usbasp
Дальше на скрине показана плата программатора avr. Так выглядит печатная плата avr usbasp в проекте программы DipTrace.
Изготовление программатора avr usb
Несколько фото процесса изготовления печатной платы zif avr с металлизацией отверстий. Печатная плата usbasp программатора после металлизации отверстий и после нанесения паяльной маски.
Фото готовой печатной платы программатора avr.
Глянец паяльной маски FSR-8000.
Фото собранной печатной платы универсального программатора AVR.
Данная статья опубликована на сайте whoby.ru. Постоянная ссылка на эту статью находится по этому адресу http://whoby.ru/page/usb-programmator
Читайте статьи на сайте первоисточнике, не поддерживайте воров.
Как программировать
Собственно это самый главный раздел этой статьи, без которого эта схема потеряла бы всю свою актуальность, так как не зная расположения перемычек и места расположения микроконтроллера в zif панели, невозможно запрограммировать нужный контроллер. Это в лучшем случае, а в худшем, можно банально спалить микроконтролер.
Еще хотел сделать акцент на порядок смены положения перемычек и расположения микроконтроллера в zif панели. Сначала usbasp программатор нужно отключить от USB порта, затем выставить перемычки для нужного микроконтроллера AVR, затем установить его согласно схемы (фото ниже) и только после этого подключать к USB порту.
Если менять положение перемычек и МК на «горячую», то возможно спалить микросхему, если что то случайно перепутали.
Прошивка через usbasp
Далее на фото показаны варианты расположения перемычек и установка определенного типа микроконтроллера в zif панель. На фото представлены два варианта для каждого типа микроконтроллеров, внешнее тактирование (с кварцем) и без внешнего тактирования (без кварца). Выбирайте любой удобный и необходимый в конкретном случае вариант.
Программирование Tiny 13, 15, 45
Программирование Atmega 16, 32, 8535
Программирование Tiny 2313
Программирование Tiny 26
Программирование Atmega 8, 48, 88, 168, 328
Программирование Atmega 8515
Внутрисхемное программирование
На плате имеется специальный 6 pin разъем, подключившись к которому, можно программировать микроконтроллеры, установленные на печатной плате устройств, не выпаивая их с платы.
В данном случае, расположение перемычек не влияет на внутрисхемное программирование.
Файлы для сборки
В приложенном ниже архиве, находятся файл печатной платы программатора avr usbasp. Также в архиве есть драйвер usbasp программатора и прошивка usbasp usb, с помощью которой можно прошить наш avr programmer.
Если вы решитесь собрать данный универсальный программатор AVR, то хочу вас предупредить. ZIF панели бывают двух типов, с широкой и узкой посадкой для ножек. Нам нужна такая ZIF панель для программатора, в которую можно вставить все типы микросхем.
Посмотрите на фото и увидите отличия между ZIF панелями, покупайте с широкими вырезами для ножек, иначе программатор получится не полноценным в связи с ограничением установки некоторых микроконтроллеров.
Напоследок хотел сказать, если вы случайно заблокируете свой микроконтроллер, то его можно всегда разблокировать с помощью доктора фьюзов, схему и печатную плату которого, можно посмотреть в этой статье.
Если возникнут вопросы по схеме, то всегда можно задать вопрос в комментариях.
Всем легкого программирования.
Статью написал: Admin Whoby.Ru
Еще записи по теме
Как я создавал Программатор PIC, AVR и микросхем памяти
Автор: Садовой А.В.
Материал взят с журнала РАДИО 2007, №10
Ну вот и настало то время, когда и мне пришлось взяться за изучение МК. К этому подвинула статья Автоматическое ЗУ на Atmega16A Тут и без всякого раздумья стало понятно, что нужно срочно собирать программатор. Листая журнал РАДИО, нашел приемлемую схему для себя. Ниже приводится описание с журнала.
Предлагаемый программатор работает под управлением программы PonyProg [1], распространяемой бесплатно. Если ограничиться программированием МК PIC и микросхем памяти, можно воспользоваться также программами IC-Prog и WinPic800, распространяемыми на тех же условиях.
Программирование 18-выводных МК PIC и 20-выводных AVR производится без каких-либо коммутаций.
Достаточно установить МК в предназначенную для него панель и выбрать его тип в меню используемой программы. От установки панелей для всех МК этих семейств автор сознательно отказался, так как в любительской практике они используются редко. При необходимости нужные панели можно установить дополнительно или подключать требующиеся для программирования выводы МК к предусмотренному в программаторе разъему. Этот же разъем используется при внутрисхемном программировании.
Кроме МК, устройство позволяет программировать микросхемы памяти с последовательным интерфейсом, имеющиеся в меню используемых программ. Для подобных программ с интерфейсом I2C в программаторе предусмотрена панель.
До начала процесса программирования и по его завершении напряжение питания программируемой микросхемы отключено, что дает возможность безопасно установить микросхему в панель, а затем извлечь ее.
Прежде чем рассматривать работу программатора подробно, вспомним некоторые особенности программирования МК семейств PIC и AVR.
Номера упоминаемых далее выводов МК различных можно найти в технической документации.
Чтобы перевести в режим программирования МК семейств PIC, требуется подать на его вывод MCLR напряжение +12…14 В. Обмен информацией с устройством, управляющим программированием, происходит через двунаправленный вывод DATA. Синхронизирующие импульсы обмен импульсы поступают на вывод CLOCK.
МК семейства AVR повышенного напряжения не требуют. Они переходят в режим программирования при низком логическом уровне на выводе RESET. При этом необходимо, чтобы к соответствующим выводам МК был подключен кварцевый резонатор. Информация принимается через вывод MOSI, а передается через вывод MISO. Вход синхронизирующих импульсов – вывод SCK.
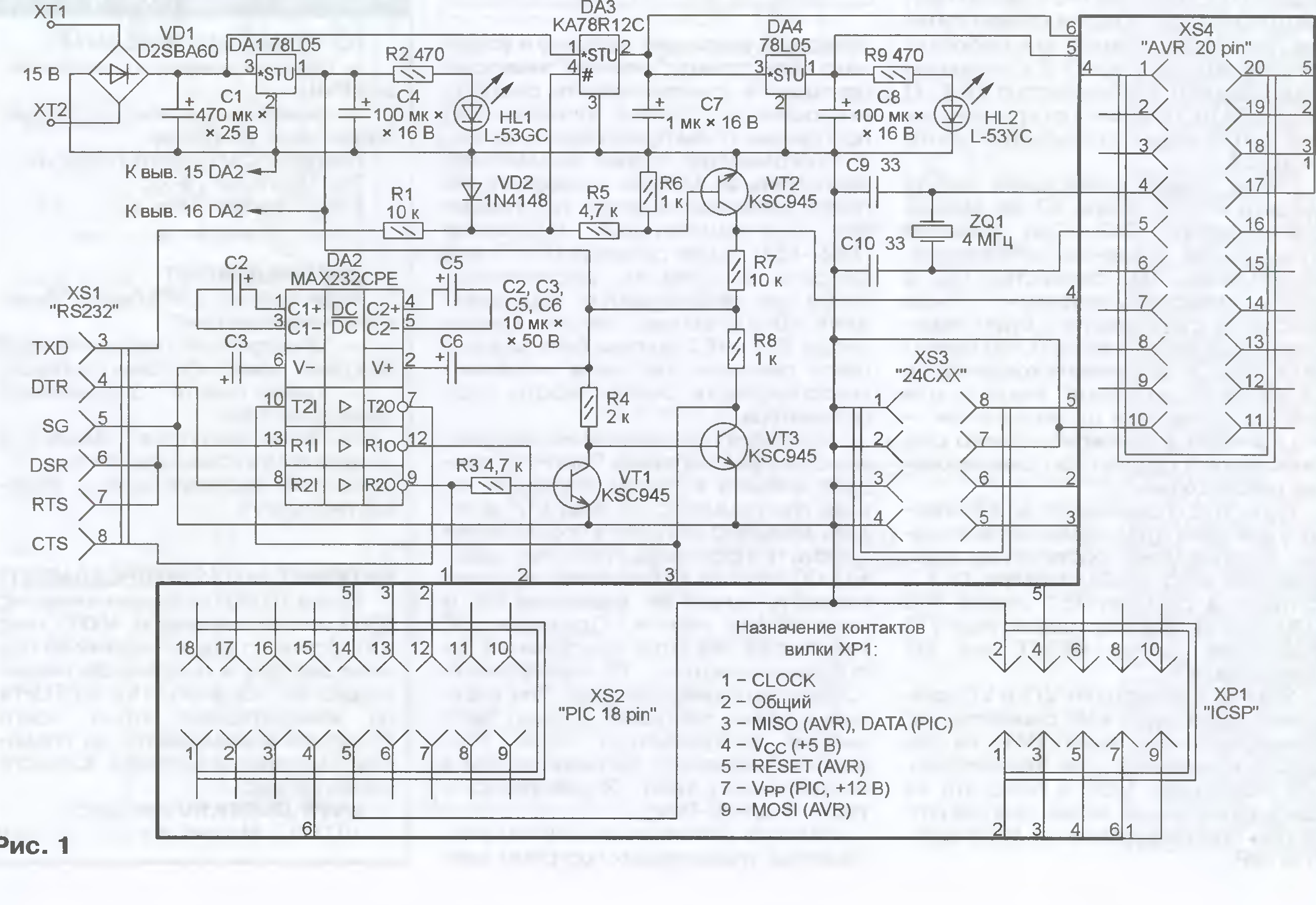
Схема программатора изображена на рис. 1. Ее наиболее существенное отличие от прототипа [1] заключается в использовании для связи с COM-портом компьютера микросхемы МАХ232СРЕ (DA2) – специализированного преобразователя уровней RS232 – ТТЛ. Это позволило выполнить все требования по уровням передаваемых сигналов и нагрузочной способности линий порта и значительно улучшило надежность работы устройства.
Чтобы излишне не нагружать COM-порт, предусмотрено питание программатора и программируемой микросхемы только от внешнего источника. Его постоянное напряжение (15 В) или переменное (10…12 В) напряжение поступает в программатор через диодный мост VD1, служащий выпрямителем переменного напряжения или приводящий постоянное к правильной полярности.
Интегральный стабилизатор DA1 питает напряжением 5 В преобразователь уровней DA2. Светодиод HL1 сигнализирует о включении питания. Стабилизатор DA3 на 12 В – управляемый. Он включен при высоком логическом уровне напряжения на управляющем входе 4 и выключен при низком уровне. Это свойство использовано для управления напряжением, переводящим МК семейства PIC в режим программирования, и напряжением питания программируемой микросхемы, которое получают из 12 В с помощью интегрального стабилизатора DA4. О включенном питании программируемой микросхемы сигнализирует светодиод HL2.
Очень важен правильный выбор емкости конденсатора С7 на выходе стабилизатора DA3.
При слишком большом значении напряжение, переводящее МК семейства PIC в режим программирования, после включения стабилизатора будет нарастать недостаточно быстро, что приведет к сбою. Устанавливать конденсатор С7 слишком маленькой емкости или вовсе отказаться от него нельзя – это приведет к самовозбуждению стабилизатора и сделает программирование невозможным.
Диод VD2 ограничивает до безопасного значения отрицательное напряжение, которое может поступить на управляющий вход стабилизатора DA3 с контакта 3 разъема XS1 (линии TXD COM-порта). Узел на транзисторе VT2 формирует сигнала RESET для МК семейства AVR.
Узел на транзисторах VT1 и VT3 разделяет имеющуюся в МК семейства PIC двунаправленную линию DATA на две однонаправленных для компьютера. Под названиями MOSI и MISO эти же однонаправленные линии используются при программировании МК семейства AVR.
Для аналогичного преобразования в [1] был применен логический инвертор на одном транзисторе. Однако его практическое использование выявило довольно большое число сбоев, причина которых, по мнению автора, — недостаточная задержка информационного сигнала на линии DATA относительно синхронизирующего на линии CLOCK.
Добавление второго инвертора увеличило задержку и устранило сбои, однако «лишнюю» инверсию приходится компенсировать соответствующей настройкой управляющей программы, о чем будет сказано далее.
Используя для управления программированием программу PonyProg, следует выбрать в соответствующем ее окне программатор «SI Prog I/O» и задать инверсию сигналов в соответствии с табл. 1. Программа WinPic при работе в ОС windows XP позволяет программировать только МК семейства PIC и микросхем памяти. Однако в ОС Windows 98 МК этой программой не программируются. С программой IC-Prog ситуация обратная. При настройке обеих программ должен быть выбран программатор “JDM Programmer”. Инверсию сигналов задают в соответствии с табл. 2. (для WinPic) и табл. 3. (для IC-Prog).
Наличие нескольких во многом равноценных управляющих программ дает возможность пользоваться программатором даже при возникновении проблем в работе с одной из них. Например, МК, отсутствующий в списке доступных одной программе, может быть найден в списке другой.
Так случилось при попытке запрограммировать МК PIC16F628A. В списке программы PonyProg имеется лишь PIC16F628 на экране монитора появляется сообщение «Неизвестный тип микроконтроллера». Даже если проигнорировать это сообщение, попытки не только запрограммировать, но и просто прочитать содержимое памяти МК положительного результата не дают. Однако в списках программ WinPic800 и IC-Prog нужный МК есть, его программирование с помощью этих программ выполняется без замечаний.
ЛИТЕРАТУРА
1. Lanconelly C. PonyProg – serial device programmer
2. Gijzen B. IC-Prog Prototype Programmer
3. Font S. Software for PIC programming Windows 95/98/NT/2000/ME/XP compatible
Все ясно и понятно как «божий день», остается за малым, а может быть не малым, воплотить все дела паяльником. Далее привожу фото-обзор как я создавал программатор:
Разметил размер будущей платы, использую так называемые «макетные платы» , как то еще не приспособился к печатным платам, поэтому пользуюсь макетками.
При сборке предыдущей статьи Светодинамическое устройство «LED-подарок девушке» как то подумал «а что если покрасить плату в черный цвет?» смотрится креативненько))) плату покрасил и в этот раз.
Вот и собрал. В отличии от оргинала, не стал впаивать панельки под МК, а впаял разъем в виде «штырьков» без понятия как они называются правильно))) Разъем для подключения адаптера с переменкой 15 В использовал от модема TP-Link и выключатель питания от него же. Диодный мост взял КЦ407.
Подписал разъем
Настало время проверить. Установил прогу PonyProg, запустил ее, появилось окно в котором требуется «…произвести калибровку». Жмем «Yes»
«Калибровка завершена»
«Настройка платы программатора» находится в верхнем меню «Установка». Жмем «Проверка» если все нормально, то появится окошко «Тест Ок»
Теперь можно записывать или считывать прошивку с МК или микросхем памяти.
Как раз на работу принесли усилок фирмы BBK вот понадобилось проверить микруху памяти 24С02. Подключил микруху к соответствующим выводам на разъеме, подключил программатор к COM-порту компа, включил питание, считал/записал прошивку вот и все. Так же проверил микруху 24С04 все работает. МК PIC и AVR еще не проверял, но т.к. нужно потихоньку собирать ЗУ на Atmega16A скоро будем «шить» )))
Рейтинг лучших программаторов и дебаггеров на 2021 год
Программаторы и дебаггеры, что это такое и зачем необходимы, знает не каждый. В настоящее время сложно представить существование человека без электроприборов, часть которых имеет микропроцессоры, требующие определенного обслуживания. Такие устройства, как программаторы и дебаггеры, являются одними из тех, которые как раз предназначены для того, чтобы следить за четкостью их работы.
Программаторы
Устройство, предназначенное для считывания(сбора) данных и записи(прошивки) их на запоминающий прибор называется программатором.
Для радиолюбителей подойдет стандартный прибор, подключаемый к последовательному или параллельному порту. Он идеален в случае если требуется единожды запрограммировать микроконтроллер. Также благодаря такому аппарату возможно загружать программы, имеющие hex формат, в большую часть микроконтроллеров AVR за довольно короткое время.
Устройство присоединяется к ПК при помощи специального программного обеспечения, которое передает компьютерную прошивку на программатор, а он записывает ее в память микросхемы. Программаторы присоединяются несколькими способами, но основным считается тот, что осуществляется при помощи USB порта.
Приборы для считывания и записи данных можно классифицировать по некоторым характеристикам таким как:
- по типу микросхем;
- по их присоединению;
- по сложности самих программаторов.
По присоединению микросхем приборы подразделяются на:
- параллельные;
- внутрисхемные.
Выбирая устройство с параллельным соединением следует обратить внимание на разъем, в который помещается микросхема.
Он должен быть хорошего качества, лучше всего если модель будет оснащена цанговым разъемом или тем у которого будет подвижная планка (ZIF разъемы). Дорогие модели оснащены разъемами, подходящими под разные корпуса. Дешевые оснащенные одноразовым соединение быстро выйдут из строя.
Внутрисхемные устройства подходят лишь для микросхем, которые поддерживают внутрисхемный способ программирования. Таким образом возможно прошивать микросхему, не доставая ее из самого прибора.
Дебаггер
Вся программная продукция в период разработки проходит тщательное тестирование, в процессе претерпевает ряд обновлений, устранение различного рода неполадок и проходит полное обслуживание, чтобы избежать в дальнейшем проблем в использовании. Объемные программы, состоящие из большого количества строк исходного кода, делят на небольшие компоненты, которые сначала проверяются по отдельности, а уже после в совокупности.
Итак, что такое дебаггер? Это модуль или приложение разработанное для поиска ошибок в программах.
Дебаггер или так называемый отладчик дает возможность пошагово выполнять трассировку, отслеживать, изменять и устанавливать значение переменных, устанавливать, а также удалять контрольные точки и условия остановки в процессе выполнения программ и много другое. Работа устройства включает в себя интерактивную отладку, анализ потока управления, файлов журналов, осуществление мониторинга на уровне приложений и системы, а также модульное и интерактивное тестирование.
Отладчик не только проверяет и обнаруживает ошибки кода, но и исправляет их, обеспечивая таким образом правильность работы приложений. Процесс отладки начинается с того момента, как запишется код, и продолжается на всех последующих этапах, так как код взаимосвязан с остальными модулями, необходимыми для создания программного продукта. При проверке объемных программ имеющих множество строк кода, процедура отладки производится более упрощенным способом, использую модульные тесты, обзоры кодов и парное программирование.
Как выбрать программатор
Покупая программатор, следует учитывать некоторые моменты, которые помогут правильно подобрать устройство:
- качество, от этого пункта зависит как долго, проработает прибор, а от качества программирования зависит, как долго прослужит микросхема.
Перед приобретением следует убедиться, что программатор соответствует рекомендациям компании производителя микросхемы; - время программирования, тут уже пользователь сам решает насколько быстрый инструмент ему нужен, время программирования может варьироваться от секунд до часов. Естественно если устройство выбирается для серийной работы, то следует остановиться на выборе того, который работает быстро и наделен способностью группового программирования;
- цена, она разная, на ней отражается бренд, качество, скорость программирования и многое другое;
- количество программируемых микросхем. Как правило, производители указывают количество микросхем, к которым подходит программатор, но не всегда эти сведения соответствуют действительности, нередко в перечне оказываются виды микросхем, которые уже не используют. В большинстве случаев достаточно программатора, который совместим с популярными типами микросхем;
- возможность обновления программного обеспечения, при работе с программаторами нередко требуется обновление, например, в случае ошибок, потери софта.
А также же если вышли новые микросхемы после обновления не потребуется приобретать новый прибор. Перед покупкой следует уточнить как обновить устройство и сколько это будет стоить. Что касается обновления, то некоторые производители заявляют о возможности бесплатного обновления и, как правило, это правда. Но стоит знать, что со временем сама модель программатора устаревает и обновления на нее не будут загружаться, что в любом случае приведет к потребности приобрести новый; - наличие технической поддержки, она должна быть качественной так как могут возникнуть вопросы при работе с прибором;
- комплектность устройства, при программировании матриц могут понадобиться различные специальные адаптеры-переходники.
И конечно важно выбирать производителя имеющего хорошую репутацию. Это возможно сделать, поискав отзывы о производителе на страницах интернета и ознакомится с данными о том, как долго компания производит программаторы.
На что обратить внимание при выборе отладчика
Выбирая отладчик (дебаггер) покупатель также должен обратить внимание на такие пункты как:
- качество;
- компанию производителя;
- время, которое тратится на отладку.

В принципе подбор данного инструмента осуществляется с учетом тех же пунктов, что и у программатора, но следует знать, что в большинстве случаев пользователям будет встречаться отладчик в виде программы. В качестве модуля попадаются программаторы с функциями отладчика.
Лучшие программаторы
Перечень лучших программаторов основан на отзывах покупателей, в него входят универсальные модели, узкопрофильные, пригодные для работы, только определенными видами микросхемами которые устанавливают, например, в автомобильных ключах и многие другие.
AVR USBASP
Модель AVR USBASP относится к универсальным USB программаторам, поддерживает десяти штырьковые флэш-микроконтроллеры с возможностью установить дополнительно шесть штырьковых адаптеров. Прибор имеет два варианта питания (5 и 3,3 вольта), которые осуществляются через специальную перемычку. Несмотря на преимущества устройства, стоимость его относится к доступным.
AVR USBASP
Достоинства:
- цена;
- наличие двух типов питания;
- габариты;
- подходит для работы с распространенными видами микросхем.

Недостатки:
- из недостатков можно отметить что у устройства, довольно большой объем внутреннего программного обеспечения.
Turbosky PMT-1
Данная модель представлена в виде кабеля, с одной стороны которого расположена флешка, являющаяся отладчиком, с помощью нее и происходит настройка радиостанции, таких как Walkie-Talkie. Аппарат позволяет выбрать и установить назначение клавишам радиостанций те функции, которые необходимы, поставить шумоподавление нужного уровня, выбрать звук вызова и подключения каналов. Отладчик совмещается не только с товарами компании Turbosky, но и синхронизируется с такими моделями станции, у которых кодировка осуществляется при помощи CTCSS, DCS кодов.
Turbosky PMT-1
Достоинства:
- размеры от очень компактный;
- идеальный вариант для настройки радиостанции;
- есть поддержка для пользователей;
- качественный.
Недостатки:
- узконаправленная специализация.

MiniPro TL866
Высокоскоростной китайский программатор MiniPro TL866 подходит для программирования всех современных систем Windows: 7, 8, 10, 32 и 64 бита. При помощи данной модели возможно провести SRAM тест, также прибор поддерживает такие чипы как NAND Flash объемом до 8 Gbits. Помимо всего, MiniPro TL866 оснащен рядом дополнительных функции таких как, автоматический поиск плохих пин-контактов, вывод порядкового номера и проведение тестов алгоритмов. Потребление энергии микросхемами минимально. При помощи DLL библиотек, программисты способны создавать всевозможные алгоритмы, даже могут устанавливать уникальные коды, позволяющие защищать авторские права на прибор.
MiniPro TL866
Достоинства:
- высокая скорость программирования;
- функциональные возможности;
- комплектация;
- качество.
Недостатки:
USB EZP2019
Еще одна модель USB программатора, выпускаемая на территории Китая, отличающаяся высокой скоростью работы.
Корпус прибора оснащен световыми индикаторами, которые показывают питание и процесс программирования. Устройство относится к универсальным и подходит для ремонта бытовой техники и промышленного оборудования. После включения прибор дает возможность автоматически проверять соответствует ли МК нормам безопасности, а также позволяет загружать нужное программное обеспечение. С ограничением, но USB EZP2019 позволяет проверить целостность BIOS материнской платы у персонального компьютера. Прибор работает со скоростью до 12 м/с, таким образом период установки драйверов значительно ускоряется.
USB EZP2019
Достоинства:
- габариты прибора;
- обширная сфера использования;
- располагается в корпусе;
- высокая скорость работы.
Недостатки:
RT809F
Модель RT809F разработана для работы с электронно-вычислительной и периферийной техникой, а также прибор поддерживает электрически стираемое перепрограммируемое ПЗУ I2C EEPROM Memory и оперативное запоминающее устройство (ОЗУ) DDR1/DDR2/DDR3.
Помимо этого RT809F совместим с МК MCU RTD2120, 93 MircroWire, Micom. WINBOND расширяет способности аппарата тем самым привлекая внимание лиц занимающихся ремонтов различной техники (радио, телемастеров и т.д.) независимо от уровня их квалификации. Рассматривая параметры модели, можно сказать, что она относится к самым выгодным, так как в ней совмещены невысокая стоимость и широкая совместимость с микроконтроллерами.
RT809F
Достоинства:
- универсальность применения;
- цена в соотношении с его возможностями приемлемая;
- возможность подключения через USB, VGA, SOP-адаптер и интернет;
- хорошая комплектация.
Недостатки:
Лучшие дебаггеры
В данном разделе будут представлены как приборы с функциями отладчика, так и программы-дебаггеры, занимающиеся устранением различного рода ошибок, получающихся во время написания кодов. В перечень попали как бюджетные, так и дорогие виды, но каждый из них, по мнению потребителей, хорошо справляется с выполнением своих задач.
Ch441A
Ch441A аппарат, созданный для прошивки SPI и EEPROM памяти, наделенный функцией отладчика. Интерфейс модели на русском языке, что упрощает работу с ним, само устройство поддерживает около 700 МК. Прибор предназначен для работы с прошивкой микроконтроллеров, отладки материнских плат, располагающихся в ПК и накопительной памяти, а также актуализации BIOS. Для стабильности работы материнских плат пользователь может отключить функцию установки драйверов по умолчанию и самостоятельно подключить нужную версию.
Ch441A
Достоинства:
- небольшие размеры;
- работает с большим количеством микросхем;
- простота использования;
- комплектация.
Недостатки:
- необходимы навыки для использования;
- рабочий процесс длится около часа, что довольно долго.
IDA Pro
IDA Pro является одновременно и дизассемблером и отладчиком, позволяющим превращать бинарный код в ассемблерный текст, используемый для анализа работы программы.
Это программа наделена обширными возможностями, что делает ее популярной среди пользователей, занимающихся профессионально в сфере программирования. Итак, среди способностей можно выделить такие как, распознание стандартных библиотечных функций (технология FLIRT), наличие открытой и модульной архитектуры и встроенного языка программирования IDC, способность работать почти со всеми распространенными процессорами и форматами файлов и многие другие. Благодаря своим возможностям устройство выполняет такие функции как проверка на наличие различных вредоносных программ и вирусов, поиск и изучение ошибок в коде, валидизация и оптимизация программ.
IDA Pro
Достоинства:
- качество;
- обширные функциональные возможности.
Недостатки:
- это программа, которая имеет очень высокую стоимость, что делает ее подходяще только для компании и организации занимающихся непосредственно отладкой программ.
SWD DEBUGGER (ОТЛАДЧИК-ПРОГРАММАТОР PADI)
Модель PADI SWD Debugger относится к отладчикам программаторам, за основу при разработке был взят дебаггер J-Link от Segger.
Аппарат позволяет заливать прошивку в бинарном формате, используя специальные средства разработки отлаживать программы путем остановки и пошаговой отладки. Для подключения к PADI IoT Stamp используют всего два провода – Serial Wire Data и Serial Clock. Шнур Reset не требует обязательного подключения. Для поддержания работы дебаггера используют стандартный программный комплекс J-Link и средами разработки IAR, Keil. Устройство подходит для отладки программ, для прошивки в микроконтроллеры типа Cortex-M, осуществлять питание PADI на период пока проектируется девайс.
SWD DEBUGGER (ОТЛАДЧИК-ПРОГРАММАТОР PADI)
Достоинства:
- цена;
- для работы требуется подключение всего лишь двух проводов;
- питание PADI возможно непосредственно от самого отладчика;
- подключение происходит при помощи гнезда USB-Mini, что очень удобно.
Недостатки:
Отладчики (дебаггеры) и программаторы являются важными инструментами при работе с устройствами, имеющими микросхемы.
Каждый из инструментов наделен определенными функциями, от которых зависит их стоимость и назначение.
Программатор на основе Extra PIC — Микроконтроллеры — Схемы на МК и микросхемах
Привет ВСЕМ!!! Решил поделиться с Вами проверенным на практике, надёжным программатором, при помощи которого прошиваю МК и AVR для своих конструкций. Сегодня большинство поделок собираются на основе микроконтроллеров (МК). А чтоб схема заработала, его надо прошить. Тут уже без программатора никак не обойтись.
Программаторов в сети можно найти много. Но будет ли он четко работать и без сбоев??
Поэтому предлагаю Вам надёжный программатор, который проверен на 100%. Им можно прошивать как PIC контроллеры, так и AVR. Все свои поделки, которые делаю, прошиваю только им. И ни разу он не подводил в работе.
Подключается он к компьютеру к СОМ-порту и используются для программирования бесплатные программы ICprog, Poniprog, WinPic800, которые вполне обеспечивают потребности в программировании различных МК и AVR для всех основных конструкций.
Тип программатора, который необходимо установить при запуске этих программ, в основном JDM-программатор.
Рисунок 1.
Внешний вид программатора.
Схема для данного программатора была взята из журнала Радио №8 за 2007 год.
Рисунок 2.
Схема электрическая принципиальная.
Панельки для программируемых микросхем подключаются к данному программатору согласно таблице.
Рисунок 3.
Таблица подключений контроллеров.
Потом в одном из следующих номеров, вышла доработка по данному программатору, чтоб можно было программировать МК семейства AVR. Добавился транзистор и еще несколько деталей, нумерация которых продолжает нумерацию деталей на принципиальной схеме.
Рисунок 4.
Схема для программирования AVR.
Для программирования AVR, так же добавилась и отдельная плата.
В ней предусмотрены места для кварцевых резонаторов, на случай, если не правильно были выставлены фьюзы при программировании (для работы с внешним кварцем). Желательно бы конечно ещё предусмотреть на этой плате — тактирующий генератор на обычной логике, на частоту 1-4 мГц (на одной микрухе ЛА3 например). Это на случай, когда фьюзы установятся для работы МК от внешнего RC генератора. Кварц здесь тогда уже не поможет, и чтобы программатор «увидел» МК, нужно на его тактирующий вход (XTAL1) подать внешние импульсы частотой 1-4 мГц. В будущем возможно соберу на этой плате такой генератор, пока просто не было необходимости в нём.
Рисунок 5.
Печатная плата для микросхем AVR.
Потом появился принтер и захотелось привести плату в человеческий вид. Переразвел плату с учетом изменений в схеме, таже добавил блок питания, чтобы программатор стал законченным узлом со своим источником питания.
Рисунок 6.
Печатная плата программатора.
Верхнюю поверхность платы сделал типа маски при помощи принтера. И это также одна из самых главных причин переделки. Так как на ней отмечено, где и куда вставляются детали, какие микросхемы и с каким количеством ног, и как вставлять МК. Этот пункт лучше не оставлять без внимания.
Рисунок 7.
Верхняя часть платы программатора.
Все детали распаял по своим местам, ну вот и законченный вариант программатора. Если все детали заведомо исправны, то налаживания никакого не нужно. Всё сразу заработает.
Рисунок 8.
Собранный программатор.
Конечно, лучше всего для программирования МК иметь отдельный комп, чтобы не трогать и не выдвигать стационарный домашний. Самый лучший вариант — это приобрести старый «ноут» с СОМ-портом (вполе можно за очень даже не дорого). Различные переходники типов USB-COM здесь не катят.
Поставить туда ХР-ку и различные свои проги, настроить один раз и пользоваться для программирования только им.
В архиве размещены файлы печатных плат:
Архив для статьи «Программатор на основе Extra PIC.»
programmer universal usb — интернет-магазины и отзывы на программатор universal usb на AliExpress
Отличные новости !!! Вы попали в нужное место для универсального программатора usb. К настоящему времени вы уже знаете, что что бы вы ни искали, вы обязательно найдете это на AliExpress. У нас буквально тысячи отличных продуктов во всех товарных категориях. Ищете ли вы товары высокого класса или дешевые и недорогие оптовые закупки, мы гарантируем, что он есть на AliExpress.
Вы найдете официальные магазины торговых марок наряду с небольшими независимыми продавцами со скидками, каждый из которых предлагает быструю доставку и надежные, а также удобные и безопасные способы оплаты, независимо от того, сколько вы решите потратить.
AliExpress никогда не уступит по выбору, качеству и цене.Каждый день вы будете находить новые онлайн-предложения, скидки в магазинах и возможность сэкономить еще больше, собирая купоны. Но вам, возможно, придется действовать быстро, поскольку этот универсальный USB-порт для программистов станет одним из самых востребованных бестселлеров в кратчайшие сроки. Подумайте, как вам будут завидовать друзья, когда вы скажете им, что приобрели универсальный USB-программатор на AliExpress. Благодаря самым низким ценам в Интернете, дешевым тарифам на доставку и возможности получения на месте вы можете еще больше сэкономить.
Если вы все еще не уверены в универсальном USB-программаторе и думаете о выборе аналогичного продукта, AliExpress — отличное место для сравнения цен и продавцов.
Мы поможем вам разобраться, стоит ли доплачивать за высококачественную версию или вы получаете столь же выгодную сделку, приобретая более дешевую вещь. А если вы просто хотите побаловать себя и потратиться на самую дорогую версию, AliExpress всегда позаботится о том, чтобы вы могли получить лучшую цену за свои деньги, даже сообщая вам, когда вам будет лучше дождаться начала рекламной акции. и ожидаемая экономия.AliExpress гордится тем, что у вас всегда есть осознанный выбор при покупке в одном из сотен магазинов и продавцов на нашей платформе.Реальные покупатели оценивают качество обслуживания, цену и качество каждого магазина и продавца. Кроме того, вы можете узнать рейтинги магазина или отдельных продавцов, а также сравнить цены, доставку и скидки на один и тот же продукт, прочитав комментарии и отзывы, оставленные пользователями. Каждая покупка имеет звездный рейтинг, и предыдущие клиенты часто оставляют комментарии, описывающие свой опыт транзакций, поэтому вы можете покупать с уверенностью каждый раз.
Короче говоря, вам не нужно верить нам на слово — просто слушайте миллионы наших довольных клиентов.
А если вы новичок на AliExpress, мы откроем вам секрет. Непосредственно перед тем, как вы нажмете «купить сейчас» в процессе транзакции, найдите время, чтобы проверить купоны — и вы сэкономите еще больше. Вы можете найти купоны магазина, купоны AliExpress или собирать купоны каждый день, играя в игры в приложении AliExpress. Вместе с бесплатной доставкой, которую предлагают большинство продавцов на нашем сайте, вы сможете приобрести programmer universal usb по самой выгодной цене.
У нас всегда есть новейшие технологии, новейшие тенденции и самые обсуждаемые лейблы. На AliExpress отличное качество, цена и сервис всегда в стандартной комплектации.
Начните самый лучший шоппинг прямо здесь.
SmartProg2 | Универсальный программист | Ельнец
Наличие на складе: 49 | Больше изображений Больше изображений Больше изображений Цена: 450 долларов США.00
Elnec полностью понимает потребности заказчиков, программирующих большие объемы, для которых стоимость адаптеров является одним из наиболее важных компонентов затрат. Поэтому политика Elnec предлагает:
- фиксированная скидка при покупке 4+ адаптеров определенного типа,
- индивидуальная скидка для количества 8+ в зависимости от типа адаптера и требуемого количества. Чтобы получить предложение 8+, нажмите здесь: Запросить цену
Универсальный программатор с поддержкой ISP
Краткое описание:- 37642 поддерживаемых устройств от 254 производителей на 3.
63 версия SW (26.11.2020) - маленький, быстрый и мощный универсальный программатор
- Разъем DIL40 ZIF, устройства в корпусе DIL до 40 контактов поддерживаются без адаптеров
- разъем для внутрисхемного программирования (ISP)
- подключение к ПК: USB-порт
- Полная скорость USB 2.0 и совместимость с USB 1.1
- удобная и простая в использовании программа управления, работает со всеми версиями MS Windows от Windows XP до Windows 10 (32-бит и 64-бит)
- бесплатное обновление ПО, скачать из Интернета
- блок питания, кабель и программное обеспечение в комплекте
- производство Словакия
- гарантия — 3 года
- одобрен лабораторией CE на соответствие требованиям CE
Доступные аксессуары:
Характеристики
ОБЩЕЕ
- SmartProg2 — это следующий член нового поколения универсальных программаторов Elnec на базе MS Windows (от Windows XP до Windows 10, 32-разрядных и 64-разрядных).
Programmer создан для удовлетворения потребностей лабораторий разработки и инженеров в универсальном, но портативном программаторе. - SmartProg2 — это небольшой, быстрый и мощный программатор для всех типов программируемых устройств. Используя встроенный разъем для последовательного программирования ( ISP ), программист может программировать микросхемы, поддерживающие ISP, внутри схемы. SmartProg2 — это не только программатор, но и статический тестер ОЗУ .
- Обеспечивает очень конкурентоспособную цену с отличным дизайном оборудования для надежного программирования.Приятно «соотношение цены и качества» в этом классе.
- Очень быстрое программирование благодаря высокоскоростному оборудованию на базе FPGA и полноскоростному порту USB 2.0.
- SmartProg2 взаимодействует с любыми IBM PC-совместимыми персональными компьютерами под управлением ОС MS Windows через порт USB (2.
0 HigSpeed) , что важно для новых компьютеров без LPT-портов (например, ноутбуков).
АППАРАТНОЕ ОБЕСПЕЧЕНИЕ
- 40 мощных пиндриверов TTL обеспечивают H / L / pull_up / pull_down и возможность чтения для каждого контакта сокета.Усовершенствованные pindrivers включают высококачественную высокоскоростную схему для доставки сигналов без выброса или отскока земли для всех поддерживаемых устройств.
- Программист выполняет тест вставки устройства (неправильное положение устройства в розетке) и проверку контакта (плохой контакт между контактами и розеткой) перед программированием каждого устройства. Эти возможности, поддерживаемые проверкой байтов подписи , помогают предотвратить повреждение микросхемы из-за ошибки оператора.
- Когда требуется спецификация программирования, программист (SmartProg2) выполняет программирование , проверка на граничном уровне напряжения питания, что, очевидно, повышает производительность программирования и гарантирует длительное хранение данных.

- Различные адаптеры программирования доступны для управления устройством в PLCC, SOIC, SSOP, TSOP, TSSOP, TQFP, QFN (MLF) и других пакетах.
ПРОГРАММНОЕ ОБЕСПЕЧЕНИЕ
- Программатор управляется простой в использовании программой управления с выпадающими меню, горячими клавишами и интерактивной справкой. Выбор устройства осуществляется по его классу, производителю или просто путем ввода фрагмента названия производителя и / или номера детали.
- Стандартные команды , относящиеся к устройству (чтение, пустая проверка, программа, проверка, стирание), расширены некоторыми тестовыми функциями (тест вставки, проверка байтов подписи) и некоторыми специальными функциями (автоинкремент).
- Поддерживаются все известные форматы данных. Автоматическое определение формата файла и преобразование во время загрузки файла.
- Богатая функция автоинкремента позволяет назначать индивидуальные серийные номера каждому запрограммированному устройству — или просто увеличивает серийный номер, или функция позволяет считывать серийные номера или любые запрограммированные идентификационные подписи устройства из файла.

SmartProg — Универсальный программатор | Ельнец
SmartProg
Снятый с производства продукт.Замена: SmartProg2.
Универсальный программатор с поддержкой ISP
Краткое описание:- маленький, быстрый и мощный универсальный программатор
- Разъем DIL40 ZIF, устройства в корпусе DIL до 40 контактов поддерживаются без адаптеров
- разъем для внутрисхемного программирования (ISP)
- подключение к ПК — параллельный (принтерный) порт
- высокоскоростной интерфейс порта принтера IEEE 1284, до 1 МБ / с. Скорость передачи
- удобная и простая в использовании программа управления, совместимая с Windows 95/98 / Me / NT / 2000 / XP
- Бесплатное обновление ПО, скачать из Интернета
- блок питания, кабель и программное обеспечение в комплекте
- производство Словакия
- гарантия — 3 года
- одобрен лабораторией CE на соответствие требованиям CE
Доступные аксессуары:
Примечание: см.
Также программатор SmartProg2, который имеет идентичные функции, но подключение к ПК через порт USB.Характеристики
ОБЩЕЕ
- SmartProg является следующим представителем нового поколения универсальных программаторов Elnec на базе Windows 95/98 / ME / NT / 2000 / XP. Programmer создан для удовлетворения потребностей лабораторий разработки и инженеров в универсальном, но портативном программаторе.
- SmartProg — это небольшой, быстрый и мощный программатор всех типов программируемых устройств. Используя встроенный в схему разъем для последовательного программирования ( ISP ), программист может программировать микросхемы, поддерживающие ISP, внутри схемы.SmartProg — это не только программатор, но и статический тестер ОЗУ .
- Обеспечивает очень конкурентоспособную цену с отличным дизайном оборудования для надежного программирования. Приятно «соотношение цены и качества» в этом классе.
- Очень быстрое программирование.
благодаря высокоскоростному оборудованию на базе FPGA и поддержке высокоскоростного параллельного порта IEEE1284 (ECP / EPP). - SmartProg взаимодействует с IBM-совместимым ПК, портативным или настольным персональным компьютером через любой стандартный параллельный (принтерный) порт (специальная интерфейсная карта не требуется).Поэтому вы можете взять программатор и перенести его на другой ПК без сборки / разборки ПК.
ОБОРУДОВАНИЕ
- 40 мощных пиндриверов TTL обеспечивают H / L / pull_up / pull_down и возможность чтения для каждого контакта гнезда. Усовершенствованные pindrivers включают высококачественную высокоскоростную схему для доставки сигналов без выброса или отскока земли для всех поддерживаемых устройств. Драйверы выводов работают с напряжением до 1,8 В, поэтому вы будете готовы программировать весь спектр современных современных низковольтных устройств.
- Программист выполняет тест вставки устройства (неправильное положение устройства в розетке) и проверку контакта (плохой контакт между контактами) перед тем, как программировать каждое устройство.
Эти возможности, поддерживаемые проверкой байтов подписи , помогают предотвратить повреждение микросхемы из-за ошибки оператора. - Программатор SmartProg выполняет программирование , верификацию на предельном уровне напряжения питания , что, очевидно, повышает производительность программирования и гарантирует длительное хранение данных.
- Доступны различные преобразователи сокетов для работы с устройствами в пакетах PLCC, SOIC, SSOP, TSOP, TSSOP, TQFP, QFN (MLF) и других.
ПРОГРАММНОЕ ОБЕСПЕЧЕНИЕ
- Программист управляется простой в использовании программой управления с выпадающими меню, горячими клавишами и онлайн-справкой. Выбор устройства осуществляется по его классу, производителю или просто путем ввода фрагмента названия производителя и / или номера детали.
- Стандартные команды , относящиеся к устройству (чтение, пустая проверка, программа, проверка, стирание), расширены некоторыми тестовыми функциями , (проверка вставки, проверка байтов подписи) и некоторыми специальными функциями (автоинкремент).

- Поддерживаются все известные форматы данных. Автоматическое определение формата файла и преобразование во время загрузки файла.
- Многофункциональная функция автоинкремента позволяет назначать индивидуальные серийные номера каждому запрограммированному устройству — или просто увеличивает серийный номер, или функция позволяет считывать серийные номера или любые запрограммированные идентификационные подписи устройства из файла.
- Программное обеспечение также предоставляет много информации о запрограммированном устройстве.Специально предоставляется чертеж всех доступных пакетов . Программное обеспечение также предоставляет объяснение маркировки микросхем (значение префиксов и суффиксов на микросхемах) для каждого поддерживаемого чипа.
- Программное обеспечение предоставляет полную информацию для реализации ISP: описание контактов разъема ISP для выбранного в данный момент чипа, рекомендуемый целевой дизайн для внутрисхемного программируемого чипа и другую необходимую информацию.

ЗАБОТА О КЛИЕНТАХ
- Важно помнить, что для поддержки большинства новых устройств требуется только обновление программного обеспечения из-за аппаратного обеспечения SmartProg.С помощью нашей оперативной службы вы можете добавить новое устройство в список поддерживаемых устройств в течение нескольких часов! Подробнее см. Службу AlgOR (алгоритм по запросу).
- Бесплатные обновления программного обеспечения доступны для загрузки с нашего WEB-сайта.
- Keep-Current и AlgOR — наш следующий шаг на пути к удовлетворению потребностей клиентов.
- Услуга Keep-Current означает, что Elnec поставляет клиенту последнюю версию программного обеспечения для программатора и обновленную пользовательскую документацию (пакет Keep-Current).Сервис Keep-Current — это ваша беспроблемная гарантия того, что вы выполняете программирование высочайшего качества на программистах Elnec с минимальными затратами.
- Служба AlgOR (алгоритм по запросу) дает пользователю инструмент для воздействия на количество и типы запрограммированных устройств по мере необходимости.

- Усовершенствованный дизайн программатора SmartProg, а также тщательное изготовление и прожиг позволяет нам предоставить трехлетнюю гарантию на детали и работу программиста (ограниченная гарантия на 25 000 циклов на разъем ZIF).
Спецификация
ОБОРУДОВАНИЕ
Программист
- два цифро-аналоговых преобразователя для VCCP и VPP, регулируемое время нарастания и спада
- Диапазон VCCP 2V..7V / 350mA
- Диапазон VPP 2V..25V / 200mA
- Порт подчиненного принтера IEEE 1284 на базе FPGA, скорость передачи до 1 МБ / с
- автокалибровка
- возможность самотестирования
Розетка ЗИФ, отвертка
- 40-контактный разъем DIL ZIF (Zero Insertion Force) для подключения обоих устройств 300/600 мил до 40 контактов
- pindriver: 40 pindriver TTL, специализированный pindriver GND / VCC / VPP
- Драйвер TTL на основе FPGA обеспечивает H, L, CLK, подтягивание и опускание на всех выводах pindriver; уровень H выбирается из 1.
От 8В до 5В - проверка целостности: каждый вывод проверяется перед каждой операцией программирования
Разъем ISP
- 10-контактный штекер с фиксатором пропуска
- 5 пиндриверов TTL, обеспечивает H, L, CLK, подтягивание и опускание; Уровень H выбирается от 1,8 В до 5 В для работы со всеми устройствами (включая низковольтные).
- 1x напряжение VCCP (диапазон 2V..7V / 100mA) (* 1) и 1x VPP напряжение (диапазон 2V..25V / 50mA)
- программируемое напряжение микросхемы (VCCP) с возможностью как источника / потребителя, так и измерения напряжения
- (* 1) — программатор не может запитать целевую систему с вывода VCCP.Если у вас есть такой спрос, воспользуйтесь программатором BeeProg
TL866 High Performance Universal Programmer
Пожалуйста, проверьте новую запись об обновлении на форуме
Версия: V10.05 —2020.3.26
1. ADDISSI25xxx
Интел 28Fxxx TSOP48 / TSOP56
ISSI29GLxxxx TSOP48 / TSOP56 / BGA48 / BGA64
Поддержка XGecu T56 : 21482 шт.
(+260 шт.) TL866II Plus Поддержка: 15918 шт. (+66 шт.)
2. Исправить некоторые известные ошибки.
Версия: V10.02 —2020.3.20
1. ADDПоддержка XGecu T56 : 21222 шт. (+ 271шт)
TL866II Plus Поддержка: 15852
2. Исправьте некоторые известные ошибки.
Версия: V10.01 —2020.3.16
1. ADD(T56 и TL866II Plus) Huahong Bh35xxx
Опора XGecu T56 : 20951 шт.
TL866II Plus Поддержка: 15852
2. ИСПРАВЛЕНО:
(T56) SST27SFxx / SST39VFxxx Ошибка набора Pindect
SAMSUNG: ошибка идентификатора K9F1G08U0B
Версия: V10.00 —2020.3.14
1.T56 ПоддерживаетсяПоддержка микросхемы XGecu T56 : 20917 шт.
TL866II Plus IC Поддержка: 15821
2.Исправлены некоторые известные ошибки。
Версия: V9.16 Поддержка: 15821-2020.1.9
1. ДОБАВИТЬ:HN58C256AP MR45V032A MR45V064B MR45V256A
MR44V064B MR44V100A
2.Исправлены известные ошибки。
Исправлено: MT29F4G08ABAEA pagsize set
Исправлено: установлен размер страницы MT29F8G08ABAEA.

Версия: V9.00 Поддержка: 15808—2019.10.22
1. В V9.00 было сделано много оптимизации.2. Недавно добавлено около 300 поддерживаемых чипов. (Пожалуйста, проверьте список поддерживаемых)
3. Исправьте некоторые известные ошибки.
Версия: V8.51 Поддержка: 15511—2019.5.13
ДОБАВИТЬ: FMND1G08U3D @ TSOP48 FMND1G08U3J @ TSOP48FMND2G08U3D @ TSOP48 FMND2G08U3J @ TSOP48
PSU1GA30AT @ TSOP48 PSU1GA30BT @ TSOP48
PSU1GA30HT @ TSOP48 PSU2GA30BT @ TSOP48
PSU4GA30BT @ TSOP48
MX30LF1208AA @ TSOP48 MX30LF1G08AA @ TSOP48
MX30LF1G18AC @ TSOP48 MX30LF1GE8AB @ TSOP48
MX30LF2G18AB @ TSOP48 MX30LF2G18AC @ TSOP48
MX30LF2G28AB @ TSOP48 MX30LF2G28AC @ TSOP48
MX30LF2GE8AB @ TSOP48 MX30LF4G18AB @ TSOP48
MX30LF4G18AC @ TSOP48 MX30LF4G28AB @ TSOP48
MX30LF4G28AC @ TSOP48 MX30LF4GE8AB @ TSOP48
MX60LF8G18AC @ TSOP48 MX60LF8G28AB @ TSOP48
MX60LF8G28AC @ TSOP48
MT29F1G08AACWP @ TSOP48 MT29F2G08AAA @ TSOP48
MT29F2G08AAB @ TSOP48 MT29F2G08AAC @ TSOP48
MT29F2G08AAD @ TSOP48 MT29F2G08ABAEA @ TSOP48
MT29F2G08ABAGA (2018 + 64) MT29F2G08ABAGA (2048 + 128)
MT29F2G08ABC @ TSOP48 MT29F2G08ABD @ TSOP48
MT29F4G08AAA @ TSOP48 MT29F4G08AAC @ TSOP48
MT29F4G08ABADA @ TSOP48 MT29F4G08ABAEA @ TSOP48
MT29F4G08ABCWC @ TSOP48 MT29F4G08BAB @ TSOP48
MT29F4G08BAC @ TSOP48
ИСПРАВЛЕНО:
1.
Исправлены некоторые другие известные ошибки.Версия: V8.33 Поддержка: 15466—2019.3.25
ДОБАВИТЬ: PIC18F1220 @ DIP18 PIC18F1220 @ SOIC18PIC18F1220 @ SSOP20 PIC18F1320 @ DIP18
PIC18F1320 @ SOIC18 PIC18F1320 @ SSOP20
PIC18LF1220 @ DIP18 PIC18LF1220 @ SOIC18
PIC18LF1220 @ SSOP20 PIC18LF1320 @ DIP18
PIC18LF1320 @ SOIC18 PIC18LF1320 @ SSOP20
ИСПРАВЛЕНО:
1.Алгоритм SST89E516RD2.
2. Регистр состояния GD25Q32C / 64C / 128C.
3. Исправлены некоторые другие известные ошибки.
Версия: V8.30 Поддержка: 15458—2019.1.21
ДОБАВИТЬ: GD25B128C ACE25QC160G ACE25QC320G ACE25QC128GИСПРАВЛЕНО:
1. При программировании NAND Flash становится стабильнее.
2. Настройка формата файла конфигурации PIC12F509 BIN.
3. Настройте интерфейс подсказок адаптера, который станет более интуитивным и удобным.
4. Добавьте старую версию драйвера Microsoft WINUSB, чтобы устранить проблему, связанную с невозможностью установки драйвера на отдельную XP.
5. Исправлены ошибки определения вывода некоторых микросхем.
6. Исправлены другие известные ошибки.
Версия: V8.11 Поддержка: 15429—2018.11.16
ДОБАВИТЬ: ATMEGA8 @ TQFP32 ATMEGA8L @ TQFP32 ATMEGA8A @ TQFP32ATMEGA48 @ TQFP32 ATMEGA48V @ TQFP32 ATMEGA48A @ TQFP32
ATMEGA48PA @ TQFP32 ATMEGA88 @ TQFP32 ATMEGA88V @ TQFP32
ATMEGA88A @ TQFP32 ATMEGA88PA @ TQFP32 ATMEGA168 @ TQFP32
ATMEGA168A @ TQFP32 ATMEGA168PA @ TQFP32 ATMEGA168V @ TQFP32
ATMEGA328 @ TQFP32 ATMEGA328P @ TQFP32 ATMEGA328PB @ TQFP32
Поддержка ПИН-кода для адаптера ПИН-кода с TQFP32 на DIP32 напрямую.Перепланировка всех наконечников адаптеров микросхем.
И использование более удобное, более наглядное.Версия: V8.08 Поддержка: 15411—2018.10.30
ДОБАВИТЬ: ATF16LV8C ATF16LV8CZ ATF16LV8CEXTSST26VF032B
ИСПРАВЛЕНО: SST26VF064B
Версия: V8.07 Поддержка: 15401—2018.10,23
ДОБАВИТЬ: ATF16V8C ATF16V8CZ ATF16V8CEXTATF22V10C ATF22V10C (ЕЭС) ATF22V10CEXT
ATF22V10CQ ATF22V10CQ (ЕЭС)
ATF22V10CQZ ATF22V10CQZ (ЕЭС)
ATF22V10CZ ATF22V10CZ (ЕЭС)
Версия: V8.05 Поддержка: 15360—2018.10.20
ДОБАВИТЬ: ATF20V8B ATF20V8BL ATF20V8BQ ATF20V8BQLATF22V10B ATF22V10BL ATF22V10BQ ATF22V10BQL
следующий шаг: добавлю больше микросхем PLD.
ИСПРАВЛЕНО: GAL22V10B M95320W M95128W
ВЕРСИЯ: V8.02 Поддержка: 15315 —2018.10.16
ИСПРАВЛЕНО: алгоритм PIC16C54C.Версия: V8.01 Поддержка: 15315 —2018.10.9
ИСПРАВЛЕНО: алгоритм M48T58Y.Версия: V8.00 Поддержка: 15315 — 2018.09.29
ДОБАВИТЬ: Контроллер EC KB9010 / KB9012 / KB9016 / KB9018 / KB9022функция программного обеспечения может быть улучшена, и размер окна может быть увеличен.
ИСПРАВЛЕНО: некоторая известная ОШИБКА.
Версия: V7.38 Поддержка: 15310 — 2018.09.05
ДОБАВИТЬ:ZB25VQ20 / ZB25VQ40 / ZB25VQ80 / ZB25VQ16
/ ZB25VQ32 / ZB25VQ64 / ZB25VQ128 ZB25LQ40 / ZB25D40 / ZB25D80 / ZB25D16 M48T02 / M48T08 / M48T08Y / M48T12 / M48T18 / M48T35AY M48T35AV / M48T58 / M48T58Y / M48T59 / M48T59Y / M48T59V M48T128Y / M48T128V / M48T129Y / M48T129V / M48T512Y M48T512V / M48T513Y / M48T513V
Версия: V7.
35 Поддержка: 15237 — 2018.08.23
ИСПРАВЛЕНО: файлы HEX загружаются ДОБАВИТЬ: DS1265Y DS1265AB
PIC12F1822 PIC12LF1822 PIC16F1823 PIC16LF1823
PIC16F1824 PIC16LF1824 PIC16F1825 PIC16LF1825
PIC16F1826 @ DIP18 PIC16F1826 @ SOIC18 PIC16F1826 @ SSOP20
PIC16LF1826 @ DIP18 PIC16LF1826 @ SOIC18 PIC16LF1826 @ SSOP20
PIC16F1827 @ DIP18 PIC16F1827 @ SOIC18 PIC16F1827 @ SSOP20
PIC16LF1827 @ DIP18 PIC16LF1827 @ SOIC18 PIC16LF1827 @ SSOP20
PIC16F1828 PIC16LF1828 PIC16F1829 PIC16LF1829
Версия: V7.32 Поддержка: 15188 — 2018.07.17
ДОБАВИТЬ: MB85R256HBQ4010YMA / BQ4011YMA / BQ4013YMA / BQ4014YMA / BQ4015YMA
BQ4011LYMA / BQ4013LYMA / BQ4014LYMA / BQ4015LYMA
ИСПРАВЛЕНО: алгоритм DS1245 / DS1250 (чтение и запись)
Версия: V7.
30 Поддержка: 15169 —2018.06.29
ДОБАВИТЬ: GD25Q32C / 64C / 127C / 128C Программирование регистров безопасности OTP Lh38F640BFE-PT Lh38F640BFE-PB TC58NVG0S3ETA00
ИСПРАВЛЕНО: алгоритм чтения регистров безопасности OTP W25QXX
Версия: V7.22 Поддержка: 15156 —2018.06.04
ИСПРАВЛЕНО: алгоритм M27C801ДОБАВИТЬ испанское меню поддерживается
Версия: V7.21 Поддержка: 15156 — 2018.05.15
ИСПРАВЛЕНО: S25FL256S / 512S PIC16C71 / AT29C256 PINDetectДОБАВИТЬ чипы: PIC16F87 / 88 SOIC20
Версия: V7.11 Поддержка: 15144 — 2018.04.17
ДОБАВИТЬ: GD25B32 SO8_SOP16 / GD25B64 SO8_SOP16Fix : Алгоритм DS1220 (RW)
Версия: V7.
10 Поддержка: 15138 — 2018.04.8
Поддерживается немецкий Fix : S24S45 @ SOP8 MX25L6445E Алгоритм
Версия: V7.08 Поддержка: 15138 —2018.03.29
ДОБАВИТЬ : S25FL256S @ SOIC8 S25FL256S @ SOIC16Русский Поддерживается
Fix : MX25L12845E @ SOP16 Algorithm
Версия: V7.07 Поддержка: 15130 — 2018.03.17
ДОБАВИТЬ : IC в 15130Исправить: SST39LF / VFxxxx TSOP48 Функция обнаружения контактов
Исправлено : Автоматический выбор 25 серийных номеров
Версия: V7.05 Поддержка: 15118 — 2018.03.01
Добавить инструкцию на английском языке Версия: V7.03 Поддержка: 15118 — 2018.
02.26
Выпуск TL866II Plus первый.Универсальные программисты
Мой счет- Заказы
Отслеживать мои заказы
Отслеживайте мой заказ (а)
Войти ЗарегистрироватьсяЭл. адрес
Пароль Забыли пароль? Зарегистрируйте новую учетную записьвойти в систему
Запомни меня
Просмотр корзины- Меню
- ГЛАВНАЯ
- ПРОДУКТЫ
- Автоматизированные программисты
- Служба программирования
- СуперБОТ-5
- СуперБот 5x
- SuperBOT-5e
- SuperBOT 6
- СуперБОТ-4
- Просмотреть еще →
- Аксессуары для автоматических программаторов
- Автоматический манипулятор лотков
- Лазерный маркер
- Ленточное устройство
- Ленточное устройство
- Трубка в
- Трубка Out
- Просмотреть еще →
- Универсальные программаторы IC
- SuperPro 7500
- SuperPro 6100N
- SuperPro x108
- SuperPro 610P
- Восстановленные программисты
- Производственные программисты
- SuperPro 7504
- SuperPro 6104NGP
- SuperPro X108
- SuperPro 7500
- Продукты, снятые с производства
- Программисты ISP
- SuperPro IS01
- SuperPro IS416
- SuperPro IS03
- SuperPro XPS02
- Автоматизированные программисты


Ее поддерживают по моему вообще все прошивающие программы и оболочки. В том числе и разные среды разработки вроде CVAVR. Надежная и простая, как кувалда, схема. Недостаток один — нужен LPT порт, который ныне редкость.
Перед приобретением следует убедиться, что программатор соответствует рекомендациям компании производителя микросхемы;
А также же если вышли новые микросхемы после обновления не потребуется приобретать новый прибор. Перед покупкой следует уточнить как обновить устройство и сколько это будет стоить. Что касается обновления, то некоторые производители заявляют о возможности бесплатного обновления и, как правило, это правда. Но стоит знать, что со временем сама модель программатора устаревает и обновления на нее не будут загружаться, что в любом случае приведет к потребности приобрести новый;


63 версия SW (26.11.2020)
Programmer создан для удовлетворения потребностей лабораторий разработки и инженеров в универсальном, но портативном программаторе.
0 HigSpeed) , что важно для новых компьютеров без LPT-портов (например, ноутбуков).

благодаря высокоскоростному оборудованию на базе FPGA и поддержке высокоскоростного параллельного порта IEEE1284 (ECP / EPP).
Эти возможности, поддерживаемые проверкой байтов подписи , помогают предотвратить повреждение микросхемы из-за ошибки оператора.


От 8В до 5В
35 Поддержка: 15237 — 2018.08.23
30 Поддержка: 15169 —2018.06.29
10 Поддержка: 15138 — 2018.04.8
02.26 