Какие схемы лампового задающего генератора наиболее эффективны для радиопередатчика. Как правильно сконструировать и настроить ламповый генератор для стабильной работы. Какие особенности нужно учитывать при выборе компонентов генератора.
Принцип работы лампового задающего генератора
Задающий генератор является ключевым узлом любого радиопередатчика. Он формирует колебания несущей частоты, которые затем усиливаются и модулируются в последующих каскадах. От стабильности частоты задающего генератора во многом зависит качество работы всего передатчика.
В ламповых конструкциях задающий генератор обычно выполняется по одной из следующих схем:
- Трехточечная схема с емкостной обратной связью
 - Схема с индуктивной (трансформаторной) обратной связью
 - Схема Клаппа
 - Кварцевый генератор
 
Рассмотрим основные особенности и преимущества этих схем для использования в радиопередатчике.
Трехточечная схема с емкостной обратной связью
Эта классическая схема отличается простотой и надежностью. Ее основные элементы:

- Лампа (триод или пентод в триодном включении)
 - Колебательный контур LC
 - Конденсаторы обратной связи
 
Обратная связь создается за счет емкостного делителя напряжения, образованного конденсаторами C1 и C2. Частота генерации определяется параметрами контура LC.
Преимущества схемы:
- Простота настройки
 - Возможность перестройки в широком диапазоне частот
 - Устойчивая работа
 
Недостатки:
- Невысокая стабильность частоты
 - Чувствительность к изменениям напряжения питания
 
Схема с индуктивной обратной связью
В этой схеме обратная связь создается за счет индуктивной связи между катушками в контуре и цепи сетки лампы. Основные элементы:
- Лампа (триод или пентод)
 - Колебательный контур с катушкой индуктивности
 - Катушка обратной связи
 
Преимущества схемы:
- Высокая выходная мощность
 - Устойчивая работа на высоких частотах
 
Недостатки:
- Сложность настройки обратной связи
 - Невысокая стабильность частоты
 
Схема Клаппа
Схема Клаппа является модификацией трехточечной схемы и обеспечивает более высокую стабильность частоты. Ее особенности:

- Использование трех конденсаторов в цепи обратной связи
 - Слабая связь контура с лампой
 - Высокая добротность контура
 
Преимущества:
- Высокая стабильность частоты
 - Малое влияние изменений режима лампы
 - Низкий уровень гармоник
 
Недостатки:
- Сложность настройки
 - Невысокая выходная мощность
 
Кварцевый генератор
Кварцевый генератор обеспечивает максимальную стабильность частоты за счет использования пьезоэлектрического резонатора. Основные элементы:
- Лампа
 - Кварцевый резонатор
 - Цепи обратной связи
 
Преимущества:
- Очень высокая стабильность частоты
 - Простота настройки
 - Нечувствительность к внешним воздействиям
 
Недостатки:
- Работа только на фиксированной частоте
 - Высокая стоимость кварцевых резонаторов
 
Особенности конструкции лампового задающего генератора
При конструировании лампового задающего генератора для радиопередатчика необходимо учитывать следующие важные моменты:
- Выбор качественных компонентов с минимальным температурным дрейфом параметров
 - Жесткое крепление всех элементов для исключения микрофонного эффекта
 - Экранирование генератора для защиты от внешних наводок
 - Стабилизация напряжений питания лампы
 - Использование качественных конденсаторов в контуре (слюдяных или керамических)
 - Применение катушек с высокой добротностью
 
При тщательном соблюдении этих требований можно добиться высокой стабильности частоты даже для простых схем генераторов.

Настройка лампового задающего генератора
Процесс настройки лампового генератора включает следующие основные этапы:
- Проверка работоспособности схемы и наличия генерации
 - Установка требуемой частоты генерации
 - Подбор оптимального режима лампы по постоянному току
 - Оптимизация связи генератора с нагрузкой
 - Проверка стабильности частоты при изменении напряжения питания
 
Для точной настройки частоты генератора необходим частотомер. Также полезно контролировать форму выходного сигнала с помощью осциллографа.
Выбор оптимальной схемы для радиопередатчика
При выборе схемы задающего генератора для конкретного радиопередатчика следует учитывать следующие факторы:
 Требуемый диапазон рабочих частот- Необходимая стабильность частоты
 - Допустимый уровень побочных излучений
 - Требуемая выходная мощность
 - Сложность настройки и эксплуатации
 
Для простых конструкций вполне подойдет трехточечная схема с емкостной обратной связью. Если нужна повышенная стабильность — лучше использовать схему Клаппа. Для работы на фиксированных частотах оптимальным выбором будет кварцевый генератор.

Повышение стабильности частоты задающего генератора
Для повышения стабильности частоты лампового задающего генератора можно применить следующие меры:
- Использование термостатирования генератора
 - Применение высокостабильных конденсаторов с малым ТКЕ
 - Стабилизация всех напряжений питания
 - Использование кварцевой стабилизации
 - Применение системы фазовой автоподстройки частоты
 
При комплексном подходе можно добиться стабильности частоты на уровне 10^-6 — 10^-7, что вполне достаточно для большинства применений.
Задающие генераторы на лампах
Белов UB5XD. Принципиальная схема такого передатчика изображена на рисунке. Катушки индуктивности L1, L2, L3— по 2,5 мкн. Данные катушки L3 для разных диапазонов следующие:. Настройка передатчика крайне проста и производится в таком порядке. Подключают к передатчику антенну и питание и устанавливают конденсатор С5 на максимум его емкости; затем изменением емкости конденсатора С7 добиваются уменьшения анодного тока, что будет служить признаком настройки анодного контура в резонанс с частотой кварца или с одной из его гармоник.
Поиск данных по Вашему запросу:
Задающие генераторы на лампах
Схемы, справочники, даташиты:
Прайс-листы, цены:
Обсуждения, статьи, мануалы:
Дождитесь окончания поиска во всех базах.
По завершению появится ссылка для доступа к найденным материалам.
Содержание:
- Аппаратно-студийно-передающий комплекс радиостанции «Зеленый глаз»
 - Схемы задающих ВЧ генераторов для использования в радиопередатчиках
 - Радиопередатчики
 - Высокостабильный задающий генератор
 - Please turn JavaScript on and reload the page.
 - Лучшие схемы в работе
 - Радио, приемники, литература и т.д.
 - Самодельный СВ передатчик на лампах «Студент»
 
ПОСМОТРИТЕ ВИДЕО ПО ТЕМЕ: Шарманка на Г807
Аппаратно-студийно-передающий комплекс радиостанции «Зеленый глаз»
Репутация: 0 Статус: Offline. Прикрепления:  Сообщение отредактировал Rel x — Пятница,  Продажа, Ремонт, Покупка, Обьявления и иные услуги. Вторник,  Страница 1 из 1 1. Модератор форума: Nikityan. Схемы свободных операторов 1. Ламповые АМ КВ передатчики. Дата: Вторник,  Пиратские частоты: -Диапазон частот кГц используется в основном в режиме АМ, как для ведения двусторонних радиопередач, так и для ведения аудиовещания.
Их баражируют как зарубежные, так и Российские пираты. Это ночной диапазон. При большом количестве операторов, в канале, используется расстройка на кГц и шире. Это тоже ночная частота. Иногда слышны пробы наших пиратов. Это дневная частота, иногда слышны пробы наших пиратов. Расстройка на кГц также как на кГц так же используется.
Возвращаясь назад Расстройка на кГц также как на кГц, кГц и кГц, так же используется. Зарубежные пиратские станции — более активны во время уикэндов, хотя их радиопередачи можно услышать в будними вечерами, время от времени.
Увеличение активности — по воскресеньям утром, когда довольно много станций могут быть найдены в эфире. Другое удачное время — поздно вечером в пятницу и в субботу после полудня. Определить точное время и частоты не возможно из-за переменной природы радиопередач. Так, где можно услышать Пиратов? Список ниже дает самый популярный диапазон частот: — ; — ; — ; — ; — ; — кГц. Радиопередачи могут также быть найдены между: — kHz.
На указанных частотах работать запрещено!!!! Добавлено Итак переходим к практическим схемам. Две схемы шарманок. Во всех приведенных схемах необходимо использовать постоянные конденсаторы с рабочим напряжением не менее вольт. Емкость электролитических конденсаторов не критична, но желательно не меньше указанных на схеме. Выходной трансформатор можно использовать от любого лампового радиоприемника или телевизора. А вот в схеме на рис.
Эта обмотка является нагрузкой выходной микросхемы УНЧ. Генераторы на рис. Для освоения диапазона 3 мГц потребуется уменьшить экспериментально количество витков катушки. Из приведенных схем видно, что можно использовать разное сочетание ламп и самостоятельно экспериментировать. Подойдет трансформатор мощностью 50 — 60 ватт. Теперь об антенне…Вот тут, друзья, трудно что-то посоветовать конкретно: у кого какие возможности.
Но следуя старому лозунгу «чем длиннее — тем слышнее», вы не ошибетесь. Для примера возьмем частоту кГц или 1. И помните, с увеличением длины антенны, возрастает её усиление, что заметно сказывается на дальности связи.
А можно взять готовую конструкцию у легалов, например Inv-Vee и пересчитать её на свой диапазон. Главное нужно понять, что самый лучший усилитель — это хорошая антенна. Схемы ламповых передатчиков «хулиганских свободных » диапазонов 1,9 — 3 МГц. L1 — каркас диам. L2 — каркас диам. Др1 — СП2Вт, 0,18 мм, 5 секций по вит.
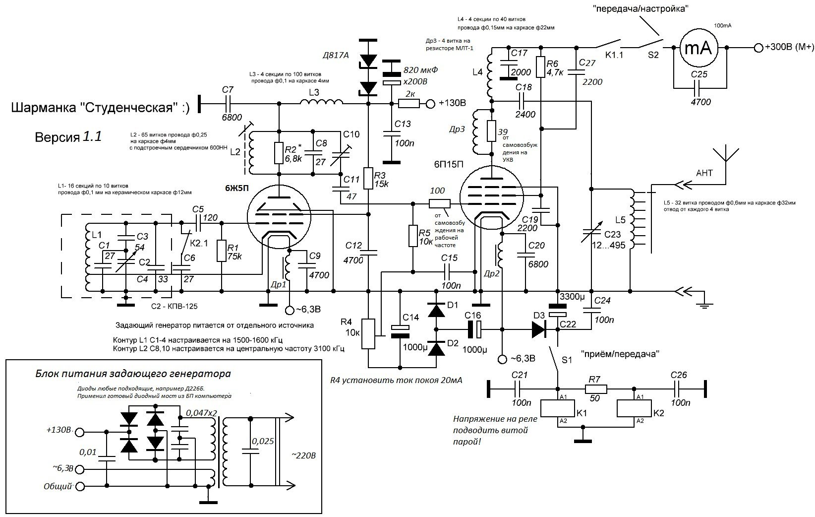
Др2 — форфоровый каркас диам. Др2 — 5 секций, по витков, 0,2 — ПЭВ. АМ передатчик для диапазона 2. Задающий генератор собран по емкостной трехточечной схеме на лампе 6Ж9П со стабилизированным, с помощью стабилитрона КСА, питанием. Он генерирует в диапазоне 1. На лампе 6П15П собран каскад удвоения частоты, его нагрузкой служит параллельный колебательный контур, где выделяется гармоника задающего генератора 2. Дальше сигнал подается на управляющую сетку выходного каскада собранного на лампе ГУ Одновременно выходной каскад модулируется по экранной сетке катодным повторителем схема ранее была приведена.
Нагрузкой выходного каскада является П-контур,который также служит для согласования с антенной и ослабления высших гармоник которые часто создают помехи теле- и радиовещанию.
В анодной цепи выходного каскада стоит миллиамперметр, по анодному току можно производить настройку выходного каскада и наблюдать изменение анодного тока при модуляции. Настройка производится в такой последовательности: 1 контур удвоителя настраивается в резонанс, что показывает максимум анодного тока; 2 дальше настраивается П-контур в резонанс переменным конденсатором С20, по минимальному анодному току; 3 связь с антенной подбирается переменным конденсатором С21,не забывая подводить резонанс с помощью переменного конденсатора С Плок питания Прикрепления: Rel x.
Дата: Пятница, Вопрос такой — меня интересует на какой диапазон расчитанно предлагаемое вами согласующее устройство? Дата: Понедельник, Дата: Воскресенье, Антенна диполь Добавлено В выходном оконечном каскаде передатчика в качествеVL3 можно применить лампы 6п44с.
Катушка L1. Катушка L2 диаметром 40мм и содержит 60 витков провод ПЭВ-2 диаметр 1. Дроссели Др1-Др2 имеют по секций. Др4 диаметром 20ммвитков виток к витку провод.
Здесь мало работает народу. Режим только только АМ. Передатчики у всех разные, на что у кого денег хватит. Ну а кто и самопальными довольствуется.
Работают в основном с АМ. Пустующие эфирные просторы позволяют пока АМ использовать. Ну а качество — кто на что горазд. Но каждый хочет сделать как лучше слышно, не задумываясь о спектре.
Очень хорошее прохождение зимой. Можно работать на веревку и 5Вт на всю Россию. Так что на протяжении суток связь возможна только в пределах дальности действия поверхностных волн.
Высок и уровень атмосферных помех. В ночное время доступен радиообмен на более длинных трассах, причем наилучшие условия дальнего распространения КВ следует ожидать зимой.
В нормальной ситуации нет мертвых зон. В данной полосе радиоволны распространяются во многом так же, как и в соседнем средневолновом диапазоне.
 В дневное время связь устанавливается лишь на сравнительно коротких расстояниях, так как метровые волны сильно поглощаются слоем D ионосферы. Зимой радиус действия несколько больше, чем летом, и доходит до км. Затухание уменьшается, и дальность растет по мере захода Солнца.
В ночные часы радиус действия может превышать км и более, если не мешают соседние станции и сильные атмосферные помехи в летнее время.
Схемы задающих ВЧ генераторов для использования в радиопередатчиках
T Участник с ноя Москва Сообщений: Интересует вопрос универсального контура задающего генератора на низкочастотные диаппазоны 1. Знаю людей которые делают контура с язычками и бегают по ним крокодильчиками. В данный момент работает задающий генератор на 6п3с и контура намотаного на охотничем патроне,кол-во витков не знаю,рабочий диаппазон 1. Кто что посоветует,как правильно сделать колебательный контур чтобы он работал от 1.
Задающий генератор собран по емкостной трехточечной схеме на лампе 6Ж9П со.
 стабилизированным, с помощью стабилитрона.
Радиопередатчики
Автор: Прокофьев Алексей Александрович. Простая схема АМ КВ передатчика на любительский диапазон 3 МГц для начинающего радиолюбителя: подробное описание работы и устройства. Предлагаемая схема передатчика не содержит дефицитных деталей и легкоповторима для начинающих радиолюбителей, делающих свои первые шаги в этом увлекательном, захватывающем увлечении. Передатчик собран по классической схеме и имеет неплохие характеристики. Многие, вернее сказать, все радиолюбители начинают свой путь именно с такого передатчика. Сборку нашей первой радиостанции целесообразно начать с блока питания, схема которого приведена на рисунке Трансформатор блока питания можно применить от любого старого лампового телевизора.
Высокостабильный задающий генератор
Схема передатчика на лампе 6Н8С и Г В качестве дросселей высокой частоты Др1 и Др2 могут быть применены подходящие по конструкции и количеству витком многослойные катушки например, катушки с намоткой «Универсаль», предназначенные для длинноволнового диапазона радиовещательного приемника с индуктивностью 2—2,5 мгн.
 Микрофон угольный. Все данные указаны на схеме и на рисунке. Схема трансивера на 1.
Схема мне попалась по рассылке не помню откуда. Она хоть и древняя, еще на лампах, но идею отражает хорошо:.
Please turn JavaScript on and reload the page.
Будучи еще студентами, развлекались мы тем, что генерировали электромагнитные волны СВ диапазона и модулировали их по амплитуде. Естественно нелегально. А попросту говоря — строили с другом ламповые радиопередатчики и выходили на них в эфир на СВ диапазоне. Но, в то время ламповые приемники уже стали отходить в небытие и классическая народная приставка — шарманка на 6п3с , подключаемая к звуковому каскаду лампового приемника была уже не актуальна. То есть, не имея дома лампового приемника , для выхода в эфир нужен был полноценный радиопередатчик , а не приставка. Полупроводники были в дефиците, а вот радиоламп было завались — кругом полно как грязи.
Лучшие схемы в работе
Передатчик начинающего спортсмена, предназначен для работы в любительском метровом диапазоне как телефоном с амплитудной модуляцией AM , так.
 Выходная мощность передатчика — около 5 Вт при работе на активную нагрузку сопротивлением 50 Ом. Выходной контур обеспечивает удовлетворительное согласование передатчика с антенной, входное сопротивление которой может быть в пределах 50… Ом. Передатчик начинающего спортсмена состоит из задающего генератора колебаний высокой частоты, удвоителя частоты генератора, усилителя мощности и модулятора. Питание передатчика осуществляется от сети переменного тока напряжением или В через трансформатор с двухполупериодным выпрямителем. Для повышения стабильности частоты колебаний генератора напряжение на экранирующей сетке этой лампы стабилизировано газоразрядным стабилитроном СГ2П. Контур генератора образуют катушка L1 и конденсаторы С  Конденсатором переменной емкости С 12,1, входящим в контур, частоту колебаний генератора изменяют в пределах … кГц.
В данный момент работает задающий генератор на 6п3с и контура . Обьясните все-таки, как подключать к лампе кварц и какие.
Радио, приемники, литература и т.
 д.Задающие генераторы на лампах
Одной из важнейших задач, возникающих при конструировании коротковолнового передатчика, является получение высокого постоянства частоты генерируемых им колебаний. Стабильность частоты передатчика тем выше, чем меньше изменяются параметры колебательного контура его задающего генератора при повышении или понижении температуры, чем слабее влияет на резонансную частоту контура изменение режима работы подключённой к нему лампы и чем больше добротность этого контура круче его фазовая характеристика. Чтобы изменения междуэлектродных ёмкостей лампы возможно меньше влияли на частоту генерируемых колебаний, можно увеличить ёмкость контура. Поясним это на примере генератора с самовозбуждением, выполненного по схеме с ёмкостной обратной связью рис.
Самодельный СВ передатчик на лампах «Студент»
За последние два года в США получили большое распространение генераторы с так называемой электронной связью. Эти генераторы первоначально предназначались для стабилизации частоты передатчиков, но в настоящее время проникли почти во все отрасли радиотехники.
Аппаратно-студийный комплекс.
Регистрация Забыли пароль? Передатчик состоит из следующих блоков: задающий генератор; буферный каскад; выходной каскад; модулятор. Задающий генератор собран по схеме емкостной трехточки на лампе 6П44С. Контурная катушка намотана на каркасе диаметром 20 мм, проводом диаметра 0,8мм, 40 витков. Задающий генератор выполнен на транзисторе VT1 типа КТ
Выходной каскад передатчика обеспечивает получение вт в телеграфном и вт в телефонном режимах. Питание передатчика производится от сети переменного тока напряжением или в.
Высокостабильный задающий генератор
Радио, 1953, №6.
Одной из важнейших задач, возникающих при конструировании коротковолнового передатчика, является получение высокого постоянства частоты генерируемых им колебаний. Стабильность частоты передатчика тем выше, чем меньше изменяются параметры колебательного контура его задающего генератора при повышении или понижении температуры, чем слабее влияет на резонансную частоту контура изменение режима работы подключённой к нему лампы и чем больше добротность этого контура (круче его фазовая характеристика).
Чтобы изменения междуэлектродных ёмкостей лампы возможно меньше влияли на частоту генерируемых колебаний, можно увеличить ёмкость контура. Поясним это на примере генератора с самовозбуждением, выполненного по схеме с ёмкостной обратной связью (рис. 1). Ёмкость контура здесь складывается из ёмкости двух последовательно соединённых конденсаторов С1, С2 и междуэлектродных ёмкостей лампы: Сас — между её анодом и управляющей сеткой, Сск — между управляющей сеткой и катодом и Сак — между анодом и катодом.
 Увеличение или уменьшение междуэлектродных ёмкостей, имеющее место при изменениях (режима работы лампы, колебаниях температуры или механических сотрясениях, изменяет (резонансную частоту контура. Чем больше будут ёмкости конденсаторов С1 и С2, тем меньшим получится относительное отклонение ёмкости контура от среднего значения и, следовательно, тем меньше будет уход частоты генерируемых колебаний.
Рис. 1. Трёхточечная схема самовозбуждающегося генератора с ёмкостной обратной связью.
Однако этот метод повышения стабильности частоты не может дать хороших результатов, так как увеличение ёмкости контура ведёт к уменьшению его добротности (на заданной частоте добротность контура получается тем большей, чем больше его индуктивность и меньше ёмкость).
Каким же образом можно ослабить влияние изменения междуэлектродных ёмкостей лампы на частоту генерируемых колебаний, не увеличивая общей ёмкости контура? Это можно сделать, включив последовательно с делителем напряжения С1С2, составленным из конденсаторов относительно большой ёмкости, третий конденсатор С3 сравнительно небольшой ёмкости (рис.
 2). При этом общая ёмкость контура уменьшится, добротность его получится высокой, а влияние междуэлектродных ёмкостей лампы на частоту генерируемых колебаний будет ослаблено, так как эти ёмкости будут подключены параллельно к большим ёмкостям С1 и С2, и изменение междуэлектродных ёмкостей не вызовет заметного изменения общей ёмкости контура.
К достоинствам рассмотренной схемы относится также и то, что содержание гармоник в генерируемых ею колебаниях весьма мало. Объясняется это следующим. Переменная составляющая анодного тока лампы проходит от её анода к катоду одновременно по двум путям, первым из которых является конденсатор С1, а вторым — цепь, состоящая из последовательно соединённых конденсатора С3, катушки L и конденсатора С2. С повышением частоты сопротивление конденсатора С1 уменьшается, а цепи C3LC2 увеличивается, так как в неё входит катушка L сравнительно большой индуктивности. Вследствие этого в цепь C3LC2 ответвляется лишь незначительная часть тока гармонических составляющих.
Напряжение на управляющую сетку лампы снимается с конденсатора С2. Так как с повышением частоты ослабевает ток в цепи C3LC2 и одновременно уменьшается сопротивление конденсатора С2, напряжение гармоник, подводимое к управляющей сетке лампы, оказывается весьма малым. Таким образом, в этой схеме обратная связь для гармоник получается очень слабой, вследствие чего они имеют небольшие амплитуды.
Рис. 2. Трёхточечная схема самовозбуждающегося генератора с ёмкостной обратной связью и дополнительной малой ёмкостью С3
Схема рис. 2 отличается от схемы рис. 1 ещё и тем, что в ней из-за наличия конденсатора С3 колебательный контур LC1C2C3 слабо связан с лампой (на управляющую сетку лампы подаётся лишь незначительная часть высокочастотного напряжения, образующегося на этом контуре). Вследствие этого при больших ёмкостях конденсаторов С1 и С2 значительно снижается отдаваемая генератором мощность.
Стабильность частоты колебаний, создаваемых генератором, собранным по схеме рис.
 2, при хорошем его конструктивном выполнении очень высока, и с влиянием на частоту изменений питающих напряжений практически можно не считаться. Чтобы высокая стабильность частоты сохранялась в течение длительного времени, ёмкость С3 желательно составлять из двух-трёх конденсаторов, один из которых следует брать с отрицательным температурным коэффициентом. Установка нужной частоты обычно производится изменением ёмкости С3.
Чтобы уменьшить влияние нагрузки на задающий генератор, последующую ступень обычно делают апериодической или ставят в режим удвоения частоты, причём напряжение смещения лампы этой ступени подбирают таким, чтобы она работала без сеточных токов.
Ослабление влияния изменений междуэлектродных ёмкостей лампы на частоту колебаний может быть достигнуто и в трёхточечной схеме с автотрансформаторной обратной связью (рис. 3) подключением лампы к части витков контурной катушки. При этом междуэлектродные ёмкости оказываются присоединёнными параллельно не всему контуру, а к части его, вследствие этого их изменения и будут меньше влиять на частоту.
 Однако схема рис. 3 по сравнению со схемой рис. 2 обладает существенным недостатком, заключающимся в том, что вследствие наличия в ней индуктивного делителя напряжения коэффициент обратной связи, а вместе с тем и содержание гармоник увеличиваются с ростом частоты (в противоположность схеме рис. 2). По этой причине стабильность частоты колебаний в этой схеме получается несколько ниже, чем в предыдущей (частота больше зависит от изменений питающих напряжений).
При конструировании задающего генератора по схеме рис. 2 нужно учитывать, что на конденсаторе С3, входящем в делитель напряжения С1С2С2, падает наибольшая часть напряжения; поэтому напряжение, подводимое к управляющей сетке лампы, может оказаться недостаточным для самовозбуждения генератора. Для облегчения самовозбуждения следит применять контурную катушку с возможно большей добротностью.
Рис. 3. Трёхточечная схема самовозбуждающегося генератора с автотрансформаторной связью
Для уменьшения вносимых потерь катушку следует выполнять на керамическом каркасе из голого медного провода и располагать её на достаточно большом расстоянии (не менее одного её диаметра) от экранов.
 Чтобы индуктивность катушки возможно меньше изменялась при колебаниях температуры, её следует наматывать с сильным натяжением, нагревая при этом провод до температуры 70-100°С. При выполнении задающего генератора на частоты 0,85 и 1,7 мГц для повышения добротности контура катушку можно намотать из литцендрата. В этом случае для уменьшения зависимости индуктивности катушки от температуры её нужно наматывать с натяжением, а затем её витки приклеить к каркасу раствором полистирола в нитробензоле.
Если генератор не самовозбуждается, следует увеличивать ёмкость С3, уменьшая соответственно ёмкости С1 и С2. Однако такое изменение указанных ёмкостей снижает устойчивость частоты генерируемых колебаний.
Рис. 4. Практическая схема задающего генератора с высокой стабильностью частоты
На рис. 4 приведён вариант практической схемы задающего генератора, отличающийся высокой стабильностью частоты. Здесь анод лампы заземлён для высокочастотной составляющей с помощью конденсатора С7.
 Напряжение на вход следующей ступени снимается с высокочастотного дросселя Др индуктивностью в 3-5 мГн, включённого в цепь катода лампы. Конденсаторы С4 и С5 служат для компенсации температурного коэффициента частоты генератора. Индуктивность контурной катушки должна выбираться с таким расчётом, чтобы суммарная ёмкость конденсаторов С3, С4 и С5 не превышала 100-150 пф. В последней схеме можно применить триод 6С2С или пентоды 6Ж4, 6Ж8 и др. в триодном включении.
Л. Александров
BACK
Глава шестая аппаратура для радиоспорта
6-1. KB радиостанции, передатчики и их элементы
Автоматический переключатель. И. Адамковский
Устройство, освобождающее оператора радиостанции от ручного переключения и традиционного слова «прием». Оно позволяет также работать дуплексом без опасения попадания на вход приемника мощного сигнала от собственного передатчика.
 Переключатель при
переходе с «приема» на «передачу»
вначале Отключает приемник, спустя 6—7
мсек включает передатчик, а при переходе
с «передачи» на «прием» сначала отключает
передатчик, затем спустя 6—1 мсек
включает приемник.
Переключатель управляется непосредственно передаваемым звуковым сигналом. В схеме его две лампы: 5Ф1П и 6П18П.
В помощь радиолюбителю. Изд-во ДОСААФ, 1966. Вып. 26. Стр. 26—34.
Передатчик первой категории. А. Камалягин
Семнадцатиламповый передатчик для работы телеграфом незатухающими колебаниями, телефоном с амплитудной модуляцией на одной боковой полосе без подавления несущей (AM) и с подавлением несущей частоты (SSB). Диапазоны: 3,5; 7; 14; 21 и 28 Мгц. Мощность на всех диапазонах 200 вт. Конструкция состоит из четырех блоков, в которых смонтированы: возбудитель, выходной каскад (работает на лампе ГУ-13 в режиме АВ2), усилитель НЧ и устройство автоматики, выпрямитель питания.
 Передатчик
может работать с малой выходной мощностью
(15—17 вт
на
всех диапазонах и 10 вт
в
диапазоне 28 Мгц). В этом случае работа
ведется непосредственно от предвыходного
каскада (Г-807).
Имеется устройство для автоматического включения и выключения передатчика голосом.
Манипуляция телеграфом осуществляется с помощью электронного реле.
Описан порядок налаживания передатчика, указаны подробные данные катушек и основные режимы работы ламп.
1. «Радио», 1966, 1, 18—20.
2. «Pадио», 1966, 2, 19—20.
Повышение эффективности радиотелефонии. Т. Томсон
Описан метод повышения эффективности передатчиков при работе в телефонном режиме, названный методом с амплитудным ограничением огибающей (АОО). Рассмотрены два способа; ограничение огибающей ВЧ сигнала с последующей фильтрацией комбинационных частот и ограничение НЧ сигнала в усилителе НЧ модулятора.
Второй способ универсален: он применим в любом AM или SSB передатчике.
 «Радио», 1966, 8,
19—20.
 
Пьезокварцевые резонаторы. Л. Глюкман
Познавательный материал о кварцевых резонаторах, служащих для стабилизации частоты в схемах задающих генераторов, и практические схемы кварцевого генератора (с лампой 6Ж1П), в котором могут работать пьезокварцевые резонаторы с частотой от 1 до 25 Мгц, и квар-
цевого калибратора, состоящего из кварцевого генератора и лампового детектора.
«Радио», 1966, 11, 40—42.
Транзисторные устройства, управляемые голосом. И. Коняшов
Основное использование — автоматическое переключение радиостанции с приема на передачу. Такие устройства также могут найти применение для автоматического включения различных приборов и агрегатов (например, при управлении по радио моделями самолетов и кораблей), а также для преобразования звуковых сигналов в световые.
 Устройства
отличаются простотой схемы (рис.
 6-1)
(четыре транзистора: три П13 и один
П16А), высокой чувствительностью, имеют
небольшие размеры.
«Радио», 1966, 7, 40.
Коаксиальное реле. С. Бунимович, В. Ошкадеров
Описано реле, предназначенное для включения в коаксиальные линии с определенным волновым сопротивлением. Геометрические размеры основных токонесущих частей этих реле выбираются так, чтобы их характеристические волновые сопротивления не отличались от таких же сопротивлений фидерных линий.
Конструкция реле, в течение года эксплуатировавшегося на радиостанции В. Ошкадерова, имеет характеристическое сопротивление 75 ом. Ослабление напряжения, обеспечиваемого реле между выходом передатчика и входом приемника, не менее 40 дб.
В статье указаны данные, необходимые для выполнения реле к наиболее распространенным типам коаксиальных кабелей с волновым сопротивлением 52, 60 и 75 ом.
 «Радио», 1967,  11,
56—57.
 
Манипулятор для передатчика. Р. Таршиш
Манипулятор дает возможность управлять передатчиком голосом при включенном громкоговорителе, а также вести связь дуплексом, применяя одну антенну для приема и передачи. Контроль собственной передачи возможен при работе как телеграфом, так и телефоном.
Манипулятор двухламповый (6Н1П и 6Н6П). Электронный переключатель антенны собран на лампе 6Н3П.
«Радио», 1967, 3, 22—23.
Передатчик третьей категории. Г. Джунковский, Я. Лаповок
Передатчик может работать на частотах 3,5—3,65 Мгц (80-метровый любительский диапазон) и 7,0—7,1 Мгц (40-метровый диапазон) только телеграфом с мощностью 10 вт.
Передатчик двухкаскадный. В задающем генераторе использована лампа 6П1П, а в усилителе мощности — 6П13С.
«Радио», 1967, 10, 17—20 и стр. 2 вкладки.
 Переключатель
прием — передача.
  В.  Поцелуев
Автор предлагает вместо педального переключателя смонтировать кнопку включения передатчика в ручке телеграфного ключа.
«Радио», 1967, 2, 29.
Повышение эффективности передатчика при AM. В. Криворучко, В. Солопов
Описание устройства, подключаемого к модулятору передатчика, для сжатия динамического диапазона. Оно состоит из микрофонного усилителя (П13Б), регулируемого каскада (6КЗ), регулирующего каскада (на одном триоде лампы 6Н2П) и ограничителя.
«Радио», 1967, 2, 28—29.
Радиостанция первой категории. Г. Джунковский, Я. Лаповок
Блок-схема радиостанции приведена на рис. 6-2. Во время приема работают каскады, соединенные между собой сплошными линиями в порядке, указанном стрелками, а во время передачи — каскады, соединенные пунктиром.
 Диапазоны
частот: 3 500—3 850; 7 000—7 100; 14 000—14 350; 21
000—21 450; 28 000—29 700 кгц.
 Режимы работы: SSB
с
ALC
(телефон)
SSB
без
ALC
(ALC —
автоматическая регулировка уровня
сигнала), телефон, CW
(телеграф).
Выходная мощность передатчика 120—140 в/п. В радиостанции 18 ламп, 35 полупроводниковых диодов и 3 газонаполненных прибора.
1. «Радио», 1967, 5, 18—21.
2. «Радио», 1967, 6, 17—18 и стр. 1 вкладки.
3. «Радио», 1967, 7, 26—29.
Экспериментальный QRP-передатчик. И. Цапив
Простейший двухламповый (6ПЗС, 6П7С) передатчик для экспериментальных связей на KB любительских диапазонах при малой мощности.
«Радио», 1967, 4, 20—21.
Автоматический телеграфный ключ на транзисторах. А. Долгий
 В ключе применены
элементы импульсной техники и логических
схем. Скорость передачи регулируется
от 50 до 200 знаков в 1 мин.
В схеме использованы восемь транзисторов. Ключ показал высокую надежность в работе.
«Радио», 1968, 4, 52—53
Бесподстроечные контуры для передатчиков. В. Кустов
Даны порядок расчета бесподстроечных контуров и таблица числа витков катушек, рассчитанных для сопротивления анодной нагрузки 3 900 ом, волнового сопротивления фидера 50 ом и каркаса диаметром 25 мм.
«Радио», 1968, 8, 51—52.
Микрофонный усилитель для эффективной AM. В. Поляков
Транзисторный трехкаскадный (МП39Б и два МП40) усилитель, в котором применено ограничение речевого сигнала.
Преимущества усилителя заметны во время приема радиостанции в условиях помех, повышается «дальнобойность» радиостанции.
«Радио», 1968, 6, 28—29.
Модулятор на транзисторе
 Устройство на
одном транзисторе для модуляции ВЧ
сигнала.
«Радио», 1968, 1, 57.
Модулятор CLC. С. Панчугов
Описание модулятора, эксплуатировавшегося длительное время на двух радиостанциях. Качество модуляции оценивалось корреспондентами положительно.
«Радио», 1968, 2, 40.
Оконечный каскад на ГУ-33Б. А. Шадский
ГУ-33Б — мощный металлостеклянный генераторный лучевой тетрод с принудительным охлаждением. Лампа эта выгодно отличается от ламп ГУ-13 и ГК-71 высокой крутизной, малой мощностью накала (31 вт), меньшими габаритами и высокой предельной частотой Приводятся схема и данные деталей оконечного каскада. Даны советы, как осуществить принудительное охлаждение лампы (вентилятор) и как предотвратить возможность появления паразитной генерации (в схеме с заземленным катодом) из-за высокой крутизны.
 На радиостанции
автора в течение 7 лет работает одна и
та же лампа ГУ-33Б, не ухудшив своих
качеств.
 Эта лампа открывает большие
возможности перед радиоспортсменами.
«Радио», 1968, 6, 27—28.
Система управления передатчиком. И. Казанский
На радиостанции автора применяется система управления, предельно упрощающая переход с приема на передачу и обратно.
Имеется также возможность производить настройку передатчика на частоту корреспондента автоматически одновременно с настройкой приемника.
«Радио», 1968, 2, 39.
Транзисторный «VOX». P. Бойцов
Транзисторное (три транзистора МП26Б) устройство управления радиостанцией голосом оператора.
«Радио», 1968, 12, 18.
Транзисторный генератор, стабилизированный кварцем
 Маломощный
генераторный каскад — емкостная
трехточка и буферный каскад —
эмиттерный повторитель — устройство,
способное стабильно работать в диапазоне
частот до 100 Мгц.
«Радио», 1968, 2, 58.
Управление коллективной радиостанцией. Б. Рыжавский
Для большей оперативности во время соревнований на коллективной радиостанции надо свести к минимуму время на поиски очередного корреспондента. Это достигается за счет одновременной работы двух операторов. Каждый оператор имеет свой приемник, сигнал второго гетеродина которого через катодный повторитель поступает на возбудитель и свой пульт управления.
«Радио», 1968, 10, 24.
Широкополосное симметрирующее устройство. Р. Бойцов
В заметке приведен рисунок с данными симметрирующего устройства, используемого на радиостанции автора.
Устройство состоит из двух отрезков коаксиального кабеля, намотанных симметрично.
«Радио», 1968, 5, 41.
 Электронный
ключ.
 С.
Панчугов
Ключ состоит из одного транзистора, поляризованного реле РП-4, двух потенциометров, двух конденсаторов, двух резисторов и одного диода.
Несмотря на его предельную простоту, ключ обеспечивает четкую работу на скоростях до 160 знаков в 1 мин
«Радио», 1968, 8, 52.
Электронный манипулятор. Ю. Григорьянц
Манипулятор собран на одном транзисторе и работает в ключевом режиме. Управление манипулятором производится телеграфным ключом или контактами реле электронного ключа.
«Радио», 1968, 8, 48.
6-2. KB приемники и их элементы
Новый KB-приемник
Блок-схема и объяснение работы любительского связного приемника, сконструированного двумя чешскими коротковолновиками.
В нем оригинально решена проблема стабильности приема и устранения помех по зеркальному каналу
 Диапазон приемника
0,5—30 Мгц.
«Радио», 1966, 11, 58.
Спортивный KB приемник. П. Демидасюк, С. Матлин.
Шестиламповый супергетеродин для всех любительских диапазонов (80, 40, 20, 14 и 10 м). Каждый диапазон растянут на всю шкалу. Во время приема телеграфных сигналов чувствительность на любом из диапазонов не хуже 0,8 мкв, а при телефонном приеме — 0,2 мкв.
Первая промежуточная частота — 1 600 кгц, вторая — 110 кгц. Лампы — пальчиковые- 6К4П, 6И1П (две) 6К4П, 6Ф3П и 6К4П
Питание осуществляется от сети переменного тока. Потребляемая мощность 45 вт. Описание рассчитано на начинающих радиоспортсменов.
1. «Радио», 1966, 9, 18—22.
2. «Радио», 1966, 10, 17—22 и стр 2 вкладки (Детали, конструкция, налаживание )
KB приемник с панорамным индикатором. Р. К. Луиштаитис.
 Приз
на XXII
ВРВ.
 Приемник высококвалифицированного
коротковолновика Его конструктор —
участник и призер всех литовских
республиканских радиовыставок, бессменный
председатель конструкторской секции
ФРС Литовской ССР.
В схеме приемника 21 электронная лампа и электроннолучевая трубка 8Л029. Передняя панель его показана на рис. 6-3.
Приемник предназначен для приема радиосигналов и просмотра Их формы В нем шесть поддиапазонов. 3,5—3,65, 7,0—7,1, 14,0—14,35, 21,0—21,45, 28,0—29,0 и 29,0—29,7 Мгц.
В приемнике применена самодельная общая оптическая шкала настройки, перекрывающая диапазон 1 Мгц. Шкала имеет 1 000 делений (цена одного деления равна 1 кгц).
Чувствительность приемника при полосе пропускания 3 кгц и соотношении сигнал/шум 3:1 не хуже 4 мкв.
Выходная мощность приемника не менее 0,5 вт.
 Питание осуществляется
от сети переменного тока напряжением
220 в; потребляемая мощность не более 80
вт, вес 15 кг.
1. «Радио», 1967, 10, 22—25.
2 «Радио», 1968, 2, 61. (Режимы работы ламп).
Рис 6-3.
Q-умножитель. А. Бачинекий.
Популярные среди радиоспортсменов Q-умножители (регенеративные усилители) обычно делались в виде приставки, включаемой параллельно контуру преобразователя. Данная конструкция представляет собой специальный узел приемника. В схеме умножителя использована лампа 6Н3П. Умножитель позволяет подавлять желаемый спектр частот практически полностью (до уровня шума).
«Радио», 1967, 7, 29—30.
Калибратор для связного приемника. Б. Степанов.
 Предлагаемый
калибратор состоит из основного
генератора на лампе 6Ж1П, частота которого
стабилизирована кварцевым резонатором,
и мультивибратора (6Н1П), работающего в
автоколебательном режиме с внешней
синхронизацией от основного генератора.
«Радио», 1968, 10, 26—27.
Простой S-метр. Ю. Алиферьев
Прибор для оценки силы сигнала в системе RST. В общем случае он представляет собой мостовую схему, одним из плеч которой является •внутреннее сопротивление лампы, меняющееся в зависимости от велиЧины напряжения АРУ на ее сетке Измерительный прибор включается в диагональ моста.
Конструкция в заметке не описана.
«Радио», 1968, 7, 21.
Универсальный S-метр. Р. Гаухман.
Для объективной оценки силы принимаемого сигнала предлагается S-метр, не зависящий от системы АРУ. Добавление его к приемнику не требует переделок в монтаже.
В схеме S-метра используются транзистор МП41, диод Д226Д и прибор типа М-20 или ПМ-70.
«Радио», 1968, 12, 34.
6-3. УКВ радиостанции, передатчики и их элементы
 Радиостанция
начинающих укавистов.
  В. А. Ломанович
Радиостанция предназначена для ведения двусторонних связей в диапазоне частот 28—29,7 Мгц.
В передатчике использованы лампы 6Ж4 и две 6П9, а в приемнике — 6Ж4 и 6Н8С. Питается радиостанция от отдельного выпрямителя.
В. Г. Борисов, Ю. М. Отряшенков «Юный радиолюбитель» изд. 4-е. Изд-во «Энергия», 1966. МРБ. Стр. 380—402.
Радиостанция на 28—29,7 Мгц. Б. Антощук
Пятикаскадный передатчик. Работает в режиме частотной и амплитудной модуляции. Вместе с амплитудным модулятором, собранным в отдельном блоке, передатчик имеет 14 ламп. Задающий генератор и первый удвоитель работают на лампе 6П9, второй удвоитель тоже работает на лампе 6П9, буферный каскад — лампа ГУ-32, выходной каскад—две лампы ГУ-29, включенных по двухтактной схеме. В частотном модуляторе используются лампы 6Н9С и 6Х6С, а в амплитудном — 6Н9, две 6Н8 и четыре 6П3С.
 Номинальная
выходная мощность 50 вт Приемник
десятиламповый супергетеродин (6Ж3, две
6Ж4, три 6К4, 6Е5С, 6Ж8, 6П6С и СГ4).
Блок питания имеет семь транзисторов, два газотрона ВГ-236, два кенотрона 5Ц3С, стабилитрон СГ4С и вентилятор.
В помощь радиолюбителю. Изд-во ДОСААФ, 1966. Вып 27. Стр. 13—32.
Радиостанция на 430—436 Мгц. Б. Карпов
Предназначена для двусторонней симплексной связи в полевых условиях. Собрана по трансиверной схеме. В радиостанции применен общий ВЧ гетеродин (лампы 6Ж10П и 6Н3П), работающий во время приема и передачи.
Всего в радиостанции работают 12 ламп, 9 транзисторов и 13 полупроводниковых диодов.
Модулятор передатчика двухкаскадный. Предварительный каскад работает на транзисторе П201, а выходной — на четырех транзисторах П202. В преобразователе приемника применены два транзистора П202.
 Радиостанцию можно
питать от одной щелочной аккумуляторной
батареи 5НКН-100 и трех сухих батарей
102АМЦ-у-1,0 (БАС-80-у-1,0).
«Радио», 1966, 5, 24—25, 28 и стр. 2—3 вкладки.
УКВ радиостанция. В. А. Ломанович
Предназначена для двусторонней радиосвязи на 28—29,7 Мгц. Рассчитана на начинающего радиолюбителя. В передатчике работают три лампы: 6Ж4 и две 6П9. Приемник 1—V—1.
«Хрестоматия радиолюбителя» Изд 4-е, Иэд-во «Энергия», 1966. МРБ Стр 312—316
Приставка на 430—440 Мгц. Э. Кувалдин, В. Чернышев
Двухкаскадная приставка на лампах ГС-4 позволяет, имея передатчик на 144 Мгц, работать также в диапазоне 430—440 Мгц, причем передатчик переделке не подвергается. Передатчик с приставкой отдает мощность 5 вт.
«Радио», 1967, 4, 15—16 и стр. 1 вкладки.
Карманная УКВ радиостанция. В. В. Плотников, В. С. Xмарцев, В. И. Жданов
 Передатчик и
приемник работают на фиксированной
частоте 28,765 Мгц, стабилизированной
кварцем.
Радиостанция транзисторная, внешний вид ее показан на рис. 6-4. Приемник — супергетеродин. Передатчик состоит из задающего генератора, предвыходного и выходного каскадов. Усилитель НЧ радиостанции коммутируется на прием и на передачу. В последнем случае он используется для осуществления коллекторной модуляции выходного каскада передатчика. Схема радиостанции показана на рис. 6-5. В ней работают 13 транзисторов. Мощность передатчика в антенне 100 мвт.
Источник питания — аккумулятор 7Д-0.1 или батарея «Крона». Размеры корпуса радиостанции 145 х 83 х 39 мм. Вес радиостанции 550 г. Максимальная дальность связи на открытой местности между двумя однотипными радиостанциями — до 5 км.
«Ежегодник, радиолюбителям. Изд-во «Энергия», 1968. МРБ. Стр. 186—191.
Передатчик начинающего ультракоротковолновика. Г. Джунковский, Я. Лаповок
 Трехламповый
(6П15П, 6П13С, 6Н2П) передатчик с двумя
газоразрядными стабилитронами.
 Предназначен для работы в диапазоне
28—29,7 Мгц телеграфом незатухающими
колебаниями (CW)
и
телефоном с амплитудной модуляцией
(AM).
Мощность,
подводимая к выходному каскаду
передатчика, 10 вт.
Задающий
генератор собран на лампе 6П15П по схеме
с электронной связью. Усилитель мощности
работает на лампе 6П13С. Микрофонный
усилитель двухкаскадный на двойном
триоде 6Н2П
Питание от сети переменного тока напряжением 220 в через два двухполупериодных выпрямителя на диодах.
«Радио», 1968, 1, 14—16 и стр. 1 вкладки.
Переносные радиостанции на 1215—1250 Мгц. А. Бондаренко, Н. Бондаренко
Даны описания двух несложных радиостанций. Первая работает на лампах 12СЗС и 6Ж9П по трансиверной схеме, а вторая — на лампе 6С21Д.
Радиостанции проверены на связь, которая проходила на расстоянии до 12 км.
«Радио», 1968, 3, 17—18 и стр. 2 вкладки.
 Радиостанция
на коаксиальных резонаторах.
  Б.   Карпов
Предназначена для работы в полевых условиях на диапазоне 1 290—1 300 Мгц.
Передатчик на лампе ГС-4В. Модулятор на транзисторах (два П214 и П210Б) Микрофон — угольный. Приемник прямого усиления (усилитель ВЧ —лампа 6С17К, детектор —лампа 6С17К и усилитель НЧ, транзистор МП42). Колебательный контур передатчика представляет собой коаксиальный резонатор с помещенной внутри него лампой. Так как лампа ГС-4В не предназначена для работы в схемах с самовозбуждением, в конструкции резонатора предусмотрена внешняя обратная связь, осуществляемая за счет трех симметрично расположенных петель, проходящих из катодной части резонатора в анодную.
«Радио», 1968, 11, 17—19.
6-4. УКВ приемники, приставки, оснащение «лисолова»
Конвертер на 28,0—29,7 Мгц
 Описание двух
конвертеров: лампового для квалифицированных
коротковолновиков (лампы: 6С3П, 6С4П, 6Ж9П
и 6Ж10П) и транзисторного (рис 6-6) — для
начинающих.
Первая конструкция — В. Егорычева и А. Леонидова, вторая — Р. Иванова.
«Радио», 1966, 12, 19—20.
Приемник на 144—146 Мгц. В. Романенко, Р. Члиянц
Семиламповый супергетеродин, не сложный по схеме (рис. 6-7) и не содержащий дефицитных деталей.
Описание содержит конструктивные данные и методику налаживания.
«Радио», 1966, 10, 23—24.
Приемник для «Охоты на лис». А. Фонарев
Приемник рассчитан для работы на 80-метровом любительском диапазоне. Он работает на шести транзисторах, питается от батареи КБС-Л-0,5. Вес его 350 г.
Хрестоматия радиолюбителя. Изд. 4-е. Изд-во «Энергия», 1966. МРБ. Стр. 316—318.
Приемник для соревнования «Охота на лис» на 3,5 Мгц. Б. Авдеев, С. Львовский
 Пятиламповый
(четыре 1К1П н одна 1А1П) супергетеродин.
Питание от одного элемента 1,58СНМЦ-2,5 и батареи 49-САМЦГ-0.25. Ток, потребляемый цепями накала, 300 ма, анодно-экранными цепями — 6 ма. Вес 600 г.
В помощь радиолюбителю. Изд-во ДОСААФ, 1966. Вып 27. Стр. 3—12.
Приемник начинающего «лисолова»
Диапазон 3,5—3,65 Мгц. Построен по схеме 2—V—3. Усилитель высокой частоты на двух транзисторах П402 Диодный детектор однополупериодный с диодом Д9.
В трехкаскадном усилителе НЧ используются транзисторы МП13.
«Радио», 1966, 3, 22 и стр. 2 вкладки.
Простой супергетеродин.
 Приемник для
«Охотников на лис». Работает в диапазоне
80 м. Имеет апериодический усилитель ВЧ
(транзистор П402), гетеродин (транзистор
П402), преобразователь (П402), каскадный
усилитель ПЧ (два транзистора П402),
однополупериодный детектор с диодом
Д9 и трехкаскадный усилитель НЧ (три
транзистора МП13).
В приемнике применена ферритовая антенна. Даются указания по налаживанию.
«Радио», 1966, 3, 22—23 и стр. 3 вкладки
Простой тонально модулированный генератор для тренировок на 80 м.
Генератор монтируется в небольшой металлической коробке и используется на тренировках как «лиса» без оператора, которою можно хитро спрятать.
В схеме всего два транзистора. В генераторе НЧ использован транзистор П13. Он модулирует ВЧ генератор, в котором использован транзистор П402. С антенной высотой 10—15 м передатчик слышно в радиусе 100—400 м. (в зависимости от чувствительности приемника).
«Радио», 1966, 3, 23—24 и стр. 3 вкладки.
Простой передатчик на 80-метровый диапазон. А. Гречихин
 Представляет собой
автогенератор с электронной связью на
лампе 6П14П. Модулятор (6П14П) с анодно-экранной
модуляцией Анодные цепи передатчика
питаются от аккумуляторной батареи
через вибро-преобразователь.
«Радио», 1966, 3, 24 и стр. 3 вкладки.
Трехдиапазонный приемник для «Охоты на лис». Г. Ипатьев
Транзисторный приемник, в котором к блоку ПЧ и НЧ, содержащему два каскада ПЧ (П403), диодный детектор и трехкаскадный усилитель НЧ (три П13А), присоединяется через штепсельный разъем нужный блок ВЧ. Сменных блоков ВЧ — три. Каждый настроен на один из диапазонов, применяемых в «Охоте на лис» (3,5, 28 и 144 Мгц). В блоке на 3,5 Мгц (три транзистора П403) применены ферритовая и штыревая антенны, а в блоке на 28 Мгц (один транзистор П410, два — П403) — рамочная и штыревая антенны.
ВЧ блок на 144 Мгц имеет двойное преобразование частоты. Он содержит четыре транзистора П410 и один П403.
Все блоки смонтированы печатным способом.
«Радио», 1966, 4, 17—19 и стр. 2—3 вкладки.
 Автоматические
«Лисы».
Л.  Шлиппер,    А.
 Терещенко
Во время соревнований и тренировок по «Охоте на лис» уже на расстоянии 10 м «лису» легко обнаружить по голосу. Кроме того, операторы часто неточно выдерживают время циклов работы, что приводит к одновременной работе двух «лис».
Предлагаемая автоматизация работы «лис» исключает эти недостатки.
Управление пятью передатчиками «лис» производится пятью командами. Для передачи команд на старте устанавливается передатчик сигналов управления, несущая частота которого модулируется пятью поднесущими частотами, разнесенными на 250 гц друг от друга.
 При помощи
автоматического датчика команд каждая
поднесущая частота подается на модулятор
передатчика сигналов управления в
течение времени работы той или иной
«лисы». Передача, принятая находящимся
в месте расположения «лисы» приемником
сигналов управления, преобразуется
в посылки постоянного тока, которые
включают передатчик «лисы» и
подключенный к нему диктофон, на
магнитной ленте которого записаны
сигналы «лисы».
«Радио», 1967, 3, 18—19 и стр. 2—3 вкладки.
АРУ в «лисоловах». А. Васецкий.
Ферритовые антенны приемников для «Охоты на лис» не имеют резко выраженного максимума диаграммы направленности, что затрудняет поиск по наибольшей громкости сигнала. Облегчает такой поиск применение специальной АРУ, которая состоит из двух одновременно работающих систем: медленной (МАРУ) и быстрой (БАРУ). В результате их работы наблюдается заметное увеличение слышимости «лисы». Максимум диаграммы направленности антенны (при ее резких поворотах) совпадает с точным направлением на «лису».
Предлагается транзисторная схема двух систем АРУ.
«Радио», 1967, 8, 25.
Если нет «лисы». В. Борисов
 Ввиду того, что в
подавляющем большинстве школ, домов
пионеров и клубов юных техников нет
радиопередатчиков, популярные соревнования
«Охота на лис» среди юных радиолюбителей
не стали массовыми.
Автор предлагает обойтись без передатчиков, используя в качестве ориентира на условную «лису» передачи радиовещательной станции. В этом случае для проведения соревнований «Охота на лис» нужны только транзисторные приемники с ферритовыми или рамочными антеннами.
«Радио», 1967, 7, 49-51 и стр. 4 вкладки.
«Лисолов» на 3,5 Мгц. А. Акимов
Описание одного из приемников, удостоенного специального приза журнала «Радио» за лучшие конструкции.
Приемник транзисторный. Он содержит усилитель ВЧ (П416), преобразователь (П416) с отдельным гетеродином (П403), двухкаскадный усилитель ПЧ (два П403), диодный детектор (Д9В) и двухкаскадный усилитель НЧ (два П15).
 Прием
телеграфных сигналов при дальнем поиске
может происходить с помощью второго
гетеродина (П403), а при ближнем поиске —
звукового генератора (два П16). В общем
футляре с основным находится простой
приемник прямого усиления, настроенный
на местную [   хорошо слышимую станцию.
 Он служит радиокомпасом в антрактах I
 работы «лисы».
Питание — четыре аккумулятора Д-0,2 напряжением 5 в.
«Радио», /967, /, 29—31.
Портативный передатчик. С. Матлин (конструкция А. Фонарева)
Трехламповый передатчик для работы в диапазоне 144—146 Мгц. Лампы: 1Ж29Б (задающий генератор), 1П24Б (усилитель мощности). Модулятор — обычный релаксационный генератор с неоновой лампой МН-3.
Дальность действия передатчика при работе с типовым приемником для «Охоты на лис» около 800 м. Питание осуществляется от двух батарей КБС-Л-0,5.
Преобразователь напряжения для питания анодно-экранных цепей и модулятора выполнен на двух транзисторах П15.
Выпрямитель собран по мостовой схеме.
«Радио», 1967, 7, 26—28.
Приемник начинающего «лисолова». Н. Петухов
 Супергетеродин с
направленной антенной (восемь
транзисторов).
 Работает на 80-метровом
диапазоне, весит 700 г. Чувствительность
50 мкв/м. Потребляет 6—10 ма. Имеет
стабилизатор базового напряжения;
выполненный на трех кремниевых
стабилитронах. Имеются указания по
налаживанию.
«Юный техник», 1967, 2, 52—56.
Приемник для «охоты на лис». Ю. Таютин
Транзисторный супергетеродин с диапазоном от 27,9 до 29,8 Мгц, оснащенный рамочной и штыревой антеннами.
В схеме использованы семь транзисторов (П410, два П403, два П401 и два П13). Детекторный каскад на полупроводниковом диоде Д9Б.
Приемник смонтирован печатным способом. Потребляет ток от 15 ма. Питание от аккумулятора 7Д-0.1.
«Радио», 1967, 3, 20—21 и стр. 1 вкладки.
Транзисторные «лисы». С. Матлин, А. Соловьев
 Описание четырех
простых транзисторных передатчиков:
двух, рассчитанных для работы в диапазоне
3,5 Мгц и 29,07 Мгц, и карманного передатчика,
работающего на частоте 144 Мгц.
«Радио», 1967, 2, 30—32 и стр. 1 вкладки.
Индикатор для «лисолова». П. Кувайнен
Индикатор представляет собой несимметричный мультивибратор на транзисторах, позволяющий точно определить направление на «лису» и примерное расстояние до нее в режиме ближнего поиска. Индикатор проверен в ряде соревнований.
«Радио», 1968, 2, 39-40.
Конвертер на 144—146 Мгц. Ю. Коршунов
Конвертер шестиламповый (две 6С4П, 6Ж9П три 6Ж1П), предназначен для работы со связным приемником, имеющим диапазон 18— 20 Мгц.
«Радио», 1968, 7, 21—22.
«Лисолов» на 3,5 Мгц с радиокомпасом. В. Ситнов
Краткое описание супергетеродина с шестью транзисторами (четыре П402 и два П16).
В приемнике имеется радиокомпас.
 «Радио»,  1968, 3,
24—25.
 
«Лисолов» на 144—146 Мгц. А. Акимов
В конструкцию «лисолова» входят: транзисторный УКВ приемник, работающий в диапазоне 143—147 Мгц, антенна направленного действия и приемник прямого усиления ДВ и СВ диапазонов, имеющий поворотную магнитную антенну, с которой он используется как радиокомпас.
В «лисолове» 13 транзисторов и 5 диодов Источник питания — аккумуляторная батарея из пяти элементов типа Д-0,12.
«Радио». 1968, 3, 22—24.
На «лис» по азимуту. А. Гречихин
В статье для юных спортсменов о соревнованиях по упрощенной программе приведено описание простого и экономичного приемника для работы в диапазоне 80 м. Приемник с тремя транзисторами (П13 — П15). Он имеет рамочную и штыревую антенны, диодный детектор и трехкаскадный усилитель НЧ
«Радио», 1968, 5, 17—18 и на стр. 3 вкладки.
 Оснащение
 «лисолова».
  А. Белоусов
В статье рассказано о компасе конструкции Андрианова и его переделках, с помощью которых можно проходить по взятому магнитным компасом азимуту в период молчания искомой «лисы».
Описана схема радиокомпаса с четырьмя транзисторами и указано, как им пользоваться.
«Радио», 1968, 10, 25—26.
Приемник для «Охоты на лис» в диапазоне 28—29,7 Мгц.
Приемник прост в изготовлении Не содержит дефицитных деталей. В схеме 8 транзисторов. Схема супергетеродинная. Может быть использован и как связной приемник Чувствительность 1 мкв/м.
Питание от батареи «Крона»
«Ежегодник радиолюбителя» Изд-во «Энергия» 1968. МРБ. Стр. 182—185.
Приемник на 28—29,7 Мгц. В. Ломанович
 Четырехламповый
(6И1П и три 6Ж1П) супергетеродин для приема
телефонных и телеграфных станций Питание
от выпрямителя.
1. «Радио», 1968, 8, 46—48 и стр. 3 вкладки
2. «Радио», 1968, 9, 21—22 (окончание)
Транзисторные устройства в практике радиолюбителей ГДР. Ю. Шуберт
Описание транзисторного пеленгатора для радиолюбителей, начинающих заниматься «Охотой на лис». Пеленгатор состоит из усилителя ВЧ, регенеративного детектора, двух НЧ каскадов и перестраиваемого конвертера на 80-метровый диапазон.
Указаны аналоги отечественных транзисторов.
«Радио», 1968, 1, 29—30.
6-5. Аппаратура для телетайпа и SSB
Кварцевый фильтр для SSB. Г. Зверев
В схеме фильтра четыре кварца. При работе на частотах до 2— 3 Мгц фильтр подавляет вторую боковую полосу до 40—50 дб.
«Радио», 1966, 7, 19—20
 Новый
детектор для CW,
 SSB и AM.
  P.  Гаухман
Критикуя опубликованное под таким заголовком описание детектора смесительного типа в рубрике «За рубежом» («Радио», 1966, № 4), автор предлагает детектор, испытанный на его радиостанции. Приведена схема.
«Радио», 1967, 5, 62.
Повышение эффективности SSB телефонии. А. Москаленко
Дана схема ограничителя по ВЧ с лампой 6К4П. При относительной простоте выполнения этот способ ограничения сигнала дает низкий уровень искажений. Ограничитель повышает громкость сигнала на 1—3 балла.
«Радио», 1967, 3, 23—24.
Система АРУ приемника SSB. В. Чепцов
Описана система АРУ, примененная в трансивере радиостанции автора и пригодная при приеме SSB и обычных AM сигналов.
В качестве катодного повторителя в схеме использована лампа 6Ж5Б.
 «Радио», 1967, 8,
24.
 
SSB-возбудитель на транзисторах. О. Газнюк
Диапазон 28,3—29,3 Мгц. В схеме использованы 12 транзисторов, четыре полупроводниковых диода и два кремниевых стабилитрона.
Напряжение источника питания 12 в, общий потребляемый ток 55 ма.
«Радио», 1967, 12, 20—22.
Тональный генератор для телетайпа. Г. Мисюнас
Предлагается схема, отличающаяся от ранее предложенной С. Бунимрвичем («Радио», 1965, № 11, стр. 49) тем, что генератор может давать модуляцию любой полярности.
«Радио», 1967, 3, 25.
Трехкристальный кварцевый фильтр. В. Фурсенко
В заметке описан кварцевый фильтр, применяемый для формирования SSB сигнала.
«Радио», 1968, 5, 54.
Возбудитель SSB. Н. Ронжин
 Предназначен
для работы одной боковой полосой в
диапазонах 80, 40, 20, 14 и 10 м.
 Может работать
также в качестве передатчика третьей
или второй категории. Сигнал формируется
с помощью электромеханического
фильтра ЭМО-500-ЗВ. Возбудитель состоит
из усилителя НЧ, одного кварцевого
генератора, блока управления генератора
НЧ, одного балансного модулятора (БМ1)
и электромеханического фильтра, усилителя
однополосного сигнала, генератора
плавного диапазона, двух буферных
каскадов, второго балансного модулятора
(БМ2), блока автоматической регулировки
амплитуды сигналов ОБП. В диапазоне 80
м сигнал SSB,
полученный
в БМ2 поступает сразу на последующие
усилители.
Для получения сигналов SSB в диапазонах 40, 20, 14 и 10 м предназначены второй кварцевый генератор и третий балансный модулятор, с выхода которого сигналы SSB поступают на усилители SSB У-2, У-3, У-4.
В возбудителе 15 ламп.
Даются указания по настройке всех каскадов.
В помощь радиолюбителю. Изд-во ДОСААФ, 1968 Вып 29. Стр 21—47
 Опорный
генератор на кварце 1 Мгц.
  М  Ливанский
Для формирования SSB сигнала в генераторе опорной частоты необходим кварц с частотой 500 кгц.
П редлагается схема, в которой в качестве опорного используется кварц на частоту в 1 Мгц.
Схема состоит из генератора (триодная часть лампы 6Ф1П), делителя частоты (диод Д226Б) и усилителя (пентодная часть 6Ф1П).
«Радио», 1968, 11, 64.
6-6. Аппаратура для радиоуправления
На трассе автомодели. А. Дьяков
Даны схемы УКВ передатчика с анодной модуляцией Л. Теплова, приемника по схеме сверхрегенератора с усилителем НЧ, различные схемы дешифраторов и схема бортовой автоматики.
В заключение статьи при ведено краткое описание аппаратуры, установленной на радиоуправляемой модели легковой машины «Комета» (конструктор С. Газачан)
 «Моделист —
конструктор», 1966, 2 41—45.
 
«Оса». Е. Сухов, В. Носков.
Описание радиоуправляемой модели одномоторного моноплана. Передатчик на диапазон 28 Мгц с частотной сеточной модуляцией, двухламповый (две 1П24Б). Приемник выполнен на четырех транзисторах (П403, два П14 и П203)
«Моделист — конструктор», 1966, 2, 25—30.
Секрет десяти каналов. П. Величковский
Описание аппаратуры «Акробат 10» для управления моделью одномоторного самолета.
Передатчик на диапазон 28—28,2 Мгц (12 транзисторов) Приемник работает на четырех транзисторах
«Моделист — конструктор», 1966, 5, 32—35 и стр 2—3 вкладки.
«Сигнал» — однокомандное радиоуправляемое устройство. В. Измайлов, В. Иваха, М. Васильченко.
 Устройство для
управления по радио различными движущимися
моделями В комплект «Сигнала» входят
передатчик (рис.
 6-8), приемник и
исполнительный механизм Передатчик
работает в диапазоне 28,2—29,5 Мгц. Приемник
выполнен на пяти транзисторах.
Внешний вид «Сигнала» показан на рис, 6-9
«Радио», 1966, 3, 48—49.
Волоконный усилитель задающего генератора, объяснение в энциклопедии RP Photonics; MOFA, MOPA, MOPFA, высокая мощность, лазерная система
| Домашний | Викторина | Руководство покупателя | |
| Поиск | Категории | «> Глоссарий | Реклама | 
| Прожектор фотоники | Учебники | 
| Показать статьи A-Z | 
Примечание: поле поиска по ключевому слову статьи и некоторые другие функции сайта требуют Javascript, который, однако, отключен в вашем браузере.
 Термин  волоконный усилитель задающего генератора  (MOFA, MOPFA или волоконный MOPA) является разновидностью термина  усилитель мощности задающего генератора  (MOPA), что означает систему, содержащую лазерный генератор и усилитель мощности, где последний волоконный усилитель.
 Последний обычно представляет собой усилитель большой мощности с накачкой из оболочки, часто на основе волокна, легированного иттербием.
Основные преимущества таких волоконных усилителей мощности:
- Высокая выходная мощность может быть достигнута при высокой энергоэффективности.
 - Система охлаждения может быть относительно простой.
 - Качество луча может быть высоким; он часто близок к дифракционно-ограниченному.
 - Усиление легко может достигать десятков децибел. Для сравнения, большинство объемных усилителей, особенно с высокой средней выходной мощностью, имеют гораздо более низкий коэффициент усиления, часто всего порядка 3 дБ.
 
Однако использование волокон имеет и недостатки:
-  Различные виды нелинейности оптического волокна могут затруднить достижение очень высоких пиковых мощностей и энергий импульсов в импульсных системах.
 Например, энергия импульса в несколько миллиджоулей в системе наносекундных импульсов уже считается высокой для волоконного устройства, тогда как объемные лазеры могут обеспечить гораздо более высокие энергии.
В одночастотных системах вынужденное рассеяние Бриллюэна (ВРМБ) может сильно ограничивать выходную мощность. - Из-за высокого коэффициента усиления оптоволоконные усилители относительно чувствительны к обратным отражениям, т.е. из заготовки. При высоких уровнях мощности использовать изолятор Фарадея для решения этой проблемы непросто, особенно когда требуется сильное подавление отраженного света.
 - Состояние поляризации часто неопределенное и нестабильное, если только не используются волокна, сохраняющие поляризацию.
 
 Может быть привлекательным использование лазерного диода с переключением усиления (→ пикосекундные диодные лазеры) в качестве затравочного лазера для волоконного MOPA.
Такие устройства конкурируют с лазерами с модуляцией добротности, т.
 е. для применения в лазерной маркировке.
Их преимущества частично заключаются в их гибкости в отношении выходных форматов: легко изменить не только частоту повторения импульсов, но также длительность и форму импульса и, конечно же, энергию импульса.
Особым аспектом MOFA является то, что мощность насыщения даже волокна с большой площадью моды с двойной оболочкой низка по сравнению с типичной выходной мощностью. Следовательно, извлечение мощности может быть таким же эффективным, как и в волоконном лазере, даже при относительно низкой затравочной мощности.
Вопросы и комментарии от пользователей
Здесь вы можете задать вопросы и комментарии. Если они будут приняты автором, они появятся над этим абзацем вместе с ответом автора. Автор принимает решение о принятии на основе определенных критериев. По существу, вопрос должен представлять достаточно широкий интерес.
 Пожалуйста, не вводите здесь личные данные; в противном случае мы бы удалили его в ближайшее время.
 (См. также нашу декларацию о конфиденциальности.) Если вы хотите получить личную обратную связь или консультацию от автора, свяжитесь с ним, например. по электронной почте.
Ваш вопрос или комментарий:
Проверка на спам:
(Пожалуйста, введите сумму тринадцати и трех в виде цифр!)
Отправляя информацию, вы даете свое согласие на возможную публикацию ваших материалов на нашем веб-сайте в соответствии с нашими правилами. (Если вы позже отзовете свое согласие, мы удалим эти материалы.) Поскольку ваши материалы сначала просматриваются автором, они могут быть опубликованы с некоторой задержкой.
 См. также: усилитель мощности задающего генератора, оптические усилители, волоконные усилители, мощные волоконные лазеры и усилители, The Photonics Spotlight 2008-09-24, The Photonics Spotlight 2008-12-16 
 и другие статьи в категориях волоконная оптика и волноводы, лазерные приборы и лазерная физика, оптические усилители
 Если вы хотите разместить ссылку на эту статью на каком-либо другом ресурсе (например, на своем сайте, в социальных сетях, на дискуссионном форуме, в Википедии), вы можете получить необходимый код здесь.
HTML-ссылка на эту статью:
Статья о волоконном усилителе Master Oscillator
в
RP Photonics Encyclopedia
С предварительным изображением (см. поле чуть выше):
alt="article">
Для Википедии, например. в разделе «==Внешние ссылки==»:
* [https://www.rp-photonics.com/master_oscillator_fiber_amplifier.html
статья о 'Master Oscillator Fiber Amplifier' в Энциклопедии RP Photonics]
9.3: Одночиповые генераторы и генераторы частоты
- Последнее обновление
 
- Сохранить как PDF
 
- Идентификатор страницы
 - 3602
 
-  Джеймс М.
 Фиоре - Муниципальный колледж Mohawk Valley
 
Генерация сигналов является основным требованием для широкого круга приложений, поэтому ряд производителей выпускают отдельные генераторы на ИС и генераторы частоты. Некоторые из них, как правило, работают в диапазоне ниже 1 МГц и обычно требуют какой-либо внешней сети резисторов/конденсаторов для установки рабочей частоты. Также доступны другие узкоспециализированные схемы для целевых приложений. В этом разделе мы рассмотрим несколько ИС, которые обычно называют тактовыми генераторами, генераторами, управляемыми напряжением, контурами фазовой автоподстройки частоты и таймерами.
9.3.1: Генератор прямоугольных импульсов/тактовых импульсов
 Потребность в стабильных, недорогих и простых в использовании интегральных схемах для генерации прямоугольных импульсов для нужд синхронизации широко распространена. Несколько компаний производят такие устройства. Одним из примеров является LTC6900 от Linear Technology.
 Лист описания с базовой формулой программирования показан на рисунке \(\PageIndex{1}\).
Рисунок \(\PageIndex{1}\): Описание LTC6900. Перепечатано с разрешения Linear Technology
LTC6900 представляет собой 5-вольтовую схему малой мощности, доступную в корпусе SOT-23 (5 контактов). Он работает от 1 кГц до 20 МГц. Выходная частота программируется с помощью одного резистора и соединения с его контактом делителя (помеченным DIV). Частота задающего генератора определяется уравнением от контакта источника питания к контакту SET. Допустимые значения находятся в диапазоне от 10 k\(\Omega\) до 2 M\(\Omega\). Если вывод DIV заземлен, выходная частота будет такой же, как и расчетная. Если контакт DIV оставить неподключенным, выходная частота будет разделена на 10, а если контакт DIV подключен к +5 вольтам, выходная частота уменьшится в 100 раз. Графически это показано на рисунке \(\PageIndex {2}\).
Рисунок \(\PageIndex{2}\): Генератор LTC6900. операция Перепечатано с разрешения Linear Technology
Пример \(\PageIndex{1}\)
 С помощью LTC6900 спроектируйте генератор прямоугольных импульсов с частотой 10 кГц.
10 кГц находится в пределах диапазона этой микросхемы. Чтобы добиться этого удобно, нам понадобится настройка деления на 100, основанная на графике на рисунке \(\PageIndex{2}\). Это потребует от нас привязать контакт DIV к +5 вольт. Значение \(R_{set}\) может быть аппроксимировано по графику или вычислено напрямую.
\[ f_{osc} = 10 МГц \frac{20 k}{N\times R_{set}} \nonumber \]
\[ R_{set} = 10 МГц \frac{20 k}{N\ раз f_{osc}} \nonumber \]
\[ R_{set} = 10 МГц \frac{20 k}{100\times 100 kHz} \nonumber \]
\[ R_{set} = 200 k \ nonumber \]
9.3.2: Генератор, управляемый напряжением
 Генератор, управляемый напряжением (обычно сокращенно VCO) не создает фиксированной выходной частоты. Как следует из названия, выходная частота ГУН зависит от управляющего напряжения. Существует фиксированная зависимость между управляющим напряжением и выходной частотой. Теоретически практически любой осциллятор можно превратить в ГУН. Например, если резистор используется как часть схемы настройки, его можно заменить каким-либо резистором, управляемым напряжением, например, полевым транзистором или светозависимой комбинацией резистор/лампа.
 Делая это, внешний потенциал может использоваться для установки частоты колебаний. Это очень полезно, если частоту нужно быстро изменить или точно прокрутить в каком-то диапазоне.
Классический пример полезности VCO показан на рисунке \(\PageIndex{3}\). Это упрощенная схема аналогового монофонического клавишного синтезатора. Клавиши на синтезаторе немного больше, чем переключатели. Эти переключатели снимают потенциалы с делителя напряжения. По мере того, как музыкант играет на клавиатуре, переключатели задействуют все более и более высокие потенциалы. Эти уровни используются для управления очень точным VCO. Чем выше управляющее напряжение, тем выше будет выходная частота или высота тона.
Рисунок \(\PageIndex{3}\): Упрощенный музыкальный синтезатор с использованием VCO.
 VCO могут использоваться для ряда других приложений, включая анализаторы частотного спектра с разверткой, частотную модуляцию и демодуляцию, а также системы управления. Это также неотъемлемая часть контура фазовой автоподстройки частоты, как мы увидим далее в этой главе.
Примером ГУН является LTC6990. Он является частью серии таймеров/счетчиков/часов Linear Technology TimerBlox. В эту серию входят источники тактового сигнала, работающие на частотах выше 100 МГц, и таймеры, переключающиеся с многочасовой частотой. LTC6990 работает в диапазоне от чуть менее 500 Гц до 2 МГц. Хотя его можно использовать для приложений с фиксированной частотой, он также обеспечивает гибкость VCO. Обзор показан на рисунке \(\PageIndex{4}\).
Рисунок \(\PageIndex{4}\): LTC6990 VCO. Перепечатано с разрешения Linear Technology
 Как и LTC6900, LTC6990 запрограммирован с использованием всего одного резистора и имеет опцию делителя частоты. В отличие от своего брата, возможности делителя гораздо шире, охватывая восемь настроек степени двойки по сравнению с тремя десятичными настройками. Базовый осциллятор с фиксированной частотой показан в левом нижнем углу рисунка \(\PageIndex{4}\), где основная частота колебаний контролируется \(R_{set}\). Стандартная работа VCO показана внизу справа.
 LTC6990 также имеет опцию состояния выхода с высоким импедансом, что дает в общей сложности 16 возможных делителей/выходов. Эта настройка обычно программируется с помощью двух внешних резисторов. Таблица программирования воспроизведена на рисунке \(\PageIndex{5}\).
Рисунок \(\PageIndex{5}\): Генератор LTC6990. программирование Перепечатано с разрешения Linear Technology
Состояние выхода зависит от комбинации вывода разрешения выхода (OE) и логики Hi-Z. Когда OE высокий, выход будет активным. Если OE низкий, а Hi-Z низкий, то на выходе будет низкий уровень. Наконец, если OE низкий, а Hi-Z высокий, то выход перейдет в состояние с высоким импедансом.
 Напряжение на выводе DIVCODE устанавливает делитель частоты и режим импеданса. Это напряжение интерпретируется внутренним 4-битным аналого-цифровым преобразователем (АЦП — тема двенадцатой главы). Хотя на этот вывод можно подать какой-либо внешний источник, более практичным методом является простое создание делителя напряжения с парой резисторов с допуском 1%; один подключен от источника питания к контакту DIVCODE, а второй подключен от DIVCODE к земле.
Задающий генератор LTC6990 управляется током на выводе SET. Внутренне напряжение на этом выводе поддерживается на уровне 1 вольт, поэтому частоту можно установить с помощью одного резистора \(R_{set}\), подключенного от этого вывода к земле. Затем его можно разделить на более низкую частоту. По сути, это та же ситуация, что и с LTC6900. Ток 20 \(\mu\)A (т.е. 50 k\(\Omega\)) будет давать максимальную частоту 1 МГц. Более низкие токи (более высокие сопротивления) будут производить пропорционально более низкие частоты.
Значение DIVCODE будет делить эту базовую частоту еще больше в степени двойки. Мы можем выразить это соотношение с помощью следующей формулы:
\[ f_{osc} = 1 МГц \frac{50 k}{N_{DIV} R_{set}} \label{9.34} \]
, где \(N_ {DIV}\) находится в таблице на рисунке \(\PageIndex{5}\)
 Процесс проектирования начинается с определения соответствующего частотного диапазона. Лучше всего, если желаемая частота колебаний не находится на крайних точках какого-либо заданного диапазона.
 Как только диапазон определен, находится соответствующее значение для \(N_{DIV}\), а вместе с ним и требуемые значения резисторов делителя, \(R_1\) и \(R_2\). Отсюда легко решить уравнение \ref{9.34} в терминах \(R_{set}\).
Пример \(\PageIndex{2}\)
 LTC6990 подключен, как показано на рисунке \(\PageIndex{6}\). Он используется в качестве преобразователя света в частоту. То есть выходная частота будет контролироваться количеством света, попадающего на датчик. Датчик представляет собой ячейку CdS (сульфид кадмия), которая подключается в положении \(R_{set}\). В условиях низкой освещенности ячейка будет давать высокое сопротивление, и по мере увеличения уровня освещенности сопротивление падает. Предполагая, что ячейка изменяется от 500k до 60k, определите диапазон выходных частот. Сначала определите значение DIVCODE. Это можно найти, вычислив коэффициент делителя напряжения \(R_1\) и \(R_2\), но в этой схеме были использованы рекомендуемые значения из таблицы DIVCODE. По наблюдению \(N_{DIV}=16\).
Далее вычисляем предельные частоты.
Рисунок \(\PageIndex{6}\): Схема преобразователя света в частоту для примера \(\PageIndex{2}\).
\[ f_{osc} = 1MHz \frac{50k}{N_{DIV} R_{set}} \nonumber \]
\[ f_{osc} = 1MHz \frac{50k}{16\times 500 k} \nonumber \]
\[ f_{osc} = 6,25 кГц \nonumber \]
\[ f_{osc} = 1MHz \frac{50 k}{N_{DIV} R_{set}} \nonumber \ ]
\[ f_{osc} = 1MHz \frac{50k}{16 x 60k} \nonumber \]
\[ f_{osc} = 52,08 кГц \nonumber \]
Обратите внимание, что при увеличении уровня освещенности частота увеличивается пропорционально.
При использовании в режиме VCO наиболее важным элементом, который следует помнить, является то, что частота задающего генератора устанавливается током, выходящим из контакта SET, \(I_{set}\), что выражается следующей формулой
\ [ f_o = 1 МГц \times 50 k \frac{I_{set}}{V_{set}} \nonumber \]
\(V_{set}\) внутренне поддерживается на уровне 1 вольт, поэтому это число уменьшается до
 \[ f_o = 1 МГц \times 50 k \times I_{set} \label{9.
 35} \]
\(f_{osc}\) затем делится вниз на \(N_{DIV}\). Конечная частота колебаний может быть выражена как
\[ f_{osc} = 1 МГц \times 50 k \frac{I_{set}}{N_{DIV}} \label{9.36} \]
 Обратите внимание, что \( I_{set}\) выходит из чипа. Кроме того, обратите внимание, что частота колебаний и \(I_{set}\) прямо пропорциональны. Кроме того, имейте в виду, что вариация \(I_{set}\) и, следовательно, вариация частоты должны поддерживаться на уровне 16:1 для лучшей производительности, где максимальное значение \(I_{set}\) равно 20. \(\му\)А. Простой способ получения контроля напряжения показан на рисунке \(\PageIndex{4}\). Здесь есть некоторые потенциальные проблемы. Во-первых, диапазон напряжения от схемы управления может не соответствовать желаемой частоте с этой схемой. Во-вторых, обратите внимание, что более высокие управляющие напряжения будут давать более низкие выходные частоты, т. е. обратная зависимость. Это может быть проблемой в некоторых приложениях. Следовательно, мы рассмотрим более общий метод управления схемой за счет использования внешнего операционного усилителя для масштабирования и смещения.
Рисунок \(\PageIndex{7}\): Метод отображения управляющего напряжения.
 Схема на рисунке \(\PageIndex{7}\) представляет собой метод отображения существующего управляющего напряжения на LTC6990 или любой аналогичный ГУН. В этой схеме для масштабирования и смещения используется простой суммирующий усилитель. Управляющее напряжение, \(V_C\), масштабируется по одному каналу взвешенного сумматора. Этот сигнал компенсируется постоянным напряжением \(V_{смещение}\), подаваемым через другой канал. Напряжение на выходе операционного усилителя используется для отвода тока от ГУН через управляющий резистор \(R_C\). Напомним, что вывод SET микросхемы производит внутреннее напряжение 1 вольт, и выходной ток \(I_{set}\) устанавливает частоту задающего генератора, как показано в уравнении \ref{9..35}. Очевидно, выходное напряжение операционного усилителя должно быть меньше 1 вольта, чтобы операционный усилитель потреблял ток (т. е. чтобы \(I_{set}\) выходил из LTC6990). Разница напряжений между выходом операционного усилителя и 1 вольтом на выводе SET падает на \(R_C\), и именно это создает \(I_{set}\).
 Обратите внимание, что по мере того, как управляющее напряжение становится более положительным на входе операционного усилителя, его выход и, следовательно, \(I_{set}\) также увеличивается. Таким образом, частота увеличивается по мере увеличения управляющего напряжения.
Пример \(\PageIndex{3}\)
Используя рисунок \(\PageIndex{7}\) в качестве руководства, спроектируйте схему VCO, которая будет создавать выходные частоты от 20 кГц до 50 кГц при управляющем напряжении от 6 до 8 вольт (т. е. 6 вольт будут производить 20 кГц, 7 вольт дают 35 кГц, 8 вольт дают 50 кГц и т. д.)
 Во-первых, обратите внимание, что диапазон частот составляет 2,5:1. Поскольку LTC6990 всегда может охватывать любой диапазон 8:1 (до 16:1), а максимальная частота 50 кГц значительно ниже максимальной частоты LTC6990, мы знаем, что эта ИС является хорошим кандидатом для разработки. Теперь нам нужно определить номиналы резисторов делителя. На рисунке \(\PageIndex{5}\) показано, что мы можем достичь этого диапазона, используя \(N_{DIV}\) 4, 8 или 16.
 Выбрав среднее значение и предполагая, что нас не волнует Hi- Z, мы получаем DIVCODE=3 с \(R_1\)=1 M\(\Omega\) и \(R_2\)=280 k\(\Omega\).
Наш диапазон частот равен 2,5:1, что означает, что наш диапазон \(I_{set}\) также должен быть равен 2,5:1. Для удобства выберите на выходе операционного усилителя 0 вольт для минимальной частоты. Это даст 1 вольт на \(R_C\) и происходит, когда управляющее напряжение в операционном усилителе составляет минимум 6 вольт. Когда управляющее напряжение достигает максимального значения 8 вольт, нам потребуется 2,5 вольта на \(R_C\) (т. е. в 2,5 раза больше предыдущего \(I_{set}\)). Это означает, что на выходе операционного усилителя должно быть -1,5 вольта. Обратите внимание, что изменение входного управляющего напряжения на 2 вольта приведет к изменению на 1,5 вольта на выходе операционного усилителя. Таким образом, коэффициент усиления этого канала равен -0,75. Если мы выберем \(R_f\)=100 k\(\Omega\), то \(R_b\)=75 k\(\Omega\).
 Теперь нам нужно добавить смещение.
 Только с масштабированием усиления 6 вольт \(V_C\) дает -0,75 умножить на 6, или -4,5 вольт, а \(V_C\) 8 вольт аналогичным образом дает -6 вольт. Следовательно, нам нужно добавить к выходу смещение +4,5 вольта. Если мы привяжем \(V_{смещение}\) к шине питания -15 вольт операционного усилителя, тогда нам потребуется коэффициент усиления 4,5/(-15) или -0,3. При \(R_f\) 100 k\(\Omega\), \(R_a\) должно быть 333,3 k\(\Omega\) (ближайшее стандартное значение 1% составляет 332 k\(\Omega\)).
Наконец, чтобы определить \(R_C\), обратитесь к уравнению \ref{9.36} и решить для \(I_{set}\)
\[ I_{set} = \frac{f_{osc} \times N_{DIV}}{1 МГц \times 50 k} \nonumber \]
Использование минимального fosc 20 кГц дает
\[ I_{set} = \frac{20 кГц \times 8}{1 МГц \times 50 k} \nonumber \]
\[ I_{set} = 3,2 \ мю ампер \номер\]
 Это происходит при 1 вольте на \(R_C\). Поэтому \(R_C\) = 312,5 k\(\Omega\). Перепроверив, когда \(V_C\) = 8 В, мы видим 2,5 вольта на \(R_C\) для тока 8 \(\mu\)А.
 Вставка этого в уравнение \ref{9.36} дает 50 кГц, нашу желаемую максимальную частоту.
В заключение отметим, что способ изменения частоты зависит от формы волны \(V_c\). Если используется синусоида, выходная частота будет плавно изменяться в указанных пределах. С другой стороны, если форма волны для \(V_c\) является пилообразной, выходная частота будет начинаться с одного крайнего значения, а затем плавно перемещаться к другому пределу по мере продолжения линейного изменения \(V_c\). Когда рампа сбрасывается, выходная частота возвращается к исходной точке. Пример этого показан на рисунке \(\PageIndex{8}\). Наконец, если форма волны управления является квадратной, выходная частота будет резко прыгать от минимальной до максимальной частоты и обратно. Этот эффект показан на рисунке \(\PageIndex{9}\) и может использоваться для генерации сигналов FSK (ключ сдвига частоты). FSK используется в индустрии связи для передачи двоичной информации.
 Рисунок \(\PageIndex{8}\): Развертка частоты VCO с линейным изменением.
Рисунок \(\PageIndex{9}\): Двухтональный выходной сигнал VCO с использованием прямоугольной волны.
9.3.3: Контур фазовой автоподстройки частоты
На ступень выше ГУН находится контур фазовой автоподстройки частоты или ФАПЧ. PLL является самокорректирующейся схемой; он может зафиксироваться на входной частоте и настроиться на отслеживание изменений на входе. PLL используются в модемах, для систем FSK, синтеза частот, тональных декодеров, демодуляции сигналов FM и других приложений. Блок-схема базовой PLL показана на рисунке \(\PageIndex{10}\).
Рисунок \(\PageIndex{10}\): Контур фазовой автоподстройки частоты.
 По сути, PLL использует обратную связь для привязки генератора к фазе и частоте входящего сигнала. Он состоит из трех основных частей; фазовый компаратор, петлевой фильтр (как правило, запаздывающая сеть той или иной формы) и ГУН. Усилитель также может существовать в контуре. Фазовый компаратор управляется входным сигналом и выходом ГУН.
 Он выдает сигнал ошибки, пропорциональный разности фаз между его входами. Этот сигнал ошибки затем фильтруется, чтобы удалить паразитные высокочастотные сигналы и шум. Результирующий сигнал ошибки используется в качестве управляющего напряжения для ГУН и, как таковой, устанавливает выходную частоту ГУН. Пока сигнал ошибки не слишком велик, петля будет самостабилизирующейся. Другими словами, сигнал ошибки в конечном итоге приведет к тому, что ГУН будет идеально синхронизирован по частоте и фазе с входным сигналом. Когда это происходит, говорят, что PLL синхронизирован с входом. Диапазон частот, в котором PLL может оставаться синхронизированным при изменении входного сигнала, называется диапазоном синхронизации. Обычно диапазон захвата симметричен относительно свободной или центральной частоты ГУН. Отклонение от центральной частоты к краю диапазона захвата называется диапазоном отслеживания и, следовательно, составляет половину диапазона захвата. Это показано на рисунке \(\PageIndex{11}\).
Рисунок \(\PageIndex{11}\): Рабочие диапазоны для контура фазовой автоподстройки частоты.
 Несмотря на то, что PLL может отслеживать изменения во всем диапазоне блокировки, он может быть не в состоянии первоначально получить синхронизацию с частотами в пределах диапазона. Несколько более узкая полоса частот, называемая диапазоном захвата, указывает частоты, на которых PLL всегда сможет зафиксироваться. Опять же, диапазон захвата обычно симметричен относительно \(f_o\). Отклонение по обе стороны от \(f_o\) называется диапазоном втягивания. Для правильной работы PLL входная частота должна сначала находиться в пределах диапазона захвата. Как только PLL зафиксировался на сигнале, входная частота может изменяться в пределах большего диапазона захвата. Центральная частота ГУН обычно устанавливается внешним резистором или конденсатором. Для петлевого фильтра могут также потребоваться внешние компоненты. В зависимости от приложения желаемый выходной сигнал от PLL может быть либо выходом ГУН, либо управляющим напряжением для ГУН.
 Одним из способов передачи двоичных сигналов является FSK. Это может быть использовано, чтобы позволить двум компьютерам обмениваться данными по телефонным линиям. Из-за ограниченной полосы пропускания нецелесообразно напрямую передавать цифровую информацию в ее обычной импульсной форме. Вместо этого логический высокий и низкий уровни могут быть представлены разными частотами. Прямоугольная волна, например, будет представлена как чередующийся набор двух тонов. FSK очень легко сгенерировать. Все, что вам нужно сделать, это запустить ГУН с желаемым логическим сигналом. Чтобы восстановить данные, схема приема должна создать высокий или низкий уровень, в зависимости от того, какой тон принят. Для этой цели можно использовать PLL. Выходной сигнал будет сигналом ошибки, который управляет VCO. Логика работы схемы обманчиво проста. Если PLL синхронизирован, выходная частота его VCO должна быть такой же, как и входной сигнал. Помня, что входящий сигнал FSK сам по себе является производным от VCO, чтобы VCO были синхронизированы, они должны управляться идентичными управляющими сигналами.
 Следовательно, управляющий сигнал, который управляет внутренним ГУН PLL, должен быть таким же, как и управляющий сигнал, который первоначально генерировал сигнал FSK. Затем управляющий сигнал PLL может подаваться на компаратор для правильного согласования сигнала со следующей логической схемой.
По аналогии с демодулятором FSK является стандартным демодулятором FM-сигнала. Опять же, операционная логика та же. Чтобы PLL оставался синхронизированным, его управляющий сигнал VCO должен быть таким же, как исходный модулирующий сигнал. В случае типичных радиопередач модулирующим сигналом является либо голос, либо музыка. Выходной сигнал необходимо соединить по переменному току и дополнительно усилить. PLL служит усилителем промежуточной частоты, ограничителем и демодулятором. В результате получается очень экономичная система.
Рисунок \(\PageIndex{12}\): Синтезатор частот с ФАПЧ.
 Другое применение PLL — синтез частоты. Из одного точного эталонного сигнала можно использовать PLL для получения ряда новых частот.
 Блок-схема показана на рисунке \(\PageIndex{12}\). Основное изменение заключается в добавлении программируемого делителя между ГУН и фазовым компаратором. PLL может оставаться синхронизированным с генератором опорной частоты только путем создания той же частоты из делителя. Это означает, что ГУН должен генерировать частоту в \(N\) раз выше, чем опорный генератор. Мы можем использовать выход VCO по желанию. Чтобы изменить выходную частоту, все, что нужно изменить, — это коэффициент делителя. Обычно используется очень точный и стабильный эталон, такой как кварцевый генератор. Таким образом, вновь синтезированные частоты также будут очень стабильными и точными.
 Одним из примеров усовершенствованной цифровой системы ФАПЧ является LTC6950. Это устройство работает на частоте до 1,4 ГГц и имеет пять выходов. Каждый из выходов имеет независимо программируемый делитель и задержку такта VCO. Входная опорная частота устанавливается в диапазоне от 2 МГц до 250 МГц. Благодаря нескольким выходам и возможностям синхронизации это устройство можно использовать для больших распределенных систем, которым требуется точное управление несколькими часами.
 Действительно, одно устройство можно использовать для управления несколькими другими LTC6950 в очень больших системах. Примером этого может быть система, использующая несколько высокоскоростных аналого-цифровых или цифро-аналоговых преобразователей с высоким разрешением. Точность этих устройств во многом зависит от очень точных и стабильных источников синхронизации. Мы рассмотрим аналого-цифровое преобразование в аналоговое в главе двенадцатой.
9.3.4: Таймер 555
 Таймер 555 представляет собой универсальную интегральную схему, впервые представленную в начале 1970-х годов компанией Signetics. Он остается популярным строительным блоком в различных приложениях, от простых прямоугольных генераторов до охранной сигнализации, широтно-импульсных модуляторов и многого другого. В своих самых основных формах, одноразовом или моностабильном, и нестабильном осцилляторе, 555 требует лишь нескольких внешних компонентов. Обычно для основных функций требуется только два конденсатора и два резистора.
 Модель 555 производится разными производителями и в нескольких формах. Например, 556 — это двойной 555. 555 может воспроизводить частоты примерно до 500 кГц. Выходной ток заявлен равным 200 мА, хотя это влечет за собой довольно высокие внутренние падения напряжения. Более разумным ожиданием было бы значение ниже 50 мА. Схема может питаться от источников питания от 5 вольт до 18 вольт. Это делает 555 подходящим как для цифровой логики ТТЛ, так и для типичных систем на операционных усилителях. Время нарастания и спада выходной прямоугольной волны обычно составляет 100 нс.
Рисунок \(\PageIndex{13}\): Блок-схема таймера 555.
 Блок-схема 555 показана на рисунке \(\PageIndex{13}\). Он состоит из пары компараторов, соединенных с цепочкой из трех резисторов одинакового номинала. Обратите внимание, что верхний, или пороговый, компаратор видит примерно 2/3 от \(V_{cc}\) на своем инвертирующем входе, при условии, что никакая внешняя схема не подключена к выводу управления.
 (Если управляющий вывод не используется, между ним и землей следует поместить конденсатор емкостью 10 нФ.) Нижний, или триггерный, компаратор видит приблизительно 1/3 от \(V_{cc}\) на своем неинвертирующем входе. Эти два компаратора питают триггер, который, в свою очередь, питает выходную схему и транзисторы разрядки и сброса. Если на выходе триггера низкий уровень, разрядный транзистор будет выключен. Обратите внимание, что выходной каскад является инвертирующим, поэтому, когда на выходе триггера низкий уровень, на выходе схемы высокий уровень. Напротив, если на входе транзистора сброса низкий уровень, это заблокирует выходной сигнал. Если возможности сброса не нужны, контакт сброса должен быть привязан к \(V_{cc}\).
 Возвращаясь к компараторам, если неинвертирующий вход порогового компаратора превысит 2/3 \(V_{cc}\), выход компаратора изменит состояние, сработав триггер и создав низкий уровень на выходе 555. Точно так же, если вход инвертирующего входа триггерного компаратора упадет ниже 1/3 \(V_{cc}\), выход компаратора изменится, и в конечном итоге выход 555 станет высоким.
9.3.5: 555 Моностабильный режим
Базовая моностабильная схема показана на рис. 9.39. В этой форме 555 будет генерировать одиночный импульс заданной ширины, когда на вход триггера подается отрицательный импульс. Обратите внимание, что три входных компонента, \(R_{in}\), \(C_{in}\) и \(D\), служат для ограничения и дифференциации приложенного импульса. Таким образом, будет получен очень узкий импульс, что снизит вероятность ложных срабатываний. Чтобы увидеть, как работает схема, обратитесь к сигналам, представленным на рис. 9.40.
Рисунок \(\PageIndex{14}\): Моностабильное соединение 555.
Рисунок \(\PageIndex{15}\): 555 моностабильных сигналов.
 Предположим, что выход 555 изначально низкий. Это означает, что разрядный транзистор включен, закорачивая времязадающий конденсатор \(C\). На вход схемы подается узкий низкий импульс. Это приведет к изменению состояния триггерного компаратора, срабатыванию триггера, что, в свою очередь, приведет к тому, что выход станет высоким, а также отключит разрядный транзистор.
 В этот момент \(C\) начинает заряжаться в направлении \(V_{cc}\) через \(R\). Когда напряжение на конденсаторе достигает 2/3 \(V_{cc}\), срабатывает пороговый компаратор, устанавливая на выходе низкий уровень и включая разрядный транзистор. Это разряжает времязадающий конденсатор, и схема готова к подаче нового входного импульса. Обратите внимание, что без входной сети формирования сигнала импульс запуска должен быть уже, чем желаемый выходной импульс. Уравнение для ширины выходного импульса:
\[ T_{out} = 1,1 RC \nonumber \]
Интересно отметить, что значение \(V_{cc}\) не входит в уравнение. Это связано с тем, что компараторы всегда сравнивают входные сигналы с определенными процентами \(V_{cc}\), а не с конкретными напряжениями.
Пример \(\PageIndex{4}\)
Определите значения для времязадающих резисторов и конденсаторов, чтобы получить выходной импульс длительностью 100 \(\mu\)с от 555.
Разумный выбор для \(R\) будет 10 к\(\Омега\).
 \[ T_{out} = 1.
 1 RC \nonumber \]
\[ C = \frac{T_{out}}{1.1 R} \nonumber \]
\[ C = \frac{100 \mu s }{1,1\times 10 k} \nonumber \]
\[ C = 9,09 нФ \nonumber \]
Ближайшее стандартное значение будет 10 нФ, поэтому лучшим выбором для \(R\) может быть 9,1 k\ (\Omega\) (также стандартное значение). Эта пара достаточно точно даст желаемую ширину импульса.
9.3.6: 555 Нестабильная работа
 На рисунке \(\PageIndex{16}\) показана базовая нестабильная или автономная форма генератора прямоугольных импульсов. Обратите внимание на сходство с моностабильной схемой. Очевидная разница 
, прежний триггерный вход теперь подключен к цепи синхронизации резистор-конденсатор. По сути, схема будет срабатывать постоянно. Чтобы увидеть, как работает схема, 
 обратитесь к рисунку \(\PageIndex{17}\) для интересующих сигналов.
 Первоначально предположим, что выход 555 находится в состоянии высокого уровня. В этот момент разрядный транзистор закрыт, а конденсатор C заряжается к Vcc через RA и RB.
 В конце концов, напряжение на конденсаторе превысит 2/3 В пост. тока, что приведет к срабатыванию триггера порогового компаратора. Это включит разрядный транзистор и сделает выход 555 низким. Разрядный транзистор эффективно размещает верхний конец RB на земле, исключая из рассмотрения RA и Vcc. C теперь разряжается через RB до 0. В конце концов, напряжение на конденсаторе упадет ниже 1/3 Vcc. Это запустит триггерный компаратор, который, в свою очередь, вернет схему в исходное состояние, и цикл повторится.
Рисунок \(\PageIndex{16}\): 555 нестабильное соединение.
Рисунок \(\PageIndex{17}\): 555 нестабильных сигналов.
Частота колебаний явно зависит только от C, RA и RB. Периоды времени:
\[ T_{high} = 0,69(R_A+R_B)C \nonumber \]
\[ T_{low} = 0,69 R_B C \nonumber \]
Это приводит к частоте
\[ f = \frac{1.44}{R_A +2 R_B} \nonumber \]
 Рабочий цикл обычно определяется как максимальное время, деленное на период.
 Документация 555 часто меняет это определение на противоположное, но мы будем придерживаться отраслевой нормы.
\[ Рабочий цикл = \frac{R_A+R_B}{R_A+2 R_B} \nonumber \]
 Быстрое рассмотрение рабочего цикла. Уравнение показывает, что не существует разумной комбинации резисторов, обеспечивающей 50% рабочего цикла , не говоря уже о чем-то меньшем. Однако есть простой способ решить эту проблему. Все, что вам нужно сделать, это подключить диод параллельно RB, как показано на рисунке \(\PageIndex{18}\). Диод будет смещен в прямом направлении в течение периода высокого уровня и эффективно закоротит RB. В течение низкого периода времени диод будет смещен в обратном направлении, и RB все еще будет доступен для фазы разряда. Если RA и RB установлены на одно и то же значение, конечным результатом будет 50% рабочий цикл. Конечно, из-за неидеальности диода это не будет идеально, поэтому может потребоваться некоторая регулировка номиналов резисторов. Кроме того, обратите внимание, что если \(R_A\) также заменить потенциометром (и, возможно, последовательным ограничительным резистором), то 9В результате получится настраиваемый генератор прямоугольных импульсов 0084.
Рисунок \(\PageIndex{18}\): 555 с шунтирующим диодом для рабочих циклов \(\leq\) 50%.
Пример \(\PageIndex{5}\)
 Определите значения компонентов для генератора прямоугольных сигналов частотой 2 кГц с коэффициентом заполнения 80 %. Во-первых, обратите внимание, что период является величиной, обратной желаемой частоте, или 500 мксек. 
 Для рабочего цикла 80% это дает
\[ T_{high} = \text{ Рабочий цикл } \times T \nonumber \]
\[ T_{high} = 0,8\times 500 \mu s \nonumber \]
\[ T_{high} = 400 \mu s \nonnumber \]
\[ T_{low} = T−T_{high} \nonumber \]
\[ T_{low} = 500 \mu s− 400 \mu s \nonumber \]
\[ T_{low} = 100 \mu s \nonumber \]
Выбор \(R_B = 10 k\Omega\),
\[ T_{low} = 0,69 R_B C \nonumber \]
\[ C = \frac{T_{low}}{0,69 R_B} \nonumber \]
\[ C = \frac{100 \mu s}{0,69\times 10 k\Omega} \номер \]
\[ C = 14,5 нФ \неномер \]
\[ T_{высокий} = 0,69(R_A+R_B)C \nonumber \]
\[ R_A = \frac{T_{high}}{0,69C} − R_B \nonumber \]
\[ R_A = \frac{400 \mu s}{0,69 \times 14,5 нФ} − 10 k\Омега \без номера \]
\[ R_A = 30k\Омега \без номера \]
 Эта страница под названием 9.
 3: Одночиповые генераторы и генераторы частот распространяется под лицензией CC BY-NC-SA 4.0 и была создана, изменена и/или курирована Джеймсом М. Фиоре с помощью исходного контента, который был отредактирован в соответствии со стилем и стандарты платформы LibreTexts; подробная история редактирования доступна по запросу.
- Наверх
 
- Была ли эта статья полезной?
 
- Тип изделия
 - Раздел или страница
 
- Автор
 - Джеймс М. Фиоре
 
- Лицензия
 - СС BY-NC-SA
 
- Версия лицензии
 - 4,0
 
- Показать оглавление
 - нет
 
- Метки
 -  source@http://www.
 dissidents.com/resources/OperationalAmplifiersAndLinearICs_3E.pdf 
-  source@http://www.
 
Задающий генератор, усилитель мощности, диодные лазеры | SpringerLink
S. M. Curry, R. Cubeddu, T. W. Hänsch: Стабилизация интенсивности излучения лазера на красителе путем насыщенного усиления. заявл. физ. 1 153–159 (1973)
АДС перекрестная ссылка Google ученый
Дж. Л. Эмметт, В. Ф. Крупке, Дж. И. Дэвис: Лазерные исследования и разработки в Ливерморской национальной лаборатории Лоуренса для приложений синтеза и разделения изотопов. IEEE J. QE- 20 , 591–602 (1984)
CrossRef Google ученый
 Д. Т. Киразис, Д. Р. Спек, К. Бибо, Р. Б. Эрлих, Г. Л. Гермес, Дж. Р. Смит, Т. Л. Вейланд, П. Дж. Вегнер: Производительность и работа модернизированной системы NOVA.
 проц. ШПАЙ  1040  , 169–176 (1989)
ОБЪЯВЛЕНИЕ Google ученый
Т. Мукаи, Ю. Ямамото, Т. Кимура: Оптическое усиление полупроводниковыми лазерами, в Semiconductors and Semimetals 22, изд. Р. К. Уильямсон, AC Beer (Академический, Нью-Йорк, 1985)
Google ученый
Ю. Ямамото, Т. Мукаи: Основы оптических усилителей. Опц. QE- 21 , С1–С14 (1989)
Google ученый
М. Дж. О’Махони: Полупроводниковые лазерные оптические усилители для использования в будущих волоконных системах. IEEE J. LT- 6 , 531–544 (1988)
Google ученый
Н. А. Олссон: Световые системы с оптическими усилителями. IEEE J. LT- 7 , 1071–1082 (1989)
Google ученый
М. Коупленд, К. Г. Хэмблтон, К. Хилсум: Измерение усиления в инжекционном GaAs-лазере. физ. лат. 7 , 231–232 (1963)
АДС перекрестная ссылка Google ученый
Дж. В. Кроу, Р. Крейг: Усиление слабого сигнала в GaAs-лазерах. заявл. физ. лат. 4 , 57–58 (1964)
АДС перекрестная ссылка Google ученый
WF Kosonocky, RH Comely, FJ Marlowe: лазерный инвертор GaAs. Международная конференция по твердотельным схемам, дайджест, с. 48, (февраль 1965 г.)
Google ученый
Дж. В. Кроу, У. Э. Ахерн: Полупроводниковый лазерный усилитель. IEEE J. QE- 2 , 283–289 (1966)
CrossRef Google ученый
 WF Kosonocky, RH Comely: Лазерные усилители GaAs.
 IEEE J.QE- 4  , 125–131 (1968)
CrossRef Google ученый
Д. Шикетанц, Г. Зейдлер: лазеры на двойной гетероструктуре GaAs в качестве оптических усилителей. IEEE J. QE- 11 , 65–69 (1975)
CrossRef Google ученый
К. Кишино, Ю. Суэмацу, К. Утака, Х. Каваниши: Монолитная интеграция лазера и усилителя/детектора с помощью двухпроводной структуры. Япония. Дж. Заявл. физ. 17 , 589–590 (1978)
АДС перекрестная ссылка Google ученый
М. Б. Чанг, Э. Гармайр: Усиление в лазерах на сколотой подложке. IEEE J. QE- 16 , 997–1001 (1980)
CrossRef Google ученый
 Лукьянов В.Н., Семенов А.Т., Якубович С.Д. Стационарные характеристики GaAs-инжекционного квантового усилителя, принимающего узкополосный входной сигнал.
 сов. Дж. Квант. Электрон.  10  , 1432–1435 (1980)
CrossRef Google ученый
К. Коно, К. Сакуда: Характеристики усилителя света полупроводникового диодного лазера AlGaAs. Дж. Заявл. физ. 58 , 88–96 (1985)
АДС перекрестная ссылка Google ученый
Г. Эйзенштейн, Н. Тесслер, У. Корен, Дж. М. Визенфельд, Г. Райбон, К. А. Буррус: Зависимость характеристик насыщения от длины в многократных оптических усилителях с квантовыми ямами на 1,5 мкм. IEEE Фотон. Технол. лат. 2 , 790–791 (1990)
АДС перекрестная ссылка Google ученый
 Г. Шерлок, С. П. Зельцер, Д. Дж. Элтон, С. Д. Перрин, М. Дж. Робертсон, Д. М. Купер: полупроводниковые оптические усилители с MQW 1,3 мкм с высоким коэффициентом усиления и выходной мощностью.
 Электрон. лат.  27  , 165–166 (1991)
CrossRef Google ученый
У. Корен, Р. М. Джопсон, Б. И. Миллер, М. Чейн, М. Г. Янг, К. А. Буррус, К. Р. Джайлс, Х. М. Пресби, Г. Рэйбон, Дж. Д. Эванкоу, Б. Телль, К. Браун Гёблер: Мощный лазер- Интегральная схема усилителя для работы с длиной волны 1,48 мкм. заявл. физ. лат. 59 , 2351–2353 (1991)
АДС перекрестная ссылка Google ученый
Дж. М. Вердиелл, Р. Фрей, Дж. П. Хьюигнар: Анализ массивов диодных лазеров с синхронизацией впрыска и усилением. IEEE J. QE- 27 , 396–401 (1991)
CrossRef Google ученый
 Дж. М. Вердиелл, Х. Райбенбах, Дж. П. Хьюигнар: Инжекционная блокировка массивов диодных лазеров с управляемым усилением: влияние формы главного луча. заявл. Опц.
  31  , 1992–1997 (1992)
АДС перекрестная ссылка Google ученый
Дж. Р. Эндрюс: Усилитель бегущей волны на основе массива лазерных диодов. заявл. физ. лат. 48 1331–1333 (1986)
АДС перекрестная ссылка Google ученый
Дж. Р. Эндрюс, Т. Л. Паоли, Р. Д. Бернхэм: Дифракционные эффекты в усилителе бегущей волны с диодной матрицей. Дж. Заявл. физ. 58 2777–2779 (1985)
АДС перекрестная ссылка Google ученый
Дж. Р. Эндрюс: Переменная фокусировка из-за градиентов показателя преломления в усилителе бегущей волны с диодной матрицей. Дж. Заявл. физ. 64 2134–2137 (1988)
АДС перекрестная ссылка Google ученый
 С.
 Х. Макомбер, П. Аккапедди: Усилитель мощности полупроводникового лазера. проц. ШПАЙ  723  36–39 (1986)
Google ученый
К. Наборс, Р. Аггравал, Х. Чой, К. Ван, А. Мурадян: Мощные полупроводниковые оптические усилители. Тематическое совещание LEOS по новым полупроводниковым устройствам и приложениям, статья SCF2 (1990)
Google ученый
Л. Ю. Панг, Э. С. Кинцер, Дж. Г. Фудзимото: Двухступенчатая инжекционная блокировка мощных полупроводниковых массивов. Оптика Летт. 15 728–730 (1990)
АДС перекрестная ссылка Google ученый
Дж. Х. Квон, Дж. Х. Ли, М. Д. Уильямс: Диаграмма дальнего поля когерентно комбинированного луча от крупномасштабных массивов лазерных диодов. Дж. Заявл. физ. 69 1177–1182 (1991)
АДС перекрестная ссылка Google ученый
Д. Мехейс, Л. Голдберг, Д. Холл, Д. Ф. Уэлч: Мощные, дифракционно-ограниченные, непрерывные оптические усилители. проц. ШПАЙ 1850 69–74 (1993)
АДС перекрестная ссылка Google ученый
L. Goldberg, J. F. Weller, D. Mehuys, D. F. Welch, D. R. Scifres: Полупроводниковый усилитель широкой площади мощностью 12 Вт с оптическим выходом, ограниченным дифракцией. Электрон. лат. 27 927–929 (1991)
АДС перекрестная ссылка Google ученый
Д. Мехейс, Д. Ф. Уэлч, Л. Голдберг, Дж. Веллер: пиковая мощность 11,6 Вт, оптический диодный диодный усилитель с дифракционным ограничением. заявл. физ. лат. 62 544–546 (1993)
АДС перекрестная ссылка Google ученый
 Д. Мехейс, Л. Голдберг: Рабочие характеристики полупроводниковых усилителей бегущей волны с широкой площадью поверхности.
 проц. SPIE  1634  31–38 (1992)
ОБЪЯВЛЕНИЯ перекрестная ссылка Google ученый
Дж. К. Денте, М. Л. Тилтон: Моделирование широкополосных полупроводниковых оптических усилителей. IEEE J.QE- 29 76–88 (1993)
CrossRef Google ученый
М. Тамбуррини, Л. Голдберг, Д. Мехейс: Периодические нити в отражающих полупроводниковых оптических усилителях с широкой площадью поверхности. заявл. физ. лат. 60 1292–1294 (1991)
АДС перекрестная ссылка Google ученый
M. Jansen, D. Botez, L.J. Mawst, T.J. Roth, J.J. Yang, P. Hayashida, L.A. Dozal, J. Rozenbergs: Appl. физ. лат. 60 26 (1992)
АДС перекрестная ссылка Google ученый
М. Янсен, Д. Ботез, Л. Дж. Мост, Т. Дж. Рот, Дж. Дж. Ян, С. С. Оу, П. Хаяшида, Л. А. Дозал: Инжекционная блокировка резонансных оптических волноводных решеток, связанных с утечкой волны. заявл. физ. лат. 62 547–549 (1993)
АДС перекрестная ссылка Google ученый
С. О’Брайен, Д. М. Мехейс, Д. Ф. Уэлч, Р. Парк, Д. Скифрес: Мощный монолитно интегрированный диодный лазер, предусилитель и когерентный расширитель луча. заявл. физ. лат. 61 2638–2640 (1992)
АДС перекрестная ссылка Google ученый
С. О’Брайен, Д. М. Мехейс, Д. Ф. Уэлч, Р. Парк, Р. Дж. Ланг, Д. Скифрес: Мощный монолитный усилитель мощности задающего генератора большой площади с дифракционным ограничением. IEEE Фотон. Технол. лат. 5 526–528 (1993)
АДС перекрестная ссылка Google ученый
С. О’Брайен, Р. Парк, Д. Ф. Уэлч, Д. М. Мехейс, Д. Скифрес: Мощные одномодовые GaInAs-лазеры с распределенными брэгговскими отражателями. Электрон. лат. 28 1272–1273 (1992)
АДС перекрестная ссылка Google ученый
Дж. Х. Джейкоб, М. Рокни, Р. Э. Клинковштейн, С. Сингер: Концепция расширяющегося луча для создания очень больших эксимерных лазерных усилителей. заявл. физ. лат. 48 318–320 (1986)
АДС перекрестная ссылка Google ученый
Р. Р. Крейг, Р. Р. Стефанс: Мощные полупроводниковые лазерные усилители. проц. ШПАЙ 893 25–29 (1988)
ОБЪЯВЛЕНИЕ Google ученый
Г. Бенделли, К. Комори, С. Араи, Ю. Суэмацу: Новая структура для мощного TW-SLA. IEEE Фотон. Технол. лат. 3 42–44 (1991)
АДС перекрестная ссылка Google ученый
П. А. Язаки, К. Комори, Г. Бенделли, С. Араи, Ю. Суэмацу: полупроводниковый лазерный усилитель GaInAsP/InP с коническим волноводом, интегрированный с лазером с распределенной обратной связью 1,5 мкм. IEEE Фотон. Технол. лат. 3 1060–1063 (1991)
АДС перекрестная ссылка Google ученый
В. Т. Сильфваст, О. Р. Вуд III: Простое эффективное возбуждение коротковолновых лазеров бегущей волной с использованием конической геометрии накачки. Оптика Летт. 14 18–20 (1989)
АДС перекрестная ссылка Google ученый
Э. С. Кинцер, Дж. Н. Уолпол, С. Р. Чинн, К. А. Ван, Л. Дж. Миссаджиа: Мощный усилитель с конической бегущей волной с напряженным слоем. Optical Fiber Conf., Дайджест, стр. 44–45 (19 февраля).92)
Google ученый
D. Mehuys, D.F. Welch, L. Goldberg: 2,0 Вт CW конический дифракционный усилитель с инжекцией диодов. Электрон. лат. 28 1944–1946 (1992)
АДС перекрестная ссылка Google ученый
Дж. Х. Абелес, Р. Амантеа и др.: Монолитные мощные разветвленные лазеры-усилители. проц. SPIE 1850 337–348 (1993)
ОБЪЯВЛЕНИЕ перекрестная ссылка Google ученый
Р. Дж. Ланг, А. Харди, Р. Парк, Д. М. Мехейс, С. О’Брайен, Дж. Мейджор, Д. Ф. Уэлч: Численный анализ раструбных полупроводниковых лазерных усилителей. IEEE J. QE- 29 , 2044–2051 (1993)
CrossRef Google ученый
Н. В. Карлсон, Дж. Эндрюс, С. К. Лью, Р. Амантеа: неопубликовано, (1992)
Google ученый
Н. В. Карлсон, Г. А. Эванс, Дж. М. Хаммер, М. Эттенберг: Конструкция монолитного оптического усилителя с излучающей поверхностью с решеткой: Раскрытие изобретения Исследовательского центра Дэвида Сарноффа 88–267, (октябрь 1988 г.)
Google ученый
Н. В. Карлсон, Г. А. Эванс, Дж. М. Хаммер, М. Эттенберг: Конструкция монолитного оптического усилителя с решетчатой поверхностью: патент США № 5 019 787 (28 мая 1991 г.)
Google ученый
Н. В. Карлсон: монолитный полупроводниковый излучатель и усилитель света: патент США № 5 131 001 (14 июля 1992 г.)
Google ученый
Н. В. Карлсон: Исправление к конструктивным соображениям и рабочим характеристикам мощных усилителей с активной решеткой, излучающей поверхность. IEEE J. QE- 29 , 814 (1993)
Google ученый
Д. Мехейс, Д. Ф. Уэлч, Р. Г. Вартс, Р. Парк, А. Харди, В. Страйфер: Анализ монолитных интегральных усилителей мощности задающего генератора. IEEE J. QE- 27 , 1900–1909 (1991)
CrossRef Google ученый
Н. В. Карлсон, Р. Менна, П. Гарднер, С. К. Лью, Дж. Эндрюс, А. Триано, Дж. Кирк, В. Райхерт: Мощная одночастотная работа активного InGaAsP/InGaAs -решеточный поверхностно-излучающий усилитель на A = 1,7 мкм. заявл. физ. лат. 62 , 2006–2008 (1993)
ОБЪЯВЛЕНИЕ перекрестная ссылка Google ученый
 Дж. Х. Абелес, П. К. Йорк, Н. В. Карлсон, Дж. Т. Эндрюс, В. Ф. Райхерт, Дж. Б. Кирк, Н. А. Динкель, К. Г. Дюпюи, Дж. Т. Макгинн, Дж. Х. Томас, Т. Дж. Замеровски, С. К. Лью, Дж. К. Хай Коннолли, Дж. К. Эвнолли: -мощностные лазеры-усилители с распределенной внешней решеткой и решетчатой излучающей поверхностью с узкими спектрами и высококачественными лучами.
 заявл. физ. лат.  62  955–957 (1993)
АДС перекрестная ссылка Google ученый
Н. В. Карлсон, Р. Амантеа: Масштабные свойства поверхностно-излучающих лазеров с усилением на активной решетке IEEE J. QE- 29 , 2780–2783 (1993)
CrossRef Google ученый
Н. В. Карлсон, Г. А. Эванс, Дж. М. Хаммер, К. С. Нейл: Измерение эффективного преломления и дисперсии в распределенном брэгговском отражающем лазере с поверхностным излучением. Электрон. лат. 23 355 (1987)
АДС перекрестная ссылка Google ученый
Ю. Корен, Б. И. Миллер, Ю. К. Су, Т. Л. Кох, Дж. Э. Бауэрс: лазеры с квантовыми ямами InGaAs/InGaAsP с раздельным ограничением и низкими внутренними потерями. заявл. физ. лат. 51 1744 (1990)
АДС перекрестная ссылка Google ученый
К. Магари, С. Кондо, Х. Ясака, Ю. Ногучи, Т. Катаока, О. Микани: Оптический полупроводниковый лазерный усилитель GRIN-SCH MQW с высоким коэффициентом усиления. IEEE Фотон. Технол. лат. 2 , 792–793 (1990)
АДС перекрестная ссылка Google ученый
Ю. Зоу, Дж. С. Осински, П. Гродзинский, П. Д. Дапкус, В. Райдаут, В. Ф. Шарфин, Ф. Д. Кроуфорд: Влияние нагрузки на лазеры с квантовыми ямами в 1,5 часа ночи. проц. SPIE 1850 , 153–164 (1993)
ОБЪЯВЛЕНИЯ перекрестная ссылка Google ученый
С. Секи, Т. Яманака, В. Лю, Ю. Йошикуни, К. Йокояма: Влияние чистой деформации на дифференциальное усиление напряженных лазеров InGaAsP/InP с квантовыми ямами. IEEE Фотон. Технол. лат. 5 , 500–503 (1993)
АДС перекрестная ссылка Google ученый
Н. В. Карлсон: Оптические усилители с излучающей поверхностью решетки. Программа диодных лазерных технологий, (апрель 1992 г.)
Google ученый
Н. В. Карлсон: Мощные полупроводниковые лазеры для оптической связи в свободном пространстве. Технический дайджест ежегодного собрания LEOS’92 (ноябрь 1992 г.)
Google ученый
Н. В. Карлсон, С. К. Лью, Р. Амантеа, П. Гарднер, Р. Менна, Э. Вангисеон, Дж. Х. Абелес, Г. А. Эванс: Ширина спектральной линии и свойства когерентности полупроводникового усилителя мощности со связанным задающим генератором с распределенным выходом: In Материалы 13-й конференции IEEE по полупроводниковым лазерам (сентябрь 1992 г.)
Google ученый
 С. К. Лью, Н. В. Карлсон, Р. Амантеа, Дж. Х. Абелес: Когерентность и свойства ширины спектральной линии активных лазеров с поверхностным излучением и усилением на решетке.
 LEOS ’82 Conf., (19 ноября92)
Google ученый
С. К. Лью, Н. В. Карлсон: Метод получения коллимированного выходного луча с соотношением сторон, близким к единице, от лазера DBR-GSE с хорошим качеством луча. заявл. Опц. 31 , 2743–2746 (1992)
АДС перекрестная ссылка Google ученый
Р. В. Ткач, А. Р. Чрапливый: Режимы обратной связи в 1,5 ам лазерах с распределенной обратной связью. IEEE J.LT- 4 , 1655–1661 (1986)
Google ученый
Н. Шунк, К. Петерман: Численный анализ режимов обратной связи для одномодового полупроводникового лазера с внешней обратной связью. IEEE J. QE- 24 , 1242–1247 (1988)
CrossRef Google ученый
 К.


 Например, энергия импульса в несколько миллиджоулей в системе наносекундных импульсов уже считается высокой для волоконного устройства, тогда как объемные лазеры могут обеспечить гораздо более высокие энергии.
В одночастотных системах вынужденное рассеяние Бриллюэна (ВРМБ) может сильно ограничивать выходную мощность.
 alt="article">
 Фиоре
 dissidents.com/resources/OperationalAmplifiersAndLinearICs_3E.pdf