Как собрать надежное зарядное устройство для автомобильного аккумулятора своими руками. Какие компоненты потребуются для сборки. Как правильно настроить зарядное устройство на NE555 для разных типов аккумуляторов. На какие параметры обратить внимание при зарядке автомобильного аккумулятора.
Принцип работы зарядного устройства на микросхеме NE555
Микросхема NE555 является универсальным таймером, который можно использовать для создания простого и эффективного зарядного устройства для автомобильных аккумуляторов. Основной принцип работы такого зарядного устройства заключается в следующем:
- NE555 работает в режиме компаратора, сравнивая напряжение на аккумуляторе с заданным пороговым значением
- При разряженном аккумуляторе микросхема включает зарядный ток
- По мере зарядки напряжение на аккумуляторе растет
- При достижении заданного порогового напряжения микросхема отключает зарядный ток
- Процесс повторяется циклически, поддерживая аккумулятор в заряженном состоянии
Такая схема позволяет реализовать простое и надежное зарядное устройство с защитой от перезаряда аккумулятора.

Необходимые компоненты для сборки зарядного устройства
Для сборки базового зарядного устройства на NE555 потребуются следующие компоненты:
- Микросхема NE555
- Резисторы: 1 кОм, 10 кОм, 100 кОм (подстроечный)
- Конденсаторы: 10 нФ, 100 мкФ
- Диоды: 1N4001 или аналогичный
- Транзистор: IRF540N или аналогичный
- Светодиод
- Печатная плата, провода, разъемы
Дополнительно может потребоваться радиатор для силового транзистора при больших токах зарядки.
Схема зарядного устройства и принцип ее работы
Рассмотрим принципиальную схему зарядного устройства на NE555:
- Вывод 2 (TRIGGER) и 6 (THRESHOLD) NE555 подключены к делителю напряжения на аккумуляторе
- Вывод 3 (OUTPUT) управляет силовым транзистором, включающим зарядный ток
- Подстроечный резистор позволяет задать пороговое напряжение отключения зарядки
- Диод защищает схему от обратной полярности аккумулятора
- Светодиод индицирует процесс зарядки
При падении напряжения на аккумуляторе ниже порогового, выход микросхемы переходит в высокое состояние, открывая транзистор и включая зарядный ток. При достижении порога выход переключается в низкое состояние, прекращая зарядку.

Настройка зарядного устройства для разных типов аккумуляторов
Важным этапом является правильная настройка порогового напряжения отключения зарядки. Для этого:
- Подключите к выходу зарядного устройства регулируемый источник питания вместо аккумулятора
- Установите напряжение, соответствующее полному заряду вашего аккумулятора (например, 14.4В для 12В АКБ)
- Подстроечным резистором добейтесь срабатывания схемы и отключения зарядного тока
- Проверьте работу на реальном аккумуляторе
Для разных типов аккумуляторов пороговые напряжения будут отличаться:
- 6В аккумулятор — около 7.2В
- 12В аккумулятор — около 14.4В
- 24В аккумулятор — около 28.8В
Преимущества и недостатки зарядного устройства на NE555
Рассмотрим основные плюсы и минусы данной схемы:
Преимущества:
- Простота конструкции и настройки
- Низкая стоимость компонентов
- Надежность работы
- Возможность зарядки разных типов аккумуляторов
- Защита от перезаряда
Недостатки:
- Отсутствие контроля тока зарядки
- Невозможность реализации сложных алгоритмов зарядки
- Необходимость ручной настройки
- Отсутствие индикации степени заряда
Несмотря на недостатки, такое зарядное устройство отлично подходит для периодической подзарядки автомобильных аккумуляторов в домашних условиях.
Рекомендации по эксплуатации зарядного устройства
При использовании самодельного зарядного устройства важно соблюдать следующие правила:
- Убедитесь в правильности подключения полярности аккумулятора
- Не превышайте максимально допустимый ток зарядки для вашего аккумулятора
- Обеспечьте хорошую вентиляцию помещения при зарядке
- Периодически проверяйте температуру аккумулятора
- Не оставляйте зарядное устройство без присмотра на длительное время
При соблюдении этих простых правил ваше самодельное зарядное устройство прослужит долго и надежно.
Возможные модификации и улучшения схемы
Базовую схему зарядного устройства на NE555 можно улучшить, добавив следующие элементы:
- Амперметр для контроля тока зарядки
- Вольтметр для отображения напряжения на аккумуляторе
- Таймер для ограничения времени зарядки
- Термодатчик для контроля температуры аккумулятора
- ШИМ-регулятор для управления током зарядки
Эти улучшения позволят сделать процесс зарядки более контролируемым и безопасным. Однако они также усложнят конструкцию и увеличат стоимость устройства.

Заключение
Зарядное устройство на основе микросхемы NE555 — это простое и эффективное решение для зарядки автомобильных аккумуляторов в домашних условиях. Несмотря на свою простоту, оно обеспечивает надежную защиту от перезаряда и может работать с разными типами аккумуляторов. При правильной сборке и настройке такое устройство способно значительно продлить срок службы вашего автомобильного аккумулятора.
Зарядное на шим 555
Совсем сравнительно не так давно решил изготовить пара зарядных устройств для автомобильного аккумуляторная батареи, что планировал продавать на местном рынке. В наличии имелись достаточно прекрасные промышленные корпуса, стоило только изготовить хорошую начинку и все дела. Но тут столкнулся с последовательностями неприятностей, начиная от блока питания, заканчивая узлом управления выходного напряжения. Отправился и приобрел ветхий хороший электронный трансформатор типа ташибра китайский бренд на ватт и начал переделку. Ташибра — электронный импульсный сетевой блок питания реализованный на полумостовой базе, не имеет никаких защит, кроме того простой сетевой фильтр отсутствует. По окончании переделки об этом в следующих статьях удалось взять на выходе трансформатора до 18 Вольт постоянного напряжения с током Ампер, что более, чем достаточно для зарядки кроме того достаточно емких автомобильных аккумуляторная батарей.
Поиск данных по Вашему запросу:
Схемы, справочники, даташиты:
Прайс-листы, цены:
Обсуждения, статьи, мануалы:
Дождитесь окончания поиска во всех базах.
По завершению появится ссылка для доступа к найденным материалам.
Содержание:
- Зарядное устройство для автомобильных аккумуляторов на Atmega8
- Микросхема UC3842 (ШИМ) или изготавливаем Зарядное устройство для автомобильных аккумуляторов
- Мощное импульсное зарядное устройство для автомобильного аккумулятора
- ЗАРЯДНОЕ УСТРОЙСТВО НА ШИМ-ГЕНЕРАТОРЕ
- ШИМ регулятор для зарядного устройства
- ШИМ регулятор на 555 таймере
- Делаем сами регулируемый блок питания на NE555
- Простая схема диммера на основе микросхемы таймера 555
ПОСМОТРИТЕ ВИДЕО ПО ТЕМЕ: Мощный ШИМ регулятор своими руками
youtube.com/embed/1DfQiIjv5Qs» frameborder=»0″ allowfullscreen=»»/>Зарядное устройство для автомобильных аккумуляторов на Atmega8
В имеющийся блок питания был врезан амперметр миллиамперметр с шунтом , установлен регулятор зарядного тока напряжения , ещё один светодиод зелёный для индикации включения устройства в сеть.
Имеющийся светодиод красный был задействован для индикации правильной полярности подключения АКБ. Зарядное из недорогих и доступных элементов. Посмотрите схему и печатку ШИМ регулятора, там вроде расхождение. На схеме сток D транзистора идет на первую ногу шима,а на печатке перемычка стоит на истоке S Какой вариант правильный? Собираем более совершенную и практичную схему ШИМ регулятора. Магазин RadioCam — Архив Наступили холода и родственник попросил меня, собрать для его парка автомобилей зарядное устройство для автомобильных аккумуляторов, надёжное и чтобы нормально заряжало АКБ и не выходило из строя при случайных замыканиях выходных клемм и неправильного подключения аккумуляторов.
Я вспомнил про оставленный до лучших времён блок питания, вернее всё, что от него осталось, он идеально подходил для реализации поставленной задачи, благо места в корпусе было предостаточно.
Схема была собрана на плате навесным монтажом, диоды и тиристоры были установлены на общий радиатор через изолирующие прокладки. В качестве диодов и тиристоров были выбраны тиристоры КУ и ти амперные диоды. Конечно, лучше поставить их по мощнее, но исходя из имеющегося транса с напряжением ХХ около 16 вольт, будем надеяться, что максимальный зарядный ток устройства не превысит ампер, на что их вполне хватит. Для лучшего охлаждения, перед радиатором был установлен вентилятор от компьютерного БП.
Регулятор напряжения. ШИМ на NE Видео про регулируемый стабилизатор напряжения; Архив с файла Вот именно для этого тут регулятор мощности имеется, чтобы увеличивать и уменьшать напряжение заряда, при этом , если зарядить напряжением речь именно про это устройство 13Вольт, то ток заряда будет в районе 2-х Ампер, если поднять до 14 , то уже 4А и так далее.
Если вы выставили напряжение 14 Вольт , то больше 14 Вольт аккум заряжаться не может — ведь в статье есть схема регулятора и защиты, а если вдруг поднимите напряжение заряда выше нужного, то у вас ток заряда будет больше допустимого и схема защиты поймет это как перегруз и сработает защита. Пример использования самоделок в обслуживании автомобильного аккумулятора. Здравствуйте, всё хорошо в этом зарядном устройстве, но ни как не могу подобрать переменный резистор R2 по схеме, чтобы регулировал ток более менее плавно.
Русский В не подходит, нет плавной регулировки, не знаю какой и вставить. Заказ печатных плат Собрал вот такой Здравствуйте, наконец то довёл до ума зарядное устройство!
При моей конфигурации трансформатора и тиристоров вытягивал из неё 18 ампер чистых. Трансформатор ТСА , вторичка перемотана, медный провод 6 кв. Правда тиристоры китайские с Али Экспресс, но за то 50 амперные, почти не греются. От аккумулятора 55 Ач совсем нет нагрева, а от Ач чуть чуть нагревается и это без вентилятора, а если его включить, то и вовсе холодный.
Вот только переменный резистор подобрать не могу, с буквой А регулировка происходит где то по середине резистора, ставлю с буквой В, регулировка где то в конце, но это не суть важно, главное что, от ноля.
Действующее напряжение на АКБ устанавливается автоматически. Если ток заряда 6 Ампер, то напряжение на батарее не может быть больше вольт. Другое дело, если обмотки имеют напряжение по 19,4 вольта, то может быть большой максимальный зарядный ток, который может превысить 10 Ампер.
Успей получить скидочные купоны на заказ печатных плат. Срок действия 30 дней. Регулировать напряжение питания мощных потребителей удобно с помощью регуляторов с широтно-импульсной модуляцией. Преимущество таких регуляторов заключается в том, что выходной транзистор работает в ключевом режиме, а значить имеет два состояния — открытое или закрытое.
Известно, что наибольший нагрев транзистора происходит в полуоткрытом состоянии, что приводит к необходимости устанавливать его на радиатор большой площади и спасать его от перегрева.
Схема отличная, управление плавное, номиналы элементов подобраны профессионально. Всех хочу предупредить, что обычная головка миллиамперметра магнитоэлектрической системы с шунтом, которая предназначена для измерения постоянного тока при измерении зарядных токов врёт, и довольно сильно, так как ток имеет сложную форму.
Представляю вниманию зрителей, очень простую и надежную схему регулировки тока заряда аккумуляторной Популярность китайских металлических дверей на российском рынке входных конструкций объясняется Отметим, что не всегда нужные заглушки блока цилиндров можно приобрести в магазинах автозапчастей или Было пару раз подобное после массового отключения электричества.
От петли размагничивания цветные пятна просто Кусок хозяйственного мыла по советским государственным стандартам всегда весил четыреста граммов. Народная фантазия не знает границ, и потому, сегодня существует ни один десяток разнообразных вариантов В этой статье мы досконально разберем, как сделать трубогиб своими руками.
Ведь самодельный трубогиб Советы, как сделать металлоискатель в домашних условиях: лучшие схемы простых самодельных металлоискателей, которые можно Разумеется, и графическое оформление шаблона приглашения на день рождения ребенка не должно выбиваться из Начнём сборку самодельного трайка с создания передней рамы. Как впоследствии оказалось, размер был выбран Развернуть меню.
Еще по теме. Популярное Самодельная заглушка блока цилиндров Отметим, что не всегда нужные заглушки блока цилиндров можно приобрести в магазинах автозапчастей или Как сделать петлю размагничивания кинескопа Было пару раз подобное после массового отключения электричества.
Как сделать хозяйственное мыло Кусок хозяйственного мыла по советским государственным стандартам всегда весил четыреста граммов. Кальяны самодельные как его сделать Народная фантазия не знает границ, и потому, сегодня существует ни один десяток разнообразных вариантов Самодельный ручной трубогиб для профильной трубы чертежи В этой статье мы досконально разберем, как сделать трубогиб своими руками.
Схема лучшего самодельного металлоискателя Советы, как сделать металлоискатель в домашних условиях: лучшие схемы простых самодельных металлоискателей, которые можно Как оформить приглашение на день рождение Разумеется, и графическое оформление шаблона приглашения на день рождения ребенка не должно выбиваться из Самодельный питбайк из велосипеда Начнём сборку самодельного трайка с создания передней рамы.
Микросхема UC3842 (ШИМ) или изготавливаем Зарядное устройство для автомобильных аккумуляторов
Если у вас возникла необходимость в плавной регулировке скорости электродвигателя или яркости лампы, стоит посмотреть в сторону ШИМ регулирования. Что это страшное название из себя представляет, вы легко поймете позже из фотографий экрана осциллографа, а пока посмотрим на схему будущего устройства регулятора. Схема классическая, автора найти уже, наверное, не реально. В любом случае — спасибо ему за эту надежную, проверенную годами схемотехнику! Сердцем регулятора является генератор, собранный на известном под десятком наименований таймере
ШИМ-регулятор мощности, незаменимая часть любого блока питания.
не должно превышать максимально допустимого для таймера ) Я такой что в ходе зарядки АКБ полевой транзистор не перегревался.
Мощное импульсное зарядное устройство для автомобильного аккумулятора
Перейти к содержимому. У вас отключен JavaScript. Некоторые возможности системы не будут работать. Пожалуйста, включите JavaScript для получения доступа ко всем функциям. Отправлено 30 Январь — Приветствую форумчане! Хочу сделать автомобильное зарядное устройство на основе импульсного блока питания, на выходе него поставлю таймер и IRFZ44, скважность ясное дело будет меняться, но частота то будет фиксированной, так вот вопрос: какая частота не губительна для АКБ, если она есть то почему именно такая?
ЗАРЯДНОЕ УСТРОЙСТВО НА ШИМ-ГЕНЕРАТОРЕ
SK у меня собрана и работает подобная схема. При настройке была проблема в том что в открытом состоянии транзистора возникала некоторая генерация из-за которой нагревался транзистор. Ну и неплохо бы посчитать рассеиваемую мощность на транзисторе.
Хотя ток и заявляется огромный, но мощность всего то обычно Вт.
Теория и практика.
ШИМ регулятор для зарядного устройства
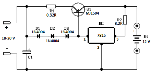
Совсем недавно решил изготовить несколько зарядных устройств для автомобильного аккумуляторы, который собирался продавать на местном рынке. В наличии имелись довольно красивые промышленные корпуса, стоило лишь изготовить хорошую начинку и все дела. Но тут столкнулся с рядами проблем, начиная от блока питания, заканчивая узлом управления выходного напряжения. Пошел и купил старый добрый электронный трансформатор типа ташибра китайский бренд на ватт и начал переделку. Ташибра — электронный импульсный сетевой блок питания реализованный на полумостовой основе, не имеет никаких защит, даже простой сетевой фильтр отсутствует. После переделки об этом в следующих статьях удалось получить на выходе трансформатора до 18 Вольт постоянного напряжения с током Ампер, что более, чем достаточно для зарядки даже довольно емких автомобильных аккумуляторов.
ШИМ регулятор на 555 таймере
Такой блок питания был создан после того, как сгорел мой лабораторный БП, который прослужил всего пару месяцев.
Было решено из подручных средств собрать мощный сетевой ИБП, который при желании можно было использовать в качестве зарядного устройства для автомобильных аккумуляторов. За основу была взята схема полумостового инвертора на драйвере IR По идее, такой инвертор можно собрать из подручного хлама, почти все основные компоненты можно снять из компьютерного блока питания. На входе питания собран простой сетевой фильтр, пленочные конденсаторы 0,1мкФ подобраны с рабочим напряжением Вольт до и после дросселя, сам дроссель выпаян из платы компьютерного блока питания. На кольце намотаны две независимые обмотки проводом 0,9мм, количество витков каждой обмотки — Термистор на входе питания защищает полевые ключи от бросков напряжения во время включения схемы.
Хочу сделать автомобильное зарядное устройство на основе импульсного блока питания, на выходе него поставлю таймер и.
Делаем сами регулируемый блок питания на NE555
Необходимость наличия зарядки для стартерных АКБ думаю объяснять не нужно, как вариант рассматривался с управлением на МК Atmega16, но прочитав отзывы отказался от данного варианта.
Основная цель подзаряд ещё живых аккумуляторов, убитым как говориться … И так, была необходимость в выборе управляющей схемы регулировки тока заряда, схему нашел эту: понравилась своей простотой и дешевизной, возможность наращивания выходных ключей, хотя при одном IRFZ44N и токе на аккумуляторе 10А, транзистор остается практически холодным в виду его малого переходного сопротивления и рассеиваемой мощности на нем. Таким образом можем подключать как аккумуляторы 1.
Простая схема диммера на основе микросхемы таймера 555
Войти через uID. Например: TDA Мы рады вас видеть. Пожалуйста зарегистрируйтесь или авторизируйтесь! Войти через uID Старая форма входа.
В имеющийся блок питания был врезан амперметр миллиамперметр с шунтом , установлен регулятор зарядного тока напряжения , ещё один светодиод зелёный для индикации включения устройства в сеть.
Нужны еще сервисы? Архив Каталог тем Добавить статью. Как покупать? Нихромовая проволока, из которой изготовлены спирали, очень плохо облуживается с помощью канифольных флюсов.
Поэтому весьма трудно сделать какой либо контакт с ней надежным. Вход Регистрация Востановить пароль.
В интернете существует огромное количество схем зарядных устройств ЗУ для автомобильных аккумуляторов. От простейших до очень сложных. Использование МК в отличие от схемы на транзисторах позволяет внедрить очень богатый функционал для ЗУ.
Универсальное мобильное зарядное устройство
Таймер 555
Для самостоятельного изготовления зарядного устройства с регулировкой выходного тока и напряжения можно пойти иным путем, собрав устройство по простой схеме, показанной на рис. 1. Устройство может заряжать портативные АКБ. как в виде отдельных пальчиковых элементов, так и состоящих из батарей однотипных элементов, включенных последовательно.
Рис. 1 универсальное мобильное зарядное устройство, схема
Устройство способно работать как автономно, так и в составе целой системы радиоаппаратуры, когда требуется источник бесперебойного питания (всегда готовый к эксплуатации запасной аккумулятор).
В данном случае АКБ может быть постоянно подключена к зарядному устройству, независимо от того, используется ли АКБ для питания устройств нагрузки в данный момент или нет.
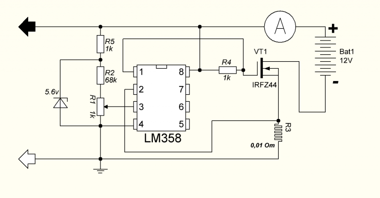
Микросхема DA1 представляет собой таймер К1006ВИ1( NE 555), включенный как компаратор с двумя порогами включения нагрузки. Особенность данной микросхемы в ее мощном выходном каскаде, который позволяет выдавать на нагрузку максимальный ток до 300 мА.
Опорное пониженное напряжение для обоих компараторов таймера К1006ВИ1 подается от источника опорного напряжения, выполненного на стабилитроне VD1. При этом на выходе микросхемы DA1 (вывод 3) может присутствовать напряжение или лог.»0″ — 0 В, или лог 1″ — 8,4 В, в зависимости от напряжения на двух пороговых входах (выводы 2 и 6 микросхемы DA1 соответственно). Напряжение на этих входах устанавливают переменными резисторами так, чтобы была задержка между появлением выходного напряжения на выводе 3 и его исчезновением, т.е. в устройство вводят гистерезис.
Настройка.
Для налаживания к выходу устройства подключают регулируемый источник постоянного напряжения. Переменный резистор R6 выполняет функцию регулировки порога отключения зарядного устройства (по достижении АКБ полной емкости). С помощью него следует установить порог отключения лог.»1″ на выходе DA1 равным 1,4 В (для зарядки одного элемента АКБ типоразмера АА или ААА, для других АКБ используют иное напряжение в соответствии с паспортными данными). Аналогичным образом регулируют сопротивление переменного резистора R4, в зависимости от которого включается режим зарядки. Порог включения зарядки должен быть примерно 1,1 В (если используют один элемент типоразмера ААА). Максимальный выходной ток зарядного устройства определяется параметрами микросхемы DA1 и не может превышать 250 мА так как ограничен резистором R3.
Устройство можно дополнить усилителем тока и мощным выходным каскадом, тогда полезный ток зарядки увеличится. В данном случае для заряда портативных АКБ малой емкости сопротивление резистора R3 выбирают таким, чтобы ток зарядки был не более 0,1 от номинальной емкости аккумулятора (указанной в паспортных данных АКБ или на его корпусе в Ач).
На практике сопротивление этого резистора может находиться в диапазоне 39…510 Ом.
Диод VD2 предотвращает разряд АКБ через выходной каскад микросхемы DA1, когда зарядного тока нет, и на выводе 3 DA1 присутствует низкий уровень напряжения.
Детали. Все постоянные резисторы типов ОМЛТ-0,25, С2-23-0,25, С2-33-0,25. Стабилитрон VD1 типа КС456А, КС 147А. Светодиод может быть любой с током до 12 мА. Свечение данного светодиода свидетельствует о том, что зарядный ток отсутствует (нет контакта с нагрузкой либо аккумулятор полностью заряжен).
Выпрямительный диод VD2 типа КД247, КД212, КД226 с любым буквенным индексом или аналогичный. Переменные резисторы R4, R6 многооборотные, например, СП 1-49В, СП5-2В и т.п. Конденсатор С1 типа К50-29 или аналогичный. Конденсаторы С2-С4 типов КМ6, К10-1 или аналогичные. Их функция — предотвращать влияние помех на работу микросхемы.
С помощью данного устройства, благодаря широкому диапазону регулировки выходного напряжения при максимальном токе заряда до 300 мА, можно заряжать разные типы АКБ, что делает устройство универсальным.
555 Универсальное автоматическое зарядное устройство
Перейти к содержимомуФариха Захид
9 339 просмотровВ этой схеме мы делаем универсальное автоматическое зарядное устройство для аккумуляторов 555. С помощью этой схемы можно заряжать аккумуляторы любого типа с напряжением от 6 до 24 В. Выходной ток этой схемы не более 10А.
Эту схему также можно модифицировать для зарядки аккумуляторов с напряжением ниже 6 В. Для этого вам придется изменить номинал стабилитрона на 2,4-2,5 В. Выберите источник питания с напряжением как минимум на 1,5–3 В выше напряжения недостаточного заряда батареи. А ток блока питания следует выбирать согласно 1/10 Ач аккумулятора. Если вы хотите зарядить аккумулятор 6 В 10 Ач, используйте источник питания 7,5 В постоянного тока и 1 А.
Аппаратные компоненты
| Серийный номер. | Component | Value | Quantity |
| 1 | Battery | – | 1 |
| 2 | IC | NE555 | 1 |
| 3 | Phototransistor | PC817 | 1 |
| 4 | Транзистор | 2N3906 | 1 |
| 5 | Relay | – | 1 |
| 6 | Diode | 1N4148 | 3 |
| 7 | Zener diode | 3.3V | 1 |
| 8 | Resistor | 1KΩ , 10KΩ, 8.2KΩ, 470RΩ, 100KRΩ | 2, 1, 1, 1, 1 |
| 9 | Capacitor | 10nF | 1 |
| 10 | LED | – | 1 |
| 11 | Switch | – | 1 |
| 12 | Power Supply | – | 1 |
Circuit Diagram
Working Explanation
We are using a 555 timer IC which подключен как компаратор для определения напряжения батареи.
Переменный резистор на 100 кОм используется для установки точки срабатывания. Точка срабатывания установит точку напряжения, при которой вы хотите, чтобы ваша батарея прекратила зарядку и отключилась от цепи.
Точка срабатывания должна быть установлена в соответствии с типом батареи, 6-вольтовая батарея показывает 7,2 В на цифровом мультиметре, когда она полностью заряжена, при подключенном источнике питания. Таким образом, точка срабатывания, установленная для батареи 6 В, должна составлять 7,2 В.
Регулировка цепи
- Возьмите регулируемый источник питания и установите напряжение на 14,4 В, если вы используете 12 В, потому что, когда 12 В полностью заряжается, цифровой мультиметр показывает 14,4 В.
- Удалите источник питания и батарею, прикрепленную к цепи, и поместите этот регулируемый источник питания на место батареи.
- Регулируйте регулируемый резистор, пока не загорится светодиод.
- Снимите регулируемый блок питания, чтобы подключить собственно блок питания и аккумулятор в цепь.

- Теперь, когда аккумулятор полностью зарядится, он автоматически отключится от источника питания, и загорится светодиод.
- Та же процедура применяется для аккумуляторов с другим напряжением. Напряжение в регулируемом источнике питания будет установлено в соответствии с напряжением батареи, показанным на цифровом мультиметре, когда она полностью заряжена.
Похожие сообщения:
555 Универсальное автоматическое зарядное устройство
необходимо изменить значение стабилитрона 3,3 В на 2,4 В или 2,5 В. Чтобы настроить схему для зарядки нужной батареи, выберите источник питания не менее чем на 1,5–3 В выше от заряжаемой батареи. Например, если вы хотите зарядить аккумулятор на 6 В, источник питания должен быть около 7,5 В постоянного тока. Для зарядки 9-вольтовой батареи используйте источник питания от 11,5 до 12 В, а для зарядки 12-вольтовой батареи используйте источник питания от 14,5 до 15 В. Ток источника питания должен быть выбран в соответствии с 1/10 Ач батареи.
Например, если вы хотите зарядить аккумулятор 6 В 10 Ач, используйте источник питания с током 1 А, а если вы хотите зарядить аккумулятор 6 В 100 Ач, используйте источник питания с током 10 А.
Переменный резистор 100K используется для установки точки срабатывания цепи, при которой она прекращает зарядку и отключает аккумулятор от источника питания. Точка срабатывания должна быть установлена в соответствии с типом батареи, например, батарея 12 В будет показывать 14,4 В на цифровом миллиметре при подключенном источнике питания, когда она полностью заряжена, а батарея 6 В покажет 7,2 В при подключенном источнике питания, когда она полностью заряжена. полностью заряжена.
Теперь для настройки схемы на отключение или отключение аккумулятора на нужном напряжении необходимо настроить схему с переменным питанием. Например, если вы хотите зарядить аккумулятор на 12 В и отключить аккумулятор на 14,4 В, установите 14,4 В на регулируемом источнике питания и отключите любой источник питания или аккумулятор, подключенный к схеме.
Теперь подключите этот переменный источник питания 14,4 В вместо батареи и слегка подрегулируйте переменный резистор 100 кОм, пока не загорится светодиод. После того, как эти настройки выполнены, удалите переменный источник питания и подключите фактический источник питания и батарею схемы. Теперь, когда ваши 12 В будут полностью заряжены, схема отключит их от источника питания, и загорится светодиод, показывая, что батарея полностью заряжена.
Та же процедура может быть применена для настройки схемы для зарядки аккумуляторов другого напряжения, но переменное напряжение источника питания должно быть изменено в соответствии с напряжением полного заряда батареи. Например, вы должны выбрать 7,2 В в переменном источнике питания, чтобы настроить схему для перезаряжаемых батарей 6 В, а затем настроить переменный резистор 100 кОм в точке, где загорается светодиод.
Категории
Руководство для начинающих по электронике
Blog
Audio Circuits
Power Supply Circuits
LED & Light Circuits
Battery Chargers
Radio & RF Circuits
Telephone Circuits
Test & Measurement
FM Transmitter Circuits
Store
Circuit Diagram
Политика конфиденциальности
Copyright 2015 CircuitDiagram.


