Как сделать уникальные светодиодные часы самостоятельно. Какие материалы и компоненты потребуются для создания оригинальных часов. Пошаговые инструкции по сборке 10 интересных моделей часов своими руками. Как украсить интерьер необычными самодельными часами.
Светодиодные часы из шариков для пинг-понга
Этот оригинальный проект позволяет создать необычные светодиодные часы, используя обычные шарики для настольного тенниса в качестве рассеивателей света. Для изготовления таких часов потребуется:
- Около 100 шариков для пинг-понга
- Светодиодная лента
- Микроконтроллер Arduino
- Рамка для сборки конструкции
- Клей, ножницы
Процесс сборки включает следующие этапы:
- Разрезать каждый шарик чуть ниже середины, чтобы получить шестиугольную форму
- Склеить шарики между собой в нужную конфигурацию
- Установить светодиодную ленту и Arduino на заднюю панель рамки
- Закрепить конструкцию из шариков на рамке
- Запрограммировать Arduino для отображения времени
В результате получаются оригинальные часы с эффектным световым шоу при отображении времени. Внешний вид можно легко кастомизировать под свой интерьер.

Часы с беспроводной IoT-подсветкой
Данный DIY-проект позволяет создать стильные аналоговые часы с современной светодиодной подсветкой и возможностью управления через Wi-Fi. Для реализации понадобится:
- Микроконтроллер Arduino с Wi-Fi модулем
- RGB светодиодная лента
- Часовой механизм
- Корпус часов
- Блок питания
Ключевые особенности проекта:
- Использование света для отображения времени вместо стрелок
- Возможность настройки цветовой схемы подсветки
- Управление через Wi-Fi с помощью смартфона
- Программирование эффектов подсветки на Arduino
Такие часы станут стильным и функциональным дополнением современного интерьера, объединяя классический дизайн и новые технологии.
Линейные часы на Arduino
Этот минималистичный проект позволяет создать необычные линейные часы, отлично подходящие для рабочего стола. Для сборки потребуется:
- Arduino
- Шаговый двигатель
- Драйвер двигателя
- Пенопластовая доска
- Карнизы, шкивы, нить
- Источник питания 6-9В
Принцип работы основан на использовании шагового двигателя для линейного перемещения маркеров времени. Arduino управляет двигателем и отсчитывает время.

Процесс сборки включает:
- Сборку механической части из пенопласта и карнизов
- Монтаж шкивов и нити для перемещения маркеров
- Подключение шагового двигателя к Arduino через драйвер
- Программирование Arduino для отсчета времени
В результате получаются оригинальные часы, которые станут стильным аксессуаром для рабочего места.
Цифровые бумажные 3D часы
Этот креативный проект позволяет создать необычные объемные часы с движущимися бумажными цифрами. Для реализации понадобится:
- Arduino Uno
- 28 сервоприводов
- Контроллер сервоприводов
- Модуль часов реального времени DS1307
- Картон, клей, нож для бумаги
Принцип работы основан на использовании сервоприводов для перемещения бумажных сегментов, формирующих цифры. Это создает эффектный 3D дисплей.
Ключевые этапы сборки:
- Изготовление бумажных цифровых сегментов
- Монтаж сервоприводов на основу часов
- Подключение сервоприводов к Arduino через контроллер
- Программирование логики отображения времени
Такие необычные часы с объемными движущимися цифрами станут ярким акцентом в любом интерьере.

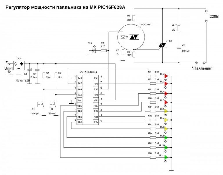
Часы с шестеренками
Этот впечатляющий проект позволяет создать масштабную модель механических часов с видимым механизмом шестеренок. Для реализации потребуется:
- МДФ для изготовления шестеренок
- Микроконтроллер PIC 16F628A
- Шаговый двигатель
- Подшипники, оси
- Блок питания
Особенности проекта:
- Полностью рабочий механизм из шестеренок
- Использование микроконтроллера для отсчета времени
- Шаговый двигатель для привода механизма
- Возможность наблюдать за работой «внутренностей» часов
Часы с шестеренками станут эффектным элементом декора и наглядно продемонстрируют принципы работы механических часов.
Деревянные часы со светодиодной подсветкой
Этот DIY-проект сочетает натуральные материалы и современную электронику. Для изготовления часов потребуется:
- Деревянный брусок или панель МДФ
- Сверхъяркие светодиоды
- Микроконтроллер
- Часы реального времени
- Маломощные транзисторы
Особенности проекта:
- Отображение времени разноцветными светодиодами
- Теплый деревянный корпус
- Возможность настройки яркости и режимов подсветки
- Компактный размер, подходящий для прикроватной тумбочки
Такие часы станут стильным аксессуаром, сочетающим природные текстуры дерева и современную светодиодную подсветку.

Реконструированные аналоговые часы с цифровым дисплеем
Этот проект позволяет модернизировать обычные аналоговые часы, добавив им цифровой дисплей. Для реализации понадобится:
- Старые аналоговые часы
- Микроконтроллер Arduino
- Сервоприводы
- Дисплей или светодиоды для цифр
- Картон, бумага, клей
Процесс модернизации включает:
- Разборку корпуса часов
- Установку сервоприводов для управления стрелками
- Монтаж цифрового дисплея
- Подключение компонентов к Arduino
- Программирование логики работы
В результате получаются уникальные гибридные часы, сочетающие классический аналоговый циферблат и современный цифровой дисплей.
Как сделать LED часы с беспроводной подсветкой стрелок и циферблата
Настольные часы с подсветкой стрелок с технической точки зрения не такой уж и простой механизм. Загвоздка заключается в питании этих светодиодов. Так как стрелки вращаются, то проложить по ним провода от батарейки невозможно. Запитать светодиоды в этом случае можно лишь беспроводным способом. Сделать это реально и в домашних условиях, поэтому сделать такие часы при желании способен каждый.
Содержание
- Материалы:
- Процесс изготовления часов с беспроводным питанием подсветки стрелок
- Смотрите видео
Материалы:
- Прозрачное оргстекло;
- эмалированная медная проволока;
- суперклей;
- белые светодиоды 3 В – 4 шт. -http://alii.pub/5lag4f
- красный, синий и зеленый светодиоды;
- ферритовая катушка – http://alii.pub/66lx1w
- транзистор С 2581 5D3 – http://alii.pub/6abyfn
- конденсатор 0,1 мкФ – http://alii.
pub/5n14g8 - резистор 1 кОм – http://alii.pub/5h6ouv
- часы настольные электронные;
- черная тонировочная пленка.
Процесс изготовления часов с беспроводным питанием подсветки стрелок
Первым делом вырезаем из прозрачного оргстекла круглое основание циферблата часов. При резке болгаркой учтите, то материал оплавляется, поэтому проходить диском необходимо за разметкой.
Далее нужно сделать 4 боковых запила накрест для белых светодиодов. Они должны в них свободно помещаться.
Теперь делаем на оргстекле разметку секундной, минутной и часовой стрелки. После этого вырезаем их. Далее просверливаем стрелки, и само основание циферблата.
Далее наматываем на заготовку 10 витков медной проволоки. Чтобы они держались, пропитываем их суперклеем. Края обмотки должны быть выведены напротив будущей метки 12 часов.
После этого циферблат можно просверлить, делая отверстия по месту размещения в будущем цифр.
Кончики обмотки необходимо подогнуть, зачистить до металла и залудить.
Теперь берем 4 белых светодиода, и подпаиваем к ним проводки. Затем вклеиваем их в пазы на заготовке основания циферблата. Провода от светодиодов нужно припаять к кончикам обмотки.
В центр основания циферблата приклеивается пластиковое кольцо диаметром 27 мм.
Затем временно прикладываем сверху диск, и стягиваем все это болтом. Это нужно для намотки. После этого наматываем на кольцо 10 оборотов проволоки. Затем подводим ее край к 12 часам, сгибаем, и делаем еще 30 оборотов.
Далее нужно аккуратно убрать накладной диск, и укрепить витки суперклеем. Таким образом, из проволоки получаем 3 конца. Слева идет начало намотки, в центре двойной край, и справа располагаем конец после 40 оборотов.
На минутную и часовую стрелки приклеиваются втулки, для их крепления на часовой механизм. После чего на них наматывается по 20 витков проволоки. На секундную стрелку приклеивается ферритовая катушка.
На нее наматываем 40 витков. На всех стрелках должны остаться длинные кончики из проволоки.
Концы проволоки на стрелках подклеиваем до краев, и затем к ним припаиваются цветные светодиоды. К секундной стрелке – красный, к минутной – зеленый, к часовой – синий.
Правый край обмотки с ферритовой катушки нужно припаять к центральной ножке (коллектору) транзистора. К левой ножке (эмиттеру) паяем конденсатор. К свободному контакту последнего подсоединяем начало обмотки, а также резистор 1К. Ну и свободную ножку от резистора припаиваем к сдвоенному краю обмотки.
Теперь можно заняться питанием. Для этого припаиваем плюсовой провод к сдвоенному концу обмотки и резистору, а минусовой к базе транзистора. Если все собрано правильно, то при подаче напряжения 5В произойдет свечение белых светодиодов. Также если приложить стрелки, то их светодиоды тоже засветятся.
Сзади основания приклеивается часовой механизм, а также транзистор с алюминиевым радиатором для охлаждения.
После этого можно клеить сам циферблат, выполненный из черной тонировочной пленки с вырезанными цифрами и разметкой.
После этого ставим стрелки на часовой механизм. Для установки часов собирается стойка, на которой их можно подвесить. Она склеивается также из оргстекла. По стойке прокладываются провода, и к ней приклеивается разъем для блока питания.
Таким образом, часовой механизм будет работать от батарейки, а подсветка циферблата и стрелок от блока питания. То есть, если даже электричество в сети пропадет, то часы не остановятся, а будут показывать точное время, просто стрелки перестанут подсвечиваться.
Интересная статья: Как запитать механизм кварцевых часов 1,5 В от сети 220 В – https://sdelaysam-svoimirukami.ru/8265-kak-zapitat-mehanizm-kvarcevyh-chasov-15-v-ot-seti-220-v.html
Смотрите видео
Источник: sdelaysam-svoimirukami.ru
Светодиодные часы своими руками на ардуино (Arduino) WS2812 управляемых (адресных)
После очередной модернизации своего 3D принтера . Кстати статья и видео по модернизации Anet 8A скоро выложу.
И так о чем это я. Ах да. И вот решил я напечатать плоские и большие детали. Именно они у меня отрывались от стала 3D принтера. Даже бывало отрывало вместе со скотчем.
Новая версия Часов!
Нашел я модель светодиодных часов . Скачать модель можно со страницы автора.
Для
проекта желательно взять плату
Arduino Nano
,
и модуль часов
DS3231.
Сборка часов на Arduino и адресных светодиодах WS2812:
1. Печатаем все детали на 3D принтере.
2. Приклеиваем светодиодную ленту на 2 пластины и спаиваем их зигзагом.
3. Устанавливаем решетки поверх ленты. Получим вот такой результат.
4. Укладываем все в корпус часов и крепим все на винтики М3.
5. Ставим крепление для ножек и крепим ножки.
6. Подключаем электронику по схеме.
7. Загружаем прошивку в Arduino. Автор использует Arduino Pro Mini, я решил использовать Arduino NANO v2 (ATmega168).
Прошивка у автора мне не понравилась и
я решил ее полностью переписать. В связи
с тем что у
часов всего 5 строк.
То стандартные
библиотеки для вывода
текста
на матрицу не подошли. И
пришлось самостоятельно
создавать
каждый символ.
В итоги у часов получились вот такие возможности:
1. Настройка цвета циферблата.
2. Изменение яркости 10 режимов.
3. Вывод текущей даты в виде бегущей строки.
4. Сохранение всех настроек в энергонезависимую память. При выключении часы сохраняются все настройки.
5. Модуль часов реального времени, оснащенный дополнительной батарей, позволяет хранить текущую дату и время не завися от наличия питания на самом устройстве.
6.
Прошивка уменьшаться на
Arduino Nano V2.0
(ATmega168)
. При увеличение функционала часов
необходимо использовать
Arduino Nano V3.
0
(ATmega328)
.
В связи с тем что
я использовал Arduino
Nano V2.0 (ATmega168),
дальше расширять функционал
не получится. Нет свободной памяти. Но
если поставить
Arduino Nano V3.0 (ATmega328) в которой
1. Сделать авто регулировку яркости. Поставив фото резистор.
2. Поставить спикер и написать настройку будильника.
3. К функциям будильника можно сделать стробоскоп. Мигать просто белым или как полицейская сирена одна сторона синим другая красным.
4.
Поменять Arduino Nano на NodeMCU и сделать
управление
часами через
смартфон. Вывести погоду, курс валюты.
Грубо
говорят сделать информер. Но так как
дисплей часов не очень большой.
Большая
информация будет не очень читабельная.
У автора корпуса есть доработанные версии часов. Например подставка сделана уже побольше и часы более устойчивые. Также сделаны накладки которые закрывают провода с задней стороны.
Больше
фото по проекту сотрите тут:
Светодиодные часы своими руками на ардуино (Arduino) WS2312
Не забывайте подписываться на канал Youtube и вступайте в группы в Вконтакте и Facebook.
Всем Пока-Пока. И до встречи в следующем проекте.
Файлы для скачивания
Скачивая материал, я соглашаюсь с
Правилами скачивания и использования материалов.
| Clock_v1.ino | 10 Kb | 1492 | Скачать |
#14 Денис777 (29 января, 2022 в 08:37)сделал на панели 32х8 ws2812 . часы хорошие ..#13 Денис777 (28 января, 2022 в 14:49)исправил для панели ws2812 32×8 но проблема осталась ( показывает зеркально . помогите исправить #12 Денис777 (27 января, 2022 в 14:50)Здравствуйте . как развернуть часы ? у меня модуль 32х8 ws2812 … показывает только часы и две точки .#11 Serj156 (27 января, 2020 в 14:50)
Библиотека, которую вы правили подойдет, если пробовать переделать скетч для Nodemcu?
А вы самостоятельно проверить не можете?
#10 jaxkz (19 января, 2020 в 16:06)Библиотека, которую вы правили подойдет, если пробовать переделать скетч для Nodemcu?#9 jaxkz (19 января, 2020 в 16:05)Константин, вы на nodemcu код не переделывали?#8 Фукс (29 декабря, 2019 в 07:59)Подскажите,как сделать 24 часовой формат времени#7 Vita (9 декабря, 2019 в 10:20)Хороший проект!#6 Mihail (9 ноября, 2019 в 22:02) Отличный проект! Я пытаюсь сделать на матрице 8×32 ws2812b — не получается.
Как только инициализируется ds3231 данные перестают идти на матрицу. На lcd1602 всё идёт. Arduino uno, Adafruit_NeoMatrix.h. Не хватает led!, чтобы посмотреть скетч.#5 Гость: мармок (4 октября, 2019 в 11:59)Часы со звуком??
#4 крокодил (21 сентября, 2019 в 11:55) Ну и пусть что они обойдутся дороже , зато ты знаешь что они долго пророботуют.#3 Гость: grupeer (10 сентября, 2019 в 12:50)Часы красивые и функциональны. Но себестоимость какая? Возможно купить такие же в магазине будет дешевле.
#2 крокодил (9 сентября, 2019 в 12:05)Часы супер. Сколько время понадобилось чтобы сделать их?#1 Степка-3003 (5 сентября, 2019 в 08:35)Часы супер. Сколько времени печатаются детали?10 потрясающих идей часов своими руками, которые мгновенно преобразят ваш дом или офис
Часы могут быть как декоративными, так и функциональными. Но декоративные часы могут оставить значительную брешь в вашем бюджете на благоустройство дома или офиса.
К счастью, вам не нужно тратиться на него, потому что, проявив немного творчества, вы можете превратить почти что угодно, от шарика для пинг-понга до дерева, в часы. Ознакомьтесь с этими десятью потрясающими идеями изготовления часов своими руками, которые мгновенно преобразят ваш дом или офис.
1. Светодиодные часы с шариками для пинг-понга
В этих часах, сделанных своими руками, шарики для пинг-понга используются в качестве рассеивателей для набора светодиодных индикаторов, отображающих время. В выключенном состоянии он выглядит как набор шариков для пинг-понга, сложенных в рамку, но во включенном состоянии светодиодное световое шоу создает потрясающий визуальный эффект при отображении времени. И это тоже довольно легко сделать.
Сначала найдите около 100 шариков для пинг-понга (уменьшите или увеличьте количество, чтобы сделать часы настолько большими или маленькими, насколько вы хотите), разрежьте каждый из них чуть ниже средней линии, чтобы получился шестиугольник, а затем склейте их вместе.
Наконец, сложите их в рамку (любой формы, которая вам нравится), где светодиоды и Arduino уже находятся на задней панели, чтобы завершить установку.
2. Световые часы (IoT)
Если вам нравятся аналоговые часы, эти самодельные световые часы — идеальный способ придать им технологичный и современный вид. В отличие от стандартных аналоговых часов, эта самодельная модель использует свет для определения времени. Вы можете использовать любые цветовые комбинации, которые вам нравятся, и самое приятное то, что он использует Arduino, что означает, что его можно запрограммировать для работы по Wi-Fi, что упрощает дистанционное управление. Узнайте, что вам нужно для этого, в этом руководстве.
Связано: Лучшие светодиодные проекты Arduino
3. Линейные часы
Линейные часы обычно просты, минималистичны и прекрасно дополняют любой офисный стол. Так что сделайте его, следуя этому простому руководству, и избавьтесь от затрат на его покупку. Он работает на Arduino, подключенном к драйверу двигателя, и использует шаговый двигатель для управления стрелками часов.
Вам понадобится доска из пенопласта, пара карнизов, шкивы и шаговые двигатели, четыре шпульки, толстая нить, Arduino и источник питания 6-9 В. Выполните шаги, указанные в руководстве, а затем запустите код, чтобы посмотреть, как тикают ваши линейные часы.
4. Цифровые бумажные часы
Это еще одни простые, но очень функциональные часы, сделанные своими руками. Он имеет замечательный белый 3D-дизайн, в котором цифры перемещаются на панели и выходят из нее, создавая тень, которая позволяет вам видеть их и определять время.
Для этого проекта вам понадобится Arduino Uno, контроллер серводвигателя, около 28 сервоприводов для перемещения всех цифровых сегментов и часы DS1307 для отслеживания времени. Вам также понадобится картон для установки цифр, двусторонний скотч, липкие подушечки, алюминиевая трубка, резак для бумаги, клеевой пистолет и нож.
Когда вы закончите, у вас будут потрясающие самодельные часы с уникальным трехмерным механизмом смены цифр.
Ознакомьтесь с этим пошаговым руководством о том, как успешно завершить этот проект.
5. Gear Clock
Эти самодельные часы должны быть одними из самых крутых часов, которые вы когда-либо пытались сделать. Это похоже на гигантскую версию механических часов с кварцевым механизмом, только они сделаны из МДФ и используют микроконтроллер PIC 16F628A для отслеживания времени и шаговый двигатель для управления движением стрелки часов.
6. Деревянные часы со светодиодной подсветкой
Вы хотите придать деревенский оттенок своему дому или офису? Эти светодиодные часы из деревянного блока — идеальные часы для вас. Он прост в изготовлении и использует материалы, которые вы можете быстро получить, такие как микроконтроллер, сверхъяркие светодиоды, куски ламинированного шпона MDF, маломощные транзисторы и часы реального времени. После завершения он отображает время разными цветами светодиодов вместо обычных цифр.
7. Реконструированные часы
Вам надоело смотреть на одни и те же старые аналоговые часы? Обновите его, добавив вращающийся цифровой циферблат, чтобы показывать время по-другому.
Лучшая часть? Вам понадобятся только легкодоступные инструменты и материалы, такие как ножницы, принтер, клей, картон, бумага и существующие аналоговые часы (настольные часы проще всего восстановить).
Начните с разборки часов, а затем максимально используйте это простое руководство для завершения установки.
8. Лунные фазовые часы
Если вы всегда были очарованы небесными телами, эти часы с лунными фазами, сделанные своими руками, — ваш шанс принести их в свой офис или домой. Он точно отслеживает различные фазы луны и является идеальным дополнением для вашей тумбочки, главным образом потому, что он может использоваться в качестве будильника с режимом лампы, режимами Moon FX, датой, температурой и даже имеет функцию пробуждения.
Для сборки вам понадобится Arduino Nano, OLED-дисплей, сверхяркая светодиодная лента, часы реального времени, датчик DHT11, зуммер и три кнопки.
Связано: Лучшие проекты Raspberry Pi Smart Magic Mirror
9.
Часы обеденного перерываНенавидите, как летит время во время обеденных перерывов в офисе? Что ж, эти самодельные часы позволят вам протянуть дополнительные 12 минут к перерыву, замедляясь в это время!
Он использует Arduino с дополнительным чипом ATmega и несколькими другими компонентами, чтобы замедлить время примерно на 20% в 11 часов утра, а затем ускорить его в 11:48 на тот же процент, что дает вам дополнительные 12 минут вины- бесплатный обед. Если ваш начальник придет, пока вы все еще на перерыве, укажите время, и он от вас отстанет.
Ознакомьтесь с этим пошаговым руководством, чтобы успешно завершить этот проект.
10. VFD Magiclock: взлом DVD-плеера
Нужны компактные, но уникальные часы для офиса или прикроватной тумбочки? Если да, то, несомненно, эта потрясающая идея с часами своими руками мгновенно преобразит ваш дом или офис. Кроме того, это отличный способ найти хорошее применение вашему старому DVD-плееру.
Когда все будет готово, у вас будут не только стандартные часы, но и часы с беспроводным управлением, датчиком температуры и возможностью активации с помощью ИК-датчика движения.
Ознакомьтесь с пошаговыми инструкциями в этом руководстве.
Тот факт, что мы живем в эпоху, когда люди используют смарт-часы и смартфоны для определения времени, не означает, что ваши домашние или офисные часы должны быть скучными. Десять потрясающих идей часов, сделанных своими руками, приведенные выше, являются доказательством того, что они могут быть как эстетически привлекательными, так и функциональными. Так что используйте их для вдохновения и получайте удовольствие, создавая свой любимый.
60S Поворотные электронные часы DIY Kit 4-значные цифровые часы Красочные мигающие светодиодные наборы DIY с пультом дистанционного управления
Дешевле покупать вместе
- Обзор
- Связанный Продукция
- Обратная связь (0 )
- Оплата
- Перевозки и доставка
Описание:
Это набор для пайки своими руками.
Пользователь должен собрать его.
Дисплей часов. Отображение часов и минут в нормальных условиях на 4-битной цифровой трубке.
Отображение секунд на светодиодах.
Часы, минуты и секунды можно настроить независимо друг от друга.
Функция хронометража.
2-канальная независимая сигнализация.
Секунды состоят из 60 светодиодов, количество литров может быть точно синхронизировано с количеством секунд (эта схема отличается от самой большой функции других вращающихся электронных часов), из которых 48 белых светодиодов на локальной трубке белого теплого белого яркого света, сладкий это красочный ночной свет.
Каждый светодиод не зависит от токоограничивающего резистора, что обеспечивает долговременную стабильную работу.
Размер: 50мм×19мм
ПРИМЕЧАНИЕ:
1. Имеется 13 контактных площадок для короткого замыкания, обозначенных от J1 до J13. Пользователь может приварить его штифтом из других компонентов, таких как металлопленочные резисторы или светодиоды.
2. DC2 на печатной плате является резервным питанием.
3. Входная мощность 4,5–5,5 В. Если пользователи не используют резервное питание, вам не нужен сварной шов VD1-2 (1N5819) на печатной плате, но необходимо приварить контактную площадку с маркировкой «А».
Список компонентов:
Компонент | Номер | Параметр | Количество |
Электролитический конденсатор | С1 | 10 мкФ | 1 |
Керамический конденсатор | С2, С3 | 30 пФ | 2 |
0805 Конденсатор | С4, С6-С12 | 104 | 8 |
Электролитический конденсатор | С5 | 220 мкФ | 1 |
Электролитический конденсатор | С13 | 100 мкФ | 1 |
штифт 1*2P мужской | ДК5В | 2,54 мм | 1 |
4-битная цифровая трубка | ДС1 | 1 | |
74HC595 | IC1-IC5 | СОП-16 | 5 |
20-контактная розетка ИС | IC6 | 1 | |
STC11F04 | ДИП-20 | 1 | |
3 мм светодиод | LED5, LED10, LED15, LED20, LED25, LED30, LED35, LED40, LED45, LED50, LED55, LED60 | Красный | 12 |
3 мм светодиод | Белый | 48 | |
Зуммер | ЛС1 | 1 | |
S8550 | Q1-Q7 | СОТ-23 | 7 |
0805 Резистор | Р1-Р68 Р80 | 470 Ом | 69 |
0805 Резистор | Р69-Р73, Р76, Р76, Р77, Р79 | 10К | 8 |
Металлопленочный резистор | Р74, Р75 | 10К | 2 |
0805 Резистор | Р78 | 5. | 1 |
Кнопка 6*6*5 | С1, С2, С3 | 3 | |
HC-49S Кристалл | Y1 | 12 МГц | 1 |
1N5819 | ВД1-2 | 1 | |
Плата | 1 | ||
ДС18Б20 | ДС2 | ТО-92 | 1 |
ИК-приемник | h2 | HX1838 | 1 |
Инфракрасный пульт дистанционного управления | 1 |
Инструкции по отладке кнопки :
Кнопка S1: кнопка сброса.
Кнопка S2: кнопка выбора режима
Кнопка S3: Кнопки управления функциями
Режим (отображение первых 2 бит) | Функция | Отладка (отображение на 2 бита справа) | Инструкция |
01 | Отображение и коррекция секунд | Коррекция секунд | Может использоваться как секундомер |
02 | Отображение и коррекция минут | Коррекция минут | |
03 | Отображение и коррекция часов | Коррекция часов | |
04 | Почасовой хронометраж | 0: Хронометраж с 00:00 до 23:00 1: Хронометраж с 7:00 до 22:00 2: закрыть хронометраж | |
05 | Отрегулируйте скорость времени | 0-99 Позиция. Чем выше число, тем быстрее время | |
06 | 1-канальный будильник с корректировкой минут | Отображение и настройка | |
07 | 1-канальный будильник с корректировкой часов | Отображение и настройка | |
08 | 2-канальный будильник с регулировкой минут | Отображение и настройка | |
09 | 2-канальный будильник с корректировкой часов | Отображение и настройка |
Инструкции по инфракрасному пульту дистанционного управления:
1. Кнопка «0»: Состояние дисплея 0. 60 светодиодов накладываются друг на друга.
2. Кнопка «1»: Состояние дисплея 1. 60 светодиодов мигают на дисплее.
3. Кнопка «2»: Отображение состояния 2. 60 светодиодных индикаторов воды.
4. Кнопка «U/SD»: открыть/закрыть дисплей. 12 светодиодов часового времени (красный светодиод).
5. Кнопка «Питание»: закрыть весь дисплей.
6. Кнопка «Без звука»: закрыть все функции хронометража.
7. Кнопка «EQ»: отображение текущей температуры.
8. Кнопка «Режим»: введите статус отладки.
Инструкции по отладке инфракрасного пульта дистанционного управления:
1. Кнопка «0-9»: введите статус 0-9 (см. «Инструкции по отладке кнопок»).
2. Кнопки «Pre» и «Next»: статус плюс 1 или минус 1. (Отображение первых 2 бит)
3. Кнопка «VOL-» и «VOL+»: отладка (отображение на 2 бита справа)
4. Выход из состояния и нормальное отображение.
1. Протестировано выдающимся партнером ICStation Муи Фасиль Де Хасер:
Подробнее в видео:
(2) Время доставки
Время доставки составляет 7-20 рабочих дней в большинство стран; Пожалуйста, просмотрите таблицу ниже, чтобы узнать точное время доставки в ваше местоположение.
7-15 рабочих дней в: Большинство стран Азии
10-16 рабочих дней в: США, Канаду, Австралию, Великобританию, большинство стран Европы
13-20 рабочих дней в: Германия, Россия
18-25 рабочих дней в: Францию, Италию, Испанию, Южную Африку
20-45 рабочих дней в: Бразилию, большинство стран Южной Америки. >= 200 долларов США или общий вес заказа >= 2,2 кг.
Азия: Япония, Южная Корея, Монголия. Малайзия , Сингапур , Таиланд , Вьетнам , Камбоджа , Индонезия , Филиппины
Океания: Австралия , Новая Зеландия , Папуа-Новая Гвинея
Европа и Америка: Бельгия, Великобритания, Дания, Финляндия, Греция, Ирландия, Италия, Люксембург, Мальта, Норвегия, Португалия, Швейцария, Германия, Швеция, Франция, Испания, США, Австрия, Канада
Примечание: стоимость доставки в другие страны, пожалуйста, свяжитесь с orders@icstation-team.
com
(2) Время доставки и время доставки
Срок доставки: 1-3 дня
Срок доставки: 5-10 рабочих дней (около 1-2 недель) в большинство стран.
Поскольку посылка будет возвращена отправителю, если она не была подписана получателем, обратите внимание на время прибытия посылки.
Примечание:
1) Адреса APO и абонентских ящиков
Настоятельно рекомендуем указывать физический адрес для доставки заказа.
Потому что DHL и FedEx не могут доставлять товары на адреса APO или PO BOX.
2) Контактный телефон
Контактный телефон получателя необходим агентству экспресс-доставки для доставки посылки. Пожалуйста, сообщите нам свой последний номер телефона.
3. Примечание
1) Время доставки смешанных заказов с товарами с разным статусом доставки должно рассчитываться с использованием самых длинных расчетных сроков из перечисленных.

pub/5n14g8
1К
По умолчанию 50