ΠΠ°ΠΊ ΡΠΎΠ±ΡΠ°ΡΡ ΡΠ»Π΅ΠΊΡΡΠΎΠ½Π½ΡΠΉ ΡΠ΅Π²Π΅ΡΠ±Π΅ΡΠ°ΡΠΎΡ Π΄Π»Ρ ΠΌΠΈΠΊΡΠΎΡΠΎΠ½Π° Π² Π΄ΠΎΠΌΠ°ΡΠ½ΠΈΡ ΡΡΠ»ΠΎΠ²ΠΈΡΡ . ΠΠ°ΠΊΠΈΠ΅ ΠΊΠΎΠΌΠΏΠΎΠ½Π΅Π½ΡΡ ΠΏΠΎΡΡΠ΅Π±ΡΡΡΡΡ Π΄Π»Ρ ΡΠ±ΠΎΡΠΊΠΈ ΡΠ΅Π²Π΅ΡΠ±Π΅ΡΠ°ΡΠΎΡΠ°. ΠΠ°ΠΊ Π½Π°ΡΡΡΠΎΠΈΡΡ ΡΡΡΠ΅ΠΊΡ ΡΡ Π° ΠΈ ΠΎΠ±ΡΠ΅ΠΌΠ½ΠΎΠ³ΠΎ Π·Π²ΡΠΊΠ° Π² ΡΠ°ΠΌΠΎΠ΄Π΅Π»ΡΠ½ΠΎΠΌ ΡΠ΅Π²Π΅ΡΠ±Π΅ΡΠ°ΡΠΎΡΠ΅. ΠΠ°ΠΊΠΈΠ΅ ΠΏΡΠ΅ΠΈΠΌΡΡΠ΅ΡΡΠ²Π° Ρ ΡΠ°ΠΌΠΎΠ΄Π΅Π»ΡΠ½ΠΎΠ³ΠΎ ΡΠ΅Π²Π΅ΡΠ±Π΅ΡΠ°ΡΠΎΡΠ° ΠΏΠ΅ΡΠ΅Π΄ Π³ΠΎΡΠΎΠ²ΡΠΌΠΈ ΡΡΡΡΠΎΠΉΡΡΠ²Π°ΠΌΠΈ.
Π§ΡΠΎ ΡΠ°ΠΊΠΎΠ΅ ΡΠ΅Π²Π΅ΡΠ±Π΅ΡΠ°ΡΠΎΡ ΠΈ Π·Π°ΡΠ΅ΠΌ ΠΎΠ½ Π½ΡΠΆΠ΅Π½
Π Π΅Π²Π΅ΡΠ±Π΅ΡΠ°ΡΠΎΡ — ΡΡΠΎ ΡΡΡΡΠΎΠΉΡΡΠ²ΠΎ Π΄Π»Ρ ΡΠΎΠ·Π΄Π°Π½ΠΈΡ ΡΡΡΠ΅ΠΊΡΠ° ΡΠ΅Π²Π΅ΡΠ±Π΅ΡΠ°ΡΠΈΠΈ Π·Π²ΡΠΊΠ°. Π Π΅Π²Π΅ΡΠ±Π΅ΡΠ°ΡΠΈΡ ΠΏΡΠ΅Π΄ΡΡΠ°Π²Π»ΡΠ΅Ρ ΡΠΎΠ±ΠΎΠΉ ΠΌΠ½ΠΎΠ³ΠΎΠΊΡΠ°ΡΠ½ΠΎΠ΅ ΠΎΡΡΠ°ΠΆΠ΅Π½ΠΈΠ΅ Π·Π²ΡΠΊΠΎΠ²ΡΡ Π²ΠΎΠ»Π½ ΠΎΡ ΠΏΠΎΠ²Π΅ΡΡ Π½ΠΎΡΡΠ΅ΠΉ ΠΏΠΎΠΌΠ΅ΡΠ΅Π½ΠΈΡ. Π Π΅Π²Π΅ΡΠ±Π΅ΡΠ°ΡΠΎΡ ΠΏΠΎΠ·Π²ΠΎΠ»ΡΠ΅Ρ ΠΈΡΠΊΡΡΡΡΠ²Π΅Π½Π½ΠΎ Π΄ΠΎΠ±Π°Π²ΠΈΡΡ ΡΡΠΎΡ ΡΡΡΠ΅ΠΊΡ ΠΊ Π·Π²ΡΠΊΡ, ΡΠΎΠ·Π΄Π°Π²Π°Ρ ΠΎΡΡΡΠ΅Π½ΠΈΠ΅ ΠΎΠ±ΡΠ΅ΠΌΠ° ΠΈ ΠΏΡΠΎΡΡΡΠ°Π½ΡΡΠ²Π°.
ΠΡΠ½ΠΎΠ²Π½ΡΠ΅ Π·Π°Π΄Π°ΡΠΈ ΡΠ΅Π²Π΅ΡΠ±Π΅ΡΠ°ΡΠΎΡΠ°:
- Π‘ΠΎΠ·Π΄Π°Π½ΠΈΠ΅ ΡΡΡΠ΅ΠΊΡΠ° ΡΡ Π°
- ΠΠΌΠΈΡΠ°ΡΠΈΡ Π·Π²ΡΡΠ°Π½ΠΈΡ Π² Π±ΠΎΠ»ΡΡΠΎΠΌ ΠΏΠΎΠΌΠ΅ΡΠ΅Π½ΠΈΠΈ
- ΠΠΎΠ±Π°Π²Π»Π΅Π½ΠΈΠ΅ ΠΎΠ±ΡΠ΅ΠΌΠ° ΠΈ Π³Π»ΡΠ±ΠΈΠ½Ρ Π·Π²ΡΠΊΡ
- Π‘ΠΌΡΠ³ΡΠ΅Π½ΠΈΠ΅ ΡΠ΅Π·ΠΊΠΈΡ Π·Π²ΡΠΊΠΎΠ²
- ΠΠ°ΡΠΊΠΈΡΠΎΠ²ΠΊΠ° Π΄Π΅ΡΠ΅ΠΊΡΠΎΠ² Π·Π°ΠΏΠΈΡΠΈ
Π Π΅Π²Π΅ΡΠ±Π΅ΡΠ°ΡΠΎΡΡ ΡΠΈΡΠΎΠΊΠΎ ΠΏΡΠΈΠΌΠ΅Π½ΡΡΡΡΡ ΠΏΡΠΈ Π·Π°ΠΏΠΈΡΠΈ Π²ΠΎΠΊΠ°Π»Π°, ΠΈΠ½ΡΡΡΡΠΌΠ΅Π½ΡΠΎΠ², Π² ΠΊΠ°ΡΠ°ΠΎΠΊΠ΅-ΡΠΈΡΡΠ΅ΠΌΠ°Ρ . Π‘Π°ΠΌΠΎΠ΄Π΅Π»ΡΠ½ΡΠΉ ΡΠ΅Π²Π΅ΡΠ±Π΅ΡΠ°ΡΠΎΡ ΠΏΠΎΠ·Π²ΠΎΠ»ΠΈΡ ΡΠ»ΡΡΡΠΈΡΡ Π·Π²ΡΡΠ°Π½ΠΈΠ΅ Π΄ΠΎΠΌΠ°ΡΠ½Π΅ΠΉ ΡΡΡΠ΄ΠΈΠΈ Π·Π²ΡΠΊΠΎΠ·Π°ΠΏΠΈΡΠΈ Ρ ΠΌΠΈΠ½ΠΈΠΌΠ°Π»ΡΠ½ΡΠΌΠΈ Π·Π°ΡΡΠ°ΡΠ°ΠΌΠΈ.

ΠΡΠΈΠ½ΡΠΈΠΏ ΡΠ°Π±ΠΎΡΡ ΡΠ»Π΅ΠΊΡΡΠΎΠ½Π½ΠΎΠ³ΠΎ ΡΠ΅Π²Π΅ΡΠ±Π΅ΡΠ°ΡΠΎΡΠ°
Π ΠΎΡΠ½ΠΎΠ²Π΅ ΡΠ°Π±ΠΎΡΡ ΡΠ»Π΅ΠΊΡΡΠΎΠ½Π½ΠΎΠ³ΠΎ ΡΠ΅Π²Π΅ΡΠ±Π΅ΡΠ°ΡΠΎΡΠ° Π»Π΅ΠΆΠΈΡ ΡΠΎΠ·Π΄Π°Π½ΠΈΠ΅ ΠΌΠ½ΠΎΠΆΠ΅ΡΡΠ²Π° Π·Π°Π΄Π΅ΡΠΆΠ°Π½Π½ΡΡ ΠΊΠΎΠΏΠΈΠΉ ΠΈΡΡ ΠΎΠ΄Π½ΠΎΠ³ΠΎ ΡΠΈΠ³Π½Π°Π»Π°. ΠΡΠΈ ΠΊΠΎΠΏΠΈΠΈ ΠΌΠΈΠΊΡΠΈΡΡΡΡΡΡ Ρ ΠΎΡΠΈΠ³ΠΈΠ½Π°Π»ΡΠ½ΡΠΌ Π·Π²ΡΠΊΠΎΠΌ, ΡΠΎΠ·Π΄Π°Π²Π°Ρ ΡΡΡΠ΅ΠΊΡ ΠΌΠ½ΠΎΠ³ΠΎΠΊΡΠ°ΡΠ½ΡΡ ΠΎΡΡΠ°ΠΆΠ΅Π½ΠΈΠΉ.
ΠΠ»ΡΡΠ΅Π²ΡΠ΅ ΡΠ»Π΅ΠΌΠ΅Π½ΡΡ ΡΡ Π΅ΠΌΡ ΡΠ΅Π²Π΅ΡΠ±Π΅ΡΠ°ΡΠΎΡΠ°:
- ΠΠΈΠ½ΠΈΡ Π·Π°Π΄Π΅ΡΠΆΠΊΠΈ Π·Π²ΡΠΊΠ°
- Π¦Π΅ΠΏΡ ΠΎΠ±ΡΠ°ΡΠ½ΠΎΠΉ ΡΠ²ΡΠ·ΠΈ
- ΠΠΈΠΊΡΠ΅Ρ Π΄Π»Ρ ΡΠΌΠ΅ΡΠΈΠ²Π°Π½ΠΈΡ ΠΏΡΡΠΌΠΎΠ³ΠΎ ΠΈ Π·Π°Π΄Π΅ΡΠΆΠ°Π½Π½ΠΎΠ³ΠΎ ΡΠΈΠ³Π½Π°Π»Π°
- Π Π΅Π³ΡΠ»ΡΡΠΎΡΡ Π²ΡΠ΅ΠΌΠ΅Π½ΠΈ Π·Π°Π΄Π΅ΡΠΆΠΊΠΈ ΠΈ Π³Π»ΡΠ±ΠΈΠ½Ρ ΡΡΡΠ΅ΠΊΡΠ°
Π ΠΏΡΠΎΡΡΠ΅ΠΉΡΠ΅ΠΌ ΡΠ»ΡΡΠ°Π΅ Π΄Π»Ρ ΡΠ΅Π°Π»ΠΈΠ·Π°ΡΠΈΠΈ Π»ΠΈΠ½ΠΈΠΈ Π·Π°Π΄Π΅ΡΠΆΠΊΠΈ ΠΈΡΠΏΠΎΠ»ΡΠ·ΡΠ΅ΡΡΡ ΡΠΏΠ΅ΡΠΈΠ°Π»ΠΈΠ·ΠΈΡΠΎΠ²Π°Π½Π½Π°Ρ ΠΌΠΈΠΊΡΠΎΡΡ Π΅ΠΌΠ°, Π½Π°ΠΏΡΠΈΠΌΠ΅Ρ PT2399. ΠΠΎΠ»Π΅Π΅ ΡΠ»ΠΎΠΆΠ½ΡΠ΅ ΡΡΡΡΠΎΠΉΡΡΠ²Π° ΠΌΠΎΠ³ΡΡ ΡΠΎΠ΄Π΅ΡΠΆΠ°ΡΡ Π½Π΅ΡΠΊΠΎΠ»ΡΠΊΠΎ Π»ΠΈΠ½ΠΈΠΉ Π·Π°Π΄Π΅ΡΠΆΠΊΠΈ Π΄Π»Ρ ΡΠΎΠ·Π΄Π°Π½ΠΈΡ Π±ΠΎΠ»Π΅Π΅ Π΅ΡΡΠ΅ΡΡΠ²Π΅Π½Π½ΠΎΠ³ΠΎ Π·Π²ΡΡΠ°Π½ΠΈΡ.
ΠΠ΅ΠΎΠ±Ρ ΠΎΠ΄ΠΈΠΌΡΠ΅ ΠΊΠΎΠΌΠΏΠΎΠ½Π΅Π½ΡΡ Π΄Π»Ρ ΡΠ±ΠΎΡΠΊΠΈ ΡΠ΅Π²Π΅ΡΠ±Π΅ΡΠ°ΡΠΎΡΠ°
ΠΠ»Ρ ΡΠ±ΠΎΡΠΊΠΈ ΠΏΡΠΎΡΡΠΎΠ³ΠΎ ΡΠ΅Π²Π΅ΡΠ±Π΅ΡΠ°ΡΠΎΡΠ° ΠΏΠΎΡΡΠ΅Π±ΡΡΡΡΡ ΡΠ»Π΅Π΄ΡΡΡΠΈΠ΅ ΠΊΠΎΠΌΠΏΠΎΠ½Π΅Π½ΡΡ:
- ΠΠΈΠΊΡΠΎΡΡ Π΅ΠΌΠ° PT2399 — 1-5 ΡΡ.
- ΠΠΏΠ΅ΡΠ°ΡΠΈΠΎΠ½Π½ΡΠΉ ΡΡΠΈΠ»ΠΈΡΠ΅Π»Ρ (Π½Π°ΠΏΡΠΈΠΌΠ΅Ρ, NE5532) — 1-2 ΡΡ.
- ΠΠΎΠ½Π΄Π΅Π½ΡΠ°ΡΠΎΡΡ ΡΠ°Π·Π»ΠΈΡΠ½ΡΡ Π½ΠΎΠΌΠΈΠ½Π°Π»ΠΎΠ²
- Π Π΅Π·ΠΈΡΡΠΎΡΡ ΡΠ°Π·Π»ΠΈΡΠ½ΡΡ Π½ΠΎΠΌΠΈΠ½Π°Π»ΠΎΠ²
- ΠΠΎΡΠ΅Π½ΡΠΈΠΎΠΌΠ΅ΡΡΡ Π΄Π»Ρ ΡΠ΅Π³ΡΠ»ΠΈΡΠΎΠ²ΠΎΠΊ
- ΠΠ΅ΡΠ°ΡΠ½Π°Ρ ΠΏΠ»Π°ΡΠ°
- Π Π°Π·ΡΠ΅ΠΌΡ Π΄Π»Ρ ΠΏΠΎΠ΄ΠΊΠ»ΡΡΠ΅Π½ΠΈΡ
- ΠΠΎΡΠΏΡΡ
Π’ΠΎΡΠ½ΠΎΠ΅ ΠΊΠΎΠ»ΠΈΡΠ΅ΡΡΠ²ΠΎ ΠΈ Π½ΠΎΠΌΠΈΠ½Π°Π»Ρ ΠΊΠΎΠΌΠΏΠΎΠ½Π΅Π½ΡΠΎΠ² Π·Π°Π²ΠΈΡΡΡ ΠΎΡ ΠΊΠΎΠ½ΠΊΡΠ΅ΡΠ½ΠΎΠΉ ΡΡ Π΅ΠΌΡ. ΠΠ»Ρ Π½Π°ΡΠΈΠ½Π°ΡΡΠΈΡ ΡΠ΅ΠΊΠΎΠΌΠ΅Π½Π΄ΡΠ΅ΡΡΡ ΠΈΡΠΏΠΎΠ»ΡΠ·ΠΎΠ²Π°ΡΡ Π³ΠΎΡΠΎΠ²ΡΠΉ Π½Π°Π±ΠΎΡ Π΄Π»Ρ ΡΠ±ΠΎΡΠΊΠΈ.

ΠΠΎΡΠ°Π³ΠΎΠ²Π°Ρ ΠΈΠ½ΡΡΡΡΠΊΡΠΈΡ ΠΏΠΎ ΡΠ±ΠΎΡΠΊΠ΅ ΡΠ΅Π²Π΅ΡΠ±Π΅ΡΠ°ΡΠΎΡΠ°
ΠΡΠΎΡΠ΅ΡΡ ΡΠ±ΠΎΡΠΊΠΈ ΡΠ΅Π²Π΅ΡΠ±Π΅ΡΠ°ΡΠΎΡΠ° Π²ΠΊΠ»ΡΡΠ°Π΅Ρ ΡΠ»Π΅Π΄ΡΡΡΠΈΠ΅ ΠΎΡΠ½ΠΎΠ²Π½ΡΠ΅ ΡΡΠ°ΠΏΡ:
- ΠΠΎΠ΄Π³ΠΎΡΠΎΠ²ΠΊΠ° ΠΏΠ΅ΡΠ°ΡΠ½ΠΎΠΉ ΠΏΠ»Π°ΡΡ
- ΠΠΎΠ½ΡΠ°ΠΆ ΠΊΠΎΠΌΠΏΠΎΠ½Π΅Π½ΡΠΎΠ² Π½Π° ΠΏΠ»Π°ΡΡ
- ΠΠ°ΠΉΠΊΠ° ΡΠΎΠ΅Π΄ΠΈΠ½Π΅Π½ΠΈΠΉ
- ΠΡΠΎΠ²Π΅ΡΠΊΠ° ΠΏΡΠ°Π²ΠΈΠ»ΡΠ½ΠΎΡΡΠΈ ΠΌΠΎΠ½ΡΠ°ΠΆΠ°
- ΠΠ°ΡΡΡΠΎΠΉΠΊΠ° ΠΈ ΡΠ΅Π³ΡΠ»ΠΈΡΠΎΠ²ΠΊΠ°
- Π£ΡΡΠ°Π½ΠΎΠ²ΠΊΠ° ΠΏΠ»Π°ΡΡ Π² ΠΊΠΎΡΠΏΡΡ
Π Π°ΡΡΠΌΠΎΡΡΠΈΠΌ ΠΊΠ°ΠΆΠ΄ΡΠΉ ΡΡΠ°ΠΏ ΠΏΠΎΠ΄ΡΠΎΠ±Π½Π΅Π΅.
ΠΠΎΠ΄Π³ΠΎΡΠΎΠ²ΠΊΠ° ΠΏΠ΅ΡΠ°ΡΠ½ΠΎΠΉ ΠΏΠ»Π°ΡΡ
ΠΡΠ»ΠΈ Π²Ρ ΠΈΡΠΏΠΎΠ»ΡΠ·ΡΠ΅ΡΠ΅ Π³ΠΎΡΠΎΠ²ΡΡ ΠΏΠ΅ΡΠ°ΡΠ½ΡΡ ΠΏΠ»Π°ΡΡ, Π΄ΠΎΡΡΠ°ΡΠΎΡΠ½ΠΎ ΠΎΡΠΈΡΡΠΈΡΡ Π΅Π΅ ΠΎΡ Π·Π°Π³ΡΡΠ·Π½Π΅Π½ΠΈΠΉ. ΠΡΠΈ ΡΠ°ΠΌΠΎΡΡΠΎΡΡΠ΅Π»ΡΠ½ΠΎΠΌ ΠΈΠ·Π³ΠΎΡΠΎΠ²Π»Π΅Π½ΠΈΠΈ ΠΏΠ»Π°ΡΡ Π½ΡΠΆΠ½ΠΎ Π²ΡΠΏΠΎΠ»Π½ΠΈΡΡ ΡΠ»Π΅Π΄ΡΡΡΠΈΠ΅ ΡΠ°Π³ΠΈ:
- ΠΠ΅ΡΠ΅Π½Π΅ΡΡΠΈ ΡΠΈΡΡΠ½ΠΎΠΊ Π΄ΠΎΡΠΎΠΆΠ΅ΠΊ Π½Π° ΡΠΎΠ»ΡΠ³ΠΈΡΠΎΠ²Π°Π½Π½ΡΠΉ ΡΠ΅ΠΊΡΡΠΎΠ»ΠΈΡ
- ΠΡΠΎΡΡΠ°Π²ΠΈΡΡ ΠΏΠ»Π°ΡΡ Π² ΡΠ°ΡΡΠ²ΠΎΡΠ΅ Ρ Π»ΠΎΡΠ½ΠΎΠ³ΠΎ ΠΆΠ΅Π»Π΅Π·Π°
- ΠΡΠΎΡΠ²Π΅ΡΠ»ΠΈΡΡ ΠΎΡΠ²Π΅ΡΡΡΠΈΡ Π΄Π»Ρ Π²ΡΠ²ΠΎΠ΄ΠΎΠ² ΠΊΠΎΠΌΠΏΠΎΠ½Π΅Π½ΡΠΎΠ²
- ΠΠΎΠΊΡΡΡΡ Π΄ΠΎΡΠΎΠΆΠΊΠΈ Π·Π°ΡΠΈΡΠ½ΡΠΌ Π»Π°ΠΊΠΎΠΌ
ΠΠΎΠ½ΡΠ°ΠΆ ΠΊΠΎΠΌΠΏΠΎΠ½Π΅Π½ΡΠΎΠ²
ΠΠΎΠΌΠΏΠΎΠ½Π΅Π½ΡΡ ΠΌΠΎΠ½ΡΠΈΡΡΡΡΡΡ Π½Π° ΠΏΠ»Π°ΡΡ Π² ΡΠ»Π΅Π΄ΡΡΡΠ΅ΠΌ ΠΏΠΎΡΡΠ΄ΠΊΠ΅:
- Π Π΅Π·ΠΈΡΡΠΎΡΡ
- ΠΠΎΠ½Π΄Π΅Π½ΡΠ°ΡΠΎΡΡ
- ΠΠΎΠ»ΡΠΏΡΠΎΠ²ΠΎΠ΄Π½ΠΈΠΊΠΎΠ²ΡΠ΅ ΠΊΠΎΠΌΠΏΠΎΠ½Π΅Π½ΡΡ (Π΄ΠΈΠΎΠ΄Ρ, ΡΡΠ°Π½Π·ΠΈΡΡΠΎΡΡ)
- ΠΠΈΠΊΡΠΎΡΡ Π΅ΠΌΡ
- Π Π°Π·ΡΠ΅ΠΌΡ ΠΈ ΠΏΠ΅ΡΠ΅ΠΌΠ΅Π½Π½ΡΠ΅ ΡΠ΅Π·ΠΈΡΡΠΎΡΡ
ΠΡΠΈ ΠΌΠΎΠ½ΡΠ°ΠΆΠ΅ Π²Π°ΠΆΠ½ΠΎ ΡΠΎΠ±Π»ΡΠ΄Π°ΡΡ ΠΏΠΎΠ»ΡΡΠ½ΠΎΡΡΡ ΡΠ»Π΅ΠΊΡΡΠΎΠ»ΠΈΡΠΈΡΠ΅ΡΠΊΠΈΡ ΠΊΠΎΠ½Π΄Π΅Π½ΡΠ°ΡΠΎΡΠΎΠ² ΠΈ ΠΏΡΠ°Π²ΠΈΠ»ΡΠ½ΡΡ ΠΎΡΠΈΠ΅Π½ΡΠ°ΡΠΈΡ ΠΌΠΈΠΊΡΠΎΡΡ Π΅ΠΌ. ΠΠ»Ρ ΡΠ΄ΠΎΠ±ΡΡΠ²Π° ΠΌΠΎΠΆΠ½ΠΎ ΠΈΡΠΏΠΎΠ»ΡΠ·ΠΎΠ²Π°ΡΡ ΡΠ²Π΅ΡΠΎΠ²ΡΡ ΠΌΠ°ΡΠΊΠΈΡΠΎΠ²ΠΊΡ ΡΠ΅Π·ΠΈΡΡΠΎΡΠΎΠ².

ΠΠ°ΡΡΡΠΎΠΉΠΊΠ° ΠΈ ΠΏΡΠΎΠ²Π΅ΡΠΊΠ° ΡΠ°Π±ΠΎΡΡ ΡΠ΅Π²Π΅ΡΠ±Π΅ΡΠ°ΡΠΎΡΠ°
ΠΠΎΡΠ»Π΅ ΡΠ±ΠΎΡΠΊΠΈ ΡΡΡΡΠΎΠΉΡΡΠ²Π° Π½Π΅ΠΎΠ±Ρ ΠΎΠ΄ΠΈΠΌΠΎ Π²ΡΠΏΠΎΠ»Π½ΠΈΡΡ Π΅Π³ΠΎ Π½Π°ΡΡΡΠΎΠΉΠΊΡ ΠΈ ΠΏΡΠΎΠ²Π΅ΡΠΊΡ. ΠΡΠ½ΠΎΠ²Π½ΡΠ΅ ΡΡΠ°ΠΏΡ:
- ΠΡΠΎΠ²Π΅ΡΠΊΠ° ΠΏΡΠ°Π²ΠΈΠ»ΡΠ½ΠΎΡΡΠΈ ΠΌΠΎΠ½ΡΠ°ΠΆΠ° ΠΈ ΠΎΡΡΡΡΡΡΠ²ΠΈΡ Π·Π°ΠΌΡΠΊΠ°Π½ΠΈΠΉ
- ΠΠΎΠ΄Π°ΡΠ° ΠΏΠΈΡΠ°Π½ΠΈΡ ΠΈ ΠΏΡΠΎΠ²Π΅ΡΠΊΠ° Π½Π°ΠΏΡΡΠΆΠ΅Π½ΠΈΠΉ Π² ΠΊΠΎΠ½ΡΡΠΎΠ»ΡΠ½ΡΡ ΡΠΎΡΠΊΠ°Ρ
- ΠΠΎΠ΄ΠΊΠ»ΡΡΠ΅Π½ΠΈΠ΅ ΠΈΡΡΠΎΡΠ½ΠΈΠΊΠ° Π·Π²ΡΠΊΠ° ΠΈ ΠΏΡΠΎΠ²Π΅ΡΠΊΠ° ΠΏΡΠΎΡ ΠΎΠΆΠ΄Π΅Π½ΠΈΡ ΡΠΈΠ³Π½Π°Π»Π°
- ΠΠ°ΡΡΡΠΎΠΉΠΊΠ° Π²ΡΠ΅ΠΌΠ΅Π½ΠΈ Π·Π°Π΄Π΅ΡΠΆΠΊΠΈ ΠΈ Π³Π»ΡΠ±ΠΈΠ½Ρ ΡΡΡΠ΅ΠΊΡΠ°
- ΠΡΠΎΠ²Π΅ΡΠΊΠ° ΡΠ°Π±ΠΎΡΡ Π²ΡΠ΅Ρ ΡΠ΅Π³ΡΠ»ΠΈΡΠΎΠ²ΠΎΠΊ
ΠΡΠΈ Π½Π°ΡΡΡΠΎΠΉΠΊΠ΅ ΡΠ»Π΅Π΄ΡΠ΅Ρ Π΄ΠΎΠ±ΠΈΡΡΡΡ ΠΎΠΏΡΠΈΠΌΠ°Π»ΡΠ½ΠΎΠ³ΠΎ Π±Π°Π»Π°Π½ΡΠ° ΠΌΠ΅ΠΆΠ΄Ρ Π³Π»ΡΠ±ΠΈΠ½ΠΎΠΉ ΡΡΡΠ΅ΠΊΡΠ° ΠΈ ΡΠΈΡΡΠΎΡΠΎΠΉ Π·Π²ΡΠΊΠ°. Π‘Π»ΠΈΡΠΊΠΎΠΌ ΡΠΈΠ»ΡΠ½Π°Ρ ΡΠ΅Π²Π΅ΡΠ±Π΅ΡΠ°ΡΠΈΡ ΠΌΠΎΠΆΠ΅Ρ ΡΠ΄Π΅Π»Π°ΡΡ Π·Π²ΡΠΊ Π½Π΅ΡΠ°Π·Π±ΠΎΡΡΠΈΠ²ΡΠΌ.
ΠΡΠ΅ΠΈΠΌΡΡΠ΅ΡΡΠ²Π° ΡΠ°ΠΌΠΎΠ΄Π΅Π»ΡΠ½ΠΎΠ³ΠΎ ΡΠ΅Π²Π΅ΡΠ±Π΅ΡΠ°ΡΠΎΡΠ°
Π‘ΠΎΠ·Π΄Π°Π½ΠΈΠ΅ ΡΠ΅Π²Π΅ΡΠ±Π΅ΡΠ°ΡΠΎΡΠ° ΡΠ²ΠΎΠΈΠΌΠΈ ΡΡΠΊΠ°ΠΌΠΈ ΠΈΠΌΠ΅Π΅Ρ ΡΡΠ΄ ΠΏΡΠ΅ΠΈΠΌΡΡΠ΅ΡΡΠ²:
- ΠΠΈΠ·ΠΊΠ°Ρ ΡΡΠΎΠΈΠΌΠΎΡΡΡ ΠΏΠΎ ΡΡΠ°Π²Π½Π΅Π½ΠΈΡ Ρ Π³ΠΎΡΠΎΠ²ΡΠΌΠΈ ΡΡΡΡΠΎΠΉΡΡΠ²Π°ΠΌΠΈ
- ΠΠΎΠ·ΠΌΠΎΠΆΠ½ΠΎΡΡΡ Π½Π°ΡΡΡΠΎΠΉΠΊΠΈ ΠΏΠΎΠ΄ ΠΊΠΎΠ½ΠΊΡΠ΅ΡΠ½ΡΠ΅ Π·Π°Π΄Π°ΡΠΈ
- ΠΠΎΠ»ΡΡΠ΅Π½ΠΈΠ΅ ΠΏΡΠ°ΠΊΡΠΈΡΠ΅ΡΠΊΠΈΡ Π½Π°Π²ΡΠΊΠΎΠ² Π² ΡΠ»Π΅ΠΊΡΡΠΎΠ½ΠΈΠΊΠ΅
- Π£Π΄ΠΎΠ²Π»Π΅ΡΠ²ΠΎΡΠ΅Π½ΠΈΠ΅ ΠΎΡ ΡΠΎΠ·Π΄Π°Π½ΠΈΡ ΡΠ°Π±ΠΎΡΠ΅Π³ΠΎ ΡΡΡΡΠΎΠΉΡΡΠ²Π° ΡΠ²ΠΎΠΈΠΌΠΈ ΡΡΠΊΠ°ΠΌΠΈ
Π‘Π°ΠΌΠΎΠ΄Π΅Π»ΡΠ½ΡΠΉ ΡΠ΅Π²Π΅ΡΠ±Π΅ΡΠ°ΡΠΎΡ ΠΏΠΎΠ·Π²ΠΎΠ»ΠΈΡ ΡΠ»ΡΡΡΠΈΡΡ Π·Π²ΡΡΠ°Π½ΠΈΠ΅ Π΄ΠΎΠΌΠ°ΡΠ½Π΅ΠΉ ΡΡΡΠ΄ΠΈΠΈ Π±Π΅Π· Π±ΠΎΠ»ΡΡΠΈΡ Π·Π°ΡΡΠ°Ρ. ΠΡΠΈ ΡΡΠΎΠΌ Π²Ρ ΠΏΠΎΠ»ΡΡΠΈΡΠ΅ ΠΏΠΎΠ»Π΅Π·Π½ΡΠΉ ΠΎΠΏΡΡ, ΠΊΠΎΡΠΎΡΡΠΉ ΠΏΡΠΈΠ³ΠΎΠ΄ΠΈΡΡΡ ΠΏΡΠΈ ΡΠ΅Π°Π»ΠΈΠ·Π°ΡΠΈΠΈ Π΄ΡΡΠ³ΠΈΡ Π°ΡΠ΄ΠΈΠΎΠΏΡΠΎΠ΅ΠΊΡΠΎΠ².

ΠΠΎΠ·ΠΌΠΎΠΆΠ½ΡΠ΅ ΠΏΡΠΎΠ±Π»Π΅ΠΌΡ ΠΏΡΠΈ ΡΠ±ΠΎΡΠΊΠ΅ ΠΈ ΠΈΡ ΡΠ΅ΡΠ΅Π½ΠΈΠ΅
- ΠΡΡΡΡΡΡΠ²ΠΈΠ΅ ΡΡΡΠ΅ΠΊΡΠ° ΡΠ΅Π²Π΅ΡΠ±Π΅ΡΠ°ΡΠΈΠΈ
- ΠΡΠΊΠ°ΠΆΠ΅Π½ΠΈΡ Π·Π²ΡΠΊΠ°
- Π‘Π°ΠΌΠΎΠ²ΠΎΠ·Π±ΡΠΆΠ΄Π΅Π½ΠΈΠ΅ ΡΡ Π΅ΠΌΡ
- Π¨ΡΠΌΡ ΠΈ ΠΏΠΎΠΌΠ΅Ρ ΠΈ
Π Π°ΡΡΠΌΠΎΡΡΠΈΠΌ ΠΏΡΠΈΡΠΈΠ½Ρ ΠΈ ΡΠΏΠΎΡΠΎΠ±Ρ ΡΡΡΡΠ°Π½Π΅Π½ΠΈΡ ΡΡΠΈΡ ΠΏΡΠΎΠ±Π»Π΅ΠΌ.
ΠΡΡΡΡΡΡΠ²ΠΈΠ΅ ΡΡΡΠ΅ΠΊΡΠ° ΡΠ΅Π²Π΅ΡΠ±Π΅ΡΠ°ΡΠΈΠΈ
ΠΠΎΠ·ΠΌΠΎΠΆΠ½ΡΠ΅ ΠΏΡΠΈΡΠΈΠ½Ρ:
- ΠΠ΅ΠΏΡΠ°Π²ΠΈΠ»ΡΠ½ΠΎΠ΅ ΠΏΠΎΠ΄ΠΊΠ»ΡΡΠ΅Π½ΠΈΠ΅ ΠΌΠΈΠΊΡΠΎΡΡ Π΅ΠΌΡ Π·Π°Π΄Π΅ΡΠΆΠΊΠΈ
- ΠΠ±ΡΡΠ² Π² ΡΠ΅ΠΏΠΈ ΠΎΠ±ΡΠ°ΡΠ½ΠΎΠΉ ΡΠ²ΡΠ·ΠΈ
- ΠΠ΅ΠΈΡΠΏΡΠ°Π²Π½ΠΎΡΡΡ ΠΌΠΈΠΊΡΠΎΡΡ Π΅ΠΌΡ
ΠΠ»Ρ ΡΡΡΡΠ°Π½Π΅Π½ΠΈΡ ΡΠ»Π΅Π΄ΡΠ΅Ρ ΠΏΡΠΎΠ²Π΅ΡΠΈΡΡ ΠΏΡΠ°Π²ΠΈΠ»ΡΠ½ΠΎΡΡΡ ΠΌΠΎΠ½ΡΠ°ΠΆΠ° ΠΈ ΠΏΡΠΈ Π½Π΅ΠΎΠ±Ρ ΠΎΠ΄ΠΈΠΌΠΎΡΡΠΈ Π·Π°ΠΌΠ΅Π½ΠΈΡΡ ΠΌΠΈΠΊΡΠΎΡΡ Π΅ΠΌΡ.
ΠΡΠΊΠ°ΠΆΠ΅Π½ΠΈΡ Π·Π²ΡΠΊΠ°
ΠΡΠΈΡΠΈΠ½Ρ ΠΈΡΠΊΠ°ΠΆΠ΅Π½ΠΈΠΉ:
- Π‘Π»ΠΈΡΠΊΠΎΠΌ Π±ΠΎΠ»ΡΡΠΎΠΉ ΡΡΠΎΠ²Π΅Π½Ρ Π²Ρ ΠΎΠ΄Π½ΠΎΠ³ΠΎ ΡΠΈΠ³Π½Π°Π»Π°
- ΠΠ΅ΠΏΡΠ°Π²ΠΈΠ»ΡΠ½ΠΎΠ΅ ΠΏΠΈΡΠ°Π½ΠΈΠ΅ ΠΌΠΈΠΊΡΠΎΡΡ Π΅ΠΌ
- ΠΠ΅ΠΎΠΏΡΠΈΠΌΠ°Π»ΡΠ½ΡΠ΅ Π½Π°ΡΡΡΠΎΠΉΠΊΠΈ Π²ΡΠ΅ΠΌΠ΅Π½ΠΈ Π·Π°Π΄Π΅ΡΠΆΠΊΠΈ
Π Π΅ΡΠ΅Π½ΠΈΠ΅ — ΡΠΌΠ΅Π½ΡΡΠΈΡΡ ΡΡΠΎΠ²Π΅Π½Ρ ΡΠΈΠ³Π½Π°Π»Π°, ΠΏΡΠΎΠ²Π΅ΡΠΈΡΡ Π½Π°ΠΏΡΡΠΆΠ΅Π½ΠΈΡ ΠΏΠΈΡΠ°Π½ΠΈΡ, ΠΏΠΎΠ΄ΠΎΠ±ΡΠ°ΡΡ ΠΎΠΏΡΠΈΠΌΠ°Π»ΡΠ½ΡΠ΅ Π½Π°ΡΡΡΠΎΠΉΠΊΠΈ.
Π‘Π°ΠΌΠΎΠ²ΠΎΠ·Π±ΡΠΆΠ΄Π΅Π½ΠΈΠ΅ ΡΡ Π΅ΠΌΡ
ΠΠΎΠ·ΠΌΠΎΠΆΠ½ΡΠ΅ ΠΏΡΠΈΡΠΈΠ½Ρ ΡΠ°ΠΌΠΎΠ²ΠΎΠ·Π±ΡΠΆΠ΄Π΅Π½ΠΈΡ:
- Π‘Π»ΠΈΡΠΊΠΎΠΌ Π±ΠΎΠ»ΡΡΠΎΠΉ ΠΊΠΎΡΡΡΠΈΡΠΈΠ΅Π½Ρ ΠΎΠ±ΡΠ°ΡΠ½ΠΎΠΉ ΡΠ²ΡΠ·ΠΈ
- ΠΠ°Π²ΠΎΠ΄ΠΊΠΈ ΠΌΠ΅ΠΆΠ΄Ρ Π²Ρ ΠΎΠ΄Π½ΡΠΌΠΈ ΠΈ Π²ΡΡ ΠΎΠ΄Π½ΡΠΌΠΈ ΡΠ΅ΠΏΡΠΌΠΈ
Π£ΡΡΡΠ°Π½ΠΈΡΡ ΠΏΡΠΎΠ±Π»Π΅ΠΌΡ ΠΌΠΎΠΆΠ½ΠΎ ΡΠΌΠ΅Π½ΡΡΠ΅Π½ΠΈΠ΅ΠΌ Π³Π»ΡΠ±ΠΈΠ½Ρ ΠΎΠ±ΡΠ°ΡΠ½ΠΎΠΉ ΡΠ²ΡΠ·ΠΈ ΠΈ ΡΠ»ΡΡΡΠ΅Π½ΠΈΠ΅ΠΌ ΡΠΊΡΠ°Π½ΠΈΡΠΎΠ²ΠΊΠΈ.
ΠΠΎΠ΄ΠΈΡΠΈΠΊΠ°ΡΠΈΠΈ ΠΈ ΡΠ»ΡΡΡΠ΅Π½ΠΈΡ Π±Π°Π·ΠΎΠ²ΠΎΠΉ ΡΡ Π΅ΠΌΡ
ΠΠ°Π·ΠΎΠ²ΡΡ ΡΡ Π΅ΠΌΡ ΡΠ΅Π²Π΅ΡΠ±Π΅ΡΠ°ΡΠΎΡΠ° ΠΌΠΎΠΆΠ½ΠΎ ΡΠ»ΡΡΡΠΈΡΡ ΡΠ»Π΅Π΄ΡΡΡΠΈΠΌΠΈ ΡΠΏΠΎΡΠΎΠ±Π°ΠΌΠΈ:

- ΠΠΎΠ±Π°Π²Π»Π΅Π½ΠΈΠ΅ Π½Π΅ΡΠΊΠΎΠ»ΡΠΊΠΈΡ Π»ΠΈΠ½ΠΈΠΉ Π·Π°Π΄Π΅ΡΠΆΠΊΠΈ Π΄Π»Ρ Π±ΠΎΠ»Π΅Π΅ Π΅ΡΡΠ΅ΡΡΠ²Π΅Π½Π½ΠΎΠ³ΠΎ Π·Π²ΡΡΠ°Π½ΠΈΡ
- Π Π΅Π°Π»ΠΈΠ·Π°ΡΠΈΡ ΡΠ°Π·Π»ΠΈΡΠ½ΡΡ Π°Π»Π³ΠΎΡΠΈΡΠΌΠΎΠ² ΡΠ΅Π²Π΅ΡΠ±Π΅ΡΠ°ΡΠΈΠΈ (ΠΏΡΡΠΆΠΈΠ½Π½ΡΠΉ, ΠΏΠ»Π°ΡΡΠΈΠ½ΡΠ°ΡΡΠΉ)
- ΠΠΎΠ±Π°Π²Π»Π΅Π½ΠΈΠ΅ ΡΠΊΠ²Π°Π»Π°ΠΉΠ·Π΅ΡΠ° Π² ΡΠ΅ΠΏΡ ΠΎΠ±ΡΠ°ΡΠ½ΠΎΠΉ ΡΠ²ΡΠ·ΠΈ
- ΠΡΠΏΠΎΠ»ΡΠ·ΠΎΠ²Π°Π½ΠΈΠ΅ ΡΠΈΡΡΠΎΠ²ΡΡ ΡΠΈΠ³Π½Π°Π»ΡΠ½ΡΡ ΠΏΡΠΎΡΠ΅ΡΡΠΎΡΠΎΠ² Π²ΠΌΠ΅ΡΡΠΎ Π°Π½Π°Π»ΠΎΠ³ΠΎΠ²ΡΡ ΡΡ Π΅ΠΌ
ΠΡΠΈ ΠΌΠΎΠ΄ΠΈΡΠΈΠΊΠ°ΡΠΈΠΈ ΠΏΠΎΠ·Π²ΠΎΠ»ΡΡ ΡΠΎΠ·Π΄Π°ΡΡ Π±ΠΎΠ»Π΅Π΅ ΡΠ»ΠΎΠΆΠ½ΠΎΠ΅ ΡΡΡΡΠΎΠΉΡΡΠ²ΠΎ Ρ ΡΠ°ΡΡΠΈΡΠ΅Π½Π½ΡΠΌΠΈ Π²ΠΎΠ·ΠΌΠΎΠΆΠ½ΠΎΡΡΡΠΌΠΈ Π½Π°ΡΡΡΠΎΠΉΠΊΠΈ Π·Π²ΡΠΊΠ°.
ΠΠ»Π΅ΠΊΡΡΠΎΠ½Π½ΡΠΉ ΡΠ΅Π²Π΅ΡΠ±Π΅ΡΠ°ΡΠΎΡ
ΠΠ»Π΅ΠΊΡΡΠΎΠ½Π½ΡΠΉ ΡΠ΅Π²Π΅ΡΠ±Π΅ΡΠ°ΡΠΎΡ — ΡΡΠΎ Π½Π΅ΡΠ»ΠΎΠΆΠ½ΠΎΠ΅ ΠΈ Π½Π°Π΄Π΅ΠΆΠ½ΠΎΠ΅ ΡΡΡΡΠΎΠΉΡΡΠ²ΠΎ ΠΎΠ±ΡΠ°Π±ΠΎΡΠΊΠΈ Π·Π²ΡΠΊΠ° ΠΈΠ»ΠΈ ΡΠ΅ΡΠΈ, Ρ ΠΏΠΎΠΌΠΎΡΡΡ ΠΊΠΎΡΠΎΡΠΎΠ³ΠΎ ΠΌΠΎΠΆΠ½ΠΎ ΠΏΡΠΈΠ΄Π°Π²Π°ΡΡ ΠΈΡΡΠΎΡΠ½ΠΈΠΊΡ Π·Π²ΡΠΊΠΎΠ²ΠΎΠ³ΠΎ ΡΠΈΠ³Π½Π°Π»Π° (Π½Π°ΠΏΡΠΈΠΌΠ΅Ρ, ΡΠΎΠ½ΠΎΠ³ΡΠ°ΠΌΠΌΠ΅) ΡΡΡΠ΅ΠΊΡ «ΡΡ Π°» ΠΈΠ»ΠΈ ΡΡΡΠ΅ΠΊΡ «ΠΎΠ±ΡΠ΅ΠΌΠ½ΠΎΠ³ΠΎ Π·Π²ΡΠΊΠ°». ΠΡΠ΅Π΄ΡΡΠΌΠΎΡΡΠ΅Π½Π° Π²ΠΎΠ·ΠΌΠΎΠΆΠ½ΠΎΡΡΡ ΡΠ΅Π³ΡΠ»ΠΈΡΠΎΠ²ΠΊΠΈ Π·Π°Π΄Π΅ΡΠΆΠΊΠΈ ΡΠΈΠ³Π½Π°Π»Π° Π΄ΠΎ 100 ΠΌΡ. Π ΠΊΠ°ΡΠ΅ΡΡΠ²Π΅ Π²Ρ ΠΎΠ΄Π½ΠΎΠ³ΠΎ ΠΈΡΡΠΎΡΠ½ΠΈΠΊΠ° ΡΠΈΠ³Π½Π°Π»Π° ΠΌΠΎΠΆΠ½ΠΎ ΠΈΡΠΏΠΎΠ»ΡΠ·ΠΎΠ²Π°ΡΡ Π»ΠΈΠ½Π΅ΠΉΠ½ΡΠΉ Π²ΡΡ ΠΎΠ΄ Π·Π²ΡΠΊΠΎΠ²ΠΎΡΠΏΡΠΎΠΈΠ·Π²ΠΎΠ΄ΡΡΠ΅Π³ΠΎ ΡΡΡΡΠΎΠΉΡΡΠ²Π° ΠΈΠ»ΠΈ ΠΌΠΈΠΊΡΠΎΡΠΎΠ½. Π Π΅Π²Π΅ΡΠ±Π΅ΡΠ°ΡΠΎΡ ΠΏΠΎΡΠ»ΡΠΆΠΈΡ ΠΎΡΠ½ΠΎΠ²ΠΎΠΉ Π΄Π»Ρ ΡΠ°ΠΌΠΎΠ΄Π΅Π»ΡΠ½ΠΎΠ³ΠΎ ΡΡΠΈΠ»ΠΈΡΠ΅Π»Ρ-ΠΊΠ°ΡΠ°ΠΎΠΊΠ΅! Π£ΡΡΡΠΎΠΉΡΡΠ²ΠΎ ΠΈΠΌΠ΅Π΅Ρ Π½Π΅Π±ΠΎΠ»ΡΡΠΈΠ΅ Π³Π°Π±Π°ΡΠΈΡΡ, ΠΌΠ°Π»ΠΎΠ΅ ΠΏΠΎΡΡΠ΅Π±Π»Π΅Π½ΠΈΠ΅ ΡΠΎΠΊΠ°, ΠΏΡΠΎΡΡΠΎΠ΅ Π² ΡΠ±ΠΎΡΠΊΠ΅ ΠΈ Π½Π°ΡΡΡΠΎΠΉΠΊΠ΅.
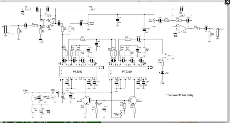
ΠΠ±ΡΠΈΠΉ Π²ΠΈΠ΄ ΡΡΡΡΠΎΠΉΡΡΠ²Π° ΠΏΠΎΠΊΠ°Π·Π°Π½ Π½Π° ΡΠΈΡ.1, ΡΡ Π΅ΠΌΠ° ΡΠ»Π΅ΠΊΡΡΠΈΡΠ΅ΡΠΊΠ°Ρ — Π½Π° ΡΠΈΡ.2.
Π ΠΈΡ.1. ΠΠ±ΡΠΈΠΉ Π²ΠΈΠ΄ ΡΡΡΡΠΎΠΉΡΡΠ²Π°
Π ΠΈΡ.2. ΠΡΠΈΠ½ΡΠΈΠΏΠΈΠ°Π»ΡΠ½Π°Ρ ΡΡ
Π΅ΠΌΠ° ΡΠ΅Π²Π΅ΡΠ±Π΅ΡΠ°ΡΠΎΡΠ°
ΠΠ΅ΡΠ΅ΡΠ΅Π½Ρ ΡΠ»Π΅ΠΌΠ΅Π½ΡΠΎΠ²:
| Π‘1 = 0,47 ΠΌΠΊΠ€ (CERCAP, ΠΎΠ±ΠΎΠ·Π½Π°ΡΠ΅Π½ΠΈΠ΅ 474) Π‘2 = 0,68 ΠΌΠΊΠ€ (CERCAP, ΠΎΠ±ΠΎΠ·Π½Π°ΡΠ΅Π½ΠΈΠ΅ 684) Π‘Π, Π‘8, Π‘12-220 ΠΌΠΊΠ€Ρ 16…25Π (ΠΠ‘ΠΠ , 08 mm MAX) Π‘4 = 1 ΠΌΠΊΠ€Ρ 16…25 Π (ΠΠ‘ΠΠ , 08 mm MAX) Π‘5 = 22 ΠΌΠΊΠ€Ρ 16. ..25 Π (ΠΠ‘ΠΠ , 08 mm MAX)Π‘6 = 39 ΠΏΠ€ (CERCAP, ΠΎΠ±ΠΎΠ·Π½Π°ΡΠ΅Π½ΠΈΠ΅ 390) Π‘7, C11, C15, Π‘16 = 0,1 ΠΌΠΊΠ€ (CERCAP, ΠΎΠ±ΠΎΠ·Π½Π°ΡΠ΅Π½ΠΈΠ΅ 104) Π‘9, Π‘10, Π‘14, Π‘23 = 4,7 ΠΌΠΊΠ€Ρ 16…25 Π (ΠΠ‘ΠΠ , 08 mm MAX) Π‘13 = 5600 ΠΏΠ€ (CERCAP, ΠΎΠ±ΠΎΠ·Π½Π°ΡΠ΅Π½ΠΈΠ΅ 562) Π‘17, Π‘18, Π‘21 =560 ΠΏΠ€ (CERCAP, ΠΎΠ±ΠΎΠ·Π½Π°ΡΠ΅Π½ΠΈΠ΅ 561) Π‘19, Π‘20 = 0,047 (CERCAP, ΠΎΠ±ΠΎΠ·Π½Π°ΡΠ΅Π½ΠΈΠ΅ 473) Π‘22 = 0,033 (CERCAP, ΠΎΠ±ΠΎΠ·Π½Π°ΡΠ΅Π½ΠΈΠ΅ 333) Π‘24, Π‘25 = 10ΠΌΠΊΠ€Ρ 16…25 Π (ΠΠ‘ΠΠ , 08 mm MAX) DA1 = 4558/358 (ΠΠΠ‘ ΠΠ£, ΠΊΠΎΡΠΏΡΡ DIP-8) DA2 = 78L05 (ΠΠΠ‘ ΡΡΠ°Π±ΠΈΠ»ΠΈΠ·Π°ΡΠΎΡΠ° 5 Π, ΠΊΠΎΡΠΏΡΡ Π’Π-92, Π°Π½Π°Π»ΠΎΠ³ ΠΠ 1170ΠΠ5) DA3 = ΠΠ’8970 (ΠΠΠ‘ ΡΠ΅Π²Π΅ΡΠ±Π΅ΡΠ°ΡΠΎΡΠ°, ΠΊΠΎΡΠΏΡΡ DIP-16) R1, R15, R16, R20 = 10 ΠΊΠΠΌ (ΠΊΠΎΡΠΈΡΠ½Π΅Π²ΡΠΉ, ΡΠ΅ΡΠ½ΡΠΉ, ΠΎΡΠ°Π½ΠΆΠ΅Π²ΡΠΉ) | R2, R4, R5, R8, R24 = 4,7 ΠΊΠΠΌ (ΠΆΠ΅Π»ΡΡΠΉ, ΡΠΈΠΎΠ»Π΅ΡΠΎΠ²ΡΠΉ, ΠΊΡΠ°ΡΠ½ΡΠΉ) R3, R9 = 1 ΠΊΠΠΌ (ΠΊΠΎΡΠΈΡΠ½Π΅Π²ΡΠΉ, ΡΠ΅ΡΠ½ΡΠΉ, ΠΊΡΠ°ΡΠ½ΡΠΉ) R6, R10 =47 KOM (ΠΆΠ΅Π»ΡΡΠΉ, ΡΠΈΠΎΠ»Π΅ΡΠΎΠ²ΡΠΉ, ΠΎΡΠ°Π½ΠΆΠ΅Π²ΡΠΉ) R7 — 560 ΠΠΌ (Π·Π΅Π»Π΅Π½ΡΠΉ, ΡΠΈΠ½ΠΈΠΉ, ΠΊΠΎΡΠΈΡΠ½Π΅Π²ΡΠΉ) R11, R23 = 22 ΠΊΠΠΌ (ΠΏΠΎΠ΄ΡΡΡΠΎΠ΅ΡΠ½ΡΠΉ, RESTRIM) R12 — 100 ΠΊΠΠΌ (ΠΊΠΎΡΠΈΡΠ½Π΅Π²ΡΠΉ, ΡΠ΅ΡΠ½ΡΠΉ, ΠΆΠ΅Π»ΡΡΠΉ) R13 — 47 ΠΊΠΠΌ (ΠΏΠΎΠ΄ΡΡΡΠΎΠ΅ΡΠ½ΡΠΉ, RESTRIM) R14, R19, R21,R22= 15 ΠΊΠΠΌ (ΠΊΠΎΡΠΈΡΠ½Π΅Π²ΡΠΉ, Π·Π΅Π»Π΅Π½ΡΠΉ, ΠΎΡΠ°Π½ΠΆΠ΅Π²ΡΠΉ) R17 = 12 ΠΊΠΠΌ (ΠΊΠΎΡΠΈΡΠ½Π΅Π²ΡΠΉ, ΠΊΡΠ°ΡΠ½ΡΠΉ, ΠΎΡΠ°Π½ΠΆΠ΅Π²ΡΠΉ) R18 = 13 ΠΊΠΠΌ (ΠΊΠΎΡΠΈΡΠ½Π΅Π²ΡΠΉ, ΠΎΡΠ°Π½ΠΆΠ΅Π²ΡΠΉ, ΠΎΡΠ°Π½ΠΆΠ΅Π²ΡΠΉ) ΠΠΈΠΊΡΠΎΡΠΎΠ½ ΡΠ»Π΅ΠΊΡΡΠ΅ΡΠ½ΡΠΉ Π¨ΡΡΡΠ΅Π²ΠΎΠΉ ΡΠ°Π·ΡΠ΅ΠΌ (2 ΠΊΠΎΠ½ΡΠ°ΠΊΡΠ°, 3 ΠΊΠΎΠ½ΡΠ°ΠΊΡΠ°) PLS-40 Π‘ΡΠ΅ΠΌΠ½Π°Ρ ΠΏΠ΅ΡΠ΅ΠΌΡΡΠΊΠ° (Π΄ΠΆΠ°ΠΌΠΏΠ΅Ρ) Π Π°Π·ΡΠ΅ΠΌ ΠΊΠ»Π΅ΠΌΠΌΠ½ΡΠΉ (2 ΠΊΠΎΠ½ΡΠ°ΠΊΡΠ°) ED500V-2*5 Π Π°Π·ΡΠ΅ΠΌ ΠΏΠΈΡΠ°Π½ΠΈΡ ΠΏΠΎΠ΄ ΠΊΠΎΡΡΠ½Π΄ |
- Π’Π΅Ρ Π½ΠΈΡΠ΅ΡΠΊΠΈΠ΅ Ρ Π°ΡΠ°ΠΊΡΠ΅ΡΠΈΡΡΠΈΠΊΠΈ
- ΠΠ°ΠΏΡΡΠΆΠ΅Π½ΠΈΠ΅ ΠΏΠΈΡΠ°Π½ΠΈΡ 9.
..12 Π - Π’ΠΎΠΊ ΠΏΠΎΡΡΠ΅Π±Π»Π΅Π½ΠΈΡ 20 ΠΌΠ
- Π§Π°ΡΡΠΎΡΠ½ΡΠΉ Π΄ΠΈΠ°ΠΏΠ°Π·ΠΎΠ½ 100…12000 ΠΡ
- ΠΡΡ ΠΎΠ΄Π½ΠΎΠΉ ΡΠΈΠ³Π½Π°Π» 250 ΠΌΠ (Π»ΠΈΠ½Π΅ΠΉΠ½ΡΠΉ Π²ΡΡ ΠΎΠ΄)
Π Π΅Π²Π΅ΡΠ±Π΅ΡΠ°ΡΠΎΡ ΡΠΎΡΡΠΎΠΈΡ ΠΈΠ· Π΄Π²ΡΡ ΠΎΠ±ΡΠ΅Π΄ΠΈΠ½Π΅Π½Π½ΡΡ Π±Π»ΠΎΠΊΠΎΠ²: Π±Π»ΠΎΠΊΠ° ΠΏΡΠ΅Π΄ΡΡΠΈΠ»ΠΈΡΠ΅Π»Ρ ΠΈ Π±Π»ΠΎΠΊΠ° ΡΠ°ΠΌΠΎΠ³ΠΎ ΡΠ΅Π²Π΅ΡΠ±Π΅ΡΠ°ΡΠΎΡΠ°. ΠΠ»ΠΎΠΊ ΠΏΡΠ΅Π΄ΡΡΠΈΠ»ΠΈΡΠ΅Π»Ρ Π²ΡΠΏΠΎΠ»Π½Π΅Π½ Π½Π° ΠΠ£ 4558 ΠΈΠ»ΠΈ 358 (DA1). ΠΠΎΡΡΡΠΈΡΠΈΠ΅Π½Ρ ΡΡΠΈΠ»Π΅Π½ΠΈΡ Π²ΡΠ±ΡΠ°Π½ ΠΎΠΊΠΎΠ»ΠΎ 40 Π΄Π (ΠΎΠΏΡΠ΅Π΄Π΅Π»ΡΠ΅ΡΡΡ ΠΎΡΠ½ΠΎΡΠ΅Π½ΠΈΠ΅ΠΌ R10/R7) Π² ΡΠ°ΡΡΠ΅ΡΠ΅ ΡΠ°Π±ΠΎΡΡ ΠΏΡΠ΅Π΄ΡΡΠΈΠ»ΠΈΡΠ΅Π»Ρ Π½Π°ΠΏΡΡΠΌΡΡ Ρ ΠΌΠΈΠΊΡΠΎΡΠΎΠ½ΠΎΠΌ. ΠΡΠ»ΠΈ Π² ΠΊΠ°ΡΠ΅ΡΡΠ²Π΅ ΠΈΡΡΠΎΡΠ½ΠΈΠΊΠ° ΡΠΈΠ³Π½Π°Π»Π° ΠΈΡΠΏΠΎΠ»ΡΠ·ΡΠ΅ΡΡΡ Π»ΠΈΠ½Π΅ΠΉΠ½ΡΠΉ Π²ΡΡ ΠΎΠ΄ Π·Π²ΡΠΊΠΎΠ²ΠΎΡΠΏΡΠΎΠΈΠ·Π²ΠΎΠ΄ΡΡΠ΅Π³ΠΎ ΠΎΠ±ΠΎΡΡΠ΄ΠΎΠ²Π°Π½ΠΈΡ (250 ΠΌΠ), ΡΠ΅ΠΊΠΎΠΌΠ΅Π½Π΄ΡΠ΅ΡΡΡ ΡΠ½ΠΈΠ·ΠΈΡΡ ΠΊΠΎΡΡΡΠΈΡΠΈΠ΅Π½Ρ ΡΡΠΈΠ»Π΅Π½ΠΈΡ Π΄ΠΎ 6 Π΄Π (ΡΠ΅Π·ΠΈΡΡΠΎΡ R7=22 ΠΊΠΠΌ). ΠΠΎΡΠ΅Π½ΡΠΈΠΎΠΌΠ΅ΡΡ R11 ΠΏΡΠ΅Π΄Π½Π°Π·Π½Π°ΡΠ΅Π½ Π΄Π»Ρ ΡΠ΅Π³ΡΠ»ΠΈΡΠΎΠ²ΠΊΠΈ ΡΡΠΎΠ²Π½Ρ ΡΠΈΠ³Π½Π°Π»Π°, ΡΠ½ΠΈΠΌΠ°Π΅ΠΌΠΎΠ³ΠΎ Ρ ΠΏΡΠ΅Π΄ΡΡΠΈΠ»ΠΈΡΠ΅Π»Ρ. ΠΡΠΈ ΠΈΡΠΏΠΎΠ»ΡΠ·ΠΎΠ²Π°Π½ΠΈΠΈ ΡΠ»Π΅ΠΊΡΡΠ΅ΡΠ½ΠΎΠ³ΠΎ ΠΌΠΈΠΊΡΠΎΡΠΎΠ½Π° ΠΏΠ΅ΡΠ΅ΠΊΠ»ΡΡΠ°ΡΠ΅Π»Ρ SW1 Π½Π΅ΠΎΠ±Ρ ΠΎΠ΄ΠΈΠΌΠΎ Π·Π°ΠΌΠΊΠ½ΡΡΡ, Π° ΠΏΡΠΈ ΠΈΡΠΏΠΎΠ»ΡΠ·ΠΎΠ²Π°Π½ΠΈΠΈ Π΄ΠΈΠ½Π°ΠΌΠΈΡΠ΅ΡΠΊΠΎΠ³ΠΎ ΠΌΠΈΠΊΡΠΎΡΠΎΠ½Π° — ΡΠ°Π·ΠΎΠΌΠΊΠ½ΡΡΡ.
ΠΠ»ΠΎΠΊ ΡΠ΅Π²Π΅ΡΠ±Π΅ΡΠ°ΡΠΎΡΠ° Π²ΡΠΏΠΎΠ»Π½Π΅Π½ Π½Π° Π±Π°Π·Π΅ ΡΠΏΠ΅ΡΠΈΠ°Π»ΠΈΠ·ΠΈΡΠΎΠ²Π°Π½Π½ΠΎΠΉ ΠΠΠ‘ ΠΠ’8970, ΡΠΎΡΡΠΎΡΡΠ΅ΠΉ ΠΈΠ· Π΄Π΅Π»ΡΡΠ°-ΠΌΠΎΠ΄ΡΠ»ΡΡΠΎΡΠ°/Π΄Π΅ΠΌΠΎΠ΄ΡΠ»ΡΡΠΎΡΠ°, Π½Π΅ΠΎΠ±Ρ
ΠΎΠ΄ΠΈΠΌΡΡ
ΡΠΈΠ»ΡΡΡΠΎΠ², Π³Π΅Π½Π΅ΡΠ°ΡΠΎΡΠ° ΠΈ ΡΡΠ°ΡΡΠΊΠ° ΠΏΠ°ΠΌΡΡΠΈ Π΅ΠΌΠΊΠΎΡΡΡΡ 20 ΠΠ±.
ΠΠΠ‘ ΠΌΠΎΠΆΠ΅Ρ ΡΠ°Π±ΠΎΡΠ°ΡΡ Π² ΠΎΠ΄Π½ΠΎΠΌ ΠΈΠ· Π΄Π²ΡΡ
ΡΠ΅ΠΆΠΈΠΌΠΎΠ² — «ΡΡ
ΠΎ» (echo) ΠΈΠ»ΠΈ «ΠΎΠ±ΡΠ΅ΠΌΠ½ΡΠΉ Π·Π²ΡΠΊ» (surround).
ΠΡΠΈ ΠΈΡΠΏΠΎΠ»ΡΠ·ΠΎΠ²Π°Π½ΠΈΠΈ ΡΡΡΠ΅ΠΊΡΠ° «ΡΡ ΠΎ» Π½Π΅ΠΎΠ±Ρ ΠΎΠ΄ΠΈΠΌΠΎ ΡΡΡΠ°Π½ΠΎΠ²ΠΈΡΡ Π²ΡΠ΅ ΡΠ»Π΅ΠΊΡΡΠΎΠ½Π½ΡΠ΅ ΠΊΠΎΠΌΠΏΠΎΠ½Π΅Π½ΡΡ ΡΠΎΠ³Π»Π°ΡΠ½ΠΎ ΠΏΠ΅ΡΠ΅ΡΠ½Ρ ΠΈ ΠΏΡΠΈΠ½ΡΠΈΠΏΠΈΠ°Π»ΡΠ½ΠΎΠΉ ΡΡ Π΅ΠΌΠ΅. ΠΠΎΡΠ΅Π½ΡΠΈΠΎΠΌΠ΅ΡΡΠΎΠΌ R13 ΡΡΡΠ°Π½Π°Π²Π»ΠΈΠ²Π°ΡΡ Π²ΡΠ΅ΠΌΡ Π·Π°Π΄Π΅ΡΠΆΠΊΠΈ ΡΡΡΠ΅ΠΊΡΠ° «ΡΡ ΠΎ», Π° R23 ΠΎΠΏΡΠ΅Π΄Π΅Π»ΡΠ΅Ρ Π³Π»ΡΠ±ΠΈΠ½Ρ ΡΡΡΠ΅ΠΊΡΠ° (Π³Π»ΡΠ±ΠΈΠ½Π° ΠΎΠ±ΡΠ°ΡΠ½ΠΎΠΉ ΡΠ²ΡΠ·ΠΈ). ΠΠ΅ΡΠ΅ΠΊΠ»ΡΡΠ°ΡΠ΅Π»Ρ SW2 Π½Π΅ΠΎΠ±Ρ ΠΎΠ΄ΠΈΠΌΠΎ Π·Π°ΠΌΠΊΠ½ΡΡΡ, Π° SW3 — ΠΏΠ΅ΡΠ΅ΠΌΠΊΠ½ΡΡΡ Π΄ΠΆΠ°ΠΌΠΏΠ΅ΡΠΎΠΌ Π² ΠΏΠΎΠ»ΠΎΠΆΠ΅Π½ΠΈΠΈ 1-2.
ΠΡΠΈ ΠΈΡΠΏΠΎΠ»ΡΠ·ΠΎΠ²Π°Π½ΠΈΠΈ ΡΡΡΠ΅ΠΊΡΠ° «ΠΎΠ±ΡΠ΅ΠΌΠ½ΡΠΉ Π·Π²ΡΠΊ» ΠΏΠ΅ΡΠ΅ΠΊΠ»ΡΡΠ°ΡΠ΅Π»Ρ SW2 Π½Π΅ΠΎΠ±Ρ ΠΎΠ΄ΠΈΠΌΠΎ ΡΠ°Π·ΠΎΠΌΠΊΠ½ΡΡΡ, Π° SW3 — ΠΏΠ΅ΡΠ΅ΠΌΠΊΠ½ΡΡΡ Π΄ΠΆΠ°ΠΌΠΏΠ΅ΡΠΎΠΌ Π² ΠΏΠΎΠ»ΠΎΠΆΠ΅Π½ΠΈΠΈ 2-3. ΠΠ»ΠΈ ΠΏΡΠΎΡΡΠΎ Π½Π΅ ΡΡΡΠ°Π½Π°Π²Π»ΠΈΠ²Π°ΡΡ ΡΠ»Π΅ΠΌΠ΅Π½ΡΡ Π‘22, Π‘23, Π‘24, R23 ΠΈ R18. ΠΠΎΡΠ΅Π½ΡΠΈΠΎΠΌΠ΅ΡΡΠΎΠΌ R13 ΡΡΡΠ°Π½Π°Π²Π»ΠΈΠ²Π°ΡΡ Π²ΡΠ΅ΠΌΡ Π·Π°Π΄Π΅ΡΠΆΠΊΠΈ ΡΡΡΠ΅ΠΊΡΠ° «ΠΎΠ±ΡΠ΅ΠΌΠ½ΡΠΉ Π·Π²ΡΠΊ».
ΠΠ°ΠΏΡΡΠΆΠ΅Π½ΠΈΠ΅ ΠΏΠΈΡΠ°Π½ΠΈΡ ΠΏΠΎΠ΄Π°Π΅ΡΡΡ Π½Π° ΠΊΠΎΠ½ΡΠ°ΠΊΡΡ Π₯3(+), Π₯4(-). ΠΠΈΠΊΡΠΎΡΠΎΠ½ (Π»ΠΈΠ½. Π²ΡΡ ΠΎΠ΄) ΠΏΠΎΠ΄ΠΊΠ»ΡΡΠ°Π΅ΡΡΡ ΠΊ ΠΊΠΎΠ½ΡΠ°ΠΊΡΠ°ΠΌ Π₯1(+), Π₯2(-).
Π£ΡΡΡΠΎΠΉΡΡΠ²ΠΎ ΠΈΠΌΠ΅Π΅Ρ ΡΡΠ°Π½Π΄Π°ΡΡΠ½ΡΠΉ Π»ΠΈΠ½Π΅ΠΉΠ½ΡΠΉ Π²ΡΡ ΠΎΠ΄ (ΡΠ°Π·ΡΠ΅ΠΌ Π₯Π 1 ΡΠΈΠΏΠ° «ΡΡΠ»ΡΠΏΠ°Π½»). Π Π½Π΅ΠΌΡ ΠΌΠΎΠΆΠ½ΠΎ ΠΏΠΎΠ΄ΠΊΠ»ΡΡΠΈΡΡ, Π½Π°ΠΏΡΠΈΠΌΠ΅Ρ, ΡΡΠΈΠ»ΠΈΡΠ΅Π»Ρ ΠΌΠΎΡΠ½ΠΎΡΡΠΈ ΠΈΠ»ΠΈ ΠΏΠΎΡΠ»Π΅Π΄ΡΡΡΠΈΠΉ ΠΊΠ°ΡΠΊΠ°Π΄ ΠΎΠ±ΡΠ°Π±ΠΎΡΠΊΠΈ ΡΠΈΠ³Π½Π°Π»Π°.
ΠΠΎΠ½ΡΡΡΡΠΊΡΠΈΠ²Π½ΠΎ ΡΠ΅Π²Π΅ΡΠ±Π΅ΡΠ°ΡΠΎΡ Π²ΡΠΏΠΎΠ»Π½Π΅Π½ Π½Π° ΠΏΠ΅ΡΠ°ΡΠ½ΠΎΠΉ ΠΏΠ»Π°ΡΠ΅ ΠΈΠ· ΡΠΎΠ»ΡΠ³ΠΈΡΠΎΠ²Π°Π½-Π½ΠΎΠ³ΠΎ ΡΡΠ΅ΠΊΠ»ΠΎΡΠ΅ΠΊΡΡΠΎΠ»ΠΈΡΠ° ΡΠ°Π·ΠΌΠ΅ΡΠ°ΠΌΠΈ 64×56 ΠΌΠΌ.
ΠΠΎΠ½ΡΡΡΡΠΊΡΠΈΡ ΠΏΡΠ΅Π΄ΡΡΠΌΠ°ΡΡΠΈΠ²Π°Π΅Ρ ΡΡΡΠ°Π½ΠΎΠ²ΠΊΡ ΠΏΠ»Π°ΡΡ Π² ΠΊΠΎΡΠΏΡΡ, Π΄Π»Ρ ΡΡΠΎΠ³ΠΎ Π½Π° ΠΏΠ»Π°ΡΠ΅ ΠΈΠΌΠ΅ΡΡΡΡ ΠΌΠΎΠ½ΡΠ°ΠΆΠ½ΡΠ΅ ΠΎΡΠ²Π΅ΡΡΡΠΈΡ ΠΏΠΎΠ΄ Π²ΠΈΠ½ΡΡ 2,5 ΠΌΠΌ.
ΠΠ»Ρ ΡΠ΄ΠΎΠ±ΡΡΠ²Π° ΠΏΠΎΠ΄ΠΊΠ»ΡΡΠ΅Π½ΠΈΡ ΠΏΠΈΡΠ°ΡΡΠ΅Π³ΠΎ Π½Π°ΠΏΡΡΠΆΠ΅Π½ΠΈΡ ΠΈ ΠΈΡΡΠΎΡΠ½ΠΈΠΊΠ° ΡΠΈΠ³Π½Π°Π»Π° Π½Π° ΠΏΠ»Π°ΡΠ΅ ΠΏΡΠ΅Π΄ΡΡΠΌΠΎΡΡΠ΅Π½Ρ ΠΏΠΎΡΠ°Π΄ΠΎΡΠ½ΡΠ΅ ΠΌΠ΅ΡΡΠ° ΠΏΠΎΠ΄ ΡΡΡΡΠ΅Π²ΡΠ΅ ΠΊΠΎΠ½ΡΠ°ΠΊΡΡ ΠΈΠ»ΠΈ ΠΊΠ»Π΅ΠΌΠΌ-Π½ΡΠ΅ Π²ΠΈΠ½ΡΠΎΠ²ΡΠ΅ Π·Π°ΠΆΠΈΠΌΡ.
ΠΠ΅ΡΠ°ΡΠ½Π°Ρ ΠΏΠ»Π°ΡΠ° ΠΈ ΡΠ°ΡΠΏΠΎΠ»ΠΎΠΆΠ΅Π½ΠΈΠ΅ ΡΠ»Π΅ΠΌΠ΅Π½ΡΠΎΠ² Π½Π° Π½Π΅ΠΉ ΠΏΠΎΠΊΠ°Π·Π°Π½Ρ Π½Π° ΡΠΈΡ.3.
Π ΠΈΡ.3. ΠΠ΅ΡΠ°ΡΠ½Π°Ρ ΠΏΠ»Π°ΡΠ° ΠΈ ΡΠ°ΡΠΏΠΎΠ»ΠΎΠΆΠ΅Π½ΠΈΠ΅ ΡΠ»Π΅ΠΌΠ΅Π½ΡΠΎΠ² ΡΠ΅Π²Π΅ΡΠ±Π΅ΡΠ°ΡΠΎΡΠ°
ΠΡΠ°Π²ΠΈΠ»ΡΠ½ΠΎ ΡΠΎΠ±ΡΠ°Π½Π½ΠΎΠ΅ ΡΡΡΡΠΎΠΉΡΡΠ²ΠΎ Π½Π°ΡΡΡΠΎΠΉΠΊΠΈ Π½Π΅ ΡΡΠ΅Π±ΡΠ΅Ρ.
Π‘ΠΏΠΈΡΠΎΠΊ ΡΠ°Π΄ΠΈΠΎΡΠ»Π΅ΠΌΠ΅Π½ΡΠΎΠ²
| ΠΠ±ΠΎΠ·Π½Π°ΡΠ΅Π½ΠΈΠ΅ | Π’ΠΈΠΏ | ΠΠΎΠΌΠΈΠ½Π°Π» | ΠΠΎΠ»ΠΈΡΠ΅ΡΡΠ²ΠΎ | ΠΡΠΈΠΌΠ΅ΡΠ°Π½ΠΈΠ΅ | ΠΠ°Π³Π°Π·ΠΈΠ½ | ΠΠΎΠΉ Π±Π»ΠΎΠΊΠ½ΠΎΡ |
|---|---|---|---|---|---|---|
| DA1 | ΠΠΏΠ΅ΡΠ°ΡΠΈΠΎΠ½Π½ΡΠΉ ΡΡΠΈΠ»ΠΈΡΠ΅Π»Ρ | BA4558 | 1 | ΠΠΎΠΈΡΠΊ Π² ΠΌΠ°Π³Π°Π·ΠΈΠ½Π΅ ΠΡΡΠΎΠ½ | Π Π±Π»ΠΎΠΊΠ½ΠΎΡ | |
| DA2 | ΠΠΈΠ½Π΅ΠΉΠ½ΡΠΉ ΡΠ΅Π³ΡΠ»ΡΡΠΎΡ | LM78L05 | 1 | ΠΠ 1170ΠΠ5 | ΠΠΎΠΈΡΠΊ Π² ΠΌΠ°Π³Π°Π·ΠΈΠ½Π΅ ΠΡΡΠΎΠ½ | Π Π±Π»ΠΎΠΊΠ½ΠΎΡ |
| DA3 | ΠΠΈΠΊΡΠΎΡΡ Π΅ΠΌΠ° | ΠΠ’8970 | 1 | ΠΠΎΠΈΡΠΊ Π² ΠΌΠ°Π³Π°Π·ΠΈΠ½Π΅ ΠΡΡΠΎΠ½ | Π Π±Π»ΠΎΠΊΠ½ΠΎΡ | |
| C1 | ΠΠΎΠ½Π΄Π΅Π½ΡΠ°ΡΠΎΡ | 0. 47 ΠΌΠΊΠ€ | 1 | ΠΠΎΠΈΡΠΊ Π² ΠΌΠ°Π³Π°Π·ΠΈΠ½Π΅ ΠΡΡΠΎΠ½ | Π Π±Π»ΠΎΠΊΠ½ΠΎΡ | |
| C2 | ΠΠΎΠ½Π΄Π΅Π½ΡΠ°ΡΠΎΡ | 0.68 ΠΌΠΊΠ€ | 1 | ΠΠΎΠΈΡΠΊ Π² ΠΌΠ°Π³Π°Π·ΠΈΠ½Π΅ ΠΡΡΠΎΠ½ | Π Π±Π»ΠΎΠΊΠ½ΠΎΡ | |
| C3, C8, C12 | ΠΠ»Π΅ΠΊΡΡΠΎΠ»ΠΈΡΠΈΡΠ΅ΡΠΊΠΈΠΉ ΠΊΠΎΠ½Π΄Π΅Π½ΡΠ°ΡΠΎΡ | 220 ΠΌΠΊΠ€ 16 Π | 3 | ΠΠΎΠΈΡΠΊ Π² ΠΌΠ°Π³Π°Π·ΠΈΠ½Π΅ ΠΡΡΠΎΠ½ | Π Π±Π»ΠΎΠΊΠ½ΠΎΡ | |
| C4 | ΠΠ»Π΅ΠΊΡΡΠΎΠ»ΠΈΡΠΈΡΠ΅ΡΠΊΠΈΠΉ ΠΊΠΎΠ½Π΄Π΅Π½ΡΠ°ΡΠΎΡ | 1 ΠΌΠΊΠ€ 16 Π | 1 | ΠΠΎΠΈΡΠΊ Π² ΠΌΠ°Π³Π°Π·ΠΈΠ½Π΅ ΠΡΡΠΎΠ½ | Π Π±Π»ΠΎΠΊΠ½ΠΎΡ | |
| C5 | ΠΠ»Π΅ΠΊΡΡΠΎΠ»ΠΈΡΠΈΡΠ΅ΡΠΊΠΈΠΉ ΠΊΠΎΠ½Π΄Π΅Π½ΡΠ°ΡΠΎΡ | 22 ΠΌΠΊΠ€ 16 Π | 1 | ΠΠΎΠΈΡΠΊ Π² ΠΌΠ°Π³Π°Π·ΠΈΠ½Π΅ ΠΡΡΠΎΠ½ | Π Π±Π»ΠΎΠΊΠ½ΠΎΡ | |
| C6 | ΠΠΎΠ½Π΄Π΅Π½ΡΠ°ΡΠΎΡ | 39 ΠΏΠ€ | 1 | ΠΠΎΠΈΡΠΊ Π² ΠΌΠ°Π³Π°Π·ΠΈΠ½Π΅ ΠΡΡΠΎΠ½ | Π Π±Π»ΠΎΠΊΠ½ΠΎΡ | |
| C7, C11, C15, C16 | ΠΠΎΠ½Π΄Π΅Π½ΡΠ°ΡΠΎΡ | 0. 1 ΠΌΠΊΠ€ | 4 | ΠΠΎΠΈΡΠΊ Π² ΠΌΠ°Π³Π°Π·ΠΈΠ½Π΅ ΠΡΡΠΎΠ½ | Π Π±Π»ΠΎΠΊΠ½ΠΎΡ | |
| C9, C10, C14, C23 | ΠΠ»Π΅ΠΊΡΡΠΎΠ»ΠΈΡΠΈΡΠ΅ΡΠΊΠΈΠΉ ΠΊΠΎΠ½Π΄Π΅Π½ΡΠ°ΡΠΎΡ | 4.7 ΠΌΠΊΠ€ 16 Π | 4 | ΠΠΎΠΈΡΠΊ Π² ΠΌΠ°Π³Π°Π·ΠΈΠ½Π΅ ΠΡΡΠΎΠ½ | Π Π±Π»ΠΎΠΊΠ½ΠΎΡ | |
| C13 | ΠΠΎΠ½Π΄Π΅Π½ΡΠ°ΡΠΎΡ | 5600 ΠΏΠ€ | 1 | ΠΠΎΠΈΡΠΊ Π² ΠΌΠ°Π³Π°Π·ΠΈΠ½Π΅ ΠΡΡΠΎΠ½ | Π Π±Π»ΠΎΠΊΠ½ΠΎΡ | |
| C17, C18, C21 | ΠΠΎΠ½Π΄Π΅Π½ΡΠ°ΡΠΎΡ | 560 ΠΏΠ€ | 3 | ΠΠΎΠΈΡΠΊ Π² ΠΌΠ°Π³Π°Π·ΠΈΠ½Π΅ ΠΡΡΠΎΠ½ | Π Π±Π»ΠΎΠΊΠ½ΠΎΡ | |
| C19, C20 | ΠΠΎΠ½Π΄Π΅Π½ΡΠ°ΡΠΎΡ | 0.047 ΠΌΠΊΠ€ | 2 | ΠΠΎΠΈΡΠΊ Π² ΠΌΠ°Π³Π°Π·ΠΈΠ½Π΅ ΠΡΡΠΎΠ½ | Π Π±Π»ΠΎΠΊΠ½ΠΎΡ | |
| C22 | ΠΠΎΠ½Π΄Π΅Π½ΡΠ°ΡΠΎΡ | 0.033 ΠΌΠΊΠ€ | 1 | ΠΠΎΠΈΡΠΊ Π² ΠΌΠ°Π³Π°Π·ΠΈΠ½Π΅ ΠΡΡΠΎΠ½ | Π Π±Π»ΠΎΠΊΠ½ΠΎΡ | |
| C24, C25 | ΠΠ»Π΅ΠΊΡΡΠΎΠ»ΠΈΡΠΈΡΠ΅ΡΠΊΠΈΠΉ ΠΊΠΎΠ½Π΄Π΅Π½ΡΠ°ΡΠΎΡ | 10 ΠΌΠΊΠ€ 16 Π | 2 | ΠΠΎΠΈΡΠΊ Π² ΠΌΠ°Π³Π°Π·ΠΈΠ½Π΅ ΠΡΡΠΎΠ½ | Π Π±Π»ΠΎΠΊΠ½ΠΎΡ | |
| R1, R15, R16, R20 | Π Π΅Π·ΠΈΡΡΠΎΡ | 10 ΠΊΠΠΌ | 4 | ΠΠΎΠΈΡΠΊ Π² ΠΌΠ°Π³Π°Π·ΠΈΠ½Π΅ ΠΡΡΠΎΠ½ | Π Π±Π»ΠΎΠΊΠ½ΠΎΡ | |
| R2, R4, R5, R8, R24 | Π Π΅Π·ΠΈΡΡΠΎΡ | 4. | 5 | ΠΠΎΠΈΡΠΊ Π² ΠΌΠ°Π³Π°Π·ΠΈΠ½Π΅ ΠΡΡΠΎΠ½ | Π Π±Π»ΠΎΠΊΠ½ΠΎΡ | |
| R3, R9 | Π Π΅Π·ΠΈΡΡΠΎΡ | 1 ΠΊΠΠΌ | 2 | ΠΠΎΠΈΡΠΊ Π² ΠΌΠ°Π³Π°Π·ΠΈΠ½Π΅ ΠΡΡΠΎΠ½ | Π Π±Π»ΠΎΠΊΠ½ΠΎΡ | |
| R6, R10 | Π Π΅Π·ΠΈΡΡΠΎΡ | 47 ΠΊΠΠΌ | 2 | ΠΠΎΠΈΡΠΊ Π² ΠΌΠ°Π³Π°Π·ΠΈΠ½Π΅ ΠΡΡΠΎΠ½ | Π Π±Π»ΠΎΠΊΠ½ΠΎΡ | |
| R7 | Π Π΅Π·ΠΈΡΡΠΎΡ | 560 ΠΠΌ | 1 | ΠΠΎΠΈΡΠΊ Π² ΠΌΠ°Π³Π°Π·ΠΈΠ½Π΅ ΠΡΡΠΎΠ½ | Π Π±Π»ΠΎΠΊΠ½ΠΎΡ | |
| R11, R23 | ΠΠΎΠ΄ΡΡΡΠΎΠ΅ΡΠ½ΡΠΉ ΡΠ΅Π·ΠΈΡΡΠΎΡ | 22 ΠΊΠΠΌ | 2 | ΠΠΎΠΈΡΠΊ Π² ΠΌΠ°Π³Π°Π·ΠΈΠ½Π΅ ΠΡΡΠΎΠ½ | Π Π±Π»ΠΎΠΊΠ½ΠΎΡ | |
| R12 | Π Π΅Π·ΠΈΡΡΠΎΡ | 100 ΠΊΠΠΌ | 1 | ΠΠΎΠΈΡΠΊ Π² ΠΌΠ°Π³Π°Π·ΠΈΠ½Π΅ ΠΡΡΠΎΠ½ | Π Π±Π»ΠΎΠΊΠ½ΠΎΡ | |
| R13 | ΠΠΎΠ΄ΡΡΡΠΎΠ΅ΡΠ½ΡΠΉ ΡΠ΅Π·ΠΈΡΡΠΎΡ | 47 ΠΊΠΠΌ | 1 | ΠΠΎΠΈΡΠΊ Π² ΠΌΠ°Π³Π°Π·ΠΈΠ½Π΅ ΠΡΡΠΎΠ½ | Π Π±Π»ΠΎΠΊΠ½ΠΎΡ | |
| R14, R19, R21, R22 | Π Π΅Π·ΠΈΡΡΠΎΡ | 15 ΠΊΠΠΌ | 4 | ΠΠΎΠΈΡΠΊ Π² ΠΌΠ°Π³Π°Π·ΠΈΠ½Π΅ ΠΡΡΠΎΠ½ | Π Π±Π»ΠΎΠΊΠ½ΠΎΡ | |
| R17 | Π Π΅Π·ΠΈΡΡΠΎΡ | 12 ΠΊΠΠΌ | 1 | ΠΠΎΠΈΡΠΊ Π² ΠΌΠ°Π³Π°Π·ΠΈΠ½Π΅ ΠΡΡΠΎΠ½ | Π Π±Π»ΠΎΠΊΠ½ΠΎΡ | |
| R18 | Π Π΅Π·ΠΈΡΡΠΎΡ | 13 ΠΊΠΠΌ | 1 | ΠΠΎΠΈΡΠΊ Π² ΠΌΠ°Π³Π°Π·ΠΈΠ½Π΅ ΠΡΡΠΎΠ½ | Π Π±Π»ΠΎΠΊΠ½ΠΎΡ | |
| SW1, SW2 | Π Π°Π·ΡΡΠΌ | PLS-2 | 2 | ΠΠ΅ΡΠ΅ΠΌΡΡΠΊΠ° | ΠΠΎΠΈΡΠΊ Π² ΠΌΠ°Π³Π°Π·ΠΈΠ½Π΅ ΠΡΡΠΎΠ½ | Π Π±Π»ΠΎΠΊΠ½ΠΎΡ |
| SW3 | Π Π°Π·ΡΡΠΌ | PLS-3 | 1 | ΠΠ΅ΡΠ΅ΠΌΡΡΠΊΠ° | ΠΠΎΠΈΡΠΊ Π² ΠΌΠ°Π³Π°Π·ΠΈΠ½Π΅ ΠΡΡΠΎΠ½ | Π Π±Π»ΠΎΠΊΠ½ΠΎΡ |
| X1-X4 | ΠΠ»Π΅ΠΌΠΌΡ | 4 ΠΊΠΎΠ½ΡΠ°ΠΊΡΠ° | 1 | ΠΠΎΠΈΡΠΊ Π² ΠΌΠ°Π³Π°Π·ΠΈΠ½Π΅ ΠΡΡΠΎΠ½ | Π Π±Π»ΠΎΠΊΠ½ΠΎΡ | |
| XP1 | Π Π°Π·ΡΡΠΌ | Π366G | 1 | RCA-ΡΠ°Π·ΡΡΠΌ | ΠΠΎΠΈΡΠΊ Π² ΠΌΠ°Π³Π°Π·ΠΈΠ½Π΅ ΠΡΡΠΎΠ½ | Π Π±Π»ΠΎΠΊΠ½ΠΎΡ |
| ΠΠ»Π΅ΠΊΡΡΠ΅ΡΠ½ΡΠΉ ΠΌΠΈΠΊΡΠΎΡΠΎΠ½ | 1 | ΠΠΎΠΈΡΠΊ Π² ΠΌΠ°Π³Π°Π·ΠΈΠ½Π΅ ΠΡΡΠΎΠ½ | Π Π±Π»ΠΎΠΊΠ½ΠΎΡ | |||
| ΠΠΎΠ±Π°Π²ΠΈΡΡ Π²ΡΠ΅ | ||||||
Π‘ΠΊΠ°ΡΠ°ΡΡ ΡΠΏΠΈΡΠΎΠΊ ΡΠ»Π΅ΠΌΠ΅Π½ΡΠΎΠ² (PDF)
ΠΠ΅Π»Π°Π΅ΠΌ ΠΏΠ΅Π΄Π°Π»Ρ ΡΠ΅Π²Π΅ΡΠ±Π΅ΡΠ°ΡΠΈΠΈ Ρ ΠΏΡΠΈΠΌΠ΅Π½Π΅Π½ΠΈΠ΅ΠΌ ΠΌΠΈΠΊΡΠΎΡΡ Π΅ΠΌ PT2399 (ΡΠ°ΡΡΡ 1) / Π₯Π°Π±Ρ
ΠΡΡΡΠΏΠ»Π΅Π½ΠΈΠ΅
Π Π΅Π°Π»ΡΠ½Π°Ρ ΡΠ΅Π²Π΅ΡΠ±Π΅ΡΠ°ΡΠΈΡ ΠΏΡΠΎΠΈΡΡ
ΠΎΠ΄ΠΈΡ Π² ΡΠ°Π±ΠΎΡΠ΅ΠΉ ΠΊΠ°ΠΌΠ΅ΡΠ΅, ΠΊΠΎΠ³Π΄Π° Π³Π΅Π½Π΅ΡΠΈΡΡΠ΅ΠΌΡΠΉ Π·Π²ΡΠΊ ΠΎΡΡΠ°ΠΆΠ°Π΅ΡΡΡ ΠΎΡ ΡΡΠ΅Π½, ΠΌΠ΅Π±Π΅Π»ΠΈ, Π»ΡΠ΄Π΅ΠΉ ΠΈΠ»ΠΈ Π»ΡΠ±ΠΎΠ³ΠΎ Π΄ΡΡΠ³ΠΎΠ³ΠΎ ΠΎΠ±ΡΠ΅ΠΊΡΠ° Π² ΡΠ»ΠΎΠΆΠ½ΠΎΠΌ ΡΡΠ΅Ρ
ΠΌΠ΅ΡΠ½ΠΎΠΌ ΠΏΡΠΎΡΡΡΠ°Π½ΡΡΠ²Π΅.
ΠΡΡΠ΅ΡΡΠ²Π΅Π½Π½ΡΠΉ ΠΏΡΠΎΡΠ΅ΡΡ ΡΠ΅Π²Π΅ΡΠ±Π΅ΡΠ°ΡΠΈΠΈ ΠΏΠΎΠΊΠ°Π·Π°Π½ Π½Π° ΡΠΈΡΡΠ½ΠΊΠ΅ 1.
Π ΠΈΡΡΠ½ΠΎΠΊ 1. Π Π΅Π²Π΅ΡΠ±Π΅ΡΠ°ΡΠΈΡ Π² ΡΠ΅Π°Π»ΡΠ½ΠΎΠΉ ΡΠΈΡΡΠ°ΡΠΈΠΈ
Π ΡΡΠ°ΡΡΠ΅ Π΄ΠΎΠ±ΡΡΠ΅ Π²ΡΠ΅ΠΌΠ΅Π½Π° Π΅Π΄ΠΈΠ½ΡΡΠ²Π΅Π½Π½ΡΠΉ ΡΠΏΠΎΡΠΎΠ± Π²ΠΎΡΠΏΡΠΎΠΈΠ·Π²Π΅ΡΡΠΈ ΡΡΡΠ΅ΠΊΡ ΡΠ΅Π²Π΅ΡΠ±Π΅ΡΠ°ΡΠΈΠΈ β ΠΈΡΠΏΠΎΠ»ΡΠ·ΠΎΠ²Π°ΡΡ ΡΠ΅Π°Π»ΡΠ½ΡΡ ΡΠ΅Π²Π΅ΡΠ±Π΅ΡΠ°ΡΠΈΠΎΠ½Π½ΡΡ ΠΊΠ°ΠΌΠ΅ΡΡ β Π±ΠΎΠ»ΡΡΡΡ ΠΊΠΎΠΌΠ½Π°ΡΡ ΡΠΎ ΡΠ»ΠΎΠΆΠ½ΠΎΠΉ Π³Π΅ΠΎΠΌΠ΅ΡΡΠΈΠ΅ΠΉ ΠΈ ΡΡΠ°ΡΠ΅Π»ΡΠ½ΠΎ ΠΎΡΠΎΠ±ΡΠ°Π½Π½ΡΠΌ ΠΌΠ°ΡΠ΅ΡΠΈΠ°Π»ΠΎΠΌ Π΄Π»Ρ ΡΡΠ΅Π½, Ρ ΡΡΡΠ°Π½ΠΎΠ²ΠΊΠΎΠΉ Π³ΡΠΎΠΌΠΊΠΎΠ³ΠΎΠ²ΠΎΡΠΈΡΠ΅Π»Π΅ΠΉ ΠΈ ΠΌΠΈΠΊΡΠΎΡΠΎΠ½Π° Π² ΠΎΠΏΡΠ΅Π΄Π΅Π»Π΅Π½Π½ΡΡ ΠΌΠ΅ΡΡΠ°Ρ Π²Π½ΡΡΡΠΈ ΠΊΠ°ΠΌΠ΅ΡΡ. ΠΠ΅ΡΠ²Π°Ρ ΠΏΠΎΠΏΡΡΠΊΠ° ΠΈΠΌΠΈΡΠΈΡΠΎΠ²Π°ΡΡ ΡΠ΅Π²Π΅ΡΠ±Π΅ΡΠ°ΡΠΈΡ Π² ΠΏΠΎΠΌΠ΅ΡΠ΅Π½ΠΈΠΈ Π±Π΅Π· ΡΠ΅Π°Π»ΡΠ½ΠΎΠΉ ΡΠ΅Π²Π΅ΡΠ±Π΅ΡΠ°ΡΠΈΠΎΠ½Π½ΠΎΠΉ ΠΊΠ°ΠΌΠ΅ΡΡ ΠΎΡΡΡΠ΅ΡΡΠ²Π»ΡΠ»Π°ΡΡ Ρ ΠΏΠΎΠΌΠΎΡΡΡ ΡΠ΅Π²Π΅ΡΠ±Π΅ΡΠ°ΡΠΈΠΎΠ½Π½ΠΎΠ³ΠΎ ΡΠ΅Π·Π΅ΡΠ²ΡΠ°ΡΠ° Ρ ΠΏΡΡΠΆΠΈΠ½ΠΎΠΉ (ΡΠΌ. ΡΡΡΠ»ΠΊΡ [1]). ΠΡΠ½ΠΎΠ²Π½Π°Ρ ΠΊΠΎΠ½ΡΡΡΡΠΊΡΠΈΡ ΠΏΡΡΠΆΠΈΠ½Π½ΠΎΠ³ΠΎ ΡΠ΅Π²Π΅ΡΠ±Π΅ΡΠ°ΡΠΎΡΠ° ΠΏΠΎΠΊΠ°Π·Π°Π½Π° Π½Π° ΡΠΈΡΡΠ½ΠΊΠ΅ 2.
Π ΠΈΡΡΠ½ΠΎΠΊ 2. ΠΠΎΠ½ΡΡΡΡΠΊΡΠΈΡ ΡΠ΅Π·Π΅ΡΠ²ΡΠ°ΡΠ° Ρ ΠΏΡΡΠΆΠΈΠ½Π½ΠΎΠΉ ΡΠ΅Π²Π΅ΡΠ±Π΅ΡΠ°ΡΠΈΠ΅ΠΉ
ΠΡΠ΄ΠΈΠΎΡΠΈΠ³Π½Π°Π» Π²ΠΎΠ·Π±ΡΠΆΠ΄Π°Π΅Ρ Π²Ρ
ΠΎΠ΄Π½ΡΡ ΠΊΠ°ΡΡΡΠΊΡ, ΠΊΠΎΡΠΎΡΠ°Ρ ΠΏΠ΅ΡΠ΅Π΄Π°Π΅Ρ ΠΌΠ΅Ρ
Π°Π½ΠΈΡΠ΅ΡΠΊΠΈΠ΅ Π²ΠΈΠ±ΡΠ°ΡΠΈΠΈ Π±Π»ΠΈΠΆΠ°ΠΉΡΠ΅ΠΌΡ ΠΊΠΎΠ½ΡΡ ΠΏΡΡΠΆΠΈΠ½Ρ, Π° Π·Π°ΡΠ΅ΠΌ β Π΅Ρ Π΄Π°Π»ΡΠ½Π΅ΠΌΡ ΠΊΠΎΠ½ΡΡ, ΠΈ Π²ΠΎΠ·Π²ΡΠ°ΡΠ°Π΅ΡΡΡ Π½Π°Π·Π°Π΄ Ρ ΡΠΌΠ΅Π½ΡΡΠ°ΡΡΠ΅ΠΉΡΡ Π°ΠΌΠΏΠ»ΠΈΡΡΠ΄ΠΎΠΉ. Π‘Π»ΠΎΠΆΠ½ΡΠ΅ Π²ΠΎΠ»Π½Ρ, ΠΊΠ°ΠΊ ΠΏΠΎΠΏΠ΅ΡΠ΅ΡΠ½ΡΠ΅, ΡΠ°ΠΊ ΠΈ ΠΏΡΠΎΠ΄ΠΎΠ»ΡΠ½ΡΠ΅, Π³Π΅Π½Π΅ΡΠΈΡΡΡΡΡΡ Π²Π½ΡΡΡΠΈ ΠΏΡΡΠΆΠΈΠ½Ρ.
ΠΡΡΠΎΠΊΠΎΡΠ°ΡΡΠΎΡΠ½ΡΠ΅ ΠΈ Π½ΠΈΠ·ΠΊΠΎΡΠ°ΡΡΠΎΡΠ½ΡΠ΅ Π²ΠΎΠ»Π½Ρ Π΄Π²ΠΈΠΆΡΡΡΡ ΠΏΠΎ ΠΏΡΡΠΆΠΈΠ½Π΅ Ρ ΡΠ°Π·Π»ΠΈΡΠ½ΠΎΠΉ ΡΠΊΠΎΡΠΎΡΡΡΡ, Π° ΠΏΡΡΠΆΠΈΠ½Π½ΡΠ΅ ΡΠΎΠ΅Π΄ΠΈΠ½Π΅Π½ΠΈΡ Π΄ΠΎΠ±Π°Π²Π»ΡΡΡ ΠΎΡΡΠ°ΠΆΠ΅Π½ΠΈΡ. ΠΠ»Ρ ΠΏΠΎΠ»ΡΡΠ΅Π½ΠΈΡ ΡΠ°Π·Π»ΠΈΡΠ½ΡΡ
ΠΏΠΎ Π΄Π»ΠΈΡΠ΅Π»ΡΠ½ΠΎΡΡΠΈ Π²ΡΠ΅ΠΌΠ΅Π½Π½ΡΡ
Π·Π°Π΄Π΅ΡΠΆΠ΅ΠΊ ΠΈΡΠΏΠΎΠ»ΡΠ·ΡΡΡ ΠΏΡΡΠΆΠΈΠ½Ρ ΡΠ°Π·Π»ΠΈΡΠ½ΡΡ
ΡΠΈΠΏΠΎΠ²: ΡΠΎΠ»ΡΠΈΠ½Π° ΠΈ ΡΠΈΠΏ ΠΌΠ΅ΡΠ°Π»Π»Π°, ΠΊΠΎΠ»ΠΈΡΠ΅ΡΡΠ²ΠΎ Π²ΠΈΡΠΊΠΎΠ², Π΄ΠΈΠ°ΠΌΠ΅ΡΡ ΠΏΡΡΠΆΠΈΠ½Ρ. ΠΡΠΊΡΡΡΡΠ²Π΅Π½Π½ΠΎ ΡΠ΅Π²Π΅ΡΠ±Π΅ΡΠΈΡΠΎΠ²Π°Π½Π½ΡΠΉ Π·Π²ΡΠΊ, ΡΠΎΠ·Π΄Π°Π²Π°Π΅ΠΌΡΠΉ ΠΏΡΡΠΆΠΈΠ½ΠΎΠΉ, Π·Π°ΡΠ΅ΠΌ ΡΠ»Π°Π²Π»ΠΈΠ²Π°Π΅ΡΡΡ Π²ΡΡ
ΠΎΠ΄Π½ΠΎΠΉ ΠΊΠ°ΡΡΡΠΊΠΎΠΉ ΠΈ Π²ΠΎΠ·Π²ΡΠ°ΡΠ°Π΅ΡΡΡ Π² ΡΠ»Π΅ΠΊΡΡΠΎΠ½Π½ΡΡ ΡΡ
Π΅ΠΌΡ Π΄Π»Ρ ΠΌΠΈΠΊΡΠΈΡΠΎΠ²Π°Π½ΠΈΡ Ρ Π²Ρ
ΠΎΠ΄Π½ΡΠΌ Π°ΡΠ΄ΠΈΠΎΡΠΈΠ³Π½Π°Π»ΠΎΠΌ ΠΈ ΡΡΠΈΠ»Π΅Π½ΠΈΡ.
Π¦ΠΈΡΡΠΎΠ²ΠΎΠ΅ ΠΌΠΎΠ΄Π΅Π»ΠΈΡΠΎΠ²Π°Π½ΠΈΠ΅ ΡΡΡΠ΅ΠΊΡΠ° ΡΠ΅Π²Π΅ΡΠ±Π΅ΡΠ°ΡΠΈΠΈ
ΠΠ±ΡΠ°Π±ΠΎΡΠΊΠ° ΡΡΡΠ΅ΠΊΡΠ° ΡΠ΅Π²Π΅ΡΠ±Π΅ΡΠ°ΡΠΈΠΈ Π±ΡΠ»Π° ΡΠΈΡΠΎΠΊΠΎ ΠΈΡΡΠ»Π΅Π΄ΠΎΠ²Π°Π½Π° ΠΈ Π½Π° Π²Π·Π³Π»ΡΠ΄ Π°Π²ΡΠΎΡΠ° ΠΌΠΎΠΆΠ΅Ρ Π±ΡΡΡ ΠΊΠ»Π°ΡΡΠΈΡΠΈΡΠΈΡΠΎΠ²Π°Π½Π° ΡΠ»Π΅Π΄ΡΡΡΠΈΠΌ ΠΎΠ±ΡΠ°Π·ΠΎΠΌ:
1. ΠΠΎΡΠΏΡΠΎΠΈΠ·Π²Π΅Π΄Π΅Π½ΠΈΠ΅ ΠΎΡΠ²Π΅ΡΠ° ΡΠΈΡΡΠ΅ΠΌΡ: ΡΡΠΎΡ ΠΌΠ΅ΡΠΎΠ΄ ΡΠ°ΡΡΠΌΠ°ΡΡΠΈΠ²Π°Π΅Ρ ΡΠΌΠΎΠ΄Π΅Π»ΠΈΡΠΎΠ²Π°Π½Π½ΡΡ ΡΠΈΡΡΠ΅ΠΌΡ ΠΊΠ°ΠΊ ΡΠ΅ΡΠ½ΡΠΉ ΡΡΠΈΠΊ, Π½Π°Ρ Π½Π΅ Π²ΠΎΠ»Π½ΡΠ΅Ρ, ΡΡΠΎ ΠΏΡΠΎΠΈΡΡ
ΠΎΠ΄ΠΈΡ Π²Π½ΡΡΡΠΈ Π½Π΅Π³ΠΎ, ΠΈ ΠΌΡ ΠΏΡΠΎΡΡΠΎ ΠΈΠ·ΠΌΠ΅ΡΡΠ΅ΠΌ Π²ΡΡ
ΠΎΠ΄Π½ΠΎΠΉ ΠΎΡΠΊΠ»ΠΈΠΊ, ΠΏΡΠΈΠΌΠ΅Π½ΡΡ Β«ΠΎΠ±ΡΠ°Π±ΠΎΡΠΊΡ ΡΠ²Π΅ΡΡΠΊΠΈΒ» (ΡΠΌ. ΡΡΡΠ»ΠΊΡ [2]). ΠΠ΅Π·Π°Π²ΠΈΡΠΈΠΌΠΎ ΠΎΡ ΡΠΎΠ³ΠΎ, ΡΠ²Π»ΡΠ΅ΡΡΡ Π»ΠΈ ΡΠΌΠΎΠ΄Π΅Π»ΠΈΡΠΎΠ²Π°Π½Π½Π°Ρ ΡΠΈΡΡΠ΅ΠΌΠ° Π½Π°ΡΡΠΎΡΡΠΈΠΌ ΠΊΠΎΠ½ΡΠ΅ΡΡΠ½ΡΠΌ Π·Π°Π»ΠΎΠΌ ΠΈΠ»ΠΈ ΡΠ΅Π°Π»ΡΠ½ΡΠΌ ΡΠ΅Π·Π΅ΡΠ²ΡΠ°ΡΠΎΠΌ ΡΠ΅Π²Π΅ΡΠ±Π΅ΡΠ°ΡΠΈΠΈ Ρ ΠΏΡΡΠΆΠΈΠ½ΠΎΠΉ ΠΈΠ»ΠΈ ΠΏΠ»Π°ΡΡΠΈΠ½ΠΎΠΉ, ΡΡΠΎΡ ΠΌΠ΅ΡΠΎΠ΄ Π±ΡΠ΄Π΅Ρ ΠΎΡΠ΅Π½Ρ ΠΏΡΠΎΡΡ Π² ΡΠ΅Π°Π»ΠΈΠ·Π°ΡΠΈΠΈ, Π½ΠΎ Π΄Π»Ρ Β«ΠΎΠ±ΡΠ°Π±ΠΎΡΠΊΠΈ ΡΠ²Π΅ΡΡΠΊΠΈΒ» ΠΏΠΎΡΡΠ΅Π±ΡΠ΅ΡΡΡ ΠΎΡΠ΅Π½Ρ Π²ΡΡΠΎΠΊΠ°Ρ Π²ΡΡΠΈΡΠ»ΠΈΡΠ΅Π»ΡΠ½Π°Ρ ΠΌΠΎΡΠ½ΠΎΡΡΡ.
2. Π€ΠΈΠ·ΠΈΡΠ΅ΡΠΊΠΎΠ΅ ΠΌΠΎΠ΄Π΅Π»ΠΈΡΠΎΠ²Π°Π½ΠΈΠ΅: ΡΡΠΎΡ ΠΌΠ΅ΡΠΎΠ΄ Π°Π½Π°Π»ΠΈΠ·ΠΈΡΡΠ΅Ρ ΡΠΈΠ·ΠΈΡΠ΅ΡΠΊΠΈΠΉ ΠΏΡΠΎΡΠ΅ΡΡ ΠΌΠΎΠ΄Π΅Π»ΠΈΡΡΠ΅ΠΌΠΎΠΉ ΡΠΈΡΡΠ΅ΠΌΡ, ΠΌΠΎΠ΄Π΅Π»ΠΈΡΡΠ΅Ρ Π΅Π³ΠΎ. ΠΡΠΎ ΠΌΠΎΠΆΠ΅Ρ ΠΏΡΠΈΠ²Π΅ΡΡΠΈ ΠΊ ΠΎΡΠ΅Π½Ρ ΡΠ΅Π°Π»ΠΈΡΡΠΈΡΠ½ΠΎΠΌΡ Π·Π²ΡΡΠ°Π½ΠΈΡ, Π½ΠΎ ΠΌΠΎΠΆΠ΅Ρ ΠΏΠΎΡΡΠ΅Π±ΠΎΠ²Π°ΡΡ Π·Π½Π°ΡΠΈΡΠ΅Π»ΡΠ½ΡΡ Π²ΡΡΠΈΡΠ»ΠΈΡΠ΅Π»ΡΠ½ΡΡ Π·Π°ΡΡΠ°Ρ Π² Π·Π°Π²ΠΈΡΠΈΠΌΠΎΡΡΠΈ ΠΎΡ ΠΎΠΏΡΠΈΠΌΠΈΠ·Π°ΡΠΈΠΈ ΠΈΠ»ΠΈ ΠΌΠ°ΡΠ΅ΠΌΠ°ΡΠΈΡΠ΅ΡΠΊΠΎΠ³ΠΎ ΡΠΏΡΠΎΡΠ΅Π½ΠΈΡ ΠΌΠΎΠ΄Π΅Π»ΠΈ. ΠΠ΄ΠΈΠ½ ΠΏΡΠΈΠΌΠ΅Ρ ΠΌΠΎΠ΄Π΅Π»ΠΈΡΠΎΠ²Π°Π½ΠΈΡ ΠΏΡΡΠΆΠΈΠ½Π½ΠΎΠΉ ΡΠ΅Π²Π΅ΡΠ±Π΅ΡΠ°ΡΠΈΠΈ ΠΏΡΠΈΠ²Π΅Π΄Π΅Π½ ΠΏΠΎ ΡΡΡΠ»ΠΊΠ΅ [3].
3. Π‘ΠΈΠ½ΡΠ΅ΡΠΈΡΠ΅ΡΠΊΠΎΠ΅ ΠΌΠΎΠ΄Π΅Π»ΠΈΡΠΎΠ²Π°Π½ΠΈΠ΅: ΠΈΠ½ΠΎΠ³Π΄Π° Π°Π²ΡΠΎΡ Π²ΠΈΠ΄ΠΈΡ, ΡΡΠΎ ΡΠ°ΠΊΠ°Ρ ΠΌΠΎΠ΄Π΅Π»Ρ ΠΏΡΠ΅Π΄ΡΡΠ°Π²Π»ΡΠ΅Ρ ΡΠΎΠ±ΠΎΠΉ ΠΏΡΠΎΡΡΠΎ ΡΠΏΡΠΎΡΠ΅Π½Π½ΡΡ ΠΌΠΎΠ΄Π΅Π»Ρ ΠΏΡΠΈΠ±Π»ΠΈΠΆΠ΅Π½ΠΈΡ ΠΎΡΠΊΠ»ΠΈΠΊΠ° ΡΠΈΡΡΠ΅ΠΌΡ ΠΌΠ΅ΡΠΎΠ΄ΠΎΠΌ ΠΏΡΠΎΠ± ΠΈ ΠΎΡΠΈΠ±ΠΎΠΊ. ΠΠ°ΠΏΡΠΈΠΌΠ΅Ρ, ΡΠ΅Π²Π΅ΡΠ±Π΅ΡΠ°ΡΠΈΡ Π¨ΡΠ΅Π΄Π΅ΡΠ° [ΡΠΌ. Π‘ΡΡΠ»ΠΊΡ [4]) ΠΌΠΎΠΆΠ½ΠΎ Π½Π°ΡΡΡΠΎΠΈΡΡ ΡΠ°ΠΊ, ΡΡΠΎΠ±Ρ ΠΎΠ½Π° ΠΈΠΌΠΈΡΠΈΡΠΎΠ²Π°Π»Π° ΡΠ΅Π²Π΅ΡΠ±Π΅ΡΠ°ΡΠΈΡ Π·Π°Π»Π° ΡΡΠ΅Π΄Π½Π΅Π³ΠΎ ΡΠ°Π·ΠΌΠ΅ΡΠ°, ΡΡΡΠ°Π½ΠΎΠ²ΠΈΠ² Π΄Π»Ρ Π½Π΅ΠΊΠΎΡΠΎΡΠΎΠ³ΠΎ ΠΏΠ°ΡΠ°ΠΌΠ΅ΡΡΠ° ΠΎΠΏΡΠ΅Π΄Π΅Π»Π΅Π½Π½ΡΠ΅ Π·Π½Π°ΡΠ΅Π½ΠΈΡ.
Π Π΅Π°Π»ΠΈΠ·Π°ΡΠΈΡ ΡΡΡΠ΅ΠΊΡΠ° ΡΠ΅Π²Π΅ΡΠ±Π΅ΡΠ°ΡΠΈΠΈ Π² ΡΠ»Π΅ΠΊΡΡΠΎΠ½Π½ΠΎΠΉ ΡΡ Π΅ΠΌΠ΅: ΡΠ΅ΡΡ Ρ Π·Π°Π΄Π΅ΡΠΆΠΊΠΎΠΉ ΠΈ Π½Π°ΡΡΡΠΎΠ΅Π½Π½ΡΠ΅ Π°Π½Π°Π»ΠΎΠ³ΠΎΠ²ΡΠ΅ ΡΠ΅Π·ΠΎΠ½Π°ΡΠΎΡΡ
ΠΠΎΠ³Π΄Π° ΠΌΡ Π°Π½Π°Π»ΠΈΠ·ΠΈΡΡΠ΅ΠΌ ΡΠ²Π»Π΅Π½ΠΈΠ΅ ΡΠ΅Π²Π΅ΡΠ±Π΅ΡΠ°ΡΠΈΠΈ ΠΊΠ°ΠΊ ΡΠ»ΠΎΠΆΠ½ΡΡ ΠΊΠ°ΡΡΠΈΠ½Ρ ΡΡ
Π°, ΠΌΡ ΠΌΠΎΠΆΠ΅ΠΌ ΠΈΠ½ΡΡΠΈΡΠΈΠ²Π½ΠΎ ΠΏΠΎΡΡΡΠΎΠΈΡΡ ΡΠ°ΠΊΡΡ ββΡΡ
Π΅ΠΌΡ ΡΡΡΠ΅ΠΊΡΠ° ΡΠ΅Π²Π΅ΡΠ±Π΅ΡΠ°ΡΠΈΠΈ, ΠΈΡΠΏΠΎΠ»ΡΠ·ΡΡ ΡΠ΅ΡΡ Π»ΠΈΠ½ΠΈΠΉ Π·Π°Π΄Π΅ΡΠΆΠΊΠΈ.
Π‘ Π΄ΡΡΠ³ΠΎΠΉ ΡΡΠΎΡΠΎΠ½Ρ, Π΅ΡΠ»ΠΈ ΠΌΡ ΠΏΡΠΎΠ°Π½Π°Π»ΠΈΠ·ΠΈΡΡΠ΅ΠΌ ΡΠ²Π»Π΅Π½ΠΈΠ΅ ΡΠ΅Π²Π΅ΡΠ±Π΅ΡΠ°ΡΠΈΠΈ ΠΊΠ°ΠΊ Π½Π΅ΠΏΡΠ΅ΡΡΠ²Π½ΡΠΉ ΡΠ΅Π·ΠΎΠ½Π°Π½Ρ, ΠΌΡ ΠΌΠΎΠΆΠ΅ΠΌ ΠΏΠΎΠ΄ΡΠΌΠ°ΡΡ, ΡΡΠΎ Π΄Π»Ρ ΡΠΎΠ·Π΄Π°Π½ΠΈΡ ΡΠ°ΠΊΠΎΠ³ΠΎ ΡΡΡΠ΅ΠΊΡΠ° ΠΌΠΎΠΆΠ½ΠΎ ΠΈΡΠΏΠΎΠ»ΡΠ·ΠΎΠ²Π°ΡΡ Π½Π΅ΡΠΊΠΎΠ»ΡΠΊΠΎ ΠΏΠ°ΡΠ°Π»Π»Π΅Π»ΡΠ½ΡΡ
Π°Π½Π°Π»ΠΎΠ³ΠΎΠ²ΡΡ
ΡΠ΅Π·ΠΎΠ½Π°ΡΠΎΡΠΎΠ², ΠΊΠΎΡΠΎΡΡΠ΅ Π½Π°ΡΡΡΠΎΠ΅Π½Ρ Π½Π° ΡΠ°Π·Π½ΡΠ΅ ΡΠ°ΡΡΠΎΡΡ. ΠΠ²ΡΠΎΡ Π΄ΡΠΌΠ°Π» ΠΎΠ± ΡΡΠΎΠΌ Π² ΡΠ΅ΡΠ΅Π½ΠΈΠ΅ ΠΌΠ½ΠΎΠ³ΠΈΡ
Π»Π΅Ρ. ΠΠΎΠΆΠ°Π»ΡΠΉΡΡΠ°, Π΄Π°ΠΉΡΠ΅ Π·Π½Π°ΡΡ Π°Π²ΡΠΎΡΡ Π² ΠΊΠΎΠΌΠΌΠ΅Π½ΡΠ°ΡΠΈΡΡ
, Π΅ΡΠ»ΠΈ ΡΠΆΠ΅ Π΅ΡΡΡ ΡΡ
Π΅ΠΌΠ° Π°Π½Π°Π»ΠΎΠ³ΠΎΠ²ΠΎΠΉ ΡΠ΅Π²Π΅ΡΠ±Π΅ΡΠ°ΡΠΈΠΈ, ΠΊΠΎΡΠΎΡΠ°Ρ ΠΎΡΠ½ΠΎΠ²Π°Π½Π° Π½Π° Π°Π½Π°Π»ΠΎΠ³ΠΎΠ²ΡΡ
ΡΠ΅Π·ΠΎΠ½Π°ΡΠΎΡΠ°Ρ
, ΡΡΠΎΠ±Ρ Π°Π²ΡΠΎΡ Π½Π΅ ΠΈΠ·ΠΎΠ±ΡΠ΅ΡΠ°Π» Π²Π΅Π»ΠΎΡΠΈΠΏΠ΅Π΄. ΠΠ° Π΄Π°Π½Π½ΡΠΉ ΠΌΠΎΠΌΠ΅Π½Ρ Π°Π²ΡΠΎΡ ΡΠΎΡΡΠ΅Π΄ΠΎΡΠΎΡΠΈΠ»ΡΡ Π½Π° ΡΠ΅ΡΠ΅Π½ΠΈΠΈ Ρ ΡΠ΅ΠΏΡΡ Π»ΠΈΠ½ΠΈΠΉ Π·Π°Π΄Π΅ΡΠΆΠΊΠΈ.
Π¦ΠΈΡΡΠΎΠ²ΠΎΠΉ ΡΠΈΠΏ Π·Π°Π΄Π΅ΡΠΆΠΊΠΈ PT2399 β Π±ΡΠ΄ΠΆΠ΅ΡΠ½ΠΎΠ΅ ΡΠ΅ΡΠ΅Π½ΠΈΠ΅ Π΄Π»Ρ ΠΏΡΠΎΠ΅ΠΊΡΠ° ΠΏΠ΅Π΄Π°Π»ΠΈ ΡΠ΅Π²Π΅ΡΠ±Π΅ΡΠ°ΡΠΈΠΈ DIY
ΠΠ΅ΡΠ΅Π΄ΠΎΠ²Π°Ρ ΡΠ΅Ρ Π½ΠΎΠ»ΠΎΠ³ΠΈΡ CMOS PT2399 ΠΎΡ Princeton ΠΏΡΠΈΠΎΠ±ΡΠ΅ΡΠ°Π΅Ρ Π²ΡΠ΅ Π±ΠΎΠ»ΡΡΡΡ ΠΏΠΎΠΏΡΠ»ΡΡΠ½ΠΎΡΡΡ Π΄Π»Ρ ΠΏΡΠΎΠ΅ΠΊΡΠΈΡΠΎΠ²Π°Π½ΠΈΡ ΡΡΡΡΠΎΠΉΡΡΠ²Π° Ρ Π±Π»ΠΎΠΊΠΎΠΌ ΠΏΠ΅ΡΠ΅ΠΊΠ»ΡΡΠ°Π΅ΠΌΡΡ ΠΊΠΎΠ½Π΄Π΅Π½ΡΠ°ΡΠΎΡΠΎΠ² (BBD) Π΄Π»Ρ Ρ ΡΠ°Π½Π΅Π½ΠΈΡ Π°ΡΠ΄ΠΈΠΎΡΡΠΌΠΏΠ»ΠΎΠ² Π² Β«Π°Π½Π°Π»ΠΎΠ³Π΅Β» Π² ΠΊΠ°ΡΠ΅ΡΡΠ²Π΅ ΡΠ΅Π°Π»ΠΈΠ·Π°ΡΠΈΠΈ Π°Π½Π°Π»ΠΎΠ³ΠΎΠ²ΠΎΠΉ Π»ΠΈΠ½ΠΈΠΈ Π·Π°Π΄Π΅ΡΠΆΠΊΠΈ. ΠΠ»ΠΎΠΊ-ΡΡ Π΅ΠΌΠ° PT2399 ΠΏΠΎΠΊΠ°Π·Π°Π½Π° Π½Π° ΡΠΈΡΡΠ½ΠΊΠ΅ 3.
Π ΠΈΡΡΠ½ΠΎΠΊ 3. ΠΠ»ΠΎΠΊ-ΡΡ
Π΅ΠΌΠ° ΠΠ‘ ΡΠΈΡΡΠΎΠ²ΠΎΠΉ Π»ΠΈΠ½ΠΈΠΈ Π·Π°Π΄Π΅ΡΠΆΠΊΠΈ PT2399
Π¦ΠΈΡΡΠΎΠ²Π°Ρ ΠΌΠΈΠΊΡΠΎΡΡ
Π΅ΠΌΠ° Π»ΠΈΠ½ΠΈΠΈ Π·Π°Π΄Π΅ΡΠΆΠΊΠΈ Π²ΡΠΏΠΎΠ»Π½Π΅Π½Π° Π² Π΄ΠΎΡΡΡΠΏΠ½ΠΎΠΌ 16-ΠΊΠΎΠ½ΡΠ°ΠΊΡΠ½ΠΎΠΌ DIP-ΠΊΠΎΡΠΏΡΡΠ΅.
ΠΠΈΠ½ΠΈΠΌΠ°Π»ΡΠ½Π°Ρ Π΄Π»ΠΈΡΠ΅Π»ΡΠ½ΠΎΡΡΡ Π·Π°Π΄Π΅ΡΠΆΠΊΠΈ ΡΠΎΡΡΠ°Π²Π»ΡΠ΅Ρ 30 ΠΌΡ, ΠΌΠ°ΠΊΡΠΈΠΌΠ°Π»ΡΠ½Π°Ρ β 340 ΠΌΡ, Π° Π½Π°ΡΡΡΠΎΠΉΠΊΡ Π·Π°Π΄Π΅ΡΠΆΠΊΠΈ Π»Π΅Π³ΠΊΠΎ ΠΌΠ΅Π½ΡΡΡ Π²Π½Π΅ΡΠ½ΠΈΠΌ ΡΠ΅Π·ΠΈΡΡΠΎΡΠΎΠΌ.
ΠΠ»ΠΎΠΊ-ΡΡ Π΅ΠΌΠ° ΡΠ΅Π²Π΅ΡΠ±Π΅ΡΠ°ΡΠΎΡΠ° Hamuro Spring-Room-Hall Π΄Π»Ρ Π½Π΅Π±ΠΎΠ»ΡΡΠΎΠ³ΠΎ ΠΏΠΎΠΌΠ΅ΡΠ΅Π½ΠΈΡ
Π ΠΈΡΡΠ½ΠΎΠΊ 4. ΠΠ»ΠΎΠΊ-ΡΡ Π΅ΠΌΠ° ΡΠ΅Π²Π΅ΡΠ±Π΅ΡΠ°ΡΠΎΡΠ° Hamuro Spring-Room-Hall
ΠΠ²ΡΠΎΡ ΡΠΎΠ·Π΄Π°Π» ΠΎΡΠ΅Π½Ρ ΠΏΡΠΎΡΡΡΡ ΡΡ Π΅ΠΌΡ ΡΠ΅Π²Π΅ΡΠ±Π΅ΡΠ°ΡΠΈΠΈ, ΠΈΡΠΏΠΎΠ»ΡΠ·ΡΡ 5 ΠΌΠΈΠΊΡΠΎΡΡ Π΅ΠΌ PT2399, ΠΊΠΎΡΠΎΡΠ°Ρ ΠΌΠΎΠΆΠ΅Ρ ΠΈΠΌΠΈΡΠΈΡΠΎΠ²Π°ΡΡ ΡΡΡΠ΅ΠΊΡ ΡΠ΅Π²Π΅ΡΠ±Π΅ΡΠ°ΡΠΈΠΈ ΠΏΡΡΠΆΠΈΠ½Ρ Π² ΠΊΠΎΠΌΠ½Π°ΡΠ΅. ΠΠ½Π° ΠΈΠΌΠ΅Π΅Ρ Π²ΠΎΠ·ΠΌΠΎΠΆΠ½ΠΎΡΡΡ ΡΠΏΡΠ°Π²Π»ΡΡΡ Π²ΡΠ΅ΠΌΠ΅Π½Π΅ΠΌ Π·Π°Π΄Π΅ΡΠΆΠΊΠΈ, ΠΎΠ±ΡΡΠΌΠΎΠΌ ΠΏΠΎΠΌΠ΅ΡΠ΅Π½ΠΈΡ ΠΈ Π±Π°Π»Π°Π½ΡΠΎΠΌ. ΠΠΎΠ³Π΄Π° ΡΠ΅Π³ΡΠ»ΡΡΠΎΡ ΠΎΠ±ΡΡΠΌΠ° ΠΊΠΎΠΌΠ½Π°ΡΡ ΡΡΡΠ°Π½ΠΎΠ²Π»Π΅Π½ Π½Π° ΠΌΠΈΠ½ΠΈΠΌΡΠΌ, ΠΎΠ½ Π±ΡΠ΄Π΅Ρ Π·Π²ΡΡΠ°ΡΡ ΠΏΠΎΠ΄ΠΎΠ±Π½ΠΎ ΠΏΡΡΠΆΠΈΠ½Π½ΠΎΠΉ ΡΠ΅Π²Π΅ΡΠ±Π΅ΡΠ°ΡΠΈΠΈ, Π° Π΅ΡΠ»ΠΈ ΠΎΠ½ ΡΡΡΠ°Π½ΠΎΠ²Π»Π΅Π½ Π½Π° ΠΌΠ°ΠΊΡΠΈΠΌΡΠΌ, ΡΠΎ Π±ΡΠ΄Π΅Ρ ΠΏΠΎΠ»ΡΡΠ°ΡΡΡΡ ΡΠ΅Π²Π΅ΡΠ±Π΅ΡΠ°ΡΠΈΡ ΠΊΠ°ΠΊ Π² Π·Π°Π»Π΅ ΠΈΠ»ΠΈ ΡΠΎΠ±ΠΎΡΠ΅.
ΠΡΠΈΠ½ΡΠΈΠΏΠΈΠ°Π»ΡΠ½Π°Ρ ΡΡ Π΅ΠΌΠ° ΠΏΠΎΠ»Π½ΠΎΠ³ΠΎ ΠΊΠΎΠ½ΡΡΡΠ°
ΠΠΎΠ»Π½Π°Ρ ΠΏΡΠΈΠ½ΡΠΈΠΏΠΈΠ°Π»ΡΠ½Π°Ρ ΡΡ
Π΅ΠΌΠ° Π½Π°Ρ
ΠΎΠ΄ΠΈΡΡΡ Π² ΡΡΠ°Π΄ΠΈΠΈ ΡΠ°Π·ΡΠ°Π±ΠΎΡΠΊΠΈ ΠΈ ΡΠ΅ΡΡΠΈΡΠΎΠ²Π°Π½ΠΈΡ. ΠΠ°Π·ΠΎΠ²Π°Ρ ΡΡ
Π΅ΠΌΠ° ΡΠ΅Π²Π΅ΡΠ±Π΅ΡΠ°ΡΠΈΠΈ Π±ΡΠ»Π° ΡΡΠΏΠ΅ΡΠ½ΠΎ ΠΏΡΠΎΡΠ΅ΡΡΠΈΡΠΎΠ²Π°Π½Π° Π½Π° ΠΏΠ»Π°ΡΡΠΎΡΠΌΠ΅ Deepstomp (DIY digital multi-effect stompbox), ΠΈ Π±ΡΠ΄Π΅Ρ ΠΎΠΏΡΠ±Π»ΠΈΠΊΠΎΠ²Π°Π½Π° Π²ΠΎ Π²ΡΠΎΡΠΎΠΉ ΡΠ°ΡΡΠΈ ΡΡΠ°ΡΡΠΈ (ΠΏΡΠΈΠΌ.
Π°Π²ΡΠΎΡΠ°).
ΠΠΈΡΠ΅ΡΠ°ΡΡΡΠ°
1. L. Hammond, Β«Electical Musical InstrumentΒ», ΠΏΠ°ΡΠ΅Π½Ρ Π‘Π¨Π 2230836, 2 ΡΠ΅Π²ΡΠ°Π»Ρ 1941 Π³.
2. Π€ΠΎΠ½Ρ ΠΠ΄ΡΠΈΠ°Π½ΡΠ΅Π½, Β«ΠΠ·ΠΌΠ΅ΡΠ΅Π½ΠΈΠ΅ Π°ΠΊΡΡΡΠΈΡΠ΅ΡΠΊΠΎΠ³ΠΎ ΠΈΠΌΠΏΡΠ»ΡΡΠ½ΠΎΠ³ΠΎ ΠΎΡΠΊΠ»ΠΈΠΊΠ° Ρ ΠΏΠΎΠΌΠΎΡΡΡ ALIKIΒ», 4-Ρ ΠΠ΅ΠΆΠ΄ΡΠ½Π°ΡΠΎΠ΄Π½Π°Ρ Linux Audio Conference: LAC2006
3. Π‘ΡΠ΅ΡΠ°Π½ ΠΠΈΠ»ΡΠ±Π°ΠΎ ΠΈ ΠΠΆΡΠ»ΠΈΠ°Π½ ΠΠ°ΡΠΊΠ΅Ρ, Β«ΠΠΈΡΡΡΠ°Π»ΡΠ½Π°Ρ ΠΌΠΎΠ΄Π΅Π»Ρ ΡΠ΅Π²Π΅ΡΠ±Π΅ΡΠ°ΡΠΈΠΈ ΠΏΡΡΠΆΠΈΠ½ΡΒ», ΡΡΠ°Π½Π·Π°ΠΊΡΠΈΠΈ IEEE ΠΏΠΎ ΠΎΠ±ΡΠ°Π±ΠΎΡΠΊΠ΅ Π·Π²ΡΠΊΠ°, ΡΠ΅ΡΠΈ ΠΈ ΡΠ·ΡΠΊΠ°, Vol. 18, β 4, ΠΌΠ°ΠΉ 2010 Π³., ΡΡΡ.799
4. Π. Π . Π¨ΡΠ΅Π΄Π΅Ρ (Bell Telephone Laboratories, Incorporated, ΠΡΡΡΠ΅ΠΉ Π₯ΠΈΠ»Π», ΠΡΡ-ΠΠΆΠ΅ΡΡΠΈ),
Β«ΠΡΡΠ΅ΡΡΠ²Π΅Π½Π½ΠΎΠ΅ Π·Π²ΡΡΠ°Π½ΠΈΠ΅ ΠΈΡΠΊΡΡΡΡΠ²Π΅Π½Π½ΠΎΠΉ ΡΠ΅Π²Π΅ΡΠ±Π΅ΡΠ°ΡΠΈΠΈΒ», ΠΆΡΡΠ½Π°Π» Audio Engineering Society, ΠΈΡΠ»Ρ 1962 Π³.
DIY — Π‘ΠΎΠ±Π΅ΡΠΈ ΡΠ°ΠΌ!
ΠΠ΅ ΠΏΡΠΎΡΡΠΎ ΠΊΡΠΏΠΈΡΡ… ΠΠΎΡΡΡΠΎΠΈΡΡ!
Π‘ΠΎΠ·Π΄Π°ΠΉΡΠ΅ ΡΠ²ΠΎΠΉ ΡΠΎΠ±ΡΡΠ²Π΅Π½Π½ΡΠΉ Π»Π΅Π½ΡΠΎΡΠ½ΡΠΉ ΠΌΠΈΠΊΡΠΎΡΠΎΠ½ USA ΠΌΠΈΡΠΎΠ²ΠΎΠ³ΠΎ ΠΊΠ»Π°ΡΡΠ°, Π½Π΅ Π²ΡΡ
ΠΎΠ΄Ρ ΠΈΠ· ΡΠΎΠ±ΡΡΠ²Π΅Π½Π½ΠΎΠ³ΠΎ Π΄ΠΎΠΌΠ° ΠΈΠ»ΠΈ Π½Π° ΡΠ°Π±ΠΎΡΠ΅ΠΌ ΠΌΠ΅ΡΡΠ΅… ΠΠ°ΠΆΠ΅ Π½Π° ΠΊΡΡ
ΠΎΠ½Π½ΠΎΠΌ ΡΡΠΎΠ»Π΅. ΠΠΈΠ΄Π΅ΠΎ ΠΈ ΠΏΠΎΠ»Π½ΠΎΡΡΡΡ ΠΈΠ»Π»ΡΡΡΡΠΈΡΠΎΠ²Π°Π½Π½ΡΠ΅ ΠΏΠ»Π°Π½Ρ ΠΏΡΠΎΠ²Π΅Π΄ΡΡ Π²Π°Ρ ΡΠ΅ΡΠ΅Π· Π²Π΅ΡΡ ΠΏΡΠΎΡΠ΅ΡΡ ΠΈ ΠΏΠΎΠ΄ΡΠΎΠ±Π½ΠΎ ΠΏΡΠΎΠ΄Π΅ΠΌΠΎΠ½ΡΡΡΠΈΡΡΡΡ ΠΊΠ°ΠΆΠ΄ΡΠΉ ΡΠ°Π³.
ΠΠ°ΠΌ ΠΏΠΎΡΡΠ΅Π±ΡΠ΅ΡΡΡ:
- ΠΡΡΠ΅Π·Π°ΡΡ ΠΈ Π³ΠΎΡΡΠΈΡΠΎΠ²Π°ΡΡ ΡΠΎΠ½ΠΊΡΡ Π°Π»ΡΠΌΠΈΠ½ΠΈΠ΅Π²ΡΡ ΡΠΎΠ»ΡΠ³Ρ Π΄Π»Ρ ΠΈΠ·Π³ΠΎΡΠΎΠ²Π»Π΅Π½ΠΈΡ Π»Π΅Π½ΡΡ
- Π‘ΡΠΎΡΠΌΠΈΡΠΎΠ²Π°ΡΡ ΡΠΊΡΠ°Π½ ΠΈ ΡΠΏΠ°ΡΡΡ Π΅Π³ΠΎ Π²ΠΌΠ΅ΡΡΠ΅
- Π‘ΠΎΠ±Π΅ΡΠΈΡΠ΅ ΡΠΎΠ΅Π΄ΠΈΠ½ΠΈΡΠ΅Π»ΡΠ½ΡΡ ΠΏΠ»Π°ΡΡΠΈΠ½Ρ ΠΈ ΡΡΡΠ°Π½ΠΎΠ²ΠΈΡΠ΅ Π²ΡΡ ΠΎΠ΄Π½ΠΎΠΉ ΡΡΠ°Π½ΡΡΠΎΡΠΌΠ°ΡΠΎΡ USA OTA-2
- Π‘ΠΎΠ±Π΅ΡΠΈΡΠ΅ ΠΈ ΠΏΠΎΠ΄ΠΊΠ»ΡΡΠΈΡΠ΅ Π»Π΅Π½ΡΠΎΡΠ½ΡΠΉ Π΄Π²ΠΈΠ³Π°ΡΠ΅Π»Ρ, ΠΊΠΎΡΠΎΡΡΠΉ ΡΠ΄Π΅ΡΠΆΠΈΠ²Π°Π΅Ρ Π»Π΅Π½ΡΠΎΡΠ½ΡΡ ΡΠΎΠ»ΡΠ³Ρ
- ΠΠΎΠΌΠ΅ΡΡΠΈΡΠ΅ Π»Π΅Π½ΡΠΎΡΠ½ΡΡ ΡΠΎΠ»ΡΠ³Ρ Π² Π΄Π²ΠΈΠ³Π°ΡΠ΅Π»Ρ, Π½Π°ΡΡΠ½ΠΈΡΠ΅ Π΅Π΅ Π΄ΠΎ Π½Π°Π΄Π»Π΅ΠΆΠ°ΡΠ΅Π³ΠΎ Π½Π°ΡΡΠΆΠ΅Π½ΠΈΡ ΠΈ Π·Π°ΠΆΠΌΠΈΡΠ΅. Π²Π½ΠΈΠ·
- ΠΡΠΏΠΎΠ»Π½ΠΈΡΠ΅ ΠΎΠΊΠΎΠ½ΡΠ°ΡΠ΅Π»ΡΠ½ΡΡ ΡΠ±ΠΎΡΠΊΡ, ΠΊΠΎΡΠΎΡΠ°Ρ ΡΠΎΠ±Π΅ΡΠ΅Ρ Π²ΡΠ΅ Π²ΠΌΠ΅ΡΡΠ΅
ΠΠ ΠΠΠΠ§ΠΠΠΠ: ΠΡΠΎ Π½Π΅ Π΄Π΅ΡΡΠΊΠ°Ρ Π³ΠΎΠ»ΠΎΠ²ΠΎΠ»ΠΎΠΌΠΊΠ°, Π½ΠΎ ΠΈ Π½Π΅ Π²ΡΡΡΠ°Ρ ΠΌΠ°ΡΠ΅ΠΌΠ°ΡΠΈΠΊΠ°.
ΠΡΠΎ ΡΠΎΠΆΠ΅ , Π° Π½Π΅ , ΠΏΡΠΈΠ²Π΅Π·Π΅Π½Π½ΡΠΉ ΠΈΠ·-Π·Π° Π³ΡΠ°Π½ΠΈΡΡ Ρ ΠΏΠ΅ΡΠ΅Π²Π΅Π΄Π΅Π½Π½ΠΎΠΉ ΠΈΠ½ΡΡΡΡΠΊΡΠΈΠ΅ΠΉ ΠΏΠΎ ΡΠΊΡΠΏΠ»ΡΠ°ΡΠ°ΡΠΈΠΈ. Π‘Π±ΠΎΡΠΊΠ° Π»Π΅Π½ΡΠΎΡΠ½ΠΎΠ³ΠΎ ΠΌΠΈΠΊΡΠΎΡΠΎΠ½Π° ΠΡΡΠΈΠ½Π° ΡΡΠ΅Π±ΡΠ΅Ρ ΡΠ΅ΡΠΏΠ΅Π½ΠΈΡ ΠΈ ΠΌΠ΅Π»ΠΊΠΎΠΉ ΠΌΠΎΡΠΎΡΠΈΠΊΠΈ, ΠΈ Π΄Π΅ΡΠΈ Π² Π²ΠΎΠ·ΡΠ°ΡΡΠ΅ 13 Π»Π΅Ρ ΠΌΠΎΠ³ΡΡ ΡΠ΄Π΅Π»Π°ΡΡ ΠΌΠΈΠΊΡΠΎΡΠΎΠ½. ΠΡΠ΅ ΠΎΠ±ΡΡΡΠ½ΡΠ΅ΡΡΡ ΠΈ Π΄Π΅ΠΌΠΎΠ½ΡΡΡΠΈΡΡΠ΅ΡΡΡ Π² Π²ΠΈΠ΄Π΅ΠΎΡΠΎΠ»ΠΈΠΊΠ°Ρ
ΠΈ ΠΏΠ»Π°Π½Π°Ρ
, Π° ΡΠ΅Ρ
Π½ΠΈΡΠ΅ΡΠΊΠ°Ρ ΠΏΠΎΠ΄Π΄Π΅ΡΠΆΠΊΠ° Π΄ΠΎΡΡΡΠΏΠ½Π° ΠΏΠΎ ΡΠ»Π΅ΠΊΡΡΠΎΠ½Π½ΠΎΠΉ ΠΏΠΎΡΡΠ΅, ΠΎΠ±ΡΡΠ½ΠΎ ΠΎΠ½Π° Π²ΠΎΠ·Π²ΡΠ°ΡΠ°Π΅ΡΡΡ Π² ΡΠΎΡ ΠΆΠ΅ Π²Π΅ΡΠ΅Ρ.
Π‘ΠΏΠ΅ΡΠΈΠ°Π»ΡΠ½ΡΠ΅ ΠΈΠ½ΡΡΡΡΠΌΠ΅Π½ΡΡ ΠΈ ΠΏΡΠΈΡΠΏΠΎΡΠΎΠ±Π»Π΅Π½ΠΈΡ Π²Ρ ΠΎΠ΄ΡΡ Π² ΠΊΠΎΠΌΠΏΠ»Π΅ΠΊΡ, Π½ΠΎ Π²Π°ΠΌ ΠΏΠΎΠ½Π°Π΄ΠΎΠ±ΠΈΡΡΡ Π½Π΅ΡΠΊΠΎΠ»ΡΠΊΠΎ ΠΎΠ±ΡΡΠ½ΡΡ ΡΡΡΠ½ΡΡ ΠΈΠ½ΡΡΡΡΠΌΠ΅Π½ΡΠΎΠ², ΡΠ°ΠΊΠΈΡ ΠΊΠ°ΠΊ ΠΏΠ°ΡΠ»ΡΠ½ΠΈΠΊ, ΠΌΠ°Π»Π΅Π½ΡΠΊΠΈΠ΅ ΠΎΡΠ²Π΅ΡΡΠΊΠΈ, ΠΈΠ½ΡΡΡΡΠΌΠ΅Π½ΡΡ Π΄Π»Ρ Π·Π°ΡΠΈΡΡΠΊΠΈ ΠΏΡΠΎΠ²ΠΎΠ΄ΠΎΠ² ΠΈ Π»Π΅Π·Π²ΠΈΠ΅ Π±ΡΠΈΡΠ²Ρ ΠΈΠ»ΠΈ Π½ΠΎΠΆ X-Acto.
ΠΠΎΠΈ ΠΊΠΎΠΌΠΏΠ»Π΅ΠΊΡΡ ΠΈΡΠΏΠΎΠ»ΡΠ·ΡΡΡΡΡ ΠΊΠ°ΠΆΠ΄ΡΠΉ ΡΠ΅ΠΌΠ΅ΡΡΡ Π² ΠΡΠ·ΡΠΊΠ°Π»ΡΠ½ΠΎΠΌ ΠΊΠΎΠ»Π»Π΅Π΄ΠΆΠ΅ ΠΠ΅ΡΠΊΠ»ΠΈ Π² ΠΠΎΡΡΠΎΠ½Π΅, UNLV Π² ΠΠ°Ρ-ΠΠ΅Π³Π°ΡΠ΅ ΠΈ ΡΠ΅ΠΊΠΎΠΌΠ΅Π½Π΄ΡΡΡΡΡ Π² ΠΊΠ°ΡΠ΅ΡΡΠ²Π΅ Π»Π°Π±ΠΎΡΠ°ΡΠΎΡΠ½ΡΡ ΠΏΡΠΎΠ΅ΠΊΡΠΎΠ² Π΄Π»Ρ ΠΈΠ½ΠΆΠ΅Π½Π΅ΡΠ½ΡΡ ΠΈ Π°ΡΠ΄ΠΈΠΎΠΏΡΠΎΠ³ΡΠ°ΠΌΠΌ ΡΡΠ΅Π΄Π½ΠΈΡ ΡΠΊΠΎΠ» ΠΈ ΠΊΠΎΠ»Π»Π΅Π΄ΠΆΠ΅ΠΉ ΠΏΠΎ Π²ΡΠ΅ΠΉ ΡΡΡΠ°Π½Π΅.
ΠΡΠ΄ΠΈ Π»ΡΠ±ΡΡ ΠΌΠΎΠΈ Π½Π°Π±ΠΎΡΡ ΠΈ Π»ΡΠ±ΡΡ ΠΈΠΌΠΈ Ρ Π²Π°ΡΡΠ°ΡΡΡΡ. ΠΠΎΡΡΠΎΠΌΡ, ΠΏΠΎΠΆΠ°Π»ΡΠΉΡΡΠ°, ΠΏΠΎΠΈΡΠΈΡΠ΅ Π½Π° YouTube Π²ΠΈΠ΄Π΅ΠΎ ΠΎΡ Π»ΡΠ΄Π΅ΠΉ, ΠΊΠΎΡΠΎΡΡΠ΅ ΠΏΠΎΡΡΡΠΎΠΈΠ»ΠΈ ΠΌΠΎΠΉ ΠΌΠΈΠΊΡΠΎΡΠΎΠ½, ΠΈΠ»ΠΈ ΠΏΡΠΎΡΡΠΎ ΠΏΠΎΠ³ΡΠ³Π»ΠΈΡΠ΅Β» ΠΠ΅Π½ΡΠΎΡΠ½ΡΠΉ ΠΌΠΈΠΊΡΠΎΡΠΎΠ½ Austin » Π΄Π»Ρ ΠΎΡΠ·ΡΠ²ΠΎΠ² ΠΊΠ»ΠΈΠ΅Π½ΡΠΎΠ², Π±Π»ΠΎΠ³ΠΎΠ², ΠΏΠΎΠΊΠ°Π΄ΡΠΎΠ²ΠΎΠΉ ΡΠ±ΠΎΡΠΊΠΈ, ΠΆΡΡΠ½Π°Π»ΡΠ½ΡΡ ΡΡΠ°ΡΠ΅ΠΉ, ΡΠΎΡΠΎΠ³ΡΠ°ΡΠΈΠΉ ΠΈ ΠΈΠ½ΡΠΎΡΠΌΠ°ΡΠΈΠΈ. ΠΠΠΠ‘Π’ΠΠΠ’ΠΠΠ¬ΠΠ ΠΏΠ»ΠΎΡΠΊΠΈΠΉ!) Π½ΠΎ ΠΎΠ½ Π΅ΡΡΡ Π½Π° ΠΌΠΎΠ΅ΠΌ ΡΠ°ΠΉΡΠ΅, ΠΈΠ»ΠΈ Π½Π°ΠΏΠΈΡΠΈΡΠ΅ ΠΌΠ½Π΅, ΠΈ Ρ Π²ΡΡΠ»Ρ Π²Π°ΠΌ PDF
ΠΠΠ‘ΠΠΠΠ’ΠΠΠ― ΠΠΠ‘Π’ΠΠΠΠ Π½Π° Π»ΡΠ±ΠΎΠΉ Π°Π΄ΡΠ΅Ρ Π² Π‘Π¨Π ΠΈΠ»ΠΈ Π²ΠΎΠ΅Π½Π½ΡΠΉ APO, FPO ΠΈ Ρ. Π΄.
(ΠΠ΄ΠΈΠ½ ΠΊΠΎΠΌΠΏΠ»Π΅ΠΊΡ Π±ΡΠ» Π΄Π°ΠΆΠ΅ ΠΏΠΎΡΡΡΠΎΠ΅Π½ Π½Π° ΠΊΠ°ΠΏΠΎΡ Π₯Π°ΠΌΠ²ΠΈ Π² ΠΡΠ³Π°Π½ΠΈΡΡΠ°Π½Π΅!)
— Π ΠΈΠΊ
Π’ΠΎΠ²Π°Ρ ΠΏΡΠΎΠ΄Π°Π΅ΡΡΡ Π² ΡΠΎΠΎΡΠ²Π΅ΡΡΡΠ²ΠΈΠΈ Ρ ΠΎΠΏΠΈΡΠ°Π½ΠΈΠ΅ΠΌ
ΠΡΠΎΡ ΡΠΎΠ²Π°Ρ ΠΏΡΠΎΠ΄Π°Π΅ΡΡΡ Π² ΡΠΎΠΎΡΠ²Π΅ΡΡΡΠ²ΠΈΠΈ Ρ ΠΎΠΏΠΈΡΠ°Π½ΠΈΠ΅ΠΌ ΠΈ Π½Π΅ ΠΌΠΎΠΆΠ΅Ρ Π±ΡΡΡ Π²ΠΎΠ·Π²ΡΠ°ΡΠ΅Π½, Π΅ΡΠ»ΠΈ ΡΠΎΠ»ΡΠΊΠΎ ΠΎΠ½ Π½Π΅ Π±ΡΠ΄Π΅Ρ Π΄ΠΎΡΡΠ°Π²Π»Π΅Π½ Π² ΡΠΎΡΡΠΎΡΠ½ΠΈΠΈ, ΠΎΡΠ»ΠΈΡΠ½ΠΎΠΌ ΠΎΡ ΡΠΎΠ³ΠΎ, Π² ΠΊΠΎΡΠΎΡΠΎΠΌ ΠΎΠ½ Π±ΡΠ» ΠΎΠΏΠΈΡΠ°Π½ ΠΈΠ»ΠΈ ΡΡΠΎΡΠΎΠ³ΡΠ°ΡΠΈΡΠΎΠ²Π°Π½.
Π’ΠΎΠ²Π°ΡΡ Π΄ΠΎΠ»ΠΆΠ½Ρ Π±ΡΡΡ Π²ΠΎΠ·Π²ΡΠ°ΡΠ΅Π½Ρ Π² ΠΈΡΡ
ΠΎΠ΄Π½ΠΎΠΌ ΡΠΎΡΡΠΎΡΠ½ΠΈΠΈ, Π² ΡΠΎΠΌ ΠΆΠ΅ ΡΠΎΡΡΠΎΡΠ½ΠΈΠΈ, Π² ΠΊΠΎΡΠΎΡΠΎΠΌ ΠΎΠ½ΠΈ Π±ΡΠ»ΠΈ ΠΎΡΠΏΡΠ°Π²Π»Π΅Π½Ρ, ΡΠΎ Π²ΡΠ΅ΠΉ ΠΎΡΠΈΠ³ΠΈΠ½Π°Π»ΡΠ½ΠΎΠΉ ΡΠΏΠ°ΠΊΠΎΠ²ΠΊΠΎΠΉ. ΠΠΎΠ΄ΡΠΎΠ±Π½Π΅Π΅.
| Π‘ΠΎΡΡΠΎΡΠ½ΠΈΠ΅ | Π‘ΠΎΠ²Π΅ΡΡΠ΅Π½Π½ΠΎ Π½ΠΎΠ²ΡΠΉ (Π½ΠΎΠ²ΡΠΉ) Π‘ΠΎΠ²Π΅ΡΡΠ΅Π½Π½ΠΎ Π½ΠΎΠ²ΡΠΉ ΡΠΎΠ²Π°Ρ ΠΏΡΠΎΠ΄Π°Π΅ΡΡΡ Π°Π²ΡΠΎΡΠΈΠ·ΠΎΠ²Π°Π½Π½ΡΠΌ Π΄ΠΈΠ»Π΅ΡΠΎΠΌ ΠΈΠ»ΠΈ ΠΎΡΠΈΠ³ΠΈΠ½Π°Π»ΡΠ½ΡΠΌ ΠΏΡΠΎΠΈΠ·Π²ΠΎΠ΄ΠΈΡΠ΅Π»Π΅ΠΌ ΠΈ Π²ΠΊΠ»ΡΡΠ°Π΅Ρ Π²ΡΡ ΠΎΡΠΈΠ³ΠΈΠ½Π°Π»ΡΠ½ΡΡ ΡΠΏΠ°ΠΊΠΎΠ²ΠΊΡ. ΠΠΎΠ΄ΡΠΎΠ±Π½Π΅Π΅ |
| ΠΠ°ΡΠΊΠ° |
|
| Model |
|
| Finish |
|
| Categories |
|
| ΠΠΎΠ΄ |
|
| Π‘Π΄Π΅Π»Π°Π½ΠΎ Π² |
|
Π‘ΠΎΠΎΠ±ΡΠ΅Π½ΠΈΠ΅ ΠΏΡΠΎΠ΄Π°Π²ΡΡ
ΠΠΎΡΠΌΠΎΡΡΠ΅ΡΡ Π±ΠΎΠ»ΡΡΠ΅ Π² ΡΡΠΎΠΌ ΠΌΠ°Π³Π°Π·ΠΈΠ½Π΅
ΠΠΉ, ΠΏΠΎΡ
ΠΎΠΆΠ΅, Π²Ρ ΡΡΠΎ-ΡΠΎ Π·Π°Π±ΡΠ»ΠΈ.
ΠΠΎΠΆΠ°Π»ΡΠΉΡΡΠ°, ΠΏΡΠΎΠ²Π΅ΡΡΡΠ΅ ΠΏΠΎΠ»Ρ, Π²ΡΠ΄Π΅Π»Π΅Π½Π½ΡΠ΅ ΠΊΡΠ°ΡΠ½ΡΠΌ.
ΠΠΎΡ ΡΠ°ΠΌΠΎΠ΄Π΅Π»ΡΠ½ΡΠΉ ΡΠ΅Π²Π΅ΡΠ±Π΅ΡΠ°ΡΠΎΡ, ΡΠΎΠ±ΡΠ°Π½Π½ΡΠΉ ΠΈΠ· Π΄Π΅ΡΠ°Π»Π΅ΠΉ IKEA ΠΌΠ΅Π½Π΅Π΅ ΡΠ΅ΠΌ Π·Π° 100 Π΄ΠΎΠ»Π»Π°ΡΠΎΠ²
ΠΠ΅ ΠΌΠΎΠΆΠ΅ΡΠ΅ ΠΏΠΎΠ·Π²ΠΎΠ»ΠΈΡΡ ΡΠ΅Π±Π΅ Π΄ΠΎΡΠΎΠ³ΠΎΠΉ ΡΠ΅Π²Π΅ΡΠ±Π΅ΡΠ°ΡΠΎΡ? ΠΡΠΏΠΎΠ»ΡΠ·ΡΠΉΡΠ΅ ΡΡΠ΅Π»Π»Π°ΠΆΠΈ ΠΈ ΠΏΡΠ΅Π·ΠΎΡΠ»Π΅ΠΌΠ΅Π½ΡΡ ΠΈΠ· ΠΠΠΠ ΠΈ ΠΏΠΎΠ»ΡΡΠΈΡΠ΅ ΡΡΠΎ-ΡΠΎ ΠΏΠΎΡΡΡΡΠ°ΡΡΠ΅ ΠΊΡΠ°ΡΠΈΠ²ΠΎΠ΅ Π² ΡΡΠΎΠΌ ΠΏΡΠΎΡΡΠΎΠΌ ΠΌΠ°ΡΡΠ΅Ρ-ΠΊΠ»Π°ΡΡΠ΅. ΠΡΡΡΠ΅ Π²ΡΠ΅Π³ΠΎ ΡΠΎ, ΡΡΠΎ Π²Ρ ΠΌΠΎΠΆΠ΅ΡΠ΅ ΡΠ΄Π΅Π»Π°ΡΡ ΡΡΠΎ ΠΌΠ΅Π½Π΅Π΅ ΡΠ΅ΠΌ Π·Π° 100 Π΄ΠΎΠ»Π»Π°ΡΠΎΠ² ΠΏΠΎ ΡΠ°ΡΡΡΠΌ, ΠΈ ΡΡΠΎ Π½Π΅ ΡΠ»ΠΎΠΆΠ½Π°Ρ ΡΠ±ΠΎΡΠΊΠ°.
ΠΡΠΎΠΌΡ ΠΏΡΠΎΠ΅ΠΊΡΡ ΠΏΠΎΡΡΠΈ ΡΠ΅ΡΡΡΠ΅ Π³ΠΎΠ΄Π°, Π½ΠΎ ΠΌΡ Π½Π°Ρ ΠΎΠ΄ΠΈΠΌΡΡ Π² ΡΠΏΠΈΡΠ΅Π½ΡΡΠ΅ ΠΏΠ°Π½Π΄Π΅ΠΌΠΈΠΈ, ΡΠΊΠΎΠ½ΠΎΠΌΠΈΡΠ΅ΡΠΊΠΎΠ³ΠΎ ΡΠΏΠ°Π΄Π° ΠΈ Π½Π΅Ρ Π²Π°ΡΠΊΠΈ Π·Π°ΠΏΡΠ°ΡΡΠ΅ΠΉ, ΠΏΠ»ΡΡ β ΡΡΠΎ Π½ΠΈΠΊΠΎΠ³Π΄Π° Π½Π΅ ΡΡΡΠ°ΡΠ΅Π΅Ρ. Gearnews Π½Π°ΠΏΠΎΠΌΠΈΠ½Π°Π΅Ρ Π½Π°ΠΌ ΠΎΠ± ΡΡΠΎΠΌ (Π½Π° Π½Π΅ΠΌΠ΅ΡΠΊΠΎΠΌ ΡΠ·ΡΠΊΠ΅), ΠΈ, ΡΠ΅ΡΡΠ½ΠΎ Π³ΠΎΠ²ΠΎΡΡ, ΠΌΠ½Π΅ Π½ΡΠΆΠ½Ρ ΠΏΠΎΠ»ΠΊΠΈ. ΠΠ½Π΅ Π½ΡΠΆΠ΅Π½ ΠΏΠ»Π°ΡΡΠΈΠ½ΡΠ°ΡΡΠΉ ΡΠ΅Π²Π΅ΡΠ±Π΅ΡΠ°ΡΠΎΡ. Π₯ΠΎΡΠΎΡΠ΅Π΅ Π²ΡΠ΅ΠΌΡ. ΠΡΠΎΠ΄Π°Π».
ΠΠΎΡ LeoMakes Π² Π΄Π΅ΠΉΡΡΠ²ΠΈΠΈ β ΠΏΡΠΎΠΊΡΡΡΠΈΡΠ΅ Π²Π½ΠΈΠ·, ΡΡΠΎΠ±Ρ ΡΠ·Π½Π°ΡΡ ΠΎΠ± ΠΎΠ±Π½ΠΎΠ²Π»Π΅Π½Π½ΠΎΠΌ Π΄ΠΈΠ·Π°ΠΉΠ½Π΅ ΠΏΠΎ ΠΌΠ΅ΡΠ΅ ΡΠ»ΡΡΡΠ΅Π½ΠΈΡ Π·Π²ΡΠΊΠ°:
=»» sub=»»>ΠΠ½Π³ΡΠ΅Π΄ΠΈΠ΅Π½ΡΡ:
ΠΠΎΠΆΠΊΠΈ ΠΠΠΠ ΠΠ ΠΠ (ΠΎΠ·Π½Π°ΡΠ°Π΅Ρ Β«Π±ΡΠ°ΡΒ»?!)
ΠΠΎΠ»ΠΊΠ° ΠΠ ΠΠ (x2)
ΠΠΎΠ²Π΅ΡΡ Π½ΠΎΡΡΠ½ΡΠΉ ΠΏΡΠ΅ΠΎΠ±ΡΠ°Π·ΠΎΠ²Π°ΡΠ΅Π»Ρ (Π² Π½Π°ΡΡΠΎΡΡΠ΅Π΅ Π²ΡΠ΅ΠΌΡ Π½Π΅Π΄ΠΎΡΡΡΠΏΠ΅Π½, Π²ΠΎΠ·ΠΌΠΎΠΆΠ½ΠΎ, ΠΊΡΠΎ-ΡΠΎ Π² ΠΊΠΎΠΌΠΌΠ΅Π½ΡΠ°ΡΠΈΡΡ ΠΌΠΎΠΆΠ΅Ρ ΠΏΡΠ΅Π΄Π»ΠΎΠΆΠΈΡΡ Π·Π°ΠΌΠ΅Π½Ρ β Π΄ΠΎΠ²ΠΎΠ»ΡΠ½ΠΎ ΡΠ°ΡΠΏΡΠΎΡΡΡΠ°Π½Π΅Π½Π½Π°Ρ Π΄Π΅ΡΠ°Π»Ρ, ΠΈ ΠΏΠΎΠ΄ΠΎΠΉΠ΄Π΅Ρ Π»ΡΠ±ΠΎΠΉ)
ΠΡΠ΅Π·ΠΎΡΠ»Π΅ΠΌΠ΅Π½Ρ
Π‘ ΡΠ΅Ρ ΠΏΠΎΡ ΠΎΠ½ ΠΏΠ΅ΡΠ΅ΡΠ°Π±ΠΎΡΠ°Π» Π΄ΠΈΠ·Π°ΠΉΠ½ ΠΈ Π΄Π°ΠΆΠ΅ ΡΠ΄Π΅Π»Π°Π» Π½Π΅ΡΠΊΠΎΠ»ΡΠΊΠΎ Π±Π΅ΡΠΏΠ»Π°ΡΠ½ΡΡ Π·Π°Π³ΡΡΠΆΠ°Π΅ΠΌΡΡ ΡΠ°ΠΉΠ»ΠΎΠ² ΠΈΠΌΠΏΡΠ»ΡΡΠ½ΠΎΠΉ Ρ Π°ΡΠ°ΠΊΡΠ΅ΡΠΈΡΡΠΈΠΊΠΈ, ΠΊΠΎΡΠΎΡΡΠ΅ Π²Ρ ΠΌΠΎΠΆΠ΅ΡΠ΅ Π·Π°Π³ΡΡΠ·ΠΈΡΠ΅ Π² ΡΠ²Π΅ΡΡΠΎΡΠ½ΡΠΉ ΡΠ΅Π²Π΅ΡΠ±Π΅ΡΠ°ΡΠΎΡ (Π½Π°ΠΏΡΠΈΠΌΠ΅Ρ, Π²ΠΊΠ»ΡΡΠ΅Π½Π½ΡΠΉ Π² Ableton Live Suite), Π΅ΡΠ»ΠΈ Π²Ρ Ρ ΠΎΡΠΈΡΠ΅ ΠΏΠΎΠ»Π½ΠΎΡΡΡΡ ΠΈΠ·Π±Π΅ΠΆΠ°ΡΡ IKEA. (Π§Π΅ΡΡΠ½ΠΎ Π³ΠΎΠ²ΠΎΡΡ, ΡΡΠΎ Π΄ΡΡΠ²ΠΎΠ»ΡΡΠΊΠΈΠΉ ΡΠ²Π΅Π΄ΡΠΊΠΈΠΉ Π»Π°Π±ΠΈΡΠΈΠ½Ρ ΠΏΠΎΡΡΠ΅Π±ΠΈΡΠ΅Π»ΡΡΠΊΠΎΠΉ Π±ΠΎΠ»ΠΈ Ρ ΡΡΠΈΠΊΠ°Π΄Π΅Π»ΡΠΊΠ°ΠΌΠΈ.)
youtube.com/embed/u0uCagTClYA?feature=oembed» frameborder=»0″ allow=»accelerometer; autoplay; clipboard-write; encrypted-media; gyroscope; picture-in-picture» allowfullscreen=»» ikea=»» hack=»» plate=»» reverb=»» part=»» ir=»» files=»»>ΠΠ°Π³ΡΡΠ·ΠΊΠ° IR:
https://www.dropbox.com/sh/3h38jv0wapjrwdh/AACD5J5584yx8-Bh53tKJxira
ΠΠΎΠΊΠ° Π²Ρ ΠΌΠΎΠ΄Π΅ΡΠ½ΠΈΠ·ΠΈΡΡΠ΅ΡΠ΅ ΡΠ²ΠΎΡ ΠΆΠΈΠ·Π½Ρ, LeoMake ΡΠΎΠ·Π΄Π°Π»Π° ΠΈΠ΄Π΅Π°Π»ΡΠ½ΡΠΉ ΡΠΈΠ½ΡΠ΅Π·Π°ΡΠΎΡ / ΡΡΡΠ΄ΠΈΡ Π² ΡΠ΅ΡΠ΅Π½ΠΈΠ΅ ΠΏΡΠΎΡΠ»ΠΎΠ³ΠΎ Π³ΠΎΠ΄Π°.
Π Π΅ΡΠ΅ β ΠΊΠ΅ΠΉΡ Eurorack, ΡΠ°ΠΌΠΎΠ΄Π΅Π»ΡΠ½ΡΠΉ Π±ΠΈΠ½Π°ΡΡΠ°Π»ΡΠ½ΡΠΉ ΠΌΠΈΠΊΡΠΎΡΠΎΠ½ Π΄Π»Ρ 3D-Π·Π°ΠΏΠΈΡΠΈ (Π°Π³Π°, ΡΡΠΈ ΡΡΡΡΠΊΠΈ Π² ΡΠΎΡΠΌΠ΅ Π³ΠΎΠ»ΠΎΠ²Ρ), ΠΌΠΈΠΊΡΠΎΡΠΎΠ½ ΠΈΠ· Π±ΡΠΌΠ°ΠΆΠ½ΠΎΠ³ΠΎ ΡΡΠ°ΠΊΠ°Π½ΡΠΈΠΊΠ° Π·Π° 10 Π΄ΠΎΠ»Π»Π°ΡΠΎΠ²,
youtube.com/embed/eh_hX4Q-Si0?feature=oembed» frameborder=»0″ allow=»accelerometer; autoplay; clipboard-write; encrypted-media; gyroscope; picture-in-picture» allowfullscreen=»» microphone=»»>ΠΠΎΠ΄Π΄Π΅ΡΠΆΠΈΡΠ΅ ΡΠΎΠ·Π΄Π°ΡΠ΅Π»Ρ Π²ΠΈΠ΄Π΅ΠΎ :
www.patreon.com/leomakes
Π, ΠΈ ΠΌΠ½Π΅ Π½ΡΠ°Π²ΠΈΡΡΡ, ΡΡΠΎ Ρ Π½Π΅Π³ΠΎ Π΅ΡΡΡ Π½Π΅ΡΠΊΠΎΠ»ΡΠΊΠΎ ΠΎΠ±ΡΠΈΡ ΡΠΎΠ²Π΅ΡΠΎΠ² ΠΏΠΎ ΡΡΠΊΠΎΠ΄Π΅Π»ΠΈΡ:
PS, ΡΡΠΎ Π½Π΅ ΠΌΡΠ·ΡΠΊΠ°Π»ΡΠ½ΡΠΉ ΠΏΡΠΎΠ΅ΠΊΡ ΠΊΠ°ΠΊ ΡΠ°ΠΊΠΎΠ²ΠΎΠΉ, Π½ΠΎ ΠΏΠΎΠΊΠ° Π²Ρ Π·Π°Π½ΠΈΠΌΠ°Π΅ΡΠ΅ΡΡ ΡΠ²ΠΎΠΈΠΌΠΈ ΡΡΠΊΠ°ΠΌΠΈ β Π²ΠΎΠ·ΠΌΠΎΠΆΠ½ΠΎ, Π²Π°Ρ ΡΠΎΠ±ΡΡΠ²Π΅Π½Π½ΡΠΉ Π²ΠΎΠ·Π΄ΡΡΠ½ΡΠΉ ΡΠΈΠ»ΡΡΡ (ΠΌΠ΅ΠΆΠ΄Ρ ΠΏΡΠΎΡΠΈΠΌ, ΠΎΡΠ»ΠΈΡΠ½ΠΎ ΠΏΠΎΠ΄Ρ ΠΎΠ΄ΠΈΡ ΠΏΡΠΎΡΠΈΠ² Π°Π»Π»Π΅ΡΠ³ΠΈΠΈ, Π° Π½Π΅ ΡΠΎΠ»ΡΠΊΠΎ ΠΎΡ COVID β ΡΠ°ΠΊ ΡΡΠΎ ΠΎΠ±ΡΠ·Π°ΡΠ΅Π»ΡΠ½ΠΎ Π΄Π»Ρ ΡΡΡΠ΄ΠΈΠΈ):
ΠΠ°ΠΊ ΠΏΠΎΡΡΡΠΎΠΈΡΡ Corsi-Rosenthal Box Π΄Π»Ρ Π·Π°ΡΠΈΡΡ ΠΎΡ COVID ΠΌΠ΅Π½Π΅Π΅ ΡΠ΅ΠΌ Π·Π° 100 Π΄ΠΎΠ»Π»Π°ΡΠΎΠ² [Seattle Times]
ΠΠ±ΡΠ·Π°ΡΠ΅Π»ΡΠ½ΠΎ :

..25 Π (ΠΠ‘ΠΠ , 08 mm MAX)
..12 Π
47 ΠΌΠΊΠ€
1 ΠΌΠΊΠ€
7 ΠΊΠΠΌ