Как правильно выбрать материалы для самодельной LED-гирлянды. Какие схемы подключения светодиодов использовать для работы от сети 220В. Как рассчитать необходимое количество деталей. Какие меры безопасности соблюдать при изготовлении гирлянды.
Выбор комплектующих для светодиодной гирлянды на 220В
Для изготовления гирлянды на 220В понадобятся следующие материалы:
- Светодиоды — основной источник света
- Резисторы — для ограничения тока
- Диодный мост — для выпрямления переменного тока
- Провода — для соединения элементов
- Вилка — для подключения к сети
- Термоусадочные трубки — для изоляции соединений
При выборе светодиодов важно учитывать их характеристики:
- Прямое напряжение — обычно 2-3,5В
- Номинальный ток — чаще всего 20-30 мА
- Цвет свечения — белый, теплый белый, RGB и др.
- Угол рассеивания — от 15 до 140 градусов
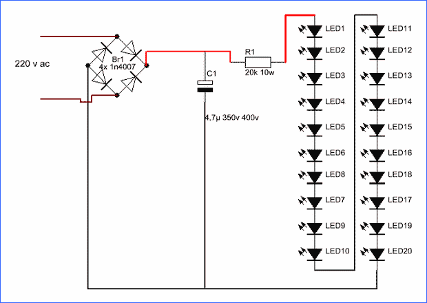
Для работы от сети 220В потребуются резисторы с номиналом около 10-20 кОм и мощностью не менее 0,5 Вт. Диодный мост должен выдерживать напряжение не менее 400В и ток 1-2А.

Расчет схемы подключения светодиодов на 220В
Существует несколько вариантов подключения светодиодов для работы от сети 220В:
- Линейное последовательное соединение
- Параллельно-последовательное соединение
- Матричное соединение
Рассмотрим расчет схемы на примере линейного последовательного соединения:
- Определяем количество светодиодов: N = (220В * √2) / Uпр, где Uпр — прямое напряжение светодиода
- Рассчитываем сопротивление ограничительного резистора: R = (220В * √2 — N * Uпр) / Iном, где Iном — номинальный ток светодиода
- Вычисляем мощность резистора: P = R * Iном^2
Для 100 светодиодов с Uпр = 3В и Iном = 20мА получим:
- N ≈ 100 шт
- R ≈ 11 кОм
- P ≈ 4,4 Вт
Пошаговая инструкция по сборке LED-гирлянды на 220В
Процесс изготовления светодиодной гирлянды на 220В включает следующие этапы:
- Подготовка компонентов и инструментов
- Сборка цепочки светодиодов согласно выбранной схеме
- Подключение ограничительного резистора
- Монтаж диодного моста
- Присоединение сетевого шнура с вилкой
- Изоляция всех соединений
- Проверка работоспособности
При сборке важно соблюдать полярность светодиодов и использовать качественную пайку. Все соединения должны быть надежно изолированы во избежание короткого замыкания.

Меры безопасности при изготовлении гирлянды на 220В
Работа с сетевым напряжением требует соблюдения следующих правил безопасности:
- Использовать инструменты с изолированными ручками
- Работать на диэлектрическом коврике
- Не касаться оголенных проводов и контактов
- Проводить пайку при отключенном питании
- Тщательно изолировать все соединения
- Проверять отсутствие замыканий мультиметром
Готовую гирлянду следует эксплуатировать только в сухих помещениях. При использовании на улице необходимо обеспечить герметичность корпуса.
Преимущества и недостатки самодельных LED-гирлянд
Изготовление светодиодной гирлянды своими руками имеет ряд плюсов и минусов:
Преимущества:
- Экономия средств по сравнению с покупной гирляндой
- Возможность создать уникальный дизайн
- Выбор любых параметров (яркость, цвет, длина)
- Развитие навыков электроники
Недостатки:
- Требует времени и определенных знаний
- Отсутствие гарантии на готовое изделие
- Риск поражения током при неправильной сборке
- Сложность добавления контроллера эффектов
Перед изготовлением стоит оценить свои навыки и возможности, а также учесть все риски работы с сетевым напряжением.

Варианты применения самодельных светодиодных гирлянд
Гирлянды, сделанные своими руками, можно использовать для различных целей:
- Праздничное украшение помещений и фасадов
- Декоративная подсветка интерьера
- Создание световых инсталляций
- Оформление витрин магазинов
- Подсветка элементов ландшафтного дизайна
Самодельные гирлянды позволяют воплотить любые творческие идеи и создать уникальное освещение для дома или бизнеса.
Сравнение самодельных и заводских LED-гирлянд
Давайте сравним основные характеристики самодельных и покупных светодиодных гирлянд:
| Характеристика | Самодельные | Заводские |
|---|---|---|
| Цена | Ниже | Выше |
| Качество | Зависит от навыков | Стабильно высокое |
| Уникальность | Высокая | Низкая |
| Надежность | Средняя | Высокая |
| Функциональность | Базовая | Расширенная |
| Гарантия | Отсутствует | 1-3 года |
Выбор между самодельной и покупной гирляндой зависит от конкретных потребностей, бюджета и желания заниматься самостоятельным изготовлением.
Советы по эксплуатации и обслуживанию самодельных гирлянд
Для обеспечения длительной и безопасной работы самодельной светодиодной гирлянды рекомендуется:

- Регулярно проверять целостность изоляции
- Не допускать перегрева элементов
- Защищать от влаги и механических повреждений
- Использовать стабилизированные источники питания
- Периодически очищать от пыли и загрязнений
- Хранить в сухом прохладном месте
При обнаружении неисправностей следует немедленно отключить гирлянду от сети и устранить проблему. Соблюдение этих правил позволит продлить срок службы изделия и обеспечить его безопасную эксплуатацию.
Световая гирлянда «Нить» 10м, 220В, 100 светодиодов, холодный белый свет, статика, чёрная резина – LUMINELLI
Технический паспорт изделия
Гирлянда светодиодная LED-PLR-100-10M-240V-W/BL-2.3
По заказу: LUMINELLI
Артикул: LED-PLR-100-10M-240V-W/BL-2.3
Назначение изделия:
Гирлянда Нить является современным вариантом декоративного освещения. Изделие долговечно и просто в монтаже, а за счет использования светодиодов становится экономичным за счет низкого потребления электричества.
Спектр применения:
— в наружной рекламе
— в интерьерной подсветке
— в архитектурной подсветке
Изделию свойственна яркость, равномерность и притягательность свечения при использовании.
Основные технические характеристики:
Режим свечения – постоянное свечение
Количество диодов – 100
Температурный режим — от -50 до +60
Количество соединений – 10
Цвет диода – холодный белый
Напряжение — 220 V
Потребляемая мощность – 8,1 Вт
Цвет провода – черный
Толщина провода – 2,3мм
Материал провода — резина
Класс защиты – IP65
Правила установки и подключения:
При монтаже нельзя допускать скрутки и перекручивания провода.
Следует убедиться, что гирлянда не соприкасается с легковоспламеняющимся материалом или материалом, который может оплавиться.
Правила по эксплуатации:
Не оборачивайте и не помещайте гирлянду в скрытые полости, обеспечьте достаточную вентиляцию изделия для избегания его нагрева. Не погружайте в воду. Не соединяйте ее электрически с гирляндой другого иного типа. Не допускайте детей и животных к монтажу и эксплуатации .
Меры безопасности:
Не разбирайте, не переделывайте, не ремонтируйте самостоятельно изделие. В случае обнаружения неисправности, не пытайтесь самостоятельно устранить причину неисправности, обесточьте изделие, свяжитесь с продавцом для консультации.
Прием товара:
Прием товара по кол-ву и качеству должен осуществляться в соответствии с договором поставки, в случае приобретения без заключения договора поставки, приемка изделия производится в соответствии с действующим законодательством РФ и инструкциями П-6 и П-7.
Транспортировка и хранение изделий:
Храните гирлянду в помещениях с естественной вентиляцией и температурой от -50 до +60 .
Гарантийные обязательства:
При использовании изделия в личных целях мы предоставляем потребителю гарантию на прибор сроком 12 месяцев со дня покупки. Условием оказания гарантийных услуг является приобретение прибора на территории страны, где предоставляется гарантийное обслуживание, приобретенные в этой стране, прошедшие сертификацию на соответствие стандартам этой страны, а также маркированные официальными знаками соответствия.
Если к моменту наступления гарантийного случая прибор находится за границей, он должен быть доставлен нам за счет покупателя для оказания гарантийных услуг.
О дефектах следует сообщать нам в письменной форме в течение 14 (четырнадцати) календарных дней с момент обнаружения. Если имеет место гарантийный случай, мы решаем, каким образом будет устранен
дефект/возмещен ущерб – путем ремонта или обмена на равноценный прибор.
Гарантия не распространяется на дефекты, возникшие в результате несоблюдения руководства по эксплуатации, ненадлежащего использования или нормального износа прибора. Гарантия также не
распространяется на синтетические материалы. Также гарантия не предоставляется при проведении ремонтных работ в неавторизованных мастерских.
Оказание гарантийных услуг не продлевает срок гарантии. Право на получение дальнейших гарантийных услуг не предоставляется. Данная гарантия является нашей добровольной услугой как производителя.
Законные права, вытекающие из гарантии (ремонт, расторжение договора, возмещение ущерба и снижение цены), данной гарантией не затрагиваются.
Комплектация:
Гирлянда светодиодная LED-PLR-100-10M-240V-W/BL-2.3
Размер коробки: 17*15*9 см
Вес коробки: 1 кг
Без комплектов для подключения
Техническая документация: 1 шт.
Сведения о реализации:
Цена изделия договорная, определяется при заключении договора.
Сведения об утилизации:
Вышедшая из строя гирлянда не требует особых способов утилизации, т. к. не имеет материалов и веществ, представляющих опасность для жизни, здоровья людей и окружающей среды. Гирлянда утилизируется как обычные твердые бытовые отходы.
Производство:
Произведено в Китае
Сведения об уполномоченной организации (Дистрибьютор):
ООО «Спектрум»
Адрес: г. Санкт-Петербург, ул. Софийская, 66
Номер телефона: 8 (800) 600-40-13
Почта: [email protected]
Neon-night Гирлянда Светодиодный Дождь, 2х1,5 м, постоянное свечение, 220В 235-306-6
Гирлянда «Светодиодный Дождь» 2х1,5м, постоянное свечение, прозрачный провод, 220В, диоды ТЁПЛО-БЕЛЫЕ
Купить по низким ценам Neon-night Гирлянда Светодиодный Дождь, 2х1,5 м, постоянное свечение, 220В 235-306-6
Описание Neon-night Гирлянда Светодиодный Дождь, 2х1,5 м, постоянное свечение, 220В 235-306-6
Гирлянда «Светодиодный Дождь» представляет собой гибкий горизонтальный шнур-шину (2м), к которому через определенные промежутки крепятся вертикальные нити (20 шт.
) со светодиодными лампами, которые отличаются от «Бахромы» тем, что имеют одинаковую, достаточно значительную длину, часто превышающую протяженность шины. На концах каждой шины есть разъем и штепсель, которые предназначены для последовательного соединения нескольких световых дождей в большой занавес ПЛЕЙ-ЛАЙТ. Используя занавес, можно не только создавать красивые световые занавесы или оформлять различные плоскости, например, фасады домов, окна и т.д., но и украшать объемные объекты.
Сегодня в гирляндах источником света служат светодиоды, которые пришли на смену применявшимся ранее лампам накаливания. С полупроводниковыми источниками гирлянда стала более надежной, потребляет меньше энергии, обрела более насыщенное сияние.
Данная гирлянда имеет теплый белый цвет свечения светодиодов.

Технические характеристики Neon-night Гирлянда Светодиодный Дождь, 2х1,5 м, постоянное свечение, 220В 235-306-6
- Ширина упаковки 12 см
- Высота упаковки 18 см
- Глубина упаковки 8 см
- Объемный вес 1.2 кг
- Кратность поставки 1
- Степень защиты IP65
- Защищенность Работа при минусовых температурах
- Цвет провода прозрачный
- Цвет свечения Теплый белый
- Длина гирлянды, м 2*1,5 м org/PropertyValue»> Тип Электрогирлянда
- Вид электрогирлянды Дождь
- Вид ламп Светодиодная
- Макс. мощность ламп, Вт 23 Вт
Количество ламп, шт 192 LED
220В 110В 3.5м Бабочка Светодиодная Занавеска Рождественская Гирлянда Светодиодная Стрин – Белит
Перейти к информации о продукте1 / из 7
Добавьте заголовок, чтобы представить особенности вашего продукта
Основные моменты
Укажите детали в каждой из сворачиваемых строк, чтобы предоставить вашим клиентам информацию, необходимую им для выбора лучшего продукта.
Измените заголовок и значок каждой строки в соответствии с вашим брендом.
Подробности
Ингредиенты
Разместите убедительный отзыв клиента о вашем продукте или бренде.
— ИМЯ ЗАКАЗЧИКА ЗДЕСЬ —
Введите другие дополнительные продукты.
ОПИСАТЬ, КАК СОЕДИНЯТЬ ПРОДУКТЫ ВМЕСТЕ
Изображение с текстом
Соедините текст с изображением, чтобы сосредоточить внимание на выбранном продукте. Добавьте информацию о наличии, стиле или даже оставьте отзыв.
Купить сейчас
Изображение с текстом
Соедините текст с изображением, чтобы сосредоточить внимание на выбранном продукте.
Добавьте информацию о наличии, стиле или даже оставьте отзыв.
Купить сейчас
Изображение с текстом
Соедините текст с изображением, чтобы сосредоточить внимание на выбранном продукте. Добавьте информацию о наличии, стиле или даже оставьте отзыв.
Купить сейчас
Подпишитесь на нашу рассылку
Узнавайте первыми о новых коллекциях и эксклюзивных предложениях.
10 способов украсить свой дом световыми гирляндами
Posté le 7 января 2020 г. | Категории: Дом и сад, Освещение и украшения
Праздничный сезон закончился, и мы должны признать, что это «возвращение к нормальной жизни» делает нас всех немного мрачными … Больше никакого рождественского духа, обмена и семейных воссоединений. Поэтому, чтобы волшебство Рождества длилось немного дольше, мы решили поговорить о декоративных светодиодных светильниках и множестве способов включить их в декор вашего дома.
Нежное и волшебное, откройте для себя 10 способов использовать светодиодную гирлянду в своем декоре…https://www.planeteleds.fr/en/party-led-decoration/4648-christmas-garland-led-flash.html
Зачем украшать мой дом светодиодными гирляндами?
Как украсить дом световыми гирляндами?
Зачем украшать мой дом светодиодными гирляндами?
Просто потому, что это один из самых дешевых модных декоративных элементов для стильного ремонта вашего дома. Есть все цвета и все формы, светодиодная гирлянда может быть очень длинной, чтобы создать настоящие коконы….
Таким образом, у нас есть бесконечные возможности превратить наш дом в праздничное место, оставаясь элегантным и утонченным. Ваша гостиная кажется преображенной без необходимости менять мебель или диван!
Как украсить дом световыми гирляндами?
1/10 В качестве изголовья
Светодиодная гирлянда над кроватью излучает мягкий и тонкий свет.
Гораздо менее агрессивный, чем любая прикроватная лампа, он облегчает засыпание, а способствует более качественному сну.
2/10 Вокруг зеркала
Используйте тонкую светодиодную гирлянду , оберните ее вокруг зеркала и выберите теплый белый цвет. Сияние и здоровое сияние гарантировано!
3/10 На потолке вашей спальни
Подобно звездному небу над головой , создайте волшебную и сказочную атмосферу в своей спальне с помощью простой светодиодной гирлянды!
4/10 В банке или бутылке
Светодиодная гирлянда , расположенная таким образом, займет немного места, но позволит вам внести настоящий элемент в ваш декор. Практичный и модный стиль «сделай сам», нам это очень нравится!
5/10 Под стеклянным колпаком
Еще один способ оригинально использовать светодиодные гирлянды – поместить их под стеклянный колпак! Очень модно нынче, можно использовать тонкую гирлянду или разноцветную гирлянду из шаров и создать своими руками настоящий светильник!
6/10 С фотографиями
Сублимируйте портреты своих близких и используйте световые гирлянды , чтобы повесить свои фотографии!
7/10 В детской
Тонкий и мягкий свет шаровой светодиодной гирлянды идеально подойдет вместо ночника до успокаивает и помогает малышу заснуть.

