Какие технические характеристики имел магнитофон Ода-303-стерео. Как был устроен тракт записи и воспроизведения. Какими функциями обладал этот аппарат. Почему Ода-303-стерео считается одним из лучших советских магнитофонов.
История создания магнитофона Ода-303-стерео
Магнитофон Ода-303-стерео был разработан в начале 1980-х годов на Ленинградском заводе «Мезон». Это была усовершенствованная модель популярного магнитофона Ода-101-стерео, выпускавшегося с 1974 года.
Главной целью разработчиков было создание высококачественного катушечного магнитофона, не уступающего по характеристикам лучшим зарубежным образцам. В конструкции были применены передовые для того времени технические решения.
Серийное производство Ода-303-стерео началось в 1982 году. Магнитофон быстро завоевал популярность среди любителей качественного звука благодаря отличным характеристикам и надежности. Выпуск продолжался до начала 1990-х годов.

Технические характеристики Ода-303-стерео
Магнитофон Ода-303-стерео имел следующие основные технические параметры:
- Тип: катушечный стереофонический магнитофон
- Количество дорожек: 4
- Скорости движения ленты: 19.05 и 9.53 см/с
- Диаметр катушек: до 18 см
- Частотный диапазон: 31.5-22000 Гц (19.05 см/с), 31.5-16000 Гц (9.53 см/с)
- Коэффициент детонации: не более 0.08% (19.05 см/с), 0.1% (9.53 см/с)
- Отношение сигнал/шум: не менее 58 дБ
- Выходная мощность: 2х4 Вт
- Потребляемая мощность: 70 Вт
- Габариты: 460х365х180 мм
- Вес: 16.5 кг
Как видно из характеристик, Ода-303-стерео обладал высокими показателями качества записи и воспроизведения звука, сравнимыми с профессиональной аппаратурой.
Конструктивные особенности магнитофона Ода-303-стерео
Магнитофон Ода-303-стерео имел ряд конструктивных особенностей, выделявших его среди других моделей:
- Применение прецизионного трехдвигательного лентопротяжного механизма с прямой передачей
- Использование высококачественных магнитных головок с сердечниками из пермаллоя
- Наличие системы автоматического регулирования уровня записи (АРУ)
- Раздельная регулировка уровня записи по каналам
- Встроенные микшерные возможности при записи
- Применение высококачественных комплектующих (конденсаторы, резисторы)
Особое внимание было уделено стабильности работы лентопротяжного механизма. Применение трех двигателей (для подмотки, ведущего вала и подкассетника) позволило добиться минимального уровня детонации.

Функциональные возможности Ода-303-стерео
Магнитофон Ода-303-стерео обладал широкими функциональными возможностями:
- Запись с микрофона, радио, звукоснимателя или линейного входа
- Воспроизведение через встроенные динамики или линейный выход
- Раздельная регулировка тембра низких и высоких частот
- Индикация уровня записи/воспроизведения стрелочными измерителями
- Счетчик расхода ленты
- Автостоп при окончании ленты
- Дистанционное управление (пауза, стоп)
- Возможность синхронной перезаписи
Наличие разнообразных функций и удобных органов управления делало Ода-303-стерео универсальным инструментом для записи и воспроизведения.
Схемотехника тракта записи Ода-303-стерео
Тракт записи магнитофона Ода-303-стерео имел следующую структуру:
- Входные усилители для микрофонного и линейного входов
- Регуляторы уровня записи по каналам
- Микшер для смешивания сигналов с разных входов
- Эквалайзер для частотной коррекции
- Усилитель записи
- Генератор тока подмагничивания (ГТП)
- Выходной каскад записи
Особенностью схемы было применение системы автоматического регулирования уровня записи (АРУ). Она позволяла избежать перегрузки магнитной ленты при резких скачках входного сигнала.

Схемотехника тракта воспроизведения Ода-303-стерео
Тракт воспроизведения магнитофона включал следующие основные узлы:
- Предварительный усилитель воспроизведения
- Эквалайзер для частотной коррекции
- Регуляторы тембра НЧ и ВЧ
- Регулятор громкости
- Усилитель мощности
- Выходные каскады на мощных транзисторах
В тракте воспроизведения применялись высококачественные операционные усилители, обеспечивающие минимальные искажения сигнала. Выходная мощность 2х4 Вт была достаточной для качественного воспроизведения через встроенные динамики.
Почему Ода-303-стерео считается одним из лучших советских магнитофонов
Магнитофон Ода-303-стерео заслуженно считается одним из лучших катушечных аппаратов советского производства. Это обусловлено следующими факторами:
- Высокое качество записи и воспроизведения звука
- Надежность и долговечность конструкции
- Широкие функциональные возможности
- Удобство управления
- Качественная элементная база
- Продуманная схемотехника
По своим техническим характеристикам Ода-303-стерео не уступал многим зарубежным моделям, а по некоторым параметрам даже превосходил их. При этом магнитофон оставался доступным по цене для советских меломанов.

Многие экземпляры Ода-303-стерео продолжают успешно работать и в наши дни, спустя почти 40 лет после выпуска. Это лучшее подтверждение качества и надежности легендарного советского магнитофона.
ОДА-102 стерео (тюнер, магнитофон, предусилитель, УМЗЧ)
Что-то не так?
Пожалуйста, отключите Adblock.
Портал QRZ.RU существует только за счет рекламы, поэтому мы были бы Вам благодарны если Вы внесете сайт в список исключений. Мы стараемся размещать только релевантную рекламу, которая будет интересна не только рекламодателям, но и нашим читателям. Отключив Adblock, вы поможете не только нам, но и себе. Спасибо.
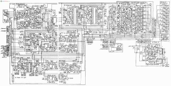
Как добавить наш сайт в исключения AdBlock<з>ОДА-102 стерео (тюнер, магнитофон, предусилитель, УМЗЧ). Принципиальная электрическая схема музыкального центра (комплекса) ОДА-102 стерео и его блоков, фото и внешний вид комплекса. Принципиальная схема комплекса ОДА-102 представлена несколькими рисунками. Чтобы скачать схему или ее часть нажмите на рисунке правой клавишей миши , а потом пункт — Сохранить изображение.
Принципиальная электрическая схема блока тюнера радиокомплекса Ода-102-стерео: а — плата объединительная; б — блок УКВ, в — блок ДЧМ-1-5; г — блок СД-А-7, д — блок ФНЧ-1.






Магнитофонная панель радиокомплекса ОДА-102 стерео, принципиальная схема.

Предварительный усилитель радиокомплекса ОДА-102 стерео, схема.

Усилитель мощности ЗЧ (УМЗЧ) радиокомплекса ОДА-102 стерео, принципиальная схема.
www.qrz.ru| Наименование | Тип | Размер, К | Файл |
| Азамат РМ302 | магнитола | 111 | mg42.djvu |
| Айдас | ламповый | 22 | mg2.djvu |
| Айдас (вып. п. 1965г.) | ламповый | 29 | mg3.djvu |
| Айдас 9М (вып. до 1968г.) | ламповый | 23 | mg4.djvu |
| Айдас 9М (вып. п. 1968г.) | ламповый | 21 | mg5.djvu |
| Алтай 301 стерео | автомагнитофон | 33 | mg89.djvu |
| АМ 302 стерео | автомагнитола | 62 | mg64.djvu |
| Астра 110 стерео | транзисторный | 62 | mg54.djvu |
| Астра 2 | ламповый | 27 | mg9.djvu |
| Астра 207 | транзисторный | 129 | mg87.djvu |
| Астра 4 | ламповый | 33 | mg10.djvu |
| Астра МК-111 стерео | транзисторный | 87 | mg55.djvu |
| Аэлита 101 | магнитола | 116 | mg59.djvu |
| Былина 203 стерео | автомагнитола | 85 | mg93.djvu |
| Былина РМ-317СА | автомагнитола | 54 | mg57.djvu |
| Вега 119 стерео | комбиниров. устр. | 176 | mg48.djvu |
| Вега 326 | магнитола | 100 | mg66.djvu |
| Вега 328 стерео | магнитола | 80 117 | mg111_1.djvu mg111_2.djvu |
| Вега 331 | магнитола | 65 | mg65.djvu |
| Вега 335 стерео | магнитола | 170 | mg124.djvu |
| Вега М420С | магнитофон | 38 | mg101.djvu |
| Вега МП-120 стерео | приставка (дека) | 56 83 80 | mg37_1.djvu |
| Вега МП-122С стерео | приставка (дека) | 45 132 133 | mg38_1.djvu mg38_2.djvu mg38_3.djvu |
| Вега РМ-250С | магнитола | 165 | mg109.djvu |
| Вега РМ-250С-5 | магнитола | 190 | mg116.djvu |
| Вега РМ-252С | магнитола | 88 43 | mg104.djvu mg104_1.djvu |
| Вега РМ-338С | магнитола | mg56.djvu | |
| Весна 2 | транзисторный | 26 | mg21.djvu |
| Весна 202 | Магнитофон | 52 19 | mg86_1.djvu mg86_2.djvu |
| Весна 205-1 | Магнитофон | 180 | mg36.djvu |
| Весна 207 стерео | Магнитофон | 114 | mg114.djvu |
| Весна 3 | транзисторный | 26 | mg22.djvu |
| Весна 309 | Магнитофон | 129 | mg88.djvu |
| Весна М212С-4 | Магнитофон | 180 | mg39.djvu |
| Весна М310С | Магнитофон | 68 | mg40.djvu |
| Вильма 311стерео | Магнитофон | 96 | mg77.djvu |
| Вильма-204 стерео | приставка (дека) | 106 140 | mg53_1.djvu mg53_2.djvu |
| Вильма-212 стерео | Магнитофон | 91 60 111 | mg79_1.djvu mg79_2.djvu mg79_3.djvu |
| Вильма-312 стерео | Магнитофон | 168 197 68 | mg118_1.djvu mg118_2.djvu mg118_3.djvu |
| ВЭФ 260 | магнитола | 89 | mg58.djvu |
| Гинтарас | ламповый | 28 | mg1.djvu |
| Дайна | транзисторный | 23 | mg29.djvu |
| Дельфин | транзисторный | 37 | mg30.djvu |
| Десна | транзисторный | 42 | mg31.djvu |
| Днепр 11 | ламповый | 29 | mg15.djvu |
| Днепр 12 М | ламповый | 53 | mg17.djvu |
| Днепр 12 Н | ламповый | 46 | mg16.djvu |
| Днепр 14 А | ламповый | 52 | mg18.djvu |
| ИЖ М-306С | транзисторный | 113 57 | mg84_1.djvu mg84_2.djvu |
| Звезда РМ 204 СА | автомагнитола | 131 | mg139.djvu |
| Казахстан-101стерео | магнитола | 39 63 62 83 | mg49_1.djvu mg49_2.djvu mg49_3.djvu mg49_4.djvu |
| Карат МП-202С | приставка (дека) | 307 | mg75.djvu |
| Квазар П405С | магнитофон-проигрыв. | 28 | mg113.djvu |
| Комета 225-1 стерео | (схема некачеств.) | 210 | mg78.djvu |
| Комета МГ 206 | транзисторный | 34 | mg28.djvu |
| Комета МГ-201 | ламповый | 36 | mg11.djvu |
| Комета МГ-201М | ламповый | 36 | mg12.djvu |
| Крунк 301 стерео | проигрыватель | 29 | mg96.djvu |
| Легенда 404 | транзисторный | 40 | mg63.djvu |
| Лота МП-203С | приставка (дека) | 307 | mg75.djvu |
| Маяк 001 стерео | приставка (дека) | 75 80 | mg129_1.djvu mg129_2.djvu |
| Маяк-120 стерео | приставка (дека) | 111 | mg52.djvu |
| Маяк 205 | транзисторный | 105 | mg72.djvu |
| Маяк 231 стерео | приставка (дека) | 278 | mg138.djvu |
| Маяк 232 стерео | приставка (дека) | 175 | mg126.djvu |
| Маяк-233-стерео | Магнитофон | 167 | mg47.djvu |
| Маяк 240С-1 | приставка (дека) | 144 | mg44.djvu |
| МП 64 | панель | 23 | mg33.djvu |
| Нота (вып. 1964г.) | приставка ламп. | 24 | mg19.djvu |
| Нота 203 стерео | приставка катуш. | 120 | mg102.djvu |
| Нота 225 стерео | полупровод. | 260 | mg123.djvu |
| Нота 303 | приставка ламп. | 40 | mg20.djvu |
| Нота МП-220С | приставка (дека) | 81 94 | mg80_1.djvu mg80_2.djvu |
| Одиссей 302 стерео | магнитофон-проигр. | 94 | mg105.djvu |
| Олимп МПК-005С | магн. -многостранич. djvu! | 551 | mg134.djvu |
| Орбита 1 | транзисторный | 38 | mg26.djvu |
| Орбита 2 | транзисторный | 29 | mg27.djvu |
| Орбита МП121С | приставка (дека) | 252 | mg121.zip |
| Орбита МПК-107С | магн. -многостранич. djvu! | 551 | mg135.djvu |
| Ореанда 201 | магнитола | 118 | mg97.djvu |
| Ореанда 204С | стереомагнитола | 176 72 | mg41_1.djvu mg41_2.djvu |
| Парус 302 | магнитофон | 56 | mg103.djvu |
| Протон 401 | транзисторный | 44 | mg61.djvu |
| Протон М-414 | Проигрыватель | 69 | mg94.djvu |
| Протон РМ-211С | магнитола | 154 | mg112.djvu |
| Протон РМ-212С | магнитола | 338 212 36 | mg69_1.pdf mg69_2.pdf mg69_3.pdf |
| Протон 301 стерео | автомоб.магн. | 67 | mg140.djvu |
| Радиотехника М-201 стерео | приставка (дека) | 53 65 | mg51_1.djvu mg51_2.djvu |
| Радиотехника МЛ-6201 стерео | магнитола | 58 75 | mg50_1.djvu |
| Радиотехника МП-7210 стерео | приставка (дека) | 228 134 | mg117.djvu mg117_2.djvu |
| Радиотехника МП-7301 стерео | полупроводник. | 123 88 | mg130_1.djvu mg130_2.djvu |
| Репортер 3 (М75) | транзисторный | 25 | mg137.djvu |
| Рига 110 | магнитола | 116 | mg59.djvu |
| Рига 111 | магнитола | 138 | mg67.djvu |
| Ритм 301 | транзисторный | 60 | mg68.djvu |
| Ритм М-303 стерео | транзисторный | 62 | mg81.djvu |
| Романтик (втор.вып.) | транзисторный | 30 | mg24.djvu |
| Романтик 3 | транзисторный | 41 | mg25.djvu |
| Романтик 306 | транзисторный | 138 | mg82.djvu |
| Романтика (магниторадиола) | панель ламп. | 23 | mg34.djvu |
| Романтика 220 стерео | транзисторный | 209 | mg115.djvu |
| Россия 101 стерео | магниторадиола | 119 105 88 | mg119_1.djvu mg119_2.djvu mg119_3.djvu |
| Ростов МК-105С-1 | магнитофон | 1420 | rostov_mk-105s-1.djvu |
| Сатурн 201 | транзисторный | 91 | mg70.djvu |
| Сириус РЭМ228С | магнитола | 201 | rr179.djvu |
| Сириус МЭ-325С | транзисторный | 138 | mg125.djvu |
| Скиф М-402С | Магнитофон | 136 | mg43.djvu |
| Снежеть 204 стерео | магнитофон | 212 | mg136.djvu |
| Соната 211 | магнитофон | 72 | mg98.djvu |
| Соната 308 | Магнитофон | 80 | mg83.djvu |
| Спутник 404 | транзисторный | 38 | mg62.djvu |
| Старт 203 стерео | автомагнитола | 85 | mg93.djvu |
| Томь 303 | транзисторный | 45 | mg60.djvu |
| Тоника 305 | транзисторный | 61 | mg73.djvu |
| Урал РМ206А | автомагнитола | 41 | mg142.djvu |
| Урал 285А | автомагнитола | 152 | mg122.djvu |
| Урал 292СА | автомагнитола | 93 76 64 67 118 46 | mg132_1.djvu mg132_2.djvu mg132_3.djvu mg132_4.djvu mg132_5.djvu mg132_6.djvu |
| Феникс 301 стерео | автомагнитофон | 30 | mg90.djvu |
| Чайка 66 | ламповый | 32 | mg8.djvu |
| Чайка М (вып . с 1960г.) | ламповый | 26 | mg6.djvu |
| Чайка М (вып . с 1964г.) | ламповый | 25 | mg7.djvu |
| Эврика 310 стерео | автомагнитола | 85 | mg95.djvu |
| Эврика 402 | магнитола | 56 | mg120.djvu |
| Элегия М302С-1 | Магнитофон | 83 | mg85.djvu |
| Электроника 004 | магнитофон-приставка | 648 | mg141.djvu |
| Электроника 203 стерео | магнитофон | 102 | mg100.djvu |
| Электроника 211 | магнитофон | 106 | mg133.djvu |
| Электроника 302-1 | транзисторный | 42 | mg74.djvu |
| Электроника 311 стерео | магнитофон | 71 | mg99.djvu |
| Электроника 323-1 | транзисторный | 40 | mg76.djvu |
| Электроника М325 | Магнитофон | 106 | mg127.djvu |
| Электроника М332С | Магнитофон | 66 | mg35.djvu |
| Электроника М402С | Магнитофон | 40 | mg45.djvu |
| Электроника-авто 301-01 стерео | автомагнитофон | 23 | mg91.djvu |
| Эльфа 201-1 стерео | магнитофон-прист. | 56 | mg92.djvu |
| Эльфа 25 | панель | 23 | mg32.djvu |
| Эльфа 332 стерео | магнитофон-прист. | 61 | mg106.djvu |
| Эола 310 стерео | автомагнитола | 85 | mg95.djvu |
| Эола РМ-320СА | автомагнитола | 95 | mg71.djvu |
| Юпитер 202 стерео | магнитофон | 84 | mg107.djvu |
| Юпитер 203 стерео | магнитофон | 84 | mg108.djvu |
| Юпитер 204 стерео | магнитофон-прист. | 71 | mg110.djvu |
| Яуза 10 | ламповый | 41 | mg14.djvu |
| Яуза 20 | транзисторный | 28 | mg23.djvu |
| Яуза 5 (вып. 1962 г.) | ламповый | 22 | mg13.djvu |
| Яуза-220 стерео | приставка (дека) | 105 | mg46.djvu |
vprl.ru
Схемы отечественных магнитофонов, магнитол, музыкальных центров Агидель 301, Азамат РМ-302, Айдас, Айдас 9М, Арго 004 стерео, Астра, Астра 110 стерео, Астра 2, Астра 206, Астра 207, Астра 209 стерео, Астра 4, Астра МК-111 стерео, Аэлита 101, Бирюза 202 стерео, Вайва, Вега 115 стерео, Вега 117 стерео, Вега 119 стерео, Вега 320, Вега 326, Вега 328 стерео, Вега 331, Вега 335 стерео, Вега М420С, Вега МП-120С, Вега МП-122С, Вега РМ-250С, Вега РМ-250С-5, Вега РМ-252С, Вега РМ-338С, Весна, Весна 2, Весна 202, Весна 205-1, Весна 207 стерео, Весна 211 стерео, Весна 3, Весна 305, Весна 306, Весна 309, Весна М212С-4, Весна М310С, Вильма 102 стерео, Вильма 110 стерео, Вильма 204 стерео, Вильма 212 стерео, Вильма 302 стерео, Вильма 303, Вильма 311 стерео, Вильма 312 стерео, Вильняле, Воронеж 401, Воронеж 402, Воронеж 403, Воронеж 404, ВЭФ 260, ВЭФ 317, Гинтарас, Дайна, Дельфин, Дельфин 301, Дельфин 302, Десна, Днепр, Днепр 10, Днепр 11, Днепр 11М, Днепр 12М, Днепр 12Н, Днепр 14А, Днепр 3, Днепр 5, Днепр 9, Днепр ПМ, Днипро 12Н, Днипро 12П, Иж М-306С, Илеть 101 стерео, Иней 302, Казахстан 101 стерео, Карат МП-202С, Квазар П405С, Комета, Комета 206, Комета 209, Комета 225-1 стерео, Комета МГ-201, Комета МГ-201М, Комета МГ-206, Легенда 301, Легенда 401, Легенда 404, Лота МП-203С, М-75, МАГ-59, МАГ-8М11, МАГ-8МII, МАГ-8МП, Маяк 001 стерео, Маяк 120 стерео, Маяк 201, Маяк 205, Маяк 231 стерео, Маяк 232 стерео, Маяк 233 стерео, Маяк 240С-1, Маяк-120 стерео, МГ-201, МГ-56, Мелодия, Мелодия 105 стерео, Мелодия 106 стерео, Мелодия МГ-56, Миния, Миния 2, Миния 3, Миния 4, МП-64, Мрия, Нерль 206 стерео, Нота, Нота 202 стерео, Нота 203 стерео, Нота 225 стерео, Нота 303, Нота МП-220С, Ода 101 стерео, Ода 102 стерео, Ода-101 стерео, Одиссей 302 стерео, Олимп 003 стерео, Олимп МПК-005С, Орбита 205 стерео, Орбита 303, Орбита МП121С, Орбита МПК-107С, Ореанда 201, Ореанда 203 стерео, Ореанда 204С, Ореанда 302, Орель 206 стерео, Парус 201, Парус 302, Протон 401, Протон М-414, Протон РМ-211С, Протон РМ-212С, Радиотехника М-201 стерео, Радиотехника МЛ-6201 стерео, Радиотехника МП-7210 стерео, Радиотехника МП-7301 стерео, Рекорд, Репортер 3, Рига 110, Рига 111, Ритм 301, Ритм М-303 стерео, Романтик З, Романтика, Романтика 105, Романтика 106, Романтика 108 стерео, Романтика 112 стерео, Романтика 220 стерео, Романтика-М, Россия 101 стерео, Русь 205, Рута 201 стерео, Садко 501, Сатурн 202 стерео, Сатурн 301, Сириус МЭ-325С, Сириус РЭМ228С, Скиф М-402С, Снежеть 204 стерео, Спалис, Спутник 401, Спутник 404, Такт 001 стерео, Такт 101 стерео, Тембр, Томь 206 стерео, Томь 303, Томь 305, Томь 401, Тоника 305, Тоника 310 стерео, Харьков 63, Чайка, Чайка 66, Чайка-66, Чайка-М, Эврика 302, Эврика 402, Эврнка 302, Элегия 301, Элегия М302С-1, Электроника 004, Электроника 203 стерео, Электроника 211, Электроника 302-1, Электроника 311 стерео, Электроника 323-1, Электроника 401, Электроника М325, Электроника М332С, Электроника М402С, Электроника МП-204 стерео, Электроника ТА1-003 стерео, Эльфа 10, Эльфа 19, Эльфа 20, Эльфа 201 стерео, Эльфа 201-1 стерео, Эльфа 25, Эльфа 332 стерео, Эльфа 6-1М, Эльфа 65, Юпитер 201, Юпитер 201 стерео, Юпитер 202 стерео, Юпитер 203 стерео, Юпитер 204 стерео, Юпитер МК 106 С, Яуза, Яуза 10, Яуза 20, Яуза 206, Яуза 209, Яуза 212, Яуза 5, Яуза 6, Яуза-220 стерео Схемы отечественных усилителей Амфитон 002 стерео, Амфитон 50У-202C, Амфитон AJ-01-У стерео, Амфитон А1-01 стерео, Амфитон У101 стерео, Арктур 001 стерео, Арктур 002 стерео , Арктур 101 стерео, Барк 001 стерео, Барк 50У-068С, Бриг 001 стерео, Бриг У001 стерео, БУ-34, Вега 10У-120С, Вега 50У-122С, Вега У-120 стерео, ВЭФ, ВЭФ 101 стерео, ВЭФ 101стерео, ЗУ-430, Корвет 100У-068С, Корвет 200УМ-088С, Кумир 35У-102С-1, Кумир У-001 стерео, Лорта 75У-101С, Одиссей 001 стерео, Одиссей 002 стерео, Одиссей 010 стерео, Одиссей 100У-021С, Орбита УМ-002 стерео, Прибой 50УМ-204С, Прибой 75УМ-204С, Пульсар У001 стерео, Радиотехника 020 стерео, Радиотехника У-101 стерео, Радиотехника У-7101 стерео, Радиотехника У-7111 стерео, Радиотехника У-7112 стерео, Радиотехника УП-001 стерео, Радуга, Романтика 15У-120 стерео, Романтика 201-2 стерео, Романтика 50У-220 стерео, Ростов-Дон 101 стерео, Сигма 200, Том 1201, Трембита 002 стерео, Трембита 101, ТУ-100БУ4-2, ТУ-50М, УЭМИ-50, Феникс 50У-008С, Экскорт, Электрон 104 стерео, Электрон 20 стерео, Электроника 50У-017С, Электроника Т1-002 стерео, Электроника Т1-040 стерео, Электроника УК-043 стерео, Электрофон 104 стерео, Эстония УМ-010 стерео, Эстония УП-010 стере, Эстония УП-010 стерео, 90У-2, 90У-5 Схемы отечественных автомагнитол, авторадиоприемников АМ-302 стерео, АМ-303, Былина 203 стерео, Былина РМ-317СА, Гродно 301, Гродно 302 стерео, Гродно 303, Звезда РМ204СА, Старт 203 стерео, Урал 285А, Урал 292СА, Урал РМ-206А, Эврика 310 стерео, Эола 310 стерео, Эола РМ-320СА, Протон 301 стерео, АТ-64, Былина 315, Урал РМ-334А, Алтай 301 стерео, Крунк 301 стерео, Феникс 301 стерео, Электроника-авто 301-01 стерео, А-271, А-271Г, А-271Е, А-271Т, А-275, А-275В, А-27б, А-324, А-327, А-370, А-370М, А-373, А-373Б, А-373БМ, А-373М, АТ-66, Блюз 301, Блюз РП-203А, Былина 207, Былина 310, Илга 320 авто, Круиз 203, РД-3602, Тернава 301, Тернава 302, Тонар авто 301, Тонар РП-303А, Тонар-авто 301, Тонар-авто 302, Турист, Урал авто 2, Урал РП-340А, Урал-авто, Урал-авто 2 Схемы отечественных тюнеров Корвет 104 стерео, Ласпи 001 стерео, Ласпи 003 стерео, Ласпи 005 стерео, Радиотехника Т-101 стерео, Радиотехника Т-7111 стерео, Рондо 101 стерео, Эстония 010 стерео, Корвет 004 стерео Схемы отечественных радиоприемников Абава РП-8330, Алмаз, Алмаз 401, Альпинист, Альпинист 2, Альпинист 3, Альпинист 320, Альпинист 321, Альпинист 405, Альпинист 407, Альпинист 417, Альпинист 418, Альпинист РП-224, Альпинист РП-224-1, Альпинист РП-225, Атмосфера, Атмосфера 2, Атмосфера 2М, Банга, Банга 2, Вега, Вега 341, Вега 402, Вега 404, Вега 407, Вега РП-240, Вега РП-241, Вега РП-243, Вега РП-341-1, Верас РП-225, Волхова, Волхова РП-202, Волхова РП-202-1, Восход 308, ВЭФ 12, ВЭФ 201, ВЭФ 202, ВЭФ 207, Вэф-Спидола, ВЭФ-Спидола 10, Гауя, Геолог, Геолог 2, Геолог 3, Гиала, Гиала 303, Гиала 404, Гиала 407, Гиала 410, Гнала 407, Иволга 66, Имула РП-8310, Ирень 401, Ишим, Ишим 003, Кварц 309, Кварц 401, Кварц 402, Кварц 403, Кварц 404, Кварц 405, Кварц 406, Кварц 407, Кварц 408, Кварц РП209, Киев 7, Космонавт, Космос, Космос 602, Космос М, Космос-М, Ласточка, Ласточка 2, Лель, Лель РП-202, Ленинград 002, Ленинград 006 стерео, Ленинград 010 стерео, Ленинград 015 стерео, Лира РП-231, Лира РП-241, Луч, Маяк 1, Мередиан 202, Меридиал 235, Меридиан, Меридиан 201, Меридиан 202, Меридиан 203, Меридиан 206, Меридиан 210, Меридиан 235, Меридиан РП-248, Меридиан РП-348, Меркурий 210, Микро, Микрон, Микрон РП-203, Минск, Мир, Нарочь, Нева, Нева 2, Невский, Нейва, Нейва 204-2, Нейва 303, Нейва 304, Нейва 401, Нейва-М, Неринга, Океан, Океан 203, Океан 204, Океан 205, Океан 209, Океан 214, Океан 221, Океан РП-222, Олимпик, Олимпик 2, Олнмпик 2, Оникс 401, Орбита, Орбита 1, Орбита 106 стерео, Орбита 2, Орион 301, Орленок, Орленок 605, Орленок М, Планета, Рига 103, Рига 104, Рига 301А , Рига 301Б, Рига 302, Рига 302А, Родина 60, Родина 60М1, Родина 65, Родина 68, Романтик, Романтик 3, Романтик 306, Россия 301, Россия 304, Рубин, Салют 001, Сатурн, Сатурн 201, Свирель, Свирель 402, Селга, Селга 309, Селга 402, Селга 404, Селга 405, Сигиал 304, Сигнал, Сокол, Сокол 2, Сокол 307, Сокол 308, Сокол 4, Сокол 403, Сокол 404, Соната, Спидола, Спидола 207, Спидола 230, Спидола 231, Спидола 232, Спорт 2, Спорт 301, Спорт 304, Старт 2, Сувенир, Сюрприз, Топаз 2, Турист 315, Турист РП215, Украина 201, Украина 202, Урал 301, Урал 302, Урал 320, Утро 601, Хазар 401, Хазар 402, Хазар 403, Хазар 404, Электроника Р403, Эра 2М, Этюд, Этюд 2, Этюд 603, Эхо 601 стерео, Юниор, Юпитер, Юпитер 601, Юпитер-М Схемы отечественных трехпрограммных приемников Амфитон 204, Маяк 204, Орфей 304, Прометей 201, Раздан 201, Свердловск 201, Светлана 301, Сириус 202, Сирнус 201, Эра 204 Схемы отечественных радиол Балтика 52, Балтика М254, Беларусь 101, Беларусь 103, Бригантина, Вега 001, Вега 001 стерео, Вега 003 стерео, Вега 300 стерео, Вега 312, Вега 312 стерео, Вега 313 моно, Вега 319 стерео, Вега 323 стерео, Виктория 001, Виктория 001 стерео, Виктория 003 стерео, ВЭФ-Радио, ВЭФ-Рапсодия, Дружба, Илга 301, Иоланта, Казань, Кама, Кантата 204, Кантата 205 стерео, Латвия М, Мелодия 101 стерео, Мелодия 102, Мелодия 104 стерео, Мрия 301, Отдых, Рекорд 314, Рекорд 354, Рекорд 57, Рекорд 68-2, Рига 101, Рига 102, Рига-101, Ригонда-моно, Ригонда-стерео, Серенада 402, Серенада 404, Серенада 405, Серенада 406, Серенада РЭ-209, Симфония, Симфония 003, Симфония 2, Сириус 315 пано, Сириус 316 пано, Сириус 311, Урал 1, Урал 112, Урал 114, Урал 2, Урал 3, Урал 5, Урал 6, Урал 7, Элегия 102 стерео, Элегия 106 стерео, Эстония 006, Эстония 006 стерео, Эстония 008 стерео, Эстония 009 стерео, Эстония 3М, Эстония 4, Эстония стерео, Эстония-стерео, Эфир, Сириус 311 Схемы отечественных электрофонов Ария 102 стерео, Арктур 006 стерео, Вега 106 стерео, Вега 206 стерео, Вега ЭП-110 стерео, Вега ЭП-120 стерео, Корвет 038 стерео, Орфей 101 стерео, Радиотехника 001 стерео, Россия 105 стерео, Электроника 012, Электроника ЭП-017 стерео, Электроника ЭП-060 стерео, Аккорд, Аккорд 001, Аккорд 001 стерео, Аккорд 101 стерео, Аккорд 201, Аккорд 201 стерео, Аккорд 202 стерео, Аккорд стерео, Аллегро 002 стерео, Ария ЭФ5303С стерео, Арктур 003 стерео, Арктур 004 стерео, Бега 101 стерео, Вега 002 стерео, Вега 101, Вега 103, Вега 103 стерео, Вега 104 стерео, Вега 105 стерео, Вега 108 стерео, Вега 109 стерео, Вега 110 стерео, Икар 303, Каравелла 203 стерео, Корвет-стерео, Лидер 206 стерео, Лидер 302, Лидер 303, Мелодия 103 стерео, Мелодия 103М стерео, Ноктюрн 201, Ноктюрн 211, Ноктюрн 212 стерео, Ноктюрн 314 стерео, Радиотехника 301 стерео, Радиотехника ЭП101 стерео, Рондо 203, Рондо 203 стерео, Рондо 204 стерео, Рондо 206 стерео, Россия 102 стерео, Россия 325 стерео, Феникс 001 стерео, Электроника Б1-01 стерео, Электроника Д1-011 стерео, Электроника Д1-012 стерео, Электроника ЭФ-017 стерео Схемы отечественных ЭПУ 0-ЭПУ-82С, 0-ЭПУ-82СК, 1-ЭПУ-70С, 2-ЭПУ-65СМ, 2-ЭПУ-66СМ, 3-ЭПУ-48, IIЭПУ-32С, IIЭПУ-52С, IIЭПУ-73С, IIЭПУ-74С, I-ЭПУ-70С, Г-602 Схемы отечественных акустических систем 35АС-013, 35АС-018, S70, S90D. |
elektromehanika.org


