Какие преимущества дают схемы РУ в виде мостиков. Как они работают в нормальных и аварийных режимах. Для каких подстанций подходят мостиковые схемы. Какие варианты исполнения мостиковых схем существуют.
Особенности и преимущества схем РУ в виде мостиков
Схемы распределительных устройств (РУ) в виде мостиков применяются на подстанциях с двумя линиями и двумя трансформаторами. Они обладают рядом важных преимуществ:
- Высокая надежность электроснабжения потребителей
- Возможность вывода в ремонт любого элемента схемы без отключения потребителей
- Простота и наглядность схемы
- Экономичность — минимальное количество выключателей
Основной особенностью мостиковых схем является наличие перемычки между двумя трансформаторами или линиями. Эта перемычка играет ключевую роль как при нормальной эксплуатации, так и в аварийных режимах.
Варианты исполнения мостиковых схем РУ
Существует два основных варианта схем РУ в виде мостиков:

1. С перемычкой со стороны трансформаторов
В этой схеме перемычка соединяет трансформаторы. Она применяется при подключении к двум проходящим линиям.
2. С перемычкой со стороны линий
Здесь перемычка соединяет линии. Такая схема используется при включении подстанции в рассечку одной транзитной линии.
Каждый из вариантов имеет свои преимущества в зависимости от конкретных условий применения.
Как работает мостиковая схема РУ в нормальном режиме?
В нормальном режиме работы мостиковой схемы:
- Выключатель в перемычке отключен
- Каждый трансформатор питается от своей линии
- Секции шин на стороне низкого напряжения работают раздельно
Такой режим обеспечивает надежное электроснабжение потребителей и минимизирует токи короткого замыкания.
Работа мостиковой схемы в аварийных режимах
При возникновении аварийной ситуации мостиковая схема позволяет быстро восстановить электроснабжение:
- При отключении одной из линий включается выключатель в перемычке
- Оба трансформатора получают питание по оставшейся в работе линии
- Потребители не теряют питания
Автоматика быстро переключает схему, минимизируя перерыв электроснабжения.

Для каких подстанций подходят мостиковые схемы РУ?
Схемы РУ в виде мостиков наиболее эффективны для следующих типов подстанций:
- Тупиковые подстанции с двумя питающими линиями
- Ответвительные подстанции на ответвлениях от двух магистральных линий
- Проходные подстанции, включенные в рассечку одной линии
- Подстанции с двумя трансформаторами мощностью до 63 МВА
Они оптимальны для подстанций среднего класса напряжения 35-220 кВ.
Преимущества мостиковых схем перед другими схемами РУ
По сравнению с другими схемами РУ, мостиковые схемы имеют ряд важных преимуществ:
- Меньшее количество выключателей, чем в схемах с двумя рабочими системами шин
- Более высокая надежность, чем у схем с одной рабочей системой шин
- Возможность вывода в ремонт любого элемента без отключения потребителей
- Простота оперативных переключений
- Наглядность и удобство эксплуатации
Эти преимущества делают мостиковые схемы оптимальным выбором для многих подстанций.
Недостатки мостиковых схем РУ
Несмотря на множество достоинств, мостиковые схемы имеют и некоторые недостатки:

- Отключение обоих трансформаторов при КЗ в перемычке
- Сложность расширения схемы при увеличении числа присоединений
- Необходимость отключения транзита мощности при ремонте выключателя в перемычке
Однако в целом преимущества мостиковых схем перевешивают их недостатки для большинства применений.
Автоматика в мостиковых схемах РУ
Для повышения надежности мостиковые схемы оснащаются следующими устройствами автоматики:
- Автоматическое включение резерва (АВР)
- Автоматическое повторное включение (АПВ)
- Устройства резервирования отказа выключателей (УРОВ)
Эта автоматика обеспечивает быстрое восстановление нормальной схемы при авариях.
Выбор оборудования для мостиковых схем РУ
При проектировании РУ с мостиковой схемой необходимо правильно выбрать:
- Выключатели с учетом токов КЗ и нагрузки
- Разъединители для видимого разрыва цепи
- Трансформаторы тока и напряжения для РЗА и учета
- Ограничители перенапряжений
Грамотный выбор оборудования обеспечит надежную работу схемы.
Заключение
Схемы РУ в виде мостиков являются оптимальным решением для многих подстанций 35-220 кВ благодаря своей надежности, экономичности и удобству эксплуатации. При правильном проектировании и выборе оборудования они обеспечивают высокую надежность электроснабжения потребителей.

Электрические схемы
от admin
Принтеры уже давно являются частью нашей жизни, они способны быстро распечатать любой документ и перевести практически любой вид информации на бумагу. Однако такой вид техники требует обслуживания и в случае возникновения неполадок — починки. Копировальные принтеры, пожалуй, самые популярные во всем мире, они одни из самых старых, но и одни из самых надежных. Заправка подобных … Читать далее Ремонт принтеров, МФУ, заправка картриджей
Рубрики Ремонт аппаратуры Оставьте комментарийот admin
Блок контейнеры металлические – это удобное и функциональное средство временно разместить работников.
от admin
Благодаря электросчетчику в квартирах и частных домах ведется контроль потребляемого электричества, поэтому его установка является обязательным процессом. Современное оборудование позволит максимально рационально использовать электроэнергию. Монтаж электрического счетчика является важным и сложным процессом, который требует конкретных знаний и навыков. Прежде чем приступить к установке прибора, понадобится выбрать новую модель.
от admin
Нередки ситуации, когда даже самый лучший сканер, купленный за немалые деньги, ломается. Конечно, обладатель данного устройства, привыкший ко всем удобствам, связанным с наличием сканера (особенно если он необходим для работы), просто не знает что делать и спешит обращаться в специализированные мастерские. Но вот что интересно – за такие услуги требуется выложить весьма солидную сумму денег, … Читать далее РЕМОНТ СКАНЕРОВ СОБСТВЕННОРУЧНО
Рубрики Ремонт аппаратуры Оставьте комментарийот admin
Заданную температуру в среде поддерживают электрические проводники — саморегулирующие кабели. Они могут применяться для изменения теплового режима на поверхностях, в резервуарах, трубах. Такие кабели являются главным узлом антиобледенительной защиты кровли, водостоков, а также тёплых полов, дорожек, ступеней. Работа саморегулирующего кабеля Греющей частью кабеля является матрица, изготовленная на полимерной основе. Структура такого материала реагирует на изменение … Читать далее САМОРЕГУЛИРУЮЩИЕ КАБЕЛИ
от admin
На основе специализированной микросхемы LM723 можно собрать регулируемый источник стабилизированного напряжения до 40 вольт, с током нагрузки до 10-ти ампер (при наличии ключевого внешнего транзистора, так как сама микросхема выдерживает до одного ампера).
Показанная ниже схема расчитана на 30В 10А исходящего питания, и имеет плавную регулировку напряжения и тока. Блок питания строится на … Читать далее БЛОК ПИТАНИЯ НА LM723
от admin
Микросхема LM338 разработана специально для создания стабилизированных мощных блоков питания. В нашей лаборатории собран тестовый экземпляр регулируемого БП, который используют уже достаточно долго, и без проблем. Только текущей регулировки отсутствует, но я преодолеть эту ситуацию с помощью ЖК-панели амперметру. Даташит и подробное описание возможностей и характеристик LM338 читайте тут. Электрические характеристики LM338 Принципиальная схема … Читать далее СТАБИЛИЗАТОР НА LM338
Рубрики Питание и зарядки Оставьте комментарийот admin
Увы, иногда бывает, что аппаратное обеспечение компьютера выходит из строя, что часто влечет за собой покупку новых комплектующих. Благо, некоторые поломки в несложных устройствах можно устранить самостоятельно. В любом случае, мы должны знать «врага в лицо» и быть готовыми его встретить. Ниже перечисленны основные узлы ПК и их возможные неисправности. Блок питания Одно … Читать далее ВОЗМОЖНЫЕ НЕИСПРАВНОСТИ КОМПЬЮТЕРА
от admin
Всем привет! Недавно решил заняться изучением цифровой электроники. Потому что ни одно современное электронное устройство, по сути, не обходится без применения микроконтроллеров. Эта тема всегда интересовала меня, в частности много читал по МК AVR, семейств Mega и Tiny.
Решено было перейти к освоению на практике работы с микроконтроллерами. Был собран программатор Громова, заказан с Али … Читать далее СХЕМА СТРОБОСКОПА НА МИКРОКОНТРОЛЛЕРЕ
от admin
Вот такой не очень сложный генератор был сделал для работы на кабельных линиях связи. При малом количестве деталей и простоте сборки он обладает неплохими параметрами и мощностью даже для поиска скрытой проводки на глубине до 10см. Схема самого преобразователя для устройства поиска проводки приведена ниже. Сердцем данного прибора является платка из китайского будильника … Читать далее ПОИСК СКРЫТОЙ ПРОВОДКИ
Рубрики Измерительные приборы Оставьте комментарийСхемы РУ в виде мостиков | Ликвидация аварий в главных схемах станций и подстанций | Архивы
- диспетчерская
- аварии и повреждения
Содержание материала
- Ликвидация аварий в главных схемах станций и подстанций
- Главные схемы электрических соединений
- Распределительные устройства главных схем
- Схемы РУ с двумя системами шин
- Схемы РУ в виде многоугольников
- Схемы РУ в виде мостиков
- Причины аварий
- Ремонт, испытания и осмотры оборудования как факторы предупреждения аварий
- Перегрузки оборудования и их устранение
- Предупреждение отказов в работе шинных разъединителей из-за поломки изоляторов
- Предупреждение аварий по вине оперативного персонала
- Источники информации и план действий
- Разделение функций оперативного персонала энергосистем при ликвидации аварий и самостоятельные действия персонала
- Поведение персонала в аварийной ситуации
- Ликвидация аварий средствами автоматических устройств
- Автоматическое включение резерва
- Автоматическая частотная разгрузка
- Ликвидация аварий, связанных с автоматическим отключением линий электропередачи
- Ликвидация аварий в главных схемах подстанций
- Автоматическое отключение сборных шин
- Автоматическое отключение синхронного генератора
- Автоматическое отключение блока
- Ликвидация несимметричных режимов работы турбогенераторов
- Ликвидация асинхронных режимов работы турбогенераторов
- Автоматическое отключение сборных шин станции
- Действия при отказах выключателей
- Действия при отказах разъединителей
- Проведение противоаварнийых тренировок
- Обучение на тренажерах
Страница 6 из 29
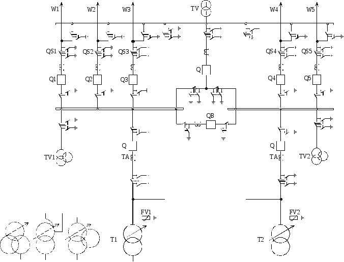
Схемы РУ, выполненные в виде мостиков, применяются при двух линиях и двух трансформаторах.
Схемы используются главным образом на понижающих подстанциях.
Возможны два варианта исполнения: с перемычкой со стороны трансформаторов (рис. 11) и со стороны линий (рис. 12). Исполнение по рис. 11,6 применяется при подсоединении схемы к двум проходящим линиям, исполнение по рис. 12 — при включении в рассечку одной транзитной линии.
Перемычка в схеме мостика играет существенную роль как при переключениях на линиях и трансформаторах в процессе вывода их в ремонт, так и при автоматических отключениях оборудования и создании послеаварийных режимов работы подстанций.
Рис. 11. Распределительные устройства, выполненные в виде мостиков: а- перемычка со стороны трансформаторов: б — то же вариант на отделителях; ОД1— ОД5 — отделители; К31, К32 — короткозамыкатели; THI, Th3— трансформаторы напряжения; Тсн1, Тсн2 — трансформаторы собственных нужд; «ЛВ устройство автоматического повторного включения; АВР — устройство автоматического включения резерва
В схеме на рис.
11, а выключатель В5 (или отделители ОД5 на рис. 11, б) в перемычке нормально отключен и включают его в случае вывода одной из линий в ремонт, а также при автоматическом отключении линии, если при этом необходимо сохранить в работе оба трансформатора.
Рис. 12. Распределительные устройства, выполненные в виде мостиков:
а — перемычка со стороны линии; б — то же, вариант на отделителях, дополненный ремонтной перемычкой на разъединителях; обозначения те же, что и на рис. 11
В схеме на рис. 12,а выключатель В5 в перемычке нормально включен и через него проходит поток транзитной мощности. Транзит разрывается при ремонте выключателя перемычки, при этом секции шин на стороне НН должны работать раздельно.
Рис. 13. Схемы блоков:
а, б — генератор — трансформатор; в, г, д — генератор — трансформатор — линия; Тсн — трансформатор собственных нужд; Л1. Л2, ЛЗ — линии связи: КЗ —короткозамыкатель
На рис. 12, б представлен вариант той же схемы, но выполненной на отделителях и с дополнительной ремонтной перемычкой на разъединителях, что позволяет сохранить транзит мощности по линиям на время ремонта выключателя В5.
Схемы соединений мостиком оснащаются автоматическими устройствами, действие которых в аварийных режимах восстанавливает питание потребителей [8].
Схемы блоков образуются при последовательном соединении генератора с трансформатором либо генератора, трансформатора и линии (ГТЛ). Связь между блоками одной станции осуществляется на стороне повышенного напряжения или на шинах приемных подстанций, а также через сеть энергосистемы. Блочные соединения в ряде случаев позволяют отказаться от установки выключателей между отдельными видами оборудования, составляющего блок. Примеры схем блоков приведены на рис. 13.
В схеме на рис. 13, а генератор непосредственно соединен с трансформатором и выключатель установлен только на стороне ВН, что предопределяет отсутствие РУ генераторного напряжения. В случае повреждения какого- либо из этих элементов (а также трансформатора с. н.) блок отключается полностью, так как генератор и трансформатор в отдельности работать не могут.
При необходимости связи генератора с двумя повышенными напряжениями (ВН и СН) устанавливают трехобмоточный трансформатор или автотрансформатор (рис. 13,
б). Наличие выключателя со стороны генератора предоставляет возможность вывода генератора в ремонт при сохранении связи на повышенных напряжениях.
Схемы блоков ГТЛ с ответвлениями на с. н. показаны на рис. 13, в —д. Линии электропередачи блоков приходят на приемные подстанции, к шинам которых подключаются через выключатели. Со стороны станций выключатели устанавливают на повышенном напряжении (рис.13,
в) или между генератором и трансформатором (рис. 13, г, д). В последнем случае для мощных блоков необходимы выключатели, рассчитанные на большие номинальные токи и обладающие большой отключающей способностью.
В схеме на рис. 13, г при повреждении в трансформаторе должны отключаться действием релейной защиты генераторный выключатель В2 и выключатель В1 со стороны приемной подстанции.
В тех случаях, когда защита линии на приемной подстанции оказывается малочувствительной (например, к к. з. за реактивным сопротивлением трансформатора) и может отказать в действии на отключение, прибегают к установке на станции короткозамыкателя (рис. 13, д) или передаче на приемную подстанцию отключающего импульса по специальным каналам связи. Короткозамыкатель включается при повреждении в трансформаторе и создает мощное искусственное к. з., на которое реагирует защита линии, и отключает выключатель В1. Импульс на включение короткозамыкателя поступает от защит трансформатора при их срабатывании.
Отключающий импульс от защит трансформатора на отключение выключателя В1 иногда передают по специально проложенному кабелю связи или высокочастотному каналу по проводам линии электропередачи с помощью устройства высокочастотного телеотключения (ВЧТО).
- Назад
- Вперед
- Назад
- Вперед
Читать также:
- Опыт сбора и анализа информации об аварийных нарушениях по записям РАС
- Вывод в ремонт поврежденных выключателей
- Инструкция по предотвращению и ликвидации аварий в электрической части энергосистем
- Инструкция по предотвращению и ликвидации аварий в энергосистеме
- Инструкция о порядке составления и применения графиков ограничения и аварийного отключения
Схема РУ-110 (220) кВ
Однолинейные схемы РУ-110 (220) кВ концевых (тупиковых), ответвительных (отпаечных) и проходных, включаемых в рассечку
ЛЭП-110 (220) кВ, подстанций представлены на рис.
1 и 2.
Однолинейная схема РУ-110 (220 кВ) опорной тяговой подстанции приведена на рис. 2. Такая схема применяется для тяговых подстанций как переменного, так и постоянного тока. Она имеет много принципиально общего со схемой РУ-27,5 кВ, РУ-110 (220) кВ выполняется с одинарной секционированной выключателем Q6 типа МКП-1 10М (У-110) со встроенными трансформаторами тока ТА6 типа ТВ-110 и шинными разъединителями QSn и QSls типа РНДЗ-1-110 с приводами типа ПР-90-У1. Аналогичное оборудование установлено на вводах распределительного устройства и на присоединениях понижающих трансформаторов Г, и Т2 за исключением линейных разъединителей QS6 — QSM типа РНДЗ-2-110. К обходной системе шин вводы и трансформаторы Г, и Т2 подключаются обходными разъединителями QS2 — QSs. Подстанция имеет четыре ввода (второй и третий на схеме не показаны), нечетные вводы 1 и 3 присоединяются к первой секции шин, четыре 2 и 4 — к второй. Каждый ввод подключен к секции через линейный разъединитель (QSb, QS9), выключатель (Qv Q) со встроенными трансформаторами тока (ТА1, ТА) и шинный разъединитель (QSU.
QS). Трансформаторы Т1 и Т2 со встроенными трансформаторами тока ТА1 и ТА2 типа ТВТ-110 (на схеме показано по одному комплекту, в действительности — два или три комплекта трансформаторов тока) присоединяются к секциям шин через разъединители QS1 и QSW, выключатели- Qz, Qs со встроенными трансформаторами тока ТАГ ТА1 и шинные разъединители QSl2, QSI6. Обходной выключатель Q3 может быть подключен к любой секции шин разъединителем QSi3 или QSU, а к обходной системе — разъединителем QSg. Он используется вместо выводимых в ремонт выключателей вводов и трансформаторов без вывода последних из работы. Например, для ввода в ремонт выключателя Q2 трансформатора Г, включают разъединители Qu и Qu, затем обходной выключатель Q3. С первой секции напряжение подается на обходную систему шин, чем проверяется ее изоляция. Вольтметр, подключенный к трансформатору напряжения Т V3, информирует персонал о появлении напряжения на обходной системе шин. При отсутствии пробоя изоляции выключатель Q3 остается включенным.
После этого можно включать обходной разъединитель Qv трансформатор Т1 будет получать питание по двум цепям — основной и обходной. Выключатель Q2 отключают, затем отключают разъединители QSn и QSl2, включают их заземляющие ножи в сторону выводимого в ремонт выключателя QY Питание трансформатора Г, осуществляется через выключатель 23 и разъединители QSs, QSy.
Рис. 1. Схема РУ-110 кВ опорной тяговой подстанции
После ремонта выключатель Q, вводят в работу в обратном порядке: отключают заземляющие «ножи и включают разъединители QSl2, QS7 и выключатель Q2, отключают выключатель QJ и разъединители QSy QSr QS,y
К каждой секции сборных шин подключены трансформаторы напряжения TF, и разрядники FV, через разъединитель gS|9, TV2 и FV2 через разъединитель QSja. Трансформаторы напряжения типа НКФ-110 служат для подключения измерительных приборов и релейных защит.
Разрядники типа РВС-110 применяются для защиты изоляции РУ-110 кВ от коммутационных и атмосферных перенапряжений.
Трехобмоточные трансформаторы Т1 и Т2, подключенные соответственно к первой и второй секциям РУ-110 кВ понижают напряжение до 27,5 кВ для питания электротяги переменным током или до 10 кВ для подключения преобразовательных агрегатов, которые питают тягу постоянным током. Третья обмотка трансформатора используется для питания районных потребителей напряжением 35 кВ на тяговых подстанциях постоянного и переменного тока или 10 кВ на тяговых подстанциях переменного тока. Нейтрали обмоток 110 кВ трансформаторов заземляются однополюсными разъединителями РНД-35 или двумя разрядниками, соединенными последовательно, типа РВС-35 и РВС-15, если возникает необходимость такого режима работы в питающей энергосистеме.
Схема главных электрических соединений РУ-110 (220) кВ проходной тяговой подстанции переменного тока системы 2 х 25 кВ приведена на рис. 2. Между вводами W, и W2 подстанции расположены три перемычки: ремонтная с отключенными разъединителями QS, и QS2 и трансформаторами тока ТА,\ рабочая с выключателем £?,, встроенными в него трансформаторами тока ТА2 и разъединителями QSs и
Рис.
2, Схема РУ-110 кВ проходной тяговой подстанции системы 2×25 кВ
При этом он может работать параллельно с каждым из двух или заменять Т1 или Т3, с этой целью предусмотрено три варианта подключения Т2 к резервной перемычке через разъединители.
Питание шин РУ-10 (35) кВ может осуществляться как от трех трансформаторов Т2 подключается к резервной перемычке через QSl3 на напряжение фаз С А) при соединении вторичных обмоток в «треугольник», так и от любых двух трансформаторов при соединении их обмоток в «открытый треугольник».
Схема РУ-2 х 25 кВ
- Подробности
- Категория: Электроснабжение
- подстанция
- схемы
Распределительное устройство 2 х 25 кВ имеет одинарную секционированную двумя парами последовательно соединенных разъединителей систему сборных шин.
Вводы в РУ осуществляются от рабочих трансформаторов на первую и вторую секции. Первый ввод от рабочего трансформатора подключен, на шины от которых осуществляется питание контактного и питающего проводов слева от подстанции, второй — на шины К2, П2 для питания контактного и питающего проводов справа от подстанции. Ввод от резервного трансформатора подключается к промежуточным шинам 55 кВ, от которых через разъединители QSV QS3, QS%, QS9 и выключатели Qv Q3 питание может быть подано на первую или вторую секцию. Питание тяги осуществляется по фидерам (на схеме показаны только фидеры № 1 и № 4), через выключатели Qv Q9 и разъединители QSI9, QS26 и QS21, QS29 или от запасной шины через обходные разъединители QSV (фидер № 1) или £)530(фидер № 2). Для вывода в ремонт фидерных выключателей Qv Q9 без перерыва питания тяги предусмотрен запасной выключатель Qg с разъединителями QS20, QS2l, QSn. QS2i постоянно включен и отключается только при ремонте запасного выключателя Qs. Блокировки приводов разъединителей QS20 и QS2i разрешают включить только один из них.
Вывод в ремонт выключателя g7 осуществляется в следующем порядке: включаются разъединитель QS2l и выключатель Qs (проверяется отсутствие повреждения изоляции запасных шин), включается обходной разъединитель QS21; отключается выключатель фидера Q7 и разъединители QS3, QS включаются заземляющие ножи разъединителей QStr QS26. Фидер получает питание от второй секции через разъединители QS2I, QSQS27 и выключатель Qr.
Трансформаторы собственных нужд Г, и Т2 присоединяются к шинам Я, и П2 через разъединители QS1V QSW третья фаза трансформатора присоединяется к контуру заземления подстанции, к которому подключена отсасывающая линия (рельсовый фидер). Линии ДПР (два провода — рельс) присоединяются к шинам Я,, Я2 через выключатели Q6, Qt0, шинные разъединители QSV, QS21 с ручными приводами и линейные разъединители QS25, QS29 с дистанционным управлением. Для контроля напряжения на секциях сборных шин, питания приборов учета энергии и защиты, между шиной секции и КЗП включаются трансформаторы напряжения Т V-T Vg.
Через общие с ними разъединители к шинам подключаются разрядники F V-F F14, которые защищают изоляцию РУ от атмосферных и коммутационных перенапряжений.
Схема РУ-2х25кВ
- Назад
- Вперёд
Последние публикации
- Наводнение в Пакистане нанесло «беспрецедентный ущерб» железнодорожной сети
28 сентября 2022
Федеральный министр железных дорог Пакистана (ПЖД) г-н Хаваджа Саад Рафик сказал, что недавние наводнение нанесло…
- Hitachi Rail представила передовой аккумуляторный гибридный поезд
23 сентября 2022
Построенный для компании Trenitalia, гибридный поезд на аккумуляторных батареях сократит выбросы углекислого газа…
org/Article»>
Грузовой подвижной состав на выставке InnoTrans 2022
22 сентября 2022 - InnoTrans возвращается через четыре долгих года
20 сентября 2022
После четырехлетнего перерыва организации-учредители InnoTrans — VDB, UNIFE, VDV, ZVEI и DVF — с ощутимым…
- Конструкции железнодорожных транспортеров
20 сентября 2022
ЦЕНТРАЛЬНЫЙ ИНСТИТУТ НАУЧНО-ТЕХНИЧЕСКОЙ ИНФОРМАЦИИ ПО АВТОМАТИЗАЦИИ И МАШИНОСТРОЕНИЮ (ЦИНТИАМ) ГОСУДАРСТВЕННОГО…
DB Cargo представила 3 грузовых вагона, локомотив и цифровую автосцепку. Рассмотрим грузовые транспортные средства…
Близкие публикации:
- Схема РУ-3,3 кВ
- Схема РУ-110 (220) кВ
- Схема РУ-27,5 кВ
- Типовые схемы тяговых подстанций для разных видов транспорта
- Условные графические обозначения в схемах СЦБ
© 2009-2022 — lokomo.
ru, железные дороги.
Схема РУ-3,3 кВ
- Подробности
- Категория: Электроснабжение
- подстанция
- схемы
Схема РУ-3,3 кВ выполняется с рабочей (РШ), запасной (Зап) и минусовой (МШ) шинами. Рабочая и запасная шины состоят из трех секций, минусовая — не секционируется. К первой секции присоединяется преобразовательный агрегат, и питающие линии (фидеры) контактной сети ф1 и фг К третьей секции подключаются второй преобразовательный агрегат и третий фидер контактной сети rо второй секции подключен разрядник, запасной выключатель и сглаживающее устройство. От минусовой шины отходит рельсовый фидер РФ, называемый также отсасывающей линией, так как по ней Ток возвращается на подстанцию из тягового рельса.
.
На схеме показано минимальное количество фидеров контактной сети. На двухпутных участках электрифицированных дорог количество фидеров может быть от 5 до 12 и зависит как от количества путей электрифицированного участка, так и от путевого развития станции, на которой расположена тяговая подстанция. Рассмотрим схему фидера контактной сети Ф,. На фидере используются однополюсные разъединители типа РВРЗ или РВКЗ-10 на 4000 А: шинный QSs, линейный QS6 и мачтовый QS7 (типа РС-3000/3,3 с приводом типа УМП-Н). Последний устанавливается за пределами помещения РУ-3,3 кВ на металлической опоре (мачте) и является фидерным разъединителем контактной сети. Для вывода выключателя QF3 в ремонт, необходимо предварительно обеспечить питание фидера от запасной шины через обходной разъединитель QFr В нормальном режиме на запасной шине напряжение отсутствует. Для подачи напряжения на запасную шину от рабочей предусмотрен запасной выключатель QFS с разъединителями QSi. Перевод питания контактной сети по фидеру Ф, через запасной выключатель производится без перерыва питания ЭПС в следующем порядке: включатся шинные разъединители QSls запасного выключателя и обходной разъединитель QS фидера Ф,; включается запасной выключатель QF5, питание от рабочей шины РШ подается на запасную через запасной выключатель и через обходной разъединитель QSs на фидер Ф,; затем отключается выключатель фидера QF3 и разъединители QSs и QS6 (одновременно общим ручным приводом): включаются заземляющие ножи разъединителей QSs и QS6 общим ручным приводом.
Если существует опасность пробоя изоляции запасной шины во время отсутствия на ней напряжения, то предварительно необходимо проверить целость изоляции. Тогда порядок переключений будет следующим: включаются шинные разъединители QS15 и запасной выключатель QF1, напряжение с РШ подается на запасную шину и проверяется ее изоляция; включается обходной разъединитель фидера Ф, QSg; в результате фидер начинает получать питание по обходной цепи через запасной выключатель; отключается фидерный выключатель OF, шинный QSs и линейный QSb разъединители и включаются их заземляющие ножи для обеспечения безопасности ремонтных работ. Ввод фидера в работу осуществляется в обратном порядке: отключаются заземляющие ножи разъединителей фидера Ф,; включаются разъединители QSs и QS6 фидерный выключатель QF, отключается запасной выключатель QFS, обходной разъединитель QSs и разъединителем QS1S запасного выключателя. Фидерные выключатели и запасной обычно однотипные ВАБ-43 или ВАБ-49, могут использоваться также выключатели АБ-2/4.
Выключатели вводов обычно ВАБ-28 или катодного типа ВАБ-49. На фидерах применяются для защиты изоляции РУ-3,3 кВ от атмосферных перенапряжений разрядники, на открытой части подстанции за проходным изолятором. Разрядник типа РМВУ-3,3 срезает волну набегающего с контактной сети перенапряжения. Для надежного отключения разрядника, он дополняется роговым разрядником с плавкой вставкой.
Для защиты изоляции оборудования от коммутационных перенапряжений ко второй секции подключается разрядник FV3 типа РВПК-3,3, который также осуществляет резервирование разрядников фидеров контактной сети. В ячейке запасного выключателя устанавливается разъединитель QSH для плавки гололеда.
Сглаживающее устройство (СУ) тяговой подстанции подключается ко второй секции шин РУ-3,3 кВ. На схеме изображено двухзвенное семиконтурное СУ и представлена на рис. 1, б. RС-контуры первого звена настроены на частоты от 100 до 600 Гц. Они подключаются через предохранитель и полюс трехполюсного переключателя QSl6 к шине РШ и через средний полюс и проходной изолятор к рельсовому фидеру между реакторами LR(nL Rr Второе звено СУ имеет фильтр, состоящий из одного конденсатора, и реактор L R2, к которому конденсатор подключен через третий полюс переключателя QSX6.
hL R2 при включении разъединителя QSn с дистанционным приводом, служит для облегчения отключения выключателями QF фидеров контактной сети токов КЗ вблизи подстанции. Отключение выключателей приводит к наведению ЭДС в реакторах L Ry и L R2 и перенапряжению в тяговой сети. Когда перенапряжение достигает определенной величины, происходит отпирание тиристора VS и подключение разрядного резистора к реакторам. Энергия, занесенная в реакторах, рассеиваются в резисторах разрядного устройства.
Короткозамыкатель QN включается при пробое на землю изоляции рабочей шины или присоединенного к ней оборудования для создания шунтирующей цепи, исключающей протекание токов КЗ по оболочкам кабелей, проложенным по территории подстанции, и другим подземным сооружениям. Короткозамыкатель соединяет рельсовый фидер РФ с контуром заземления подстанции при срабатывании земляной защиты РУ-3,3 кВ. Амперметр, подключенный к рельсовому фидеру через шунт, измеряет общий ток РУ-3,3 кВ, возвращающийся на подстанцию из рельсовой цепи.
Аналогичное подключение имеют амперметры на фидерах контактной сети. Кроме того, к каждому фидеру подключаются через предохранитель FU реле напряжения KV и испытатель коротких замыканий (ИКЗ). Реле напряжения запускает при КЗ вблизи подстанции телеблокировку, передающую частотный сигнал по линии связи, который отключает выключатель поста секционирования и прекращает питание точки КЗ от соседней подстанции. Испытатель КЗ проверяет состояние контактной сети после ее автоматического отключения, по результатам измерений разрешает или запрещает автоматическое повторное включение отключившегося выключателя фидера.
- Назад
- Вперёд
Последние публикации
- Наводнение в Пакистане нанесло «беспрецедентный ущерб» железнодорожной сети
28 сентября 2022
Федеральный министр железных дорог Пакистана (ПЖД) г-н Хаваджа Саад Рафик сказал, что недавние наводнение нанесло.
.. - Hitachi Rail представила передовой аккумуляторный гибридный поезд
23 сентября 2022
Построенный для компании Trenitalia, гибридный поезд на аккумуляторных батареях сократит выбросы углекислого газа…
- Грузовой подвижной состав на выставке InnoTrans 2022
22 сентября 2022
DB Cargo представила 3 грузовых вагона, локомотив и цифровую автосцепку. Рассмотрим грузовые транспортные средства…
- InnoTrans возвращается через четыре долгих года
20 сентября 2022
После четырехлетнего перерыва организации-учредители InnoTrans — VDB, UNIFE, VDV, ZVEI и DVF — с ощутимым…
- Конструкции железнодорожных транспортеров
20 сентября 2022
ЦЕНТРАЛЬНЫЙ ИНСТИТУТ НАУЧНО-ТЕХНИЧЕСКОЙ ИНФОРМАЦИИ ПО АВТОМАТИЗАЦИИ И МАШИНОСТРОЕНИЮ (ЦИНТИАМ) ГОСУДАРСТВЕННОГО.
..
Близкие публикации:
- Схема РУ-2 х 25 кВ
- Схема РУ-110 (220) кВ
- Схема РУ-27,5 кВ
- Типовые схемы тяговых подстанций для разных видов транспорта
- Условные графические обозначения в схемах СЦБ
© 2009-2022 — lokomo.ru, железные дороги.
Схемы ру
Учет указанного должен обеспечить оптимальное число и пропускную способность высоковольтных линий ВЛ , которые нужны для выдачи всей мощности ЭС в нормальном и аварийном режимах сети. Главная схема ЭС разрабатывается на основании следующих данных:. Кроме того, рассматриваются такие вопросы структурной схемы, как возможность и целесообразность присоединения одного или нескольких блоков ЭС непосредственно к РУ ближайших районных подстанций, чтобы уменьшить число ячеек в РУ ЭС и снизить стоимость установки, повысить ее надежность для облегчения условий работы коммутационной аппаратуры я уменьшения объема работ эксплуатационного персонала; возможность и целесообразность выполнения на ЭС не более двух РУ повышенного напряжения, что позволяет сократить число ВЛ, отходящих от РУ, и свести к минимуму число взаимных пересечений ВЛ на их выводах в разных направлениях, которые затрудняют проведение ремонтных работ на ВЛ, увеличивают их продолжительность и снижают надежность электроснабжения сетей; возможность и целесообразность выполнения на ЭС двух РУ одного повышенного напряжения, работающих в сети параллельно, что позволяет уменьшить токи КЗ, облегчает аппаратуру РУ и практически исключает возможность одновременной потери обоих РУ.
Для РУ ЭС первой очереди при числе присоединений не более четырех рекомендуются схемы треугольника, квадрата, мостика в зависимости от схемы сети. Для РУ с большим числом присоединений применяются следующие схемы соединений: 1. При напряжении РУ 35 — кВ: а с двумя основными и третьей обходной системами шин, с одним выключателем на цепь; для РУ 35 кВ обходная система шин не предусматривается, так как длительность ремонта выключателя 35 кВ или его замена относительно невелика рис.
Поиск данных по Вашему запросу:
Схемы ру
Схемы, справочники, даташиты:
Прайс-листы, цены:
Обсуждения, статьи, мануалы:
Дождитесь окончания поиска во всех базах.
По завершению появится ссылка для доступа к найденным материалам.
Содержание:
- Схемы распределительных устройств
- Эксплуатация распределительных устройств — Главные схемы распределительных устройств
- Типовые схемы ру 35-750 кВ
- Распределительное устройство
- Распределительное устройство
- Типовые схемы распределительных устройств
- 6.
6.2 Схемы распределительных устройств высокого напряжения однотрансформаторных подстанций
- Эксплуатация распределительных устройств — Главные схемы распределительных устройств электростанций
- А) Упрощенные схемы РУ
ПОСМОТРИТЕ ВИДЕО ПО ТЕМЕ: «Зеленая семья ру». Кинобизнес Зеленского в России — «СХЕМЫ» №200
Схемы распределительных устройств
При небольшом количестве присоединений на стороне 35— кВ применяют упрошенные схемы, в которых обычно отсутствуют сборные шины, число выключателей уменьшенное. Если от линии W 1 питаются несколько подстанций, то для восстановления их работы необходимо отключить разъединитель QS 1 оперативно выездной бригадой, после чего включить Q 1 и поставить линию W 1 под напряжение, что связано с перерывом электроснабжения не только от поврежденной подстанции, но и всех остальных, присоединенных к линии W 1.
Упрощение схемы ведет к уменьшению надежности электроснабжения. Гибкость схемы можно увеличить, установив на ВН выключатель Q 1 рис. В этом случае отключение трансформатора выключателями Q 2 и Q 1 не затрагивает работу линии W 1. Допустимость последней операции зависит от мощности трансформатора и его номинального напряжения. Пауза в схеме АПВ должна быть согласована с временем отключения QR , в противном случае линия будет включена на неустраненное повреждение в трансформаторе.
На стороне ВН электростанций на первом этапе ее развития возможно применение схемы мостика с выключателями рис. Схема мостика с ремонтной перемычкой. В этом случае линия W 1 оказалась отключенной, хотя никаких повреждений на ней нет, что является недостатком схемы мостика. Если этого не сделать, то при КЗ в любой линии W 1 или W 2 отключаются обе линии. Для ревизии выключателя Q 1 предварительно включают QS 3 , затем отключают Q 1 и разъединители по обе стороны выключателя.
Если в этом режиме произойдет КЗ на одной линии, то отключится Q 2 , то есть обе линии останутся без напряжения.
Для ревизии выключателя Q 3 также предварительно включают перемычку, а затем отключают Q 3. Меню сайта. Главная страница. Структура электрических сетей и систем. Электроснабжение промышленных предприятий. Номинальные напряжения электрических сетей и электрооборудования.
Области применения номинальных напряжений электрических сетей. Режимы нейтрали электрических сетей различных напряжений. Требования предъявляемые к электрическим сетям. Гидроэлектрические станции ГЭС. Гидроаккумулирующие электрические станции ГАЭС. Тепловые электрические станции ТЭС. Атомные электрические станции АЭС. Электрические станции с МГД-генераторами. Синхронные генераторы. Подстанции и распределительные устройства. Трансформатор, устройство, принцип действия, область применения.
Силовые трансформаторы, автотрансформаторы. Шинные конструкции и изоляторы. Силовые выключатели. Маслянные выключатели МВ. Приводы выключателей. Газовые выключатели. Воздушные выключатели. Элегазовые выключатели. Автогазовые выключатели.
Вакуумные выключатели. Электромагнитные выключатели.
Выключатели нагрузки. Плавкие предохранители. Отделители и Короткозамыкатели. Измерительные трансформаторы тока и напряжения. Компенсирующие устройства. Защитное заземление. Конструкция распределительных устройств. Закрытые распределительные устройства ЗРУ. Конструкции ЗРУ 6 — 10 кВ с одной системой шин. Крупноблочное распределительное устройство генераторного напряжения КГРУ.
Конструкции закрытых РУ 35 — кВ. Комплектные распределительные устройства высокого напряжения. Комплектные распределительные устройства внутренней установки. Комплектные распределительные устройства наружной установки. Комплектные распределительные устройства с элегазовой изоляцией. Комплектные трансформаторные подстанции. Открытые распределительные устройства ОРУ. Требования к конструкциям ОРУ. Конструкции ОРУ с разъединителями поворотного типа.
Конструкции ОРУ — кВ с подвесными разъединителями. Размещение распределительных устройств на территории электростанций и подстанций.
Размещение РУ на территории электростанции. Размещение РУ на территориях районных и узловых подстанций. Конструкции соединений между генераторами, силовыми трансформаторами и ЗРУ 6 — 10 кВ. Открытые токопроводы. Комплектные токопроводы. Кабельные соединения. Распределительные щиты и щиты управления. Конструкция распределительных щитов до 1 кВ. Конструкция щитов управления.
Провода и тросы воздушных линий. Опоры воздушных линий. Изоляторы и линейная арматура. Соединение и оконцевание кабелей. Монтаж контактных соединений проводов, кабелей и шин. Электропроводка в стальных трубах и модульные сети. Электропроводки в пластмассовых трубах.
Электропроводки в лотках и коробах. Электропроводки на тросах и струнах. Релейная защита и автоматика. Классификация реле. Защита силовых трансформаторов. Автоматика в системах электроснабжения.
Автоматическое включение резервных источников питания АВР. Автоматическое повторное включение АПВ. Автоматическая частотная разгрузка АЧР. Самозапуск электродвигателей.
Микропроцессорные терминалы релейной защиты. Короткие замыкания в электрических установках. Виды, причины и последствия коротких замыканий. Буквенное обозначение физических величин.
Трехфазное короткое замыкание. Несимметричные короткие замыкания. Потребители и приемники электроэнергии. Основные характеристики электроприемников.
Классификация электроприемников. Классификация электрических машин. Асинхронные машины, устройство, принцип действия, область применения.
Эксплуатация распределительных устройств — Главные схемы распределительных устройств
При выборе схем распределительных устройств подстанции следует учитывать число присоединений линий и трансформаторов , требования надежности электроснабжения потребителей и обеспечения транзита мощности через подстанцию в нормальном, ремонтных и послеаварийных режимах. Схемы подстанций должны формироваться таким образом, чтобы была возможность их поэтапного развития. При возникновении аварийных ситуаций должна быть возможность восстановления электроснабжения потребителей средствами автоматики.
Число и вид коммутационных аппаратов выбираются таким образом, чтобы обеспечивалась возможность проведения поочередного ремонта отдельных элементов подстанции без отключения других присоединений.
Работа по теме: Лекция №3Схемы Распр. устройств Станций и ПС. Глава: Лекция 3. Схемы распределительных устройств станций и.
Типовые схемы ру 35-750 кВ
При небольшом количестве присоединений на стороне 35— кВ применяют упрошенные схемы, в которых обычно отсутствуют сборные шины, число выключателей уменьшенное. Если от линии W 1 питаются несколько подстанций, то для восстановления их работы необходимо отключить разъединитель QS 1 оперативно выездной бригадой, после чего включить Q 1 и поставить линию W 1 под напряжение, что связано с перерывом электроснабжения не только от поврежденной подстанции, но и всех остальных, присоединенных к линии W 1. Упрощение схемы ведет к уменьшению надежности электроснабжения. Гибкость схемы можно увеличить, установив на ВН выключатель Q 1 рис.
В этом случае отключение трансформатора выключателями Q 2 и Q 1 не затрагивает работу линии W 1. Допустимость последней операции зависит от мощности трансформатора и его номинального напряжения. Пауза в схеме АПВ должна быть согласована с временем отключения QR , в противном случае линия будет включена на неустраненное повреждение в трансформаторе. На стороне ВН электростанций на первом этапе ее развития возможно применение схемы мостика с выключателями рис. Схема мостика с ремонтной перемычкой.
Распределительное устройство
Ранее, в 1й части, была дана формулировка распределительного устройства РУ , как элемента структурной схемы энергообъекта станции или подстанции. РУ — это установка, предназначенная для приема и распределения электроэнергии на одном напряжении и содержащая коммутационные аппараты выключатели и разъединители, а на подстанциях могут быть отделители и короткозамыкатели , измерительные аппараты трансформаторы тока и напряжения и проводники обеспечивающие связь между аппаратами.
Существует большое многообразие схем РУ отличающихся надежностью, оперативной гибкостью и соответственно стоимостью. Имеет место зависимость: чем выше надежность и оперативная гибкость РУ — тем выше его стоимость.
Блочные схемы 1. Блок линия — трансформатор Л —Т с разъединителем, рис.
Распределительное устройство
Распределительное устройство содержит набор коммутационных аппаратов , вспомогательные устройства РЗиА и средства учёта и измерения. К основным недостаткам относятся неудобства в эксплуатации, из-за которых такая система не получила широкого применения:. Такие РУ выполняются в виде нескольких секций, каждая из которых имеет своё питание и свою нагрузку, соединённых между собой секционными выключателями. На станциях секционный выключатель обычно включен, из-за необходимости параллельной работы генераторов. В случае повреждения на одной из секций секционный выключатель отключается, отсекая повреждённую секцию от РУ.
Типовые схемы распределительных устройств
Рисунок 6.
В этой схеме устанавливается только разъединитель на вводе, что особенно благоприятно при расположении ПС на территории с загрязненной окружающей средой. Предполагается, что защита питающей линии чувствительна к внутренним повреждениям в трансформаторе. Подобная схема может быть первым этапом ПС по схеме мостика с одним выключателем в перемычке при установке в дальнейшем второго трансформатора. Согласно [23] на вновь проектируемых подстанциях для РУ кВ применение отделителей и короткозамыкателей не допускается.
Работа по теме: Лекция №3Схемы Распр. устройств Станций и ПС. Глава: Лекция 3. Схемы распределительных устройств станций и.
6.6.2 Схемы распределительных устройств высокого напряжения однотрансформаторных подстанций
Схемы ру
Главная Случайная страница. Как сделать разговор полезным и приятным Как сделать объемную звезду своими руками Как сделать то, что делать не хочется? Как сделать погремушку Как сделать неотразимый комплимент Как сделать так чтобы женщины сами знакомились с вами Как сделать идею коммерческой Как сделать хорошую растяжку ног?
Эксплуатация распределительных устройств — Главные схемы распределительных устройств электростанций
Исходя из вышеперечисленных рекомендаций и требований, было рассмотрено три варианта схем распределительных устройств см.
Результаты сведены в таблицу 3. Дисконтированные затраты по вариантам схемы электрических соединений распределительного устройства кВ. У — математическое ожидание ущерба из-за ненадежности оборудования, введенного в структурную схему. Сравнительные капитальные вложения в реализацию проекта складываются из расчетных стоимостей отличающихся элементов: трансформаторов, автотрансформаторов, ячеек распределительных устройств.
Купить систему Заказать демоверсию. Общие условия определения предварительной схемы выдачи мощности.
А) Упрощенные схемы РУ
Например, число трансформаторов понижающей подстанции обычно не более двух, тогда как на ТЭС число блоков является обычным; на РУ подстанций два трансформатора могут присоединяться по одному к каждой системе сборных шин, и так как операции с этими трансформаторами будут производиться исключительно редко, они могут присоединяться к сборным шинам только с помощью разъединителей. На РУ электростанции, где каждый из блоков отключают и включают десятки раз в год, в цепи повышающего трансформатора должен быть выключатель на повышенном напряжении или на генераторном, иногда на оба напряжения.
Для понижающих подстанций с мощными потребителями первой категории характерно то, что одновременное отключение обоих понижающих трансформаторов или автотрансформаторов, или двух питающих линий если их две приводит к перерыву электроснабжения предприятий города и к большому ущербу. Резервная мощность в системе не поможет потребителям данной подстанции, поэтому выбор схемы соединений оказывается более ответственным, чем для электростанции, присоединенной к мощной объединенной энергосистеме, имеющей необходимые резервы. Ниже рассматриваются некоторые главные схемы соединений для РУ кВ понижающих подстанций, применяемые в России и за рубежом. На схемах показаны РУ, в состав которых входят четыре ячейки присоединений линий, две ячейки присоединений трансформаторов, одна ячейка соединения или секционирования сборных шин.
Дадим определение понятия присоединения распределительного устройства РУ. Таким образом, чем меньше число выключателей и чем больше число присоединений, тем меньше значение показателя n и тем характеристики распределительного устройства лучше.
Число n является показателем экономичности РУ. Строительство электрических станций процесс — длительный, занимает несколько лет, а энергоблоки вводятся поочередно, начиная с первого.
Схемы, созданные Хадратом Халифатулом Масихом IV(ru)
29 октября 1982 г. – Дома для бедных
Эта схема была начата в поддержку строительства домов для бедных. Хадрат Халифатул Масих IV (ru) сказал, что есть три способа выразить хвалу (Хамд) Всевышнему Аллаху, а именно Назриати (по своему мнению), Дилли (от сердца) и ‘ Амали ( действиями и поведением).
При представлении схемы Хадхрат Халифатул Масих IV (ru) сказал, что мы строим Дома Аллаха для поклонения, но сообщество также должно сосредоточиться на домах для бедных, чтобы в дальнейшем искать довольство Аллаха. Это третий способ поиска довольства Аллаха, то есть через действия. Он инициировал схему через личное пожертвование.
28 января 1983 г. – Схема «Даи илаллах»
Это одна из самых устойчивых схем, начатых Хазратом Халифатулом Масихом IV (ru) , и во многих отношениях характеризовала его Халифат. Хадрат Халифатул Масих IV (ru) заявил, что в глазах Аллаха самым красивым и дорогим человеком является тот, кто призывает людей к Всевышнему Аллаху, особенно когда это делается не ради личной или мирской выгоды, а исключительно ради Него.
Хадрат Халифатул Масих IV (ru) подчеркнул, что этого можно достичь, пожертвовав комфортом ради благословения Аллаха, и дал руководство по распространению веры.
12 июля 1983 г. – Ид
Хадхрат Халифатул Масих IV (ru) пожелал всем членам общины разделить радостное событие двух Курбан-байрамов с бедными и обездоленными (Ид-уль-Фитр – праздник, приуроченный к окончанию Рамадана и Ид-уль-Адха – религиозный праздник, отмечаемый в ознаменование (ас) готовности Авраама принести в жертву своего сына, как повелел Аллах).
Хадрат Халифатул Масих IV (ru) объяснил, что есть два основных урока и цели Ид. Поклонение Аллаху и сострадание к людям, созданным Аллахом.
29 июня 1984 г. – Центры Джамаат
Хадрат Халифатул Масих IV (ru) пригласил членов пожертвовать средства на создание Центров в Европе и Америке. В результате этой схемы были приобретены, например, Исламабад (общественный центр в Фарнеме, Великобритания) и Насир Баг в Германии.
9 ноября 1984 г. – Помощь голодающим
Эта схема была инициирована для оказания помощи голодающим в районах Африки. Хадрат Халифатул Масих IV (ru) сказал, что в то время как другие, которые помогают в эти времена, могут делать это по политическим или экономическим причинам, Ахмадийская община должна заниматься этим исключительно ради Аллаха и искренне помогать нуждающимся. Во время схемы Хадрат Халифатул Масих IV (ru) привел пример Абиссинии и того, как Джамаат позволил создать непрерывный урожай на 1000 акрах земли для людей, в конечном итоге, чтобы помочь себе.
Это была одна из многих инициатив, выдвинутых Хадрат Халифатул Масих IV (ru) на благо бедных и обездоленных, что в конечном итоге привело к формированию Humanity First.
27 декабря 1985 г. – Вакф-и-Джадид
Основное внимание уделялось расширению института Вакф Джадид за пределы субконтинентов, и Хадхрат Халифатул Масих IV (ru) призвал членов со всего мира внести свой вклад в это благодатная схема.
14 марта 1986 г. – Шухада (мученики) – Фонд Сайедна Билал
Это обращение было направлено в пользу иждивенцев Шухады (мучеников) и Асиран Рахе Маула (узников совести). Хадрат Халифатул Масих IV (ru) очень переживал за невинных жертв притеснений и, как известно, всю ночь молился за них.
Хадрат Халифатул Масих IV (ru) посоветовал членам проявлять терпение, стойкость, мужество и, прежде всего, молитвы. Сами пострадавшие, по словам Хадрат Халифатул Масих IV (ru) , проявили огромное терпение и силу духа.
Хазрат Халифатул Масих IV (ru) сказал, что любой, кто покинет мир ради истинного Ислама Аллаха, Ахмадийята, никогда не должен беспокоиться, так как они всегда находятся под ответственностью сообщества, которое будет продолжать заботиться о детях изо всех сил. заботиться, так как это было их право.
22 августа 1986 г. – Шуддхи Тахрик
Эта схема против Шуддхи Тахрика в Индии была первоначально начата в 1922-24 гг. для защиты прав мусульман. Те же проблемы, которые привели Второго Халифа (ра) к введению этой схемы, наблюдаются сейчас и в Малкане, Пакистан. Чтобы противостоять этому, был возрожден Шуддхи Тахрик.
6 февраля 1987 г. – Юбилейные мемориалы
По этой схеме Хадрат Халифатул Масих IV (ru) попросил построить мемориальное здание в каждой стране в ознаменование юбилея общины в 1989 году. Конструкция должна отражать уникальность каждой страны.
3 апреля 1987 г.
– схема Вакф-Нау
Это была еще одна выдающаяся инициатива, предпринятая хазратом Халифатулом Масихом IV (ru) . Запуская это, он сказал, что в следующем столетии община должна посвятить и предложить нынешнему поколению и тем детям, которые еще даже не родились, как истинных слуг Всемогущего Аллаха. Это было бы высшим и самым дорогим подарком человечеству, которое община могла бы преподнести в качестве посвящения своих детей на пути Аллаха.
24 ноября 1989 г. – Привитие 5 основных ценностей
Эта инициатива была начата для поощрения включения в себя пяти основных ахлак (добродетелей). Цель этого состояла в том, чтобы контролироваться через вспомогательные организации общины Ладжна Имаиллах, Ансаруллах и Худдамул Ахмадия. Хадрат Халифатул Масих IV (ru) сказал, что есть пять основных качеств/морали, на которых следует сосредоточиться:
• Привычка говорить правду с детства.
• Использование мягкой, скромной и уважительной манеры речи.
• Уравновешенный контроль чувств родителями при общении с детьми. Хазрат Халифатул Масих IV (ru) привел пример Обетованного Мессии (as) . Это было, когда молодой хазрат Мирза Башир-уд-Дин Махмуд Ахмад (ра) , играя с рукописью книги для публикации, поджег ее. Любой другой человек применил бы к ребенку суровое наказание, но Обетованный Мессия (ас) был другим. Он не упрекнул ребенка таким образом, а просто сказал, что Аллах даст ему возможность написать что-нибудь лучше.
• Воспитание у детей сочувствия к бедным и облегчения их страданий.
• Обучение детей мужеству и решительности на пути Аллаха.
Наконец Хадрат Халифатул Масих IV (ru) подчеркнул важность регулярности молитв, чтения Священного Корана и помощи человечеству.
21 февраля 2003 г. – Фонд Марьям Шади
Это была последняя схема, запущенная Хадрат Хайлифатул Масих IV (ru) .
Он был назван Фондом Марьям Шади в память о его благословенной матери. Хадрат Халифатул Масих IV (ru) объяснил, что именно мать на собственном примере научила его заботиться и поддерживать нуждающихся.
Он объявил о своем намерении помочь и поддержать всех тех молодых женщин брачного возраста в сообществе, которые не могут позволить себе несколько украшений на свадьбе. Хазрат Халифатул Масих IV (ru) сказал, что Сунна (практика) Святого Пророка (пила) в этом отношении должна была принять крайнюю простоту. Однако в наши дни стало принято надевать небольшое украшение во время бракосочетания. Объявляя об этом благословенном намерении, Хадрат Халифатул Масих IV (ru) сказал, что надеется, что сможет удовлетворить требуемые потребности. Он добавил, что если у него нет таких возможностей, то у сообщества Аллаха было достаточно средств, чтобы спонсировать эту конкретную потребность.
Другие схемы/инициативы
В благословенный период четвертого Халифата было запущено много других инициатив.
Некоторые из них более кратко упомянуты ниже:
• Запуск программы по изданию книг о жизни старейшин/пожилых людей Ахмадийской Общины и членов семьи Второго Халифа(ра).
• Запуск схемы Таблиг (проповеди) на островах, в деревнях и во всех столицах мира.
• Запуск схемы донесения послания Ахмадийят не менее чем до одной десятой части населения каждой страны.
• Схема информирования (ахмадийских) женщин об ответе на критику со стороны немусульман в отношении статуса женщин в исламе и поездках (ученых, которые должны быть организованы для повышения этой осведомленности) на глобальном уровне.
• Запуск программы «Хифз-и-Коран» 11 ноября 1984 и призвал больше членов заучивать наизусть Священный Коран.
ТегиИсКА — Мирза Тахир Ахмад Вакф-и-Нау
po-ru.com
26.09.2022
Я работал в понедельник. Похороны были выходными, но Я лучше возьму выходной, когда все открыто.
Мы видели Гвенно в прямом эфире во вторник, спереди
строка.
У нее потрясающее сценическое обаяние. Большинство песен были на корнском языке, с несколькими
на валлийском языке, и она заставила комнату подпевать хору Евс
кеус? дюймов
Корниш. Я думаю, что нашел это немного проще, чем большинство, как будто вы знаете другие
В кельтских языках есть немного знакомой грамматики, на которую можно сопоставить.
В конце была небольшая драма, когда свет на сцене вспыхнул пару минут и кто-то позади нас потерял сознание. Это было слишком много мигает, если честно.
Было весело, и я пошел домой с песней Eus keus? Эус по наг эус?
Перед концертом мы зашли перекусить . Мы хотели попробовать место в Бокспарке,
но с тех пор, как я в последний раз ходил (до н.э.), настала очередь
антиутопия. Они превратили старое отслеживание контактов с коронавирусом в схему лояльности.
только это не совсем схема лояльности, потому что это не опционально и они не будут
впустить тебя без него. А чтобы его получить, надо заполнить веб-форму сомнительного
законности, без отказа от рекламы, и сообщите им свое имя, адрес электронной почты,
и номер телефона, затем загрузите результат в кошелек на телефоне.
Я не дошел до этого. Я посмотрел на форму, решил, что у меня слишком много самоуважения отдать кучу подпрыгнувших морских контейнеров свои личные данные, и сказал: «К черту это, это смешно, пойдем куда-нибудь еще». Мы оказались в Pizza East через дорогу (еще одно щупальце империи Soho House), где мы были достаточно рано, чтобы получить бесплатный бокал вина каждый с нашей едой. я чувствую как будто я выиграл тот раунд.
Шордич чувствует себя иначе, чем когда я работал там несколько лет назад. Повсюду огромное количество частных охранников, толпы вышибалы на каждом входе, и в результате довольно гнетущая атмосфера.
В пятницу я посетил пару выставок в Тейт Модерн . Первый,
Я видел Лубайну
Шоу Химида,
который заканчивается в следующие выходные. Один обзор описал его как задумчивый, и, возможно, это
не плохое описание. Это сочетание обычных картин и более крупных
скульптурные произведения (в том числе один огромный) с эффектом погружения
установки объемного звучания с несколькими динамиками.
Я хотел бы, чтобы я взял
буклет, потому что записи не повторялись на стене, как обычно.
После этого я поднялся наверх к Марии Бартузова скульптуры. В основном это гипс (который кажется ужасно деликатным в уходе) но используется удивительным и необычным образом. Это полностью оправдало мои ожидания того, что вы можете сделать с этой средой. Я очень рекомендую эту выставку.
Мы установили День Окинавы в субботу , и все прошло гладко. Солнце сияло большую часть дня дождя не было, хотя ветер немного похолодал к концу. Явка была превосходной, несмотря на относительное неудобство объекта в десяти минутах ходьбы от ближайшей станции. я был рад видеть там много друзей. По-видимому, это была самая большая толпа, когда-либо присутствовавшая на мероприятии в Синий рынок.
Я счастлив, я рад, что все прошло хорошо, и я очень рад, что все закончилось! Существование участие в организации мероприятия довольно напряжно.
Я приготовил терновый джин .
Ну, я начал процесс. Я нашел терн на
пару прогулок недавно, и привез домой приличную сумму. Всегда носите сумку
на корм! Они лежали в морозилке и ждали, пока я куплю несколько баночек и
Джин. Возможно, я смогу попробовать что-нибудь к Рождеству.
Кстати, Я заказал елку . Будет дешевле, если вы купите это рано, и все слоты доставки доступны. Я пошел на 6 декабря, чтобы получить приличное количество праздничного настроения от инвестиций.
Пожилые
- 19.09.2022
Неделя 89: Королева все еще мертва
Королева все еще мертва . Не то чтобы вы ожидали чего-то другого. Нет неожиданное воскресение. И тем не менее каждый информационный бюллетень радио шел с ним, как если бы кто-то мог не знать к настоящему времени.
Подробнее …
- 13.09.2022
Неделя 88: женщина, 96 лет, умирает
Это была большая неделя в британской политике: после бесконечного и бессмысленного пустая трата почти двух месяцев, небольшая группа старения чудаки выбрал новый премьер-министр .
Странный способ управлять страной. И по
странно, я имею в виду плохо. Плохо по замыслу и плохо по результату.Подробнее …
- 2022-09-05
Неделя 87: Пожалуйста, установите наше приложение, чтобы получить доступ к этому контенту
Августовский выходной, как известно, последний перед Рождеством в Англия, голодная до государственных праздников, но я не взял понедельник с . Л- был в дома работаю над бумагой, поэтому мы пошли в соседнее кафе пообедать. Это был приветствую изменение моей обычной рутины.
Подробнее …
- 29.08.2022
Неделя 86: попугаи
Попугаи поселились в нашем районе . Они были в Лондоне в течение лет, особенно на западе, и я видел один или два в России Dock Woodland в Ротерхите несколько раз, но они внезапно прибыли в массовом порядке за последние две недели. Я больше слышу их характерный крик, чем вижу их, но на этой неделе я видел их в садах соседей и на нашей крыше, и Я видел стаю не менее полудюжины, когда вчера шел домой.
Я думаю
что привело их сюда сейчас.Подробнее …
Старые записи можно найти в архиве.
лат | Преобразование схемы
Вы можете преобразовать свой автомобиль из одной схемы регистрации в другую.
Краткий обзор
| Понимание схем преобразования | Вы можете переоборудовать свой автомобиль на другую схему, в зависимости от требований.
Перед преобразованием убедитесь, что срок действия вашего COE не истек. |
| Преобразование схемы регистрации вашего транспортного средства | Существуют различные типы переоборудования транспортных средств.
Для существующих обычных транспортных средств:
Для автомобилей по схемам для внепиковых автомобилей — Автомобиль выходного дня (WEC)/Автомобиль внепикового режима (OPC)/Пересмотренный автомобиль внепикового режима (ROPC):
Чтобы преобразовать WEC/OPC/ROPC в классический автомобиль, его сначала необходимо преобразовать в обычный автомобиль.
Для старых автомобилей:
Мотоциклы или скутеры, зарегистрированные в соответствии со Схемой старинных (обычных) транспортных средств, имеют ограниченный срок службы до 30 июня 2028 года. |
| Сопутствующие цифровые услуги | Запросить Плата за конвертацию Преобразование OPC/WEC в ROPC Преобразование типа или схемы транспортного средства (требуется вход в систему) |
Понимание преобразования схемы
Вы можете преобразовать свой автомобиль из одной схемы транспортного средства в другую. Транспортные средства на схемах, отличных от обычной схемы, будут иметь ограничения на использование и могут пользоваться некоторыми преимуществами. Убедитесь, что срок действия сертификата COE не истек, прежде чем подавать заявку на переоборудование вашего автомобиля.
На этой странице объясняются шаги по переводу вашего автомобиля на различные схемы. Для получения дополнительной информации об отдельных схемах посетите указанные ниже страницы.
- Автомобиль выходного дня (WEC)/ Автомобиль вне пиковой нагрузки (OPC)/ Пересмотренный автомобиль вне пиковой нагрузки (ROPC)
- Схема классического автомобиля
- Схема старинного автомобиля
Преобразование обычного автомобиля в ROPC или преобразование WEC / OPC / ROPC / в обычный автомобиль
Существует 2 способа преобразовать обычный автомобиль в ROPC или из WEC / OPC / ROPC в обычный автомобиль.
1. Онлайн — с помощью Singpass 2FA
Пошаговое руководство по конвертации
Шаг 1: Преобразуйте свой автомобиль онлайн и произведите оплату
Вы можете преобразовать схему своего автомобиля онлайн по адресу onemotoring.lta.gov.sg (доступно с 6 утра до полуночи ежедневно). Вам нужно будет войти в систему, используя Singpass 2FA.
Вам необходимо будет оплатить:
- Административный сбор в размере 100 долларов США
- Дорожный налог:
- Для перехода на ROPC — дорожный налог в течение одного года по схеме ROPC с даты перехода
- За переоборудование в обычный автомобиль — Дорожный налог по схеме обычного автомобиля с даты переоборудования
- Плата за пополнение любых неиспользованных авансовых скидок по схеме Off-Peak Car, если применимо
Шаг 2: Замените и опечатайте номерной знак автомобиля
Электронное письмо будет отправлено после успешного переоборудования вашего автомобиля. Вы можете получить его из цифрового сервиса «Просмотр электронных писем» (с входом в систему Singpass @ onemotoring.lta.gov.sg).
После успешной переоборудования автомобиля у вас есть 3 календарных дня, чтобы:
- Измените номерные знаки вашего автомобиля в мастерской/мастерской по изготовлению вывесок, чтобы они соответствовали новой схеме автомобиля.

- Если ваш автомобиль был переоборудован под ROPC, опечатайте номерные знаки в любом уполномоченном LTA инспекционном центре (AIC). Пожалуйста, уточните у соответствующих AIC часы их работы.
Ниже приведен пример госномера автомобиля для ROPC:
Ниже приведены примеры номеров стандартной схемы автомобиля:
Узнайте о размерах букв на номерных знаках транспортных средств.
Замените и опечатайте номерные знаки транспортных средств для ROPC
Вам необходимо посетить магазин/мастерскую по изготовлению вывесок, чтобы получить кронштейн номерного знака ROPC и номерные знаки, прежде чем отправиться в любой уполномоченный LTA инспекционный центр для опечатывания номерных знаков.
В зависимости от конструкции номерного знака, который необходимо установить, и услуг, предлагаемых мастерской/мастерской по изготовлению вывесок, некоторые мастерские могут потребовать от вас получить булавки в авторизованном инспекционном центре, прежде чем номерные знаки будут установлены и опломбированы.
Пожалуйста, уточните в магазине/мастерской по изготовлению вывесок точные процедуры, которые необходимо предпринять.
Ниже приведен список некоторых мастерских/мастерских по изготовлению вывесок, где вы можете поменять номерные знаки вашего автомобиля*.
*Этот справочный список предназначен для информации и удобства общественности и не является одобрением, рекомендацией или одобрением со стороны LTA. Вы можете пользоваться услугами мастерских/мастерских по изготовлению вывесок, перечисленных в этом списке, строго на свой страх и риск, и LTA не несет ответственности за любые убытки и ущерб, связанные с использованием услуг этих мастерских. это , а не полный список доступных мастерских/мастерских по изготовлению вывесок.
2. В Центре обслуживания клиентов LTA – только для пользователей, не имеющих права на получение Singpass (т.е. иностранцев)
lta.gov.sg/feedback, чтобы записаться на прием (желательно за 1 неделю) и принести следующие документы:
- Заполненная форма заявки (R10 (PDF, 166kB))
- Страховой сертификат на новый период дорожного налога (например, покрытие с даты конвертации до последней даты года) и схема
- Акт осмотра, если транспортное средство подлежит периодической проверке или в настоящее время находится на приколе
- Документы, удостоверяющие личность зарегистрированного владельца транспортного средства:
- Для физического лица (иностранного гражданина без ИНН):
- Оригинал паспорта текущего владельца или Письмо от Управления иммиграции и контрольно-пропускных пунктов Сингапура/Министерства трудовых ресурсов о возврате карты трудоустройства / иммиграционного паспорта или NRIC и оригинала паспорта
- Для физического лица (иностранного гражданина без ИНН):
- Вам необходимо будет оплатить:
- Административный сбор в размере 100 долларов США
- Плата за пополнение любых неиспользованных авансовых скидок по схеме Off-Peak Car, если применимо
- Дорожный налог:
- Преобразование в ROPC — дорожный налог в течение одного года по схеме ROPC с даты преобразования
- Преобразование в обычный автомобиль — Дорожный налог по схеме обычного автомобиля с даты преобразования
Шаг 2.
Замените и опечатайте регистрационный номер автомобиля
После успешной переоборудования автомобиля у вас есть 3 календарных дня, чтобы:
- Заменить номерные знаки вашего автомобиля в магазине/мастерской по изготовлению вывесок, чтобы отразить новые схема автомобиля.
- Если ваш автомобиль был переоборудован под ROPC, опечатайте номерные знаки в любом уполномоченном LTA инспекционном центре (AIC). Пожалуйста, уточните у соответствующих AIC часы их работы.
Ниже приведен пример номерного знака транспортного средства для ROPC:
Ниже приведены примеры номерных знаков стандартной схемы транспортного средства:
Узнайте о размерах букв для номерных знаков транспортных средств.
Замените и опечатайте номерные знаки транспортных средств для ROPC
Вам необходимо посетить магазин/мастерскую по изготовлению вывесок, чтобы получить кронштейн номерного знака ROPC и номерные знаки, прежде чем отправиться в любой уполномоченный LTA инспекционный центр для опечатывания номерных знаков.
В зависимости от конструкции номерного знака, который необходимо установить, и услуг, предлагаемых мастерской/мастерской по изготовлению вывесок, некоторые мастерские могут потребовать от вас получить булавки в авторизованном инспекционном центре, прежде чем номерные знаки будут установлены и опломбированы. Пожалуйста, уточните в магазине/мастерской по изготовлению вывесок точные процедуры, которые необходимо предпринять.
Ниже приведен список некоторых мастерских/мастерских по изготовлению вывесок, где вы можете поменять номерные знаки вашего автомобиля*.
*Этот справочный список предназначен для информации и удобства общественности и не является одобрением, рекомендацией или одобрением со стороны LTA. Вы можете пользоваться услугами мастерских/мастерских по изготовлению вывесок, перечисленных в этом списке, строго на свой страх и риск, и LTA не несет ответственности за любые убытки и ущерб, связанные с использованием услуг этих мастерских.
Это , а не полный список доступных магазинов/мастерских по изготовлению вывесок.
Untitled Document
Преобразование обычного автомобиля или мотоцикла в классическое транспортное средство
Чтобы иметь право на преобразование классического транспортного средства, вашему обычному автомобилю, мотоциклу или скутеру должно быть не менее 35 лет с даты первоначальной регистрации (ORD).
Если у вашего автомобиля есть 5-летний период COE, вы можете преобразовать его в классический автомобиль, только если:
- Автомобиль старше 30 лет на момент начала 5-летнего периода COE.
Вы должны преобразовать его в классический автомобиль, когда ему исполнится 35 лет, до истечения срока действия сертификата соответствия. В противном случае вы должны отменить регистрацию транспортного средства, поскольку вы не можете продлить 5-летний сертификат COE. - Вы платите сбор за транспортное средство старше 35 лет в начале 5-летнего периода COE.
Сбор основан на годовой процентной ставке в размере 5%, применяемой к разнице между действующей надбавкой к квоте 10-летнего COE и 5-летнего COE, взятой из месяца, в котором 5-летний COE транспортного средства был продлен .
Пошаговое руководство по переоборудованию классического автомобиля
Шаг 1. Запишитесь на прием и принесите следующие документы:
- Заполненная форма заявки (R13 (PDF, 161kB))
- Страховой сертификат на новый период дорожного налога (например, покрытие с даты конвертации до последней даты года) и схема
- Акт осмотра, если транспортное средство подлежит периодической проверке или в настоящее время находится на приколе
- Документы, удостоверяющие личность зарегистрированного владельца транспортного средства:
- Для частного владельца:
- Оригинал NRIC* (для граждан Сингапура/Сингапура) или оригинал трудовой/иммиграционной карты*, выданной MOM или ICA (для иностранца)
- Для компании/бизнеса/товарищества с ограниченной ответственностью/товарищества с ограниченной ответственностью:
- Оригинал распечатки профиля из Управления бухгалтерского учета и корпоративного регулирования (ACRA).
Эта распечатка действительна в течение 14 дней с даты выпуска . - Оригинал NRIC* (для гражданина Сингапура/Сингапура) или оригинал трудовой/иммиграционной карты*, выданной MOM/ICA (для иностранца) уполномоченного лица компании/бизнеса/товарищества с ограниченной ответственностью/товарищества с ограниченной ответственностью
- Оригинал доверенности, подписанный как минимум Руководителем или выше, если уполномоченное лицо компании/бизнеса/товарищества с ограниченной ответственностью/коммандитного товарищества не указано в распечатке ACRA
- Оригинал распечатки профиля из Управления бухгалтерского учета и корпоративного регулирования (ACRA).
- Для клуба/ассоциации/организации:
- Оригинал реестра обществ Свидетельство распечатка или другой сертификат, выданный соответствующим регулирующим органом
- Оригинал NRIC* (для гражданина Сингапура/Сингапура) или оригинал трудовой/иммиграционной карты*, выданной MOM/ICA (для иностранца) уполномоченного лица клуба/ассоциации/организации
- Для частного владельца:
* Физическая карта NRIC или карта долгосрочного пропуска или карта цифрового удостоверения личности (Digital IC), запущенная через приложение Singpass.
Изображения или видео удостоверения личности/пропуска/Digital IC не принимаются.
- Вам нужно будет оплатить:
- Административный сбор в размере 100 долларов США
- COE на основе 10 % соответствующей действующей надбавки к квоте в месяце, когда вы переоборудовали свой автомобиль.
- Дорожный налог в размере 280 долларов США за календарный год (с 1 января по 31 декабря)
- Если ваше транспортное средство зарегистрировано или переоборудовано после 1 января, дорожный налог будет пропорционально распределяться с даты переоборудования до конца календарного года. Количество дневных лицензий, которые вы получите, также будет соответствующим образом распределено.
- Сбор за транспортные средства старше 35 лет в начале 5-летнего периода эксплуатации
Шаг 2: Замените и опечатайте номерной знак автомобиля
После успешной переоборудования автомобиля у вас есть 3 календарных дня, чтобы:
- Измените номерные знаки вашего автомобиля в магазине/мастерской по изготовлению вывесок, чтобы они соответствовали новой схеме автомобиля.

- Если ваш автомобиль был переоборудован в автомобиль Classic, опечатайте номерные знаки в любом уполномоченном LTA инспекционном центре (AIC). Пожалуйста, уточните у соответствующих AIC часы их работы.
Ниже приведен пример номерного знака автомобиля Classic:
Узнайте о размерах букв на номерных знаках транспортных средств.
Замените и опечатайте номерные знаки автомобиля Classic
Вам необходимо посетить мастерскую/мастерскую по изготовлению вывесок, чтобы получить скобу номерного знака автомобиля Classic и номерные знаки, прежде чем отправиться в любой авторизованный LTA инспекционный центр для пломбирования номерных знаков.
В зависимости от конструкции номерного знака, который необходимо установить, и услуг, предлагаемых мастерской/мастерской по изготовлению вывесок, некоторые мастерские могут потребовать от вас получить булавки в авторизованном инспекционном центре, прежде чем номерные знаки будут установлены и опломбированы.
Пожалуйста, уточните в магазине/мастерской по изготовлению вывесок точные процедуры, которые необходимо предпринять.
Ниже приведен список некоторых мастерских/мастерских по изготовлению вывесок, где вы можете поменять номерные знаки вашего автомобиля*.
*Этот справочный список предназначен для информации и удобства общественности и не является одобрением, рекомендацией или одобрением со стороны LTA. Вы можете пользоваться услугами мастерских/мастерских по изготовлению вывесок, перечисленных в этом списке, строго на свой страх и риск, и LTA не несет ответственности за любые убытки и ущерб, связанные с использованием услуг этих мастерских. это , а не полный список доступных мастерских/мастерских по изготовлению вывесок.
Преобразование автомобиля выходного дня (WEC), автомобиля вне пиковой нагрузки (OPC) или переработанного автомобиля вне пиковой нагрузки (ROPC) в классический автомобиль
вам придется преобразовать его в обычный автомобиль, прежде чем вы сможете преобразовать свой автомобиль в классический автомобиль.
Преобразование вашего WEC/OPC/ROPC в обычный автомобиль
Преобразование вашего обычного автомобиля в классический автомобиль
После преобразования автомобиля в классический автомобиль его нельзя преобразовать обратно в обычный или внепиковый автомобиль.
Преобразование автомобиля выходного дня (WEC) в обновленный автомобиль для непиковых нагрузок (ROPC)
Вы можете преобразовать свой WEC в схему ROPC:
- Онлайн (доступно с 6:00 до 00:00 ежедневно)
- На станциях AXS (ежедневно с 6:00 до полуночи)
Вам необходимо будет оплатить:
- Административный сбор в размере 100 долларов США
- Годовой дорожный налог по схеме ROPC с даты конвертации
WEC, преобразованный в ROPC, не может быть преобразован обратно.
Узнайте больше о схеме ROPC
Преобразуйте свой WEC в ROPC онлайн
Преобразование автомобиля вне пиковой нагрузки (OPC) в измененный автомобиль вне пиковой нагрузки (ROPC)
Для автомобиля, который был зарегистрирован в соответствии с схема OPC с самого начала , вы можете конвертировать:
- Онлайн (доступно с 6 утра до полуночи ежедневно)
- На станциях AXS (ежедневно с 6:00 до полуночи)
Вам нужно будет заплатить:
- Административный сбор в размере 100 долларов США
- Доплата дорожного налога по схеме ROPC с момента конвертации
Для OPC, который был преобразован из обычного автомобиля , вы можете преобразовать:
- Онлайн (доступно с 6 утра до полуночи ежедневно)
Вам необходимо будет оплатить:
- Административный сбор в размере 100 долларов США
- Доплата дорожного налога по схеме ROPC с момента конвертации
Подробнее о схеме ROPC
Преобразование вашего OPC в ROPC онлайн
Преобразование любой схемы для ретроавтомобилей в пересмотренную схему для ретроавтомобилей
Вы можете преобразовать свой существующий зарегистрированный в Сингапуре ретроавтомобиль в пересмотренную схему для ретроавтомобилей.
Существует 3 типа схем старинных автомобилей:
- Схема старинных обычных автомобилей .
- Ограниченная схема выпуска винтажных автомобилей
- Пересмотренная схема старинных автомобилей
Некоторые схемы имеют 2 режима – право собственности на транспортное средство может быть передано или не может быть передано.
Транспортное средство, преобразованное из схемы Vintage (Restricted), не может быть преобразовано обратно в ту же схему.
Возможные модификации для различных схем старинных автомобилей:
К
Из | Винтаж | Винтаж (обычный) | Винтажная (ограниченная) схема транспортного средства (передаваемая) | Схема винтажного (ограниченного) автомобиля | Пересмотренный
|
|---|---|---|---|---|---|
Схема винтажного (обычного) автомобиля (передаваемого) |
|
|
|
| ✔ |
Схема винтажного (обычного) автомобиля (без права передачи) | ✔ |
|
|
| ✔ |
Схема винтажного (ограниченного) автомобиля (передаваемого) | ✔ |
|
|
| ✔ |
Схема винтажного (ограниченного) автомобиля (не подлежит передаче) | ✔ | ✔ |
|
| ✔ |
Пересмотренная схема старинных автомобилей | ✔ |
|
|
|
|
Узнайте больше о схемах старинных автомобилей
Пошаговое руководство по переоборудованию в старинные автомобили
Шаг 1.
Запишитесь на прием и принесите следующие документы:
- Заполненная форма заявки (R17 (PDF) , 183кБ))
- Страховой сертификат на новый период дорожного налога
- Акт осмотра, если транспортное средство подлежит периодическому осмотру
- Документы, удостоверяющие личность зарегистрированного владельца транспортного средства:
- Для индивидуальных владельцев:
- Оригинал NRIC* (для граждан Сингапура/Сингапура) или оригинал трудовой/иммиграционной карты*, выданной MOM/ICA (для иностранцев)
- Для компании/бизнеса/товарища с ограниченной ответственностью/коммандитного товарищества:
- Оригинал распечатки профиля из Управления бухгалтерского учета и корпоративного регулирования (ACRA). Эта распечатка должна быть действительна в течение 14 дней с даты выпуска
- Оригинал NRIC* (для граждан Сингапура/Сингапура) или оригинал трудовой/иммиграционной карты*, выданной MOM/ICA (для иностранца) уполномоченного лица компании/бизнеса/товарищества с ограниченной ответственностью/коммандитного товарищества
- Оригинал доверенности, подписанный как минимум Руководителем или выше, если уполномоченное лицо компании/бизнеса/товарищества с ограниченной ответственностью/коммандитного товарищества не указано в распечатке ACRA
- Для клуба/ассоциации/организации:
- Оригинал сертификата реестра обществ, распечатка или другой сертификат, выданный соответствующим регулирующим органом
- Оригинал NRIC* (для граждан Сингапура/Сингапура) или оригинал трудовой/иммиграционной карты*, выданной MOM/ICA (для иностранцев) уполномоченного лица клуба/ассоциации/организации
- Для индивидуальных владельцев:
* Физическая карта NRIC или карта долгосрочного пропуска или карта цифрового удостоверения личности (Digital IC), запущенная через приложение Singpass.
Изображения или видео удостоверения личности/пропуска/Digital IC не принимаются.
- Вам нужно будет оплатить:
- Административный сбор в размере 100 долларов США
- В момент конвертации любой неиспользованный COE в соответствии с текущей схемой будет аннулирован. Оплаченный ARF возврату не подлежит.
Шаг 2. Замените и опечатайте номерной знак транспортного средства
После успешного переоборудования автомобиля у вас есть 3 календарных дня, чтобы: новая схема автомобиля.
Ниже приведен пример номерного знака для винтажного автомобиля:
Узнайте о размерах букв на номерных знаках транспортных средств.
Замена и опечатывание номерных знаков автомобиля в винтажном стиле
Вам необходимо посетить мастерскую/мастерскую по изготовлению вывесок, чтобы получить кронштейн номерного знака старинного автомобиля и номерные знаки, прежде чем отправиться в любой авторизованный LTA инспекционный центр для опечатывания номерных знаков.
В зависимости от конструкции номерного знака, который необходимо установить, и услуг, предлагаемых мастерской/мастерской по изготовлению вывесок, некоторые мастерские могут потребовать от вас получить булавки в авторизованном инспекционном центре, прежде чем номерные знаки будут установлены и опломбированы. Пожалуйста, уточните в магазине/мастерской по изготовлению вывесок точные процедуры, которые необходимо предпринять.
Ниже приведен список некоторых мастерских/мастерских по изготовлению вывесок, где вы можете поменять номерные знаки вашего автомобиля*.
*Этот справочный список предназначен для информации и удобства общественности и не является одобрением, рекомендацией или одобрением со стороны LTA. Вы можете пользоваться услугами мастерских/мастерских по изготовлению вывесок, перечисленных в этом списке, строго на свой страх и риск, и LTA не несет ответственности за любые убытки и ущерб, связанные с использованием услуг этих мастерских.
это , а не полный список доступных мастерских/мастерских по изготовлению вывесок.
Секционирование и горизонтальное масштабирование в Azure Cosmos DB
- Статья
- 11 минут на чтение
ПРИМЕНЯЕТСЯ К: SQL API Кассандра API Гремлин API API таблиц API Azure Cosmos DB для MongoDB
Azure Cosmos DB использует секционирование для масштабирования отдельных контейнеров в базе данных в соответствии с потребностями приложения в производительности. При секционировании элементы в контейнере делятся на отдельные подмножества, называемые логическими разделами . Логические разделы формируются на основе значения ключа раздела , связанного с каждым элементом в контейнере. Все элементы в логическом разделе имеют одинаковое значение ключа раздела.
Например, контейнер содержит предметы. Каждый элемент имеет уникальное значение для UserID свойство. Если UserID служит ключом раздела для элементов в контейнере и имеется 1000 уникальных значений UserID , для контейнера создается 1000 логических разделов.
В дополнение к ключу раздела, который определяет логический раздел элемента, каждый элемент в контейнере имеет идентификатор элемента (уникальный в пределах логического раздела). Комбинация ключа раздела и идентификатора элемента создает индекс элемента , который однозначно идентифицирует элемент. Выбор ключа раздела — важное решение, которое повлияет на производительность вашего приложения.
В этой статье объясняется взаимосвязь между логическими и физическими разделами. В нем также обсуждаются рекомендации по секционированию и подробно рассказывается о том, как работает горизонтальное масштабирование в Azure Cosmos DB.
Чтобы выбрать ключ секции, не обязательно знать эти внутренние сведения, но мы рассмотрели их, чтобы у вас было ясное представление о том, как работает Azure Cosmos DB.
Логические разделы
Логический раздел состоит из набора элементов с одинаковым ключом раздела. Например, в контейнере, содержащем данные о питании продуктов питания, все элементы содержат число 9.1147 продуктовая группа объектов. Вы можете использовать foodGroup в качестве ключа раздела для контейнера. Группы элементов, которые имеют определенные значения для foodGroup , такие как Продукты из говядины , Выпечка и Колбасы и мясо для завтрака , образуют отдельные логические разделы.
Логический раздел также определяет объем транзакций базы данных. Вы можете обновлять элементы в логическом разделе, используя транзакцию с изоляцией моментальных снимков. Когда в контейнер добавляются новые элементы, система прозрачно создает новые логические разделы.
Вам не нужно беспокоиться об удалении логического раздела при удалении базовых данных.
Количество логических разделов в контейнере не ограничено. Каждый логический раздел может хранить до 20 ГБ данных. Хороший выбор ключа раздела имеет широкий диапазон возможных значений. Например, в контейнере, где все элементы содержат свойство foodGroup , данные в логическом разделе Beef Products могут увеличиться до 20 ГБ. Выбор ключа секции с широким диапазоном возможных значений гарантирует, что контейнер сможет масштабироваться.
Вы можете использовать оповещения Azure Monitor, чтобы отслеживать, приближается ли размер логического раздела к 20 ГБ.
Физические разделы
Контейнер масштабируется путем распределения данных и пропускной способности между физическими разделами. Внутри один или несколько логических разделов сопоставляются с одним физическим разделом. Обычно небольшие контейнеры имеют много логических разделов, но для них требуется только один физический раздел.
В отличие от логических разделов, физические разделы являются внутренней реализацией системы и полностью управляются Azure Cosmos DB.
Количество физических разделов в вашем контейнере зависит от следующего:
Объем предоставленной пропускной способности (каждый отдельный физический раздел может обеспечить пропускную способность до 10 000 единиц запросов в секунду). Ограничение в 10 000 ЕЗ/с для физических разделов означает, что логические разделы также имеют ограничение в 10 000 ЕЗ/с, поскольку каждый логический раздел сопоставляется только с одним физическим разделом.
Общее хранилище данных (каждый отдельный физический раздел может хранить до 50 ГБ данных).
Примечание
Физические разделы являются внутренней реализацией системы и полностью управляются Azure Cosmos DB. При разработке своих решений не сосредотачивайтесь на физических разделах, потому что вы не можете ими управлять. Вместо этого сосредоточьтесь на ключах вашего раздела.
Если вы выберете ключ раздела, который равномерно распределяет потребление пропускной способности между логическими разделами, вы обеспечите сбалансированное потребление пропускной способности между физическими разделами.
Общее количество физических разделов в вашем контейнере не ограничено. По мере роста подготовленной пропускной способности или размера данных Azure Cosmos DB будет автоматически создавать новые физические разделы, разделяя существующие. Разделение физических разделов не влияет на доступность вашего приложения. После разделения физического раздела все данные в одном логическом разделе по-прежнему будут храниться в том же физическом разделе. Разделение физического раздела просто создает новое сопоставление логических разделов с физическими разделами.
Пропускная способность, выделенная для контейнера, равномерно распределяется между физическими разделами. Схема ключа секции, которая не распределяет запросы равномерно, может привести к тому, что слишком много запросов будет направлено на небольшое подмножество секций, которые станут «горячими».
Горячие разделы приводят к неэффективному использованию выделенной пропускной способности, что может привести к ограничению скорости и увеличению затрат.
Физические разделы вашего контейнера можно увидеть в разделе Storage блейда Metrics портала Azure:
На приведенном выше снимке экрана контейнер имеет /foodGroup в качестве ключа раздела. Каждая из трех полос на графике представляет собой физический раздел. В образе диапазон ключей раздела совпадает с физическим разделом. Выбранный физический раздел содержит 3 логических раздела наиболее значимого размера: Говяжьи продукты , Овощи и овощные продукты и Супы, соусы и подливы .
Если вы предоставляете пропускную способность 18 000 единиц запроса в секунду (ЕЗ/с), то каждый из трех физических разделов может использовать 1/3 общей подготовленной пропускной способности. В выбранном физическом разделе ключи логических разделов Продукты из говядины , Овощи и овощные продукты и Супы, соусы и подливки могут в совокупности использовать 6000 подготовленных ЕЗ/с физического раздела.
Поскольку подготовленная пропускная способность равномерно распределяется между физическими разделами вашего контейнера, важно выбрать ключ раздела, который равномерно распределяет потребление пропускной способности, выбрав правильный ключ логического раздела.
Управление логическими разделами
Azure Cosmos DB прозрачно и автоматически управляет размещением логических разделов в физических разделах, чтобы эффективно удовлетворить потребности контейнера в масштабируемости и производительности. По мере увеличения требований к пропускной способности и хранилищу приложения Azure Cosmos DB перемещает логические разделы, чтобы автоматически распределять нагрузку между большим количеством физических разделов. Вы можете узнать больше о физических разделах.
Azure Cosmos DB использует секционирование на основе хэша для распределения логических разделов по физическим разделам. Azure Cosmos DB хэширует значение ключа секции элемента. Результат хеширования определяет физический раздел.
Затем Azure Cosmos DB равномерно распределяет пространство ключей хэшей ключей разделов между физическими разделами.
Транзакции (в хранимых процедурах или триггерах) разрешены только для элементов в одном логическом разделе.
Наборы реплик
Каждый физический раздел состоит из набора реплик, также называемого набором реплик . Каждая реплика содержит экземпляр ядра базы данных. Набор реплик делает данные, хранящиеся в физическом разделе, надежными, высокодоступными и согласованными. Каждая реплика, составляющая физический раздел, наследует квоту хранения раздела. Все реплики физического раздела в совокупности поддерживают пропускную способность, выделенную физическому разделу. Azure Cosmos DB автоматически управляет наборами реплик.
Как правило, для контейнеров меньшего размера требуется только один физический раздел, но они все равно будут иметь как минимум 4 реплики.
На следующем изображении показано, как логические разделы сопоставляются с физическими разделами, распределенными по всему миру.
Набор разделов в образе относится к группе физических разделов, которые управляют одними и теми же ключами логических разделов в нескольких регионах:
Выберите ключ раздела
Ключ раздела состоит из двух компонентов: путь к ключу раздела и значение ключа раздела . Например, рассмотрим элемент { "userId" : "Andrew", "worksFor": "Microsoft" } , если вы выберете «userId» в качестве ключа раздела, следующие два компонента ключа раздела:
путь к ключу раздела (например: «/userId»). Путь к ключу раздела принимает буквенно-цифровые символы и символы подчеркивания (_). Вы также можете использовать вложенные объекты, используя стандартную нотацию пути (/).
Значение ключа раздела (например: «Эндрю»). Значение ключа секции может иметь строковый или числовой тип.
Чтобы узнать об ограничениях пропускной способности, хранилища и длины ключа секции, см. статью о квотах службы Azure Cosmos DB.
Выбор ключа раздела — это простой, но важный выбор дизайна в Azure Cosmos DB. После выбора ключа раздела невозможно изменить его на месте. Если вам нужно изменить ключ раздела, вам следует переместить данные в новый контейнер с новым желаемым ключом раздела.
Для всех контейнеров ваш ключ раздела должен:
Быть свойством, значение которого не меняется. Если свойство является вашим ключом секции, вы не можете обновить значение этого свойства.
Должен содержать только значения
String— или числа в идеале должны быть преобразованы вString, если есть вероятность того, что они находятся за пределами чисел двойной точности в соответствии с IEEE 754 binary64. Спецификация Json называет причины, по которым использование чисел за пределами этой границы в целом является плохой практикой из-за вероятных проблем с совместимостью. Эти проблемы особенно актуальны для столбца ключа секции, поскольку он неизменяем и требует переноса данных, чтобы изменить его позже.
Имеют высокую мощность. Другими словами, свойство должно иметь широкий диапазон возможных значений.
Равномерное потребление единиц запросов на распространение (RU) и хранение данных по всем логическим разделам. Это обеспечивает равномерное потребление RU и распределение хранилища по вашим физическим разделам.
Если вам нужны транзакции ACID с несколькими элементами в Azure Cosmos DB, вам потребуется использовать хранимые процедуры или триггеры. Все хранимые процедуры и триггеры на основе JavaScript относятся к одному логическому разделу.
Примечание
Если у вас есть только один физический раздел, значение ключа раздела может не иметь значения, так как все запросы будут нацелены на один и тот же физический раздел.
Ключи раздела для контейнеров с большим объемом операций чтения
Для большинства контейнеров приведенные выше критерии — это все, что вам нужно учитывать при выборе ключа раздела.
Однако для больших контейнеров с большим количеством операций чтения может потребоваться выбрать ключ секции, который часто используется в качестве фильтра в ваших запросах. Запросы можно эффективно направлять только в соответствующие физические разделы, включив ключ раздела в предикат фильтра.
Если большинство запросов вашей рабочей нагрузки являются запросами, и большинство ваших запросов имеют фильтр равенства для одного и того же свойства, это свойство может быть хорошим выбором ключа секции. Например, если вы часто выполняете запрос, фильтрующий UserID , то выбор UserID в качестве ключа раздела уменьшит количество запросов между разделами.
Однако, если ваш контейнер небольшой, у вас, вероятно, недостаточно физических разделов, чтобы беспокоиться о влиянии запросов между разделами на производительность. Большинству небольших контейнеров в Azure Cosmos DB требуется только один или два физических раздела.
Если ваш контейнер может вырасти до нескольких физических разделов, вам следует убедиться, что вы выбрали ключ раздела, который сводит к минимуму запросы между разделами.
Для вашего контейнера потребуется более нескольких физических разделов, если выполняется одно из следующих условий:
Использовать идентификатор элемента в качестве ключа раздела
Если у вашего контейнера есть свойство с широким диапазоном возможных значений, это, вероятно, отличный раздел ключевой выбор. Одним из возможных примеров такого свойства является идентификатор элемента . Для небольших контейнеров с большим объемом чтения или контейнеров любого размера с большим объемом операций записи идентификатор элемента , естественно, является отличным выбором для ключа раздела.
Системное свойство идентификатор элемента существует в каждом элементе в вашем контейнере. У вас могут быть другие свойства, представляющие логический идентификатор вашего элемента. Во многих случаях это также отличный выбор ключа раздела по тем же причинам, что и идентификатор элемента .
Элемент с идентификатором является отличным выбором ключа раздела по следующим причинам:
- Существует широкий диапазон возможных значений (один уникальный идентификатор элемента на элемент).

- Поскольку для каждого элемента существует уникальный идентификатор элемента , идентификатор элемента отлично справляется с равномерной балансировкой потребления ЕЗ и хранения данных.
- Вы можете легко выполнять эффективное чтение точек, так как вы всегда будете знать ключ раздела элемента, если знаете его идентификатор элемента .
При выборе элемента с идентификатором в качестве ключа раздела следует учитывать следующее:
- Если идентификатор элемента является ключом раздела, он станет уникальным идентификатором во всем контейнере. Вы не сможете иметь элементы с повторяющимся идентификатором элемента .
- Если у вас есть интенсивно читаемый контейнер с большим количеством физических разделов, запросы будут более эффективными, если они имеют фильтр равенства с идентификатором элемента .
- Вы не можете запускать хранимые процедуры или триггеры в нескольких логических разделах.

Дальнейшие действия
- Узнайте о подготовленной пропускной способности в Azure Cosmos DB.
- Узнайте о глобальном распространении в Azure Cosmos DB.
- Узнайте, как подготовить пропускную способность в контейнере Azure Cosmos.
- Узнайте, как обеспечить пропускную способность базы данных Azure Cosmos.
- См. учебный модуль о моделировании и секционировании данных в Azure Cosmos DB.
- Пытаетесь спланировать ресурсы для миграции в Azure Cosmos DB? Вы можете использовать информацию о существующем кластере базы данных для планирования емкости.
- Если вам известно только количество виртуальных ядер и серверов в существующем кластере базы данных, прочтите об оценке единиц запроса с использованием виртуальных ядер или виртуальных ЦП .
- Если вы знаете типичные частоты запросов для текущей рабочей нагрузки базы данных, прочтите об оценке единиц запросов с помощью планировщика емкости Azure Cosmos DB .

Веб-страница Бена Мунена
| Ли Фу и Бен Мунен | Гипотеза Тейта для четномерных многообразий Гушеля-Мукаи в характеристике р ≥ 5 . Препринт, 2022 г. (50 стр.). |
| Ли Фу и Бен Мунен | Алгебраические циклы на многообразиях Гушеля-Мукаи. Препринт, 2022 г. (24 стр.). |
| Бен Мунен | Гипотеза Коулмана-Оорта: сведение к трем ключевым случаям. Бюллетень LMS, 2022 (Открытый доступ). |
| Бен Мунен | Вычисление дискретных инвариантов многообразий в положительной характеристике, I. Типы кривых Экедала-Оорта. Журнал чистой и прикладной алгебры, 2022 г. (открытый доступ). Доступна реализация Magma. В разделе 4 статьи описано, как это работает. |
| Бен Мунен | Замечание о гипотезе Тейта. |
| Бен Мунен | Семейства мотивов и гипотеза Мамфорда-Тейта. Милан Дж. Матем. 85 (2017), 257-307. Вот опечатка и дополнение. |
| Бен Мунен | Список Делиня-Мостоу и специальные семейства поверхностей. IMRN, 2017. Опечатки и дополнения. |
| Анна Кадорет и Бен Мунен | Интегральный и адельный аспекты гипотезы Мамфорда-Тейта. Дж. Института математики. Жюссе, 2018. |
| Бен Мунен | О гипотезах Тейта и Мамфорда-Тейта в коразмерности один для многообразий с h 2,0 =1. Duke Math J. 166 (2017), 739–799. Вот опечатка, а вот дополнение. |
| Бен Мунен и Цичжэн Инь | Несколько замечаний о модифицированных диагоналях. коммун. Контемп. Math., опубликовано в Интернете в ноябре 2014 г. Окончательная опубликованная версия в томе 18, выпуск 01, февраль 2016 г., 16 страниц. |
| Бен Мунен | О мотиве Чжоу абелевой схемы с нетривиальными эндоморфизмами. Журнал für reine und angewandte Mathematik, опубликованный в Интернете в январе 2014 г. Окончательная опубликованная версия в томе 2016 г., выпуск 711, февраль 2016 г., страницы 75–109.. |
| Бен Мунен и Франс Оорт | Локус Торелли и специальные подмногообразия. Справочник по модулям (Г. Фаркас и И. Морриссон, ред.), Vol. 2, стр. 549-594. Международная пресса, 2013. |
| Бен Мунен | Специальные подмногообразия, возникающие из семейств циклических накрытий проективной прямой. Документа по математике. 15 (2010), 793-819. |
| Бен Мунен и Александр Полищук | Разделенные степени в кольцах Чжоу и интегральные преобразования Фурье. Успехи в математике. 224 (2010), 2216-2236. |
| Бен Мунен и Александр Полищук | Алгебраические циклы на относительных симметрических степенях и на относительном якобиане семейства кривых. II. J. de l’Institut Math. Жюссье 9(2010), 799-846. |
| Бас Эдиксховен, Джерард ван дер Гир и Бен Мунен (ред.) | Модульные формы на Schiermonnikoog, Cambridge Univ. Пресс, 2008. |
| Бен Мунен | Соотношения между тавтологическими циклами на якобианах. Комм. Мат. Helvetici 84 (2009), 471-502. |
| Джерард в.д. Гир, Бен Мунен и Рене Шуф (ред.) | Поля чисел и поля функций — два параллельных мира. Прогресс в математике. 239, Биркхойзер, 2005. |
| Бен Мунен | Домены периода Mod p. Отчеты Обервольфаха 1 (2004 г.), 1988–1991 гг. |
| Бен Мунен и Торстен Ведхорн | Дискретные инварианты многообразий в положительной характеристике. ИМРН 72 (2004), 3855-3903. Вот некоторые опечатки и пример. |
| Бен Мунен | Теория Серра-Тейта для пространств модулей PEL-типа. Анна. наука де л’Эк. Норма. Как дела. 37 (2004), 223-269. |
| Бен Мунен | Формула размерности пластов Экедала-Оорта. Анна. de l’Institut Fourier 54 (2004), 666–69.8. |
| Бен Мунен | Групповые схемы с дополнительными структурами и смежными классами группы Вейля. В: Модули абелевых многообразий (Остров Тексел, 1999), 255–298, Progress in Math. 195, Биркхойзер, 2001. Исправление. |
| Бас Эдиксховен, Бен Мунен и Франс Оорт | Открытые задачи по алгебраической геометрии. Бык. науч. Мат. 125 (2001), 1- |
| Бен Мунен и Юрий Зархин | Классы Ходжа на абелевых многообразиях малой размерности. Мат. Анна. 315 (1999), 711-733. |
| Бен Мунен | Модели сортов Симура по смешанным характеристикам. В: Представления Галуа в арифметической алгебраической геометрии (Дарем, 1996), 267–350, LMS Lecture Note Ser. 254, Кембриджский университет. Пресса, 1998. |
| Юрий Зарин и Бен Мунен | Классы Вейля и инволюции Розати на комплексных абелевых многообразиях. В: Последние достижения в алгебре, 229-236, Contemp. Мат. 224, АМС, 1999. |
| Бен Мунен | Свойства линейности многообразий Симура. II. Составная математика. 114 (1998), 3-35. |
| Бен Мунен | Свойства линейности многообразий Симура. IJ Алгебраическая геом. 7 (1998), 539-567. |
| Бен Мунен | Особые точки и свойства линейности многообразий Симуры. Кандидатская диссертация, Univ. Утрехта, 1995. Вот опечатка. |
| Бен Мунен и Юрий Зархин | Классы Вейля на абелевых многообразиях. Дж. Рейн Ангью. Мат. 496 (1998), 83-92. Опечатка. |
| Бен Мунен и Юрий Зархин | Классы Ходжа и классы Тейта на простых абелевых четырехмерных многообразиях. Герцог Математика. J. 77 (1995), 553-581. |
| Бен Мунен | Число Пикара некоторых алгебраических поверхностей. J. Pure Appl. Алгебра 85 (1993), 317-330. |
Топология. (На голландском языке) Syllabus voor een tweedejaars inleidend vak in de topologie.
Введение в алгебраическую геометрию.
Заметки на основе курса Mastermath весной 2013 года.
Заметки о группах Мамфорда-Тейта. В 1999 году я прочитал серию лекций в Центре Эмиля Бореля в Париже о группах Мамфорда-Тейта и образах представлений Галуа. Заметки, которые я написал, не являются общедоступными, а записи второй половины курса существуют только в рукописном виде. Если я когда-нибудь найду для этого время, я напишу более совершенный и полный набор заметок. Пока просто выкладываю оригинальные конспекты первой части курса, хоть и результат далек от совершенства. Комментарии приветствуются!
Есть еще один набор заметок, соответствующих лекциям, которые я читал на семинаре в Монте Верита в 2004 году. Как и предыдущий набор, они должны когда-нибудь стать частью более полного текста. А пока вот оригинал: Введение в группы Мамфорда-Тейта.
Совместно с Джерардом ван дер Гиром и Басом Эдиксховеном я работаю над книгой об абелевых многообразиях. К сожалению, проект некоторое время был бездействующим, но я надеюсь, что мы сможем продолжить в ближайшем будущем.
А пока я здесь выкладываю главы, которые на данный момент доступны в предварительном виде.
| Передний вопрос | Титульный лист и предварительные сведения |
| Глава 1 | Определение и основные примеры |
| Глава 2 | Линейные расслоения и делители на абелевых многообразиях |
| Глава 3 | Базовая теория групповых схем |
| Глава 4 | Коэффициенты по групповым схемам |
| Глава 5 | Изогении |
| Глава 6 | Схема Пикара абелева многообразия |
| Глава 7 | Двойственность |
| Глава 8 | Тета-группа линейного пучка |
| Глава 9 | Когомологии линейных расслоений |
| Глава 10 | Модули Тейта, p-делимые группы и фундаментальная группа |
| Глава 11 | Поляризации и спаривание Вейля |
| Глава 13 | Преобразование Фурье и кольцо Чжоу |
| Глава 12 | Эндоморфы (очень предварительная версия) |
| Задняя часть | использованная литература |
| Бен Мунен | Полевая медаль Петера Шольце. Nieuw Archief voor de Wiskunde 5/20, nr. 1, март 2019. |
Понимание номеров моделей телевизоров Samsung
Обычному человеку номер модели телевизора кажется тарабарщиной. Однако все цифры и буквы в коде модели имеют особое значение, которое помогает производителям и розничным магазинам идентифицировать конкретный тип телевизора. Понимание того, как работают номера моделей телевизоров Samsung, может помочь вам узнать больше о своем собственном телевизоре или других моделях, которые могут вас заинтересовать.
Прежде чем вы сможете полностью понять номер модели вашего телевизора Samsung, вам нужно выяснить, что это за номер. На старых телевизорах его можно найти, взглянув на заднюю панель телевизора. Однако на более новых моделях вы можете найти его в меню настроек телевизора.
С помощью пульта ДУ телевизора перейдите к Настройки ( Все настройки ).
Выберите Поддержка , а затем выберите О телевизоре ( Об этом телевизоре/проекторе ).

На этой странице будет отображаться номер модели или код и серийный номер.
Получив номер модели, вы сможете узнать больше о своем телевизоре. Найдите технические характеристики на странице службы поддержки Samsung или загрузите руководство пользователя для своего телевизора .
Вот пример номера последней модели 65-дюймового телевизора Q800T класса Q800T QLED 8K UHD HDR Smart TV (2020) . Мы разбили, что обозначают разные буквы и цифры в коде модели, чтобы вы могли лучше понять понимание того, что все это значит.
Мы будем использовать этот пример: QN65Q800TAFXZA
Мы уже приводили пример кода одной модели телевизора, но мы знаем, что существует множество различных телевизоров с разными номерами моделей. Пожалуйста, используйте это руководство, чтобы выяснить, что означает конкретный номер модели вашего телевизора.
Значение первой буквы: Тип телевизора.
Пример: Q N65Q800TAFXZAQ = QLED
U = светодиод
П = Плазма
Л = ЖК-дисплей
Н = ДЛП
К = OLED
Значение второй буквы: Где будет продаваться телевизор.
Пример: Q N 65Q800TAFXZAN = Северная Америка
E = Европа
А = Азия
Первый номер в списке: Размер телевизора в дюймах. Например, экран может быть 55 дюймов или 65 дюймов.
Пример: QN 65 Q800TAFXZA
Следующая часть относится к конкретной модели.
Пример: QN65 Q800T AFXZA
LS (Lifestyle TV)
LS03B = The Frame 9 2022
LS03A = Рама 2021
LST9T = Терраса 2021
LST7T = Терраса 2020
LS05T = Серо 2020
LS03T = Рама 2020
LS01T = Сериф 2020
LS01R = телевизор с засечками 2019
LS03R = Рама 2019
LS03N = Рама 2018
LS003 = Рамка 2017
LS001 = телевизор с засечками 2015
OLED
S**B = 2022 4K OLED
Q (QLED)
QN***B = 2022 8K Neo QLED
QN**B = 2022 4K Neo QLED
Q**B = 2022 4K QLED
QN***A = 2021 8K Neo QLED
QN**A = 2021 4K Neo QLED
Q**A = 2021 4K QLED
Q***T = 2020 8K QLED
Q**T = 2020 UHD QLED
Q950R = 2019 8K QLED
Q**R = 2019 UHD QLED
Q900R = 2018 8K QLED
Q9FN = 2018 UHD QLED с задней подсветкой
Q8DN = 2018 Плоский UHD QLED с задней подсветкой
Q*CN = 2018 Edge Lid Curved UHD QLED
Q*FN = 2018 Плоский UHD QLED с боковой подсветкой
Q*CAM = 2017 Изогнутый QLED
Q*FAM = 2017 Плоский QLED
* числовое значение
Full HD, UHD и S-UHDAU = 2021 UHD
ТУ = 2020 УХД
Т = 2020 FHD
RU = 2019 UHD
R = 2019 FHD
NU = 2018 UHD
N = 2018 FHD
МЕ = 2017 UHD
М = 2017 HD
КС = 2016 г.
SUHDКУ = 2016 UHD
К = 2016 FHD
Full HD, UHD и S-UHD (продолжение)JS = 2015 SUHD
ЮУ = 2015 UHD
Дж = 2015 FHD
H = 2014 FHD
HU = 2014 UHD
КЭ = 2013 OLED
Ж = 2013
Э = 2012
Д = 2011
С = 2010
Б = 2009
А = 2008
Следующая буква в последовательности: Код выпуска или поколения телевизора.
Пример: QN65Q800T A FXZAСледующая буква в последовательности после кода разблокировки: Тип тюнера в телевизоре.
Пример: QN65Q800TA F XZAСледующая буква в последовательности после типа тюнера: Код конструкции, обычно X.
Пример: QN65Q800TAF X ZAКонечный набор букв в последовательности: Код страны для телевизора.
Пример: QN65Q800TAFX ZAZA = США
RU = Россия
UA = Украина
ZC = Чили
XU = Европа/Великобритания
XY = Австралия
Если у вас старый телевизор, не беспокойтесь — у нас есть информация и о старых номерах моделей. Они сильно отличаются от кодов более новых моделей, поэтому обязательно ознакомьтесь с этим руководством, чтобы ознакомиться с тем, как они работают. В качестве примера мы будем использовать этот номер модели: LN-T2342HX/XA.
Значение первых двух букв: Сообщает вам тип телевизора.
Пример: LN -T2342HX/XAFP или HP = плазма
LN = ЖК-дисплей
HL = DLP
ТХ = ЭЛТ
Первая буква после тире: Год выпуска телевизора.
Пример: LN- T 2342HX/XAT = 2007
С = 2006
Р = 2005
Р = 2004
N = 2003
М = 2002
Первый набор цифр: Размер экрана телевизора в дюймах.
Например, экран может быть 23 дюйма.
Пример: LN-T 23 42HX/XA
Второй набор цифр: Серия, к которой принадлежит телевизор.
Пример: LN-T23 42 HX/XAСледующая буква в последовательности: Разрешение экрана телевизора.
Пример: LN-T2342 H X/XAF = Full HD
H = Высокое разрешение
Следующая буква в последовательности после разрешения: Код конструкции, обычно X.
Пример: LN-T2342H X /XA
Окончательный набор букв: Информация о производстве.
Пример: LN-T2342HX/ XA
Другие ответы, которые могут помочь
Отремонтируйте треснувший экран телевизора Samsung
Найдите номер модели телевизора или проектора Samsung и информацию о меню
Какой телевизор Samsung лучше для вас
Контакт
Напишите нам
Напишите нам начать онлайн-чат с Samsung
1-800-САМСУНГ 8:00–12:00 по восточному поясному времени, 7 дней в неделю ИТ/вычисления — с 8:00 до 21:00 по восточному поясному времени с понедельника по пятницу
Помощь в заказе
Акции Samsung
Позвоните нам
Нужна помощь прямо сейчас?
Использование электронной почты в качестве способа связи было прекращено с 3 апреля 2019 г.
Пожалуйста, свяжитесь с нами через чат для более быстрого ответа.
Позвоните нам 1-800-САМСУНГ (1-800-726-7864)
Мобильная поддержка 8:00–12:00 по восточному поясному времени 7 дней в неделю
Поддержка бытовой электроники и бытовой техники 8:00–12:00 по восточному поясному времени с понедельника по пятницу 9AM — 18:00 EST Сб, Выходной Воскресенье
ИТ/вычислительная поддержка 8:00–21:00 по восточному стандартному времени, пн–пт Выходной Сб-Вс
Поддержка заказа Помощь по заказу
© Samsung Electronics America, Inc.

..
..
6.2 Схемы распределительных устройств высокого напряжения однотрансформаторных подстанций
Странный способ управлять страной. И по
странно, я имею в виду плохо. Плохо по замыслу и плохо по результату.
Я думаю
что привело их сюда сейчас.






коммун. Контемп. Math., опубликовано в Интернете в ноябре 2014 г. Окончательная опубликованная версия в томе 18, выпуск 01, февраль 2016 г., 16 страниц.
Успехи в математике. 224 (2010), 2216-2236.
Отчеты Обервольфаха 1 (2004 г.), 1988–1991 гг.
Бык. науч. Мат. 125 (2001), 1-
IJ Алгебраическая геом. 7 (1998), 539-567.
Nieuw Archief voor de Wiskunde 5/20, nr. 1, март 2019.
SUHD
Например, экран может быть 23 дюйма. 