Как собрать лабораторный блок питания самостоятельно. Какие компоненты понадобятся для сборки. Какие этапы включает процесс создания блока питания. Какие меры безопасности нужно соблюдать при работе.
Что такое лабораторный блок питания и зачем он нужен
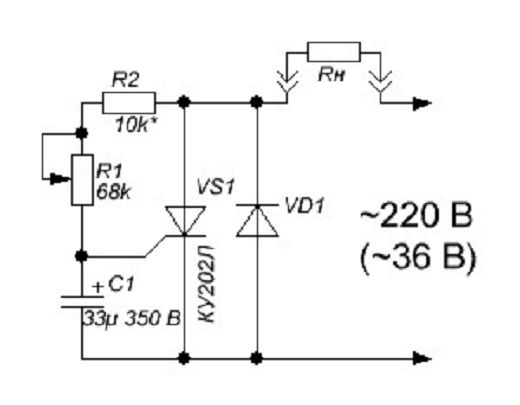
Лабораторный блок питания — это устройство, предназначенное для преобразования переменного напряжения сети в постоянное регулируемое напряжение. Он позволяет получить стабильное напряжение и ток для питания и тестирования различных электронных устройств.
Основные преимущества лабораторного блока питания:
- Возможность плавной регулировки выходного напряжения и тока
- Стабилизация выходных параметров
- Наличие защиты от короткого замыкания и перегрузки
- Индикация выходных параметров
Такой блок питания незаменим при разработке, настройке и ремонте электронных устройств. Он позволяет подавать точное напряжение и контролировать потребляемый ток.
Необходимые компоненты для сборки блока питания
Для сборки простого лабораторного блока питания понадобятся следующие компоненты:

- Понижающий трансформатор
- Диодный мост для выпрямления
- Фильтрующие конденсаторы
- Стабилизатор напряжения (например, LM317)
- Переменные резисторы для регулировки
- Амперметр и вольтметр
- Радиатор для стабилизатора
- Корпус
- Выходные клеммы
- Провода, переключатели
Выбор конкретных номиналов компонентов зависит от требуемых характеристик блока питания. Важно правильно рассчитать мощность трансформатора и номиналы элементов схемы.
Этапы сборки лабораторного блока питания
Процесс сборки лабораторного блока питания включает следующие основные этапы:
- Разработка принципиальной схемы
- Подбор и закупка необходимых компонентов
- Изготовление печатной платы или макетирование
- Монтаж компонентов на плату
- Сборка конструкции в корпусе
- Настройка и проверка работоспособности
Рассмотрим подробнее каждый из этих этапов.
Разработка принципиальной схемы
На этом этапе необходимо определиться с требуемыми характеристиками блока питания и разработать его принципиальную электрическую схему. Важно правильно рассчитать номиналы компонентов, чтобы обеспечить необходимые выходные параметры и надежную работу устройства.

Подбор и закупка компонентов
Исходя из разработанной схемы, необходимо подобрать конкретные радиоэлементы и купить их. При выборе компонентов следует учитывать их параметры, качество и стоимость. Важно приобрести компоненты с небольшим запасом на случай выхода из строя.
Изготовление печатной платы
Печатную плату можно изготовить методом ЛУТ (лазерно-утюжная технология) или заказать на производстве. Для простых схем допустимо использовать макетную плату. На этом этапе важно правильно разработать топологию платы, оптимально разместив компоненты.
Монтаж компонентов
При монтаже компонентов на плату необходимо соблюдать технологию пайки, использовать качественный припой и флюс. Особое внимание следует уделить правильной установке полярных компонентов. После монтажа нужно внимательно проверить качество пайки и отсутствие замыканий.
Сборка конструкции
На этом этапе производится установка платы в корпус, монтаж органов управления, измерительных приборов и разъемов. Важно обеспечить надежное крепление компонентов и качественную изоляцию. Особое внимание нужно уделить установке радиатора охлаждения для стабилизатора напряжения.

Настройка и проверка
После сборки необходимо произвести настройку и тщательную проверку работы блока питания. Проверяется стабильность выходного напряжения, точность измерительных приборов, работа защиты. Выявленные недостатки устраняются.
Меры безопасности при сборке и эксплуатации
При сборке и использовании лабораторного блока питания необходимо соблюдать следующие меры безопасности:- Использовать качественные изолированные инструменты
- Не работать с устройством под напряжением
- Обеспечить надежную изоляцию всех токоведущих частей
- Использовать предохранители для защиты от перегрузки
- Не превышать максимально допустимую мощность
- Обеспечить хорошую вентиляцию для охлаждения
Соблюдение этих простых правил позволит безопасно собрать и эксплуатировать лабораторный блок питания.
Советы по выбору компонентов для блока питания
При выборе компонентов для сборки лабораторного блока питания следует учитывать несколько важных моментов:
- Трансформатор должен иметь запас по мощности минимум 20-30%
- Выпрямительные диоды выбираются с двукратным запасом по току
- Фильтрующие конденсаторы должны иметь низкое внутреннее сопротивление
- Стабилизатор напряжения устанавливается на качественный радиатор
- Измерительные приборы выбираются с подходящими пределами измерения
Качественные компоненты обеспечат надежную и долговечную работу блока питания. Не стоит экономить на ключевых элементах схемы.

Возможные проблемы при сборке и способы их устранения
При сборке лабораторного блока питания могут возникнуть следующие проблемы:
- Нестабильность выходного напряжения — проверить качество фильтрации и работу стабилизатора
- Сильный нагрев компонентов — улучшить охлаждение, проверить правильность расчетов
- Неточность измерительных приборов — провести их калибровку
- Появление шумов и помех — улучшить экранирование и фильтрацию
Большинство проблем решается путем внимательной проверки монтажа и настройки параметров схемы. При возникновении сложностей рекомендуется обратиться за консультацией к опытным радиолюбителям.
Модификации и улучшения базовой схемы
Базовую схему лабораторного блока питания можно усовершенствовать различными способами:
- Добавить цифровую индикацию напряжения и тока
- Реализовать режим стабилизации тока
- Добавить возможность программного управления
- Реализовать защиту от переполюсовки на выходе
- Добавить вентилятор охлаждения с терморегулятором
Модификации позволят расширить функциональность устройства и сделать его более удобным в использовании. Однако усложнение схемы требует более глубоких знаний и опыта.

Уроки по пайке для радиолюбителей и электронщиков
17
В этой рубрике собраны все статьи про пайку с примерами. Есть статьи про и про BGA и про SMD пайку. А также гайды по ремонту техники с примерами.
23. 01. 2023 · Просмотры:
Post Views: 14
Качество пайки зависит не только от хорошего припоя и флюса, но и от надежного паяльника. Выбор первого паяльника для начинающего радиолюбителя может как добавить энтузиазм к изучению электроники, так и убавить….
Далее
17. 08. 2020 · Просмотры:
Post Views: 681
Оплетка для снятия припоя позволяет быстро и качественно удалить лишний припой с платы или контактов радиодеталей. Также с ее помощью можно безопасно и без перегрева выпаивать радиодетали. Из чего состоит и какой…
Далее
05. 06. 2020 · Просмотры:
Post Views: 602
Очень часто у радиолюбителей во время ремонта наушников возникают сложности с пайкой проводов.
Эти провода эмалированы. То есть, они изолированы друг от друга изоляцией. Эту изоляцию не так просто залудить…
Далее
11. 05. 2020 · Просмотры:
Post Views: 1 003
Очень часто в сервисных центрах ремонтируют платы методом прогрева. Так делают с BGA микросхемами. У BGA микросхем контакты присоединяются с помощью шариков. Эти шарики из-за механических внешних повреждений (из-за…
Далее
15. 04. 2020 · Просмотры:
Post Views: 677
Основная проблема во время пайки LED лент — это плохое распределение припоя и неаккуратность. Это объясняется плохим нагревом контактов. А что если взять жало больше, поставить температуру выше? Тогда расплавится…
Далее
06. 04. 2020 · Просмотры:
Post Views: 1 335
Как надежно соединить две детали или две поверхности? Можно попробовать скрутку, но это долго и не эффективно.
Далее
02. 03. 2020 · Просмотры:
Post Views: 1 641
Паяльная паста — это смесь припоя и флюса. Широко применяется для пайки SMD и планарных микросхем. Она отличается от обычного проволочного припоя своей пастообразной формой. Паста мягкая, и содержит в себе свинцовые…
Далее
13. 02. 2020 · Просмотры:
Post Views: 1 609
Пайка проводки не всегда простая задача. Начинающие радиолюбители часто прибегают к использованию паяльной кислоты. Это фатальная ошибка. Все провода паяются канифолью без каких-либо трудностей. Пайка многожильных…
Далее
24. 01. 2020 · Просмотры:
Post Views: 2 193
Микрофоны, как и любые части электроники, часто ломаются из-за внешних воздействий.
Примером внешних воздействий являются попадание воды, грязи на микрофон, а также механические повреждения. Если вам не помогла его…
Далее
05. 09. 2019 · Просмотры:
Post Views: 4 985
Паяльная кислота — это высокоактивный флюс. Вступает в реакцию с металлом, даже после пайки. Разъедает окислы, оксидную пленку и отлично лудит сложные участки. Радиолюбители и электронщики (особенно в интернете)…
Далее
Страница 1 из 212»
Путь от схемы до устройства. Часть 1: навесной монтаж • EnableDevice
EnableDevice Мастерская,Технологии и материалы
Процесс превращения схемы в функционирующее устройство наиболее актуален для начинающего (да и не только) радиолюбителя.
Информации на эту тему много, но судя по тому что об этом приходится довольно часто рассказывать, эта тема очень актуальна. Потому я и решил написать несколько небольших заметок. В дальнейшем, вероятнее всего, появятся более развернутые статьи на эту тему. А пока постараюсь обойтись без лишней воды, только суть и фотографии.
На самом деле способов изготовления устройств очень много, от самых известных типа ЛУТ и до экзотических типа электроэрозионного способа изготовления плат. Я же затрону самые известные из них. Мы начнем с самого простого способа, в котором не понадобится ничего кроме радиодеталей, а закончим вполне качественной платой с паяльной маской и шелкографией. Если вам интересно такое развитие событий, то добро пожаловать.
В качестве устройства выберем что-то не очень сложное. Думаю, классический мультивибратор вполне подойдет.
Рис.1 СхемаДля настоящих начинающих.
Мультивибратор — это не «гы-гы», а всего лишь генератор импульсов, который в нашем случае будет попеременно мигать светодиодами.
У нас все готово, тогда начинаем.
И первый вариант — навесной монтаж.
Как видно из названия, все элементы устройства находятся на весу, и в самом простейшем случае, несущей конструкцией являются выводы радиодеталей. И сразу совет для начинающего радиолюбителя: сборка любого устройства начинается с подбора комплектующих и подготовки рабочего места. Очень неприятна ситуация, когда приходится в куче хлама искать нужную деталь или инструмент. Это раздражает и отвлекает, старайтесь этого избегать.
Схема есть, детали подготовлены, из инструментов нам понадобятся только кусачки и пинцет. Можно приступать к сборке. Сборка все же подразумевает начальные знания в области электроники, а значит с полярностью резисторов вы не напутаете, а вот цоколевку транзистора на схеме разместить можно, это поможет при сборке.
Очень удобным помощником является, так называемая «третья рука», с ней пайка проходит заметно веселее.
Собранное устройство не смотря на свой «несерьезный» вид вполне работоспособно.
- Способ прост, и не требует каких-либо дополнительных материалов.
- Позволяет довольно быстро оценить работоспособность схемы.
- Подходит для освоения навыков пайки.
- Низкая механическая прочность собранной конструкции.
- Не особо подходит для устройств серьезнее мигалки. Да, встречаются шедевры навесного монтажа, но это уже при должном опыте и любви к искусству.
Следующий способ чем-то похож на навесной монтаж, но в качестве основы устройства используется плотный картон. Перед сборкой чертим расположение деталей на листе бумаги. Давным-давно, когда паяльники были большими, эта увлекательная процедура делалась при помощи листа в клетку, простого карандаша и стирательной резинки. Сейчас же можно воспользоваться одной из программ для трассировки печатных плат (DipTrace, SprintLayout и т.п.). Дорожки рисовать пока рано, а вот расположить элементы и распечатать заготовку уже можно. После чего наклеиваем распечатанную заготовку на картон и вырезаем по периметру.
Для чего это нужно? Прокалываем иголкой отверстия под выводы деталей, и в результате все выглядит ровно, красиво, и расположено на своих местах. Да еще и бонусом на нашей «плате» получается, так называемая, шелкография с обозначением элементов. Такую конструкцию собирать гораздо проще. Собственно, именно с расположения элементов начинается создание настоящей платы, к чему мы еще вернемся, так что этот навык пригодится. А пока паяем наш девайс. Если не хотите чтобы следы флюса образовали малоприятные пятна картоне, можете подкладывать под выводы тот же картон. Токоведущими дорожками как и прежде являются выводы деталей.
Полностью собранное устройство. Как можно заметить, оно уже больше похоже на настоящее. А ведь все только начинается…
- Метод по прежнему прост, требуется лишь картон, который обычно есть под рукой.
- Вполне презентабельный вид, особенно когда речь идет о макетировании.
- Прочность по прежнему довольно низкая. Например, если устройство попадет под дождь и картон размокнет, оно автоматически перейдет в разряд навесного монтажа.

Эти способы были представлены больше для ознакомления. Впрочем, это вовсе не значит что ими нельзя пользоваться. Существует масса ситуаций, когда такие способы будут вполне к месту. В следующей части рассмотрим материал, из которого изготавливаются настоящие печатные платы — фольгированный стеклотекстолит. И не просто рассмотрим, а попробуем на нем собрать нашу мигалку.
Какова правильная температура пайки?
Автор Мэтью Уоллакер
Поиск идеальной температуры пайки приходит с практикой, но вы можете получить преимущество с помощью этих советов.
Как паять — это обязательный навык для каждого энтузиаста DIY. Для достижения наилучших результатов вы должны приобрести паяльную станцию, позволяющую контролировать температуру. Но какова правильная температура пайки?
Мы подробно рассмотрим, как правильная температура пайки поможет вам получить гладкие соединения.
Какую температуру пайки следует использовать?
Правда в том, что на этот вопрос нет универсального ответа. Температура плавления легированного припоя, который является наиболее распространенным типом припоя, составляет от 360 до 370 градусов по Фаренгейту (или от 180 до 190 градусов по Цельсию, если вы привыкли использовать метрическую систему).
Итак, температура вашего паяльника должна быть выше на 68-86 градусов по Фаренгейту (от 20 до 30 градусов по Цельсию).
Как найти лучшую температуру пайки
Если вы все еще изучаете основы пайки, вам может потребоваться некоторое время, прежде чем вы сможете уверенно установить температуру пайки, прежде чем приступить к работе. Чтобы облегчить вашу работу, вот несколько вещей, на которые вы должны обратить внимание при пайке:
Припой Тип : Вы можете разделить припои на два типа в зависимости от их состава — свинцовые и бессвинцовые. Припой на основе свинца представляет собой комбинацию свинца и олова и становится жидким при температуре 374 градуса по Фаренгейту (190 градусов по Цельсию).
Из-за проблем со здоровьем и окружающей средой бессвинцовый припой стал популярной альтернативой.
Бессвинцовый припой имеет более высокую температуру плавления, около 544 градусов по Фаренгейту (или 230 градусов по Цельсию). Для достижения наилучших результатов вам следует ознакомиться с таблицей температур пайки Питера Виса.
Размер наконечника для утюга : Вы должны использовать наконечник для утюга, который подходит для данной работы. Большой железный наконечник будет иметь лучшую теплопередачу из-за большой контактной поверхности. Таким образом, вы можете установить более низкую температуру. Наконечник меньшего размера будет не таким эффективным, но даст вам большую точность при пайке.
Кроме того, если наконечник утюга грязный, вы столкнетесь с неэффективной передачей тепла. Когда это произойдет, припой может не расплавиться полностью, и в итоге вы получите «холодные соединения». В этом случае вам придется исправить свою ошибку, отпаяв.
Итак, очищайте паяльные инструменты, когда закончите их использовать, чтобы облегчить себе жизнь.
Ваш опыт: Если у вас большой опыт пайки проводов и электроники, вы можете установить более высокую температуру. Но если вы только начинаете, высокая температура может повлиять на компоненты, которые вы спаиваете, особенно если вы недостаточно быстры.
Практика делает ваши навыки пайки совершенными
Теперь, когда вы лучше понимаете, как выбрать правильную температуру пайки, вы можете вернуться к своему рабочему месту. Как уже говорилось, вам придется протестировать несколько настроек на вашей паяльной станции, пока вы не найдете правильный, поэтому будьте терпеливы, пока вы осваиваете свое ремесло. И если вам все еще нужна практика, когда дело доходит до пайки, есть и другие способы соединения проводов, которые вы можете попробовать.
Пайка против пайки
Если вы не можете отличить пайку от пайки, это нормально. И пайка, и пайка — похожие процессы.
Но есть небольшая разница в температуре, при которой выполняется процесс. Если вы хотите узнать подробности и найти точную разницу, читайте дальше.
В этой статье вы найдете подробную информацию о процедурах пайки и пайки. Вы также найдете краткое сравнение между этими двумя процессами. Итак, если вам интересно узнать больше, давайте начнем.
Описание
О пайкеПайка — это процедура соединения двух или более металлов. Это не связано с плавлением основного металла. Используется присадочный металл, который плавится при температуре более 450 градусов и проходит через два металла, которые необходимо соединить. Как только присадочный металл течет, он использует капиллярное действие, чтобы соединить металлические детали вместе.
Вот некоторые характеристики пайки:
- Использование расплавленного наполнителя: Как было сказано ранее, пайка включает в себя нагрев и плавление присадочного материала.
Когда он высыхает или становится твердым, он прочно соединяет металлические детали. - Присадочный сплав: Используемый присадочный материал обычно представляет собой сплав с более низкой температурой плавления, чем у основных металлов.
- Различные типы металлов: Используя этот процесс, вы можете соединять разнородные металлы, такие как никель, серебро, золото и даже медь.
- Прочность: При правильном выполнении пайка может привести к плотному соединению металлов. Однако соединение не такое прочное, как при сварке.
- Для использования этого процесса требуется более низкая температура и мощность.
- Вы можете использовать его для соединения разнородных металлов.
- Прочность соединения выше, чем при пайке
- К основному металлу приложено небольшое напряжение.
Хорошо подходит для соединения деликатных металлов.
- Прочность соединения ниже, чем при сварке
- Иногда флюс может содержать токсичные материалы
Теперь пайка — это процесс, аналогичный пайке. При пайке вы снова используете присадочный металл для соединения основного материала. Однако температура материала наполнителя никогда не превышает 450 градусов. Он также работает с использованием капиллярного действия.
Присадочные материалы проникают между двумя металлами до тех пор, пока пустое пространство не будет закупорено. И во время этого процесса основные материалы не плавятся. Опять же, температура плавления наполнителя должна быть ниже, чем у металлов, которые вы соединяете.
Преимущества и недостатки пайки Преимущества пайки- Требует меньшей мощности и температуры по сравнению с пайкой и сваркой
- Можно соединять металл с тонкими стенками
- Можно соединять разнородные металлы
- Нет необходимости в термической обработке после процесса
- Нельзя использовать температуру выше 450 градусов, что является ограничением
- Прочность соединения ниже по сравнению с пайкой и сваркой
- Вы не можете объединять большие разделы, используя этот процесс
Давайте поймем разницу между пайкой и пайкой с помощью сравнительной таблицы: –
| Факторы | Пайка | Пайка |
|---|---|---|
| Температура | Использование при температуре ниже 450° | Использует температуру более 450° |
| Применение | В основном используется в электронной промышленности | Используется в электронных схемах, трубопроводной арматуре, автомобильной промышленности |
| Процедура | Без предварительного нагрева основного металла | Требуется предварительный нагрев основного металла |
| Прочность | Соединения более прочные | Более слабые соединения по сравнению с пайкой |
| Стоимость | Этот процесс дешевле | Это дороже, чем пайка |
.
Процедуры пайки и сварки обеспечивают прочные и прочные соединения.
Однако, если вы хотите выбрать один процесс для конкретной цели, что это будет? Ну, чтобы узнать об этом, пожалуйста, обратитесь к следующим ключевым соображениям: —
Когда дело доходит до соединения больших сборок, лучше всего использовать сварку. Это потому, что большие сборки имеют тенденцию производить больше тепла. И это может затруднить достижение точки текучести наполнителя. Сварка производит сильное тепло, что делает ее эффективной при работе с большими сборками.
2. Толщина металлаЕсли вы соединяете металлические детали толщиной 12,7 мм и более, лучше предпочесть сварку. Однако, если секции тоньше, пайка превосходна. Это потому, что процесс пайки включает более низкие температуры. И в таких случаях меньше шансов проколоть металлическую поверхность.
Но если использовать сварку для тонких срезов, сильный нагрев может разорвать поверхность. По этой причине сварка не является предпочтительной для тонких профилей.
Вы можете производить соединения как пайкой, так и сваркой. Если вы хотите соединить два металла в одной точке, вам может помочь сварка. Потому что жар локальный. Электрическое сопротивление производит много тепла в течение нескольких секунд и также является экономичным.
Однако, если у вас есть линейные соединения, лучше припаять. Это связано с тем, что для перемещения тепла от одного конца к другому потребуется много времени. И это может произойти мгновенно, если вы используете пайку. Это потому, что наполнитель быстро перемещается в нестабильные суставы.
4. Эстетика или внешний вид Некоторые процедуры соединения, такие как водопроводные краны, стеклянные рамы и украшения, кажутся превосходными. И если вы имеете в виду такое применение, пайка является отличным выбором. При пайке вы заметите небольшое скругление. Однако в случае сварки вы увидите валик неправильной формы.
Соединение разнородных металлов может быть сложной задачей. Но пайка делает эту работу легкой. Пайка может обеспечить прочное соединение без изменения свойств основного материала. Однако используемый наполнитель должен быть совместим с металлами, которые вы хотите соединить. Также температура плавления наполнителя должна быть ниже по сравнению с основными материалами.
Сейчас трудно соединить разнородные металлы с помощью сварки. Это потому, что при сварке необходимо расплавить основной металл. А если температуры плавления двух металлов близки, процесс может оказаться слишком дорогим. Пайка здесь поставляется с решением. Вы можете выбрать совместимый наполнитель. Вы даже можете соединять неметаллы, такие как оксид алюминия, алмаз, карбид вольфрама и т. д., используя технику пайки.
6. Объем работы Если нужно управлять меньшим количеством сборок, можно сделать это вручную. В противном случае предпочтительна машинная сварка.


Когда он высыхает или становится твердым, он прочно соединяет металлические детали.
Хорошо подходит для соединения деликатных металлов.