Какие существуют основные виды схем распределительных устройств. Как выбрать оптимальную схему РУ. Какие факторы учитывать при проектировании распределительных устройств различных классов напряжения.
Классификация распределительных устройств по конструктивному исполнению
Распределительные устройства (РУ) являются важнейшим элементом электрических подстанций и служат для приема и распределения электроэнергии. По конструктивному исполнению РУ подразделяются на следующие основные типы:
- Открытые распределительные устройства (ОРУ)
- Закрытые распределительные устройства (ЗРУ)
- Комплектные распределительные устройства (КРУ)
- Камеры сборные одностороннего обслуживания (КСО)
Каковы особенности и области применения каждого типа РУ? Открытые РУ используются преимущественно на напряжениях 35 кВ и выше. Их основные преимущества — простота конструкции и низкая стоимость. Однако ОРУ занимают значительные площади и подвержены воздействию окружающей среды.

Закрытые РУ применяются на напряжениях до 35 кВ включительно. Они компактнее открытых и защищены от внешних воздействий, но требуют сооружения специального здания. КРУ и КСО представляют собой полностью укомплектованные ячейки заводской готовности. Их использование позволяет существенно сократить сроки монтажа подстанций.
Основные схемы первичных соединений распределительных устройств
Выбор оптимальной схемы первичных соединений является важнейшей задачей при проектировании РУ. От схемы зависят надежность электроснабжения, возможность проведения ремонтных работ, гибкость эксплуатации. Какие факторы учитываются при выборе схемы РУ?
- Класс напряжения
- Число и мощность присоединений
- Требования к надежности электроснабжения
- Перспектива развития
- Условия РЗА
Рассмотрим наиболее распространенные схемы первичных соединений РУ различных классов напряжения.
Схемы РУ 6-10 кВ
Для РУ 6-10 кВ наиболее широко используются следующие схемы:
- Одиночная несекционированная система шин
- Одиночная секционированная система шин
- Двойная секционированная система шин
Какие особенности имеет каждая из этих схем? Одиночная несекционированная система шин — самая простая и дешевая схема. Она применяется при небольшом числе присоединений и невысоких требованиях к надежности. Основной недостаток — низкая надежность, так как повреждение шин приводит к отключению всех потребителей.

Одиночная секционированная система шин повышает надежность за счет секционирования. При этом авария на одной секции не затрагивает другую. Двойная секционированная система обеспечивает еще более высокую надежность и гибкость, но является самой дорогой.
Схемы РУ 35-220 кВ
Для РУ 35-220 кВ применяются более сложные схемы, обеспечивающие высокую надежность:
- Мостиковые схемы
- Схема с одной рабочей и обходной системой шин
- Схема с двумя рабочими и обходной системой шин
- Схема с двумя выключателями на присоединение
Какие преимущества дают эти схемы? Мостиковые схемы позволяют сохранять транзит мощности при отключении любого выключателя. Схемы с обходной системой шин обеспечивают возможность замены выключателей без отключения присоединений. Схема с двумя выключателями на присоединение имеет наивысшую надежность.
Схемы РУ 330 кВ и выше
На напряжениях 330 кВ и выше используются наиболее надежные схемы:
- Полуторная схема
- Схема четырехугольника
- Схема трансформатор-шины
В чем заключаются особенности этих схем? Полуторная схема обеспечивает высочайшую надежность за счет того, что на каждое присоединение приходится 1,5 выключателя. Схема четырехугольника применяется при наличии четырех присоединений. Схема трансформатор-шины используется на подстанциях с двумя трансформаторами.

Выбор оптимальной схемы распределительного устройства
Выбор схемы РУ является сложной многокритериальной задачей. Какие основные факторы необходимо учитывать?
- Требуемый уровень надежности электроснабжения
- Число и мощность присоединений
- Перспектива развития подстанции
- Условия работы релейной защиты
- Экономические показатели
Как правильно выбрать схему РУ? Необходимо рассмотреть несколько вариантов схем, удовлетворяющих техническим требованиям. Затем провести технико-экономическое сравнение вариантов и выбрать оптимальный по совокупности технических и экономических показателей.
Современные тенденции в развитии схем распределительных устройств
Развитие электроэнергетики ставит новые задачи перед проектировщиками РУ. Какие современные тенденции наблюдаются в этой области?
- Применение КРУЭ вместо традиционных ОРУ
- Использование цифровых подстанций
- Внедрение интеллектуальных систем управления
- Повышение компактности оборудования
Как эти тенденции влияют на схемы РУ? Применение КРУЭ позволяет существенно уменьшить площадь подстанций. Цифровые технологии дают возможность реализовать более сложные алгоритмы управления. Интеллектуальные системы обеспечивают адаптивное управление режимами работы РУ.

Особенности проектирования распределительных устройств цифровых подстанций
Цифровые подстанции — одно из ключевых направлений развития современной электроэнергетики. Какие особенности имеют РУ цифровых подстанций?
- Применение цифровых измерительных трансформаторов
- Использование оптических систем передачи данных
- Реализация распределенных систем защиты и управления
- Внедрение средств предиктивной диагностики
Как эти особенности влияют на схемы РУ? Цифровые измерительные трансформаторы позволяют отказаться от громоздких аналоговых устройств. Оптические системы связи обеспечивают высокую помехозащищенность. Распределенные системы защиты повышают надежность и гибкость РУ. Предиктивная диагностика дает возможность своевременно выявлять предаварийные состояния оборудования.
Заключение
Выбор оптимальной схемы распределительного устройства — сложная инженерная задача, требующая учета множества факторов. Правильно спроектированное РУ обеспечивает надежное и экономичное функционирование электрической подстанции. Современные тенденции развития электроэнергетики открывают новые возможности для совершенствования схем и конструкций распределительных устройств.

Схемы и типы распределительных устройств
Распределительное устройство (РУ) – это электротехническая установка для приема и распределения электрической энергии по потребителям на одном напряжении. РУ состоит из коммутационных аппаратов и соединяющих их сборных шин, а также защитных и коммутационных устройств.
Виды распределительных устройств
- Камеры сборные (КСО)
- Комплектные распределительные устройства (КРУ)
- Пункты коммерческого учета
- Комплектные трансформаторные подстанции (КТП)
- Пункты автоматического регулирования напряжения
- Панели распределительных щитов (ЩО)
- Шкафы распределительные низковольтные
- Шкафы учета электроэнергии наружной установки для коттеджей.
- Устройства контроля напряжения.
- Главный распределительный щит (ГРЩ)
Кратко о том, для чего нужны все перечисленные распределительные устройства, вы можете прочесть здесь, в одном из наших материалов.
Мы же рассмотрим, какого рода схемы используются в этих устройствах для их функционирования.
Классификация распределительных устройств
- Открытые (ОРУ) и закрытые (ЗРУ)
ОРУ – силовые проводники находятся вне здания и не имеют защиты от внешних воздействий. Рабочее напряжение тока для них – 27,5 кВ. Такие устройства популярны за счет нетрудоемкого монтажа, простого сервисного обслуживания и модернизации.
ЗРУ – у них проводники расположены в зданиях или в отдельных помещениях. Как вариант – в шкафах на улице, то есть, с защитой от внешних факторов. Рабочее напряжение – 35 кВ. Есть ЗРУ и повышенного напряжения, то есть до 800 кВ, используемое в холодных климатических зонах и средах с неблагоприятными атмосферами, например, в чересчур влажной местности.
Пример вводно-распределительного устройства шкафного типа
- Традиционные и функциональные
Традиционные – все устройства управления, приборы и индикаторы расположены на лицевой стороне.
Функциональные – это целевые РУ с функционирующими устройствами, которые, в свою очередь, включают в себя коммутационную аппаратуру и соединения для установки и подключений.
РУ подразделяются и по видам функциональности:
- Главные – прием электроэнергии от станций и генераторов
- Линейные – делят поступающую электроэнергию по отдельным линиям без смены напряжения
- Понижающие или повышающие – для преобразования электроэнергии в оборудовании, трансформирующем электричество
- Для личных нужд – для поступления электричества на станции или подстанции
На основе чего выбирается тип схемы?
Схемы, на которых работает вводно-распределительное устройство, подбираются в зависимости от количества присоединений и действующего рабочего напряжения. Кроме этих двух факторов на выбор схемы также влияют:
- Тип электростанции
- Число и мощность генераторов
- Кол-во связующих линий связи с энергосистемой, а также категория их ответственности
- Схема и уровень напряжения энергосистемных электросетей энергосистемы
- Показатели токов короткого замыкания
- Возможности для работы РУ по той или иной предполагаемой схеме
- Тип самого устройства – ЗРУ, ОРУ, КРУ, КРУЗ
Классификация по структуре используемых схем
Если отталкиваться от структуры схем, то распределительные устройства бывают 2-х типов:
- Радиальные – источники электроэнергии и присоединения (это трансформаторы, линии электропередачи, средства компенсации реактивной мощности и т.
д.) находятся на сборных шинах, из-за чего авария на шинах выведет из строя всю секцию или устройство - Кольцевые – схема представляет собой кольцо с ответвлениями присоединений и подводов питания
Больше преимуществ – у последнего варианта. Кольцевая схема позволяет добавлять в распределительное устройство новые элементы, а кроме того исключена ситуация с выводов из строя всей секции из-за малейших неполадок на шине.
Теперь перейдем к самим схемам. Определяющий фактор их выбора для радиального или кольцевого РУ – это общее число выключателей на одно присоединение. В зависимости от этого выделяют 4 вида схем:
С коммутацией присоединения 1-м выключателем:
- 1 или 2 системы шин с обходной шинной системой или без неё
С коммутацией присоединения 2-мя выключателями:
- две системы шин с тремя выключателями на два присоединения (схема 3/2, полуторная)
- две системы шин с четырьмя выключателями на три присоединения (схема 4/3)
- многоугольники (треугольник, четырехугольник, пятиугольник, шестиугольник)
С коммутацией присоединения 3-мя и более выключателями:
- связанные многоугольники
- генератор—трансформатор—линия с уравнительно-обходным многоугольником
- трансформаторы—шины
Существуют и упрощённые схемы, где общее число выключателей меньше, чем кол-во присоединений:
- Блочные
- Ответвления от проходящих линий (комбинирование блочных схем)
- Мостики
- Расширенный четырехугольник
- Заход—выход
Важно помнить, что при выборе схем распределительных устройств подстанций необходимо учитывать такие основные параметры, как итоговое количество присоединений (линий и трансформаторов), характер требований к надежности электроснабжения потребителей и к обеспечению транзита мощности через подстанцию в трех режимах:
- Нормальном
- Ремонтном
- Послеаварийном
Кроме того, если вы решили купить распределительное устройство, стоит иметь в виду, что рабочие схемы для распределительных устройств должны формироваться с учетом перспективы развития сети.
Комплектация распределительных устройств
Независимо от классификации, распределительные устройства в стандартной комплектации имеют следующие компоненты:
· Медные шины PE и N. Соединение шины PE и проводов осуществляется при помощи шайб и гаек. Для улучшения качества крепления можно применять гроверные шайбы. Выполнение всех работ требует использование дополнительных инструментов. НА шине PE должно оставаться место для подключения проводников. Шина N используется для установки нулевых проводников электросети.
· Автоматы ввода или сгруппированные плавкие предохранители. Используются для монтажа вводного кабеля. Номинал должен соответствовать проекту системы электроснабжения. Автоматы нужны для защиты проводки от перегрузки, КЗ, внезапного отключения электропитания для проведения обслуживания.
· Разрядники или ограничители напряжения. Монтируются после вводных автоматов.
Они служат для активации защиты ВРУ при импульсной перегрузке.
· Блоки автоматов распредсетей отдельных групп. При монтаже электросети предусмотрена группировка подачи электроэнергии. Каждая группа обеспечивает подачу в отдельное помещение и нуждается в защитных автоматах. При необходимости – монтируется аппаратура, подразумевающая защитное отключение. Если монтируются автовыключатели, следует убедиться, что нагрузка равномерно распределяется по фазам. Чтобы вычислить количество необходимых автоматов, нужно учитывать коэффициент на спрос.
· Провода и коммутационные клемники. Каждый провод имеет свой цвет. Красный для фазы, голубые – провода, PE окрашивают в желто-зеленый цвет. Маркировка выполняется на концах. Лучше окрашивать фазные шины в собственный цвет или выполнить пометку 1,2,3 и т.д. Все провода должны быть обеспечены изоляцией по отдельности.
Приборы и аппаратура, описанные выше – основные. Кроме них можно использовать дополнительное оборудование, например, блок учета для учета расхода электроэнергии.
Типовые схемы распределительных устройств — Студопедия
Поделись
При выборе схем распределительных устройств подстанции следует учитывать число присоединений (линий и трансформаторов), требования надежности электроснабжения потребителей и обеспечения транзита мощности через подстанцию в нормальном, ремонтных и послеаварийных режимах. Схемы подстанций должны формироваться таким образом, чтобы была возможность их поэтапного развития. При возникновении аварийных ситуаций должна быть возможность восстановления электроснабжения потребителей средствами автоматики. Число и вид коммутационных аппаратов выбираются таким образом, чтобы обеспечивалась возможность проведения поочередного ремонта отдельных элементов подстанции без отключения других присоединений.
К схемам подстанций предъявляются требования простоты, наглядности и экономичности. Эти требования могут быть достигнуты за счет унификации конструктивных решений подстанции, которая наилучшим образом реализуется в случае применения типовых схем электрических соединений распределительных устройств.
Рассмотрим наиболее характерные типовые схемы распределительных устройств, нашедшие широкое применение при проектировании подстанций с высшим напряжением 35–750 кВ. К простейшим схемам относятся блочные схемы линия – трансформатор с разъединителем (рис. 14.4, а) и выключателем (рис. 14.4, б). На этих и последующих схемах указаны области рекомендуемых номинальных напряжений. Первая схема может использоваться для подстанций, присоединенных к линиям без ответвлений (рис. 14.4, а), если защита линии со стороны центра питания охватывает трансформатор либо предусмотрен телеотключающий импульс на отключение линии от защиты трансформатора. Вторая схема применяется также для подстанций, подключенных к ответвлениям от линий (рис. 14.3, б).
Для двухтрансформаторной подстанции, питающейся от двух параллельных линий, может быть применена схема с двумя блоками с выключателями в цепи трансформаторов и перемычкой, содержащей два последовательно включенных разъединителя Р1 и Р2 (рис. 14.4, в).
Такое включение разъединителей позволяет осуществлять их поочередный ремонт одновременно с соответствующим блоком линия – трансформатор. На практике находятся в эксплуатации подстанции, выполненные по упрощенным блочным схемам, в которых в качестве коммутационных аппаратов используются отделители и короткозамыкатели. Принципы работы таких схем подробно описаны в курсе «ЭУСиП». В связи с конструктивными недостатками этих аппаратов и отрицательным воздействием их работы на выключатели смежных подстанций при коротких замыканиях на вновь сооружаемых подстанциях эти схемы применять не рекомендуется.
Один из вариантов схемы по типу мостика с выключателями в цепях линий и ремонтной перемычкой со стороны линий показан на рис. 14.5. Такая схема применяется в радиальных линиях и линиях с двухсторонним питанием с заходом их на подстанции (рис. 14.3, в, з). Здесь на четыре присоединения (две линии и два трансформатора) устанавливается три выключателя.
На подстанциях с двумя линиями и двумя трансформаторами может быть использована схема, в которой число выключателей равно числу присоединений. При этом включение и отключение каждого присоединения производится двумя выключателями – схема по типу четырёхугольника (рис. 14.6). Недостатком схемы является то, что она не позволяет увеличивать количество линий. На напряжении 220 кВ эта схема рекомендуется при мощности трансформаторов 125 МВ⋅А и более.
При числе линий три и более рекомендуется ряд типовых схем распределительных устройств со сборными системами шин. Наиболее простая схема выполняется с одной секционированной системой шин (рис. 14.7, а). В ней каждая линия и каждый трансформатор подключены к одной из секций шин, между которыми установлен секционный выключатель СВ. Более сложная схема содержит также одну секционированную систему шин, но в ней добавляется обходная система шин (рис. 14.7, б).
Секции шин I и II соединяются между собой секционным выключателем СВ.
Дополнительно предусмотрен обходной выключатель ОВ, предназначенный для соединения посредством соответствующих разъединителей одной или другой секции шин с обходной системой шин. Такая схема позволяет использовать обходной выключатель для замены выключателя любого присоединения при необходимости вывода его в ремонт. Здесь, также как и в схеме по рис. 14.7, а, каждое присоединение в нормальном режиме подстанции может быть подключено только к одной из секций шин.
Такая схема позволяет использовать обходной выключатель для замены выключателя любого присоединения при необходимости вывода его в ремонт. Здесь, так же как и в схеме по рис. 14.7, а, каждое присоединение в нормальном режиме подстанции может быть подключено только к одной из секций шин. В соответствии с рекомендациями в схеме с одной секционированной системой шин и обходной системой шин количество радиальных линий должно быть не более одной на секцию. При невыполнении этого условия с числом линий до 13 применяют схему c двумя несекционированными системами и обходной системой шин (рис.
14.7, в).
В ней I и II рабочие системы шин соединены между собой с помощью шиносоединительного выключателя ШСВ. Обходной выключатель ОВ посредством соответствующих разъединителей позволяет соединить обходную систему шин с I или II рабочей системой шин. Отличие данной схемы от схемы с одной рабочей секционированной системой шин заключается в том, что каждое присоединение (линия, трансформатор) в зависимости от требуемого режима подстанции может быть подключено с помощью соответствующих разъединителей к I и II системе шин. Обходной выключатель, так же как и в схеме с одной секционированной системой шин, позволяет поочередно выводить в ремонт выключатель любого присоединения без его отключения.
Наметившаяся тенденция применения элегазовых и вакуумных выключателей, не требующих ремонта практически в течение всего срока службы, вместо масляных и воздушных, видимо, будет позволять переход к упрощенной схеме распределительных устройств с двумя системами шин без обходной системы шин (рис.
14.8).
При числе линий более 13 в схеме по рис. 14.7, в, применяют секционирование I и II рабочей системы шин и дополнительно предусматривают второй обходной выключатель.
Для ответственных системообразующих подстанций напряжением 330–750 кВ используют более надежные схемы, предусматривающие подключение присоединений к шинам не одним выключателем, а двумя и более. На рис. 14.9, а, приведена схема трансформатор – шины с присоединением линий через два выключателя, которая рекомендуется на подстанциях 330–500 кВ при четырех линиях, а на подстанциях 750 кВ – при трех линиях. Здесь каждая линия подключается через выключатель к I и II системе шин, а трансформаторы присоединены непосредственно к шинам. Таким образом, отключение любой линии производится двумя выключателями, а любого трансформатора – числом линейных выключателей, подключенных к соответствующей системе шин.
В полуторной схеме на каждое присоединение приходится 1,5 выключателя (рис.
14.9, б). Ее применяют в распределительных устройствах 330–750 кВ при числе линий 6 и более. Отключение любой линии и любого трансформатора производится двумя вылючателями. При этом связь между I и II системами шин сохраняется.
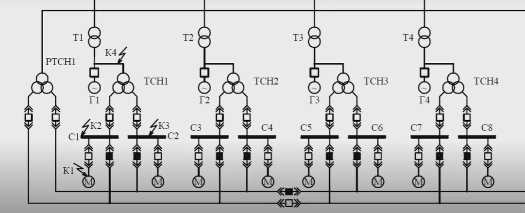
Наиболее характерные схемы распределительных устройств 10(6) кВ, присоединяемых к распределительным устройствам высшего и среднего напряжения (РУ ВН, РУ СН) подстанций 35 – 750 кВ показаны на рис. 14.10, 14.11. При одном трансформаторе используется одна несекционированная система шин (рис. 14.10, а), при двух трансформаторах – одна секционированная система шин (рис. 14.10, б, рис. 14.11, а).
Если на подстанции предусматриваются трансформаторы с расщепленными обмотками, то создается схема с двумя секционированными системами шин, т. е. фактически образуются четыре секции шин (рис. 14.11, б).
академических программ и специальностей | Университет Рузвельта
Перейти к основному содержаниюПоказать все программы
Поиск
Программы по типам
Программы по колледжам
Сертификаты
Укажите местоположение программы:
Все Чикаго Шаумбург онлайн Университетский центр колледжа Харпер
Бухгалтерская криминалистика, MSAF
Магистр
Чикаго
Онлайн
Бухгалтерский учет, BSBA
Major, Минор
Чикаго
Шаумбург
Бухгалтерский учет, MSA
Магистр
Чикаго
Шаумбург
Действующий, BFA
Майор
Чикаго
Актуарные науки, BA или BS
Major
Чикаго
Актуарная наука, MS
Магистр
Чикаго
Бакалавр компьютерных наук, BS
Major
Чикаго
Бакалавр радиографии, BS
Major
Чикаго
Двуязычное образование ESL, несовершеннолетний
Несовершеннолетний
Чикаго
Биохимия, БС
Майор
Чикаго
Шаумбург
Биология, бакалавр или бакалавр наук
Специальность
Чикаго
Шаумбург
Биология, MS
Магистр
Чикаго
Шаумбург
Биомедицинские науки, MA
Магистр
Чикаго
Шаумбург
Биотехнология, МС
Магистр
Чикаго
Шаумбург
Brass, BM, MM или Diploma
Major, магистр, Диплом
Чикаго
Деловое администрирование, MBA
Магистр
Чикаго
Шаумбург
Онлайн
Незначительная химия
Незначительная
Чикаго
Шаумбург
Классическая гитара, BM, MM или Diploma
Майор, Незначительный, Диплом
Чикаго
Клиническое консультирование по вопросам психического здоровья, Массачусетс
Магистр
Чикаго
Клиническая психология, практика консультирования, MA
Магистр
Чикаго
Шаумбург
Клиническая психология, PsyD
Докторантура
Чикаго
Информатика, MS
Магистр
Чикаго
Конфликт и посредничество, MACM
Магистр
Чикаго
Творческое письмо, MFA
Магистр
Чикаго
Уголовное правосудие, BA
Вариант ускоренного обучения, Главный, бакалавриат онлайн, Несовершеннолетний
Чикаго
Онлайн
Криминальное правосудие, BA
Major
Университетский центр Harper College
Cyber Security and Information Assurance Major, BS
Major
Chicago
Кибербезопасность и обеспечение информации, MS
Магистр, Выпускник Онлайн
Чикаго
Data Analytics Major, BS
Major
Чикаго
Диагностическая медицинская сонография, BS
Major
Чикаго
Шаумбург
Цифровой маркетинг, реклама и связи с общественностью, BA
Вариант ускоренного обучения, Главный, Минор
Чикаго
Лидерство преподавателей двух языков, Массачусетс
Магистр
Чикаго
Шаумбург
Дошкольное образование, BA
Майор
Чикаго
Дошкольное образование, Массачусетс
Магистратура
Чикаго
Экономика, бакалавр
Специальность, Минор
Чикаго
Образование и молодежные исследования, BA
Специальность, Минор
Чикаго
Начальное образование, бакалавриат
Специальность
Чикаго
Университетский центр колледжа Харпер
Начальное образование, MA
Магистр
Чикаго
Университетский центр Harper College
English Major, BA
Major
Чикаго
Науки об окружающей среде, несовершеннолетний
Несовершеннолетний
Чикаго
Шаумбург
Упражнения, питание и наука о здоровье, BA
Майор
Чикаго
Киноведение, второстепенное
Второстепенное
Чикаго
Финансы, BSBA
Вариант ускоренного обучения, Главный, Минор
Чикаго
Шаумбург
Изобразительное искусство, Незначительное
Незначительное
Чикаго
Общая психология, MA
Магистр, Выпускник Онлайн
Онлайн
Графический дизайн, BA
Major, Минор
Чикаго
Администрация медицинских наук, BA
Major, Бакалавриат Онлайн
Онлайн
Управление медицинских наук, BA
Major
Университетский центр Harper College
Испановедение, несовершеннолетний
несовершеннолетний
Чикаго
История, бакалавриат
Специальность, Минор
Чикаго
История, Массачусетс
Магистр
Чикаго
История, степень магистра/сертификат в области архивов и ресурсов и услуг культурного наследия
Магистр
Чикаго
Гистотехнология, BS
Major
Чикаго
Менеджмент в сфере гостеприимства и туризма, БШТМ
Специальность, Минор
Чикаго
Шаумбург
Менеджмент в сфере гостеприимства и туризма, MSHTM
Магистр
Чикаго
Управление человеческими ресурсами, BSBA
Вариант ускоренного обучения, Major
Чикаго
Шаумбург
Университетский центр Harper College
Управление человеческими ресурсами, МСХРМ
Магистр, Выпускник Онлайн
Чикаго
Онлайн
Промышленная/организационная психология, MA
Магистр
Чикаго
Промышленная/организационная психология, MA/MBA
Магистр
Чикаго
Майор информационных технологий, BA
Майор
Чикаго
Учебное лидерство, MA
Магистр
Чикаго
Шаумбург
Международные исследования, BA
Major, Минор
Чикаго
Джаз и современная музыка, BM
Major
Чикаго
Журналистика и медиа-исследования, BA
Major, Минор
Чикаго
Юридические исследования, несовершеннолетний
Несовершеннолетний
Чикаго
Лидерство в области грамотности, MA
Магистр
Шаумбург
Управление, BSBA
Опция ускоренного мастерства, Мейджор
Чикаго
Шаумбург
Маркетинговые коммуникации, MSIMC
Магистр
Чикаго
Маркетинг, BSBA
Вариант ускоренного обучения, Мейджор
Чикаго
Шаумбург
Математика, степень бакалавра или бакалавра
Вариант ускоренной магистратуры, Главный, Минор
Чикаго
Математика, MS
Магистр
Чикаго
Медицинские технологии, бакалавриат
Специальность
Чикаго
Среднее детское образование, BA
Major
Чикаго
Среднее образование, MA
Магистр
Чикаго
Музыка и вычислительная техника, BA
Major
Чикаго
Музыкальная композиция, BM или MM
Мажор, Незначительный, Магистр
Чикаго
Музыкальное образование, BM или Музыкальное образование и исполнительское мастерство Double Major, BM
Майор
Чикаго
Музыкальное искусство, BMA
Major
Чикаго
Танцевальный музыкальный театр, BFA
Major
Чикаго
Музыкальный театр, BFA
Major
Чикаго
Технологии ядерной медицины, BS
Major
Chicago
Сестринское дело, БСН
Майор
Чикаго
Opera, PED
Диплом
Чикаго
Оркестровые исследования, MM или диплом
Магистр, Диплом
Чикаго
Организационное развитие, MA
8-недельный график занятий, магистр, Выпускник Онлайн
Онлайн
Организационное лидерство, BAOL
Опция ускоренного мастера, Главный, 8-недельный график занятий, Бакалавриат Онлайн
Онлайн
Шаумбург
Основные параюридические исследования, BA
Основные, бакалавриат онлайн, Минор
Чикаго
Шаумбург
Онлайн
Перкуссия, BM, MM или Diploma
Майор, магистр, Диплом
Чикаго
Управление исполнительских искусств, Массачусетс
Магистр, Выпускник Онлайн
Чикаго
Онлайн
Фармация, PharmD
Докторантура
Шаумбург
Философия, бакалавр
майор, Минор
Чикаго
Фортепиано, BM, MM или диплом
Майор, магистр, Диплом
Чикаго
Политология, BA
Вариант ускоренной магистратуры, Главный, Минор
Чикаго
Майор психологии, BA
Майор, Бакалавриат Онлайн
Чикаго
Онлайн
Шаумбург
Государственное управление, MPA
Магистр
Чикаго
Лучевая терапия, BS
Major
Чикаго
Недвижимость, BSBA
Major, Минор
Чикаго
Недвижимость, MSRE
Магистр
Чикаго
Школьное консультирование, Массачусетс
Магистр
Чикаго
Специальное образование по второму языку, MA
Магистр, Выпускник Онлайн
Онлайн
Среднее образование (ускоренная программа среднего образования от бакалавра до магистра), MA
Вариант ускоренной магистратуры, Главный, Магистр
Чикаго
Среднее образование, MA
Магистр
Чикаго
Среднее образование, дополнительное образование
Дополнительное образование
Чикаго
Социальное предпринимательство, BSBA
Опция ускоренного мастера, Майор
Чикаго
Исследования социальной справедливости, BA
Major, Минор
Чикаго
Социология, бакалавр
Специальность, Минор
Чикаго
Специальное образование, BA
Специальность
Чикаго
Специальное образование, MA
Магистр
Чикаго
Статистика, Незначительная
Незначительная
Чикаго
Струнные, BM, MM или Diploma
Major, Незначительный, Диплом
Чикаго
Исследования в области устойчивого развития, BA
Вариант ускоренной магистратуры, Главный, бакалавриат онлайн, Несовершеннолетний
Чикаго
Онлайн
Педагогика Suzuki, MM или диплом
Магистр, Диплом
Чикаго
Театральная режиссура, MA
Магистр
Чикаго
Обучение и развитие, MA
Магистр, Выпускник Онлайн
Онлайн
Голос, BM или MM
Основной, Магистр
Чикаго
Женские и гендерные исследования, BA
Major, Минор
Чикаго
Деревянные духовые инструменты, BM, MM или Diploma
Major, магистр, Диплом
Чикаго
Письмо, минор
минор
Чикаго
Университет Рема | Обучение последователей тому, как стать лидерами
Добро пожаловать на
«ОБУЧЕНИЕ ПОСЛЕДОВАТЕЛЕЙ, ЧТОБЫ СТАТЬ ЛИДЕРАМИ»
Подать заявку сегодня
Добро пожаловать на
«ОБУЧЕНИЕ ПОСЛЕДОВАТЕЛЕЙ, ЧТОБЫ СТАТЬ ЛИДЕРАМИ»
Подать заявку сегодня
Добро пожаловать на
«ОБУЧЕНИЕ ПОСЛЕДОВАТЕЛЕЙ, ЧТОБЫ СТАТЬ ЛИДЕРАМИ»
Подать заявку сегодня
ОБРАЗОВАНИЕ
, ЧТО ДЕЛАЕТ
В RU мы предлагаем комплексную ускоренную академическую программу для всех наших студентов, желающих получить высшее образование на своих условиях.

Каждый курс построен таким образом, чтобы максимально увеличить ваш учебный опыт, применяя полученные знания для достижения личных и управленческих целей.
Запрос информации
ПРОГРАММЫ БУДУЩЕГО
Университет Рема готовится к получению национальной аккредитации, которая последует за Школой бизнеса и Медицинской школой RU.
Мы приглашаем вас стать частью Университета Рема.
Подробнее
RU Новости
ОбновленияКонгрессмена Раджу Кришнамути встретили представители Университета Рема.
Доктор Роджер Ричардсон и члены команды RU встречаются с конгрессменом Раджей Кришнамути в его офисе в столице штата. Конгрессмену были вручены официальные цвета Университета в знак признания его инклюзивного лидерства и выдающихся результатов голосования в Палате представителей США.

Наш президент встречается с лидером движения за гражданские права, преподобным Джесси Джексоном, чтобы помочь в организации встречи, посвященной вопросам здоровья жителей городских районов. Доктора Роджера Ричардсона также приветствовал сын преподобного Джексона, избранный конгрессмен Джонатан Джексон.
Миссис Мишель Клифтон
Новый член правления
Мы хотели бы официально поприветствовать г-жу Мишель Клифтон в качестве нового члена правления Университета Рема. Ее страсть к росту и развитию людей в ее сообществе окажет прямое влияние, поскольку она передает местное и глобальное видение RU.
Подробнее
Онлайн-капелланство
Обновленный курс
Университет Рема продолжает расширять и корректировать свои курсы в соответствии с потребностями своих студентов. Мы с гордостью сообщаем, что наша программа капелланов теперь доступна онлайн, где студенты могут работать в любое время из любой точки мира.
Подробнее
Доктор Рауль Видаль
НОВЫЙ дополнительный кампус
Университет Рема приветствует доктора Видала в качестве нового посла. Доктор Видал открыл дополнительный кампус в Калифорнии. С помощью Университета Рема д-р Видал в настоящее время предоставляет комплексное образование студентам в своем районе.
Подробнее
Священник, доктор Луис Мондака
Новый партнер
RU официально приветствует г-на Мондака. В качестве нового посла Университета Рема он начал устанавливать новые отношения с RU, чтобы обеспечить качественное образование для студентов как на международном, так и на местном уровне.
Подробнее
Доктор Джейкоб Агепог
Директор приемной комиссии Индия
Доктор Агепог назначен директором приемной комиссии в Индии. Доктор Агепог позволил RU начать предоставлять больше для людей, нуждающихся в образовании в Индийском регионе.
Подробнее

д.) находятся на сборных шинах, из-за чего авария на шинах выведет из строя всю секцию или устройство