Что такое инструментальный усилитель на ОУ. Как работает инструментальный усилитель. Какие преимущества у инструментального усилителя. Где применяются инструментальные усилители. Как рассчитать коэффициент усиления инструментального усилителя.
Принцип работы инструментального усилителя на ОУ
Инструментальный усилитель представляет собой специализированную схему на основе операционных усилителей, предназначенную для усиления слабых дифференциальных сигналов. Его ключевые особенности:
- Высокий коэффициент усиления дифференциального сигнала
- Высокое входное сопротивление
- Хорошее подавление синфазной помехи
- Низкий дрейф и шум
- Простая регулировка коэффициента усиления одним резистором
Классическая схема инструментального усилителя содержит три операционных усилителя и семь резисторов. Рассмотрим принцип ее работы подробнее.
Структура инструментального усилителя
Инструментальный усилитель состоит из двух каскадов:
- Входной дифференциальный каскад на двух ОУ
- Выходной дифференциальный усилитель на одном ОУ
Входной каскад обеспечивает высокое входное сопротивление и предварительное усиление. Выходной каскад выполняет окончательное усиление и подавление синфазной составляющей.
Как работает входной каскад
Входной каскад образован двумя неинвертирующими усилителями на ОУ1 и ОУ2. Их коэффициент усиления задается отношением резисторов:
K1 = 1 + 2R1/Rg
где R1 — постоянные резисторы, Rg — переменный резистор регулировки усиления.
Таким образом, входной каскад усиливает дифференциальный сигнал в (1 + 2R1/Rg) раз.
Работа выходного каскада
Выходной каскад представляет собой дифференциальный усилитель на ОУ3. Он вычитает выходные сигналы входного каскада, усиливая разностный сигнал и подавляя синфазную составляющую.
Коэффициент усиления выходного каскада равен K2 = R3/R2.
Преимущества инструментального усилителя
Инструментальный усилитель обладает рядом важных преимуществ по сравнению с обычным дифференциальным усилителем:
Высокое входное сопротивление
Благодаря использованию неинвертирующих усилителей во входном каскаде, инструментальный усилитель имеет очень высокое входное сопротивление — до сотен мегаом. Это позволяет подключать его к высокоомным источникам сигнала без шунтирования.
Отличное подавление синфазной помехи
Коэффициент ослабления синфазного сигнала (КОСС) у инструментальных усилителей достигает 120 дБ и выше. Это обеспечивает эффективное подавление наводок и помех, действующих на оба входа.
Простая регулировка усиления
Коэффициент усиления инструментального усилителя легко регулируется одним резистором Rg. При этом не нарушается симметрия схемы и не ухудшаются ее параметры.
Низкий дрейф и шум
Симметричная структура обеспечивает хорошую температурную стабильность и низкий уровень шумов. Дрейф напряжения смещения составляет единицы мкВ/°C.
Области применения инструментальных усилителей
Благодаря своим уникальным свойствам, инструментальные усилители широко применяются в различных областях:
Измерительная техника
Инструментальные усилители используются в прецизионных измерительных приборах для усиления слабых сигналов от датчиков. Например:
- Электронные весы
- Тензометрические измерители деформаций
- Термоэлектрические измерители температуры
Медицинская аппаратура
В медицинской технике инструментальные усилители применяются для усиления биопотенциалов:
- Электрокардиографы
- Электроэнцефалографы
- Электромиографы
Аудиотехника
В звуковой аппаратуре инструментальные усилители используются как малошумящие предусилители для микрофонов и звукоснимателей.
Расчет коэффициента усиления инструментального усилителя
Общий коэффициент усиления инструментального усилителя определяется формулой:
K = (1 + 2R1/Rg) * R3/R2
Для упрощения расчетов часто принимают R2 = R3. Тогда коэффициент усиления задается только резистором Rg:
K = 1 + 2R1/Rg
Величину Rg можно рассчитать по формуле:
Rg = 2R1/(K — 1)
Где R1 — номинал постоянных резисторов (обычно 25-50 кОм), K — требуемый коэффициент усиления.
Выбор компонентов для инструментального усилителя
При разработке инструментального усилителя важно правильно выбрать компоненты схемы:
Операционные усилители
Для инструментального усилителя следует выбирать прецизионные ОУ с малым смещением, низким шумом и высоким КОСС. Хорошо подходят:
- AD8221 — малошумящий инструментальный усилитель
- INA128 — прецизионный инструментальный усилитель
- AD620 — недорогой инструментальный усилитель общего назначения
Резисторы
Для обеспечения высокой точности и температурной стабильности рекомендуется использовать:
- Прецизионные резисторы с допуском 0.1% или лучше
- Резисторы с низким ТКС (не более 25 ppm/°C)
- Согласованные пары резисторов для симметричных плеч
Особенности применения инструментальных усилителей
При использовании инструментальных усилителей следует учитывать некоторые нюансы:
Защита входов
Для защиты от перенапряжения на входах инструментального усилителя рекомендуется устанавливать ограничительные диоды.
Подключение источника сигнала
Для уменьшения синфазной помехи источник сигнала должен быть гальванически развязан от схемы усилителя. При невозможности развязки следует использовать симметричное подключение.
Экранирование
Для снижения наводок входные цепи инструментального усилителя нужно тщательно экранировать. Экран подключается к общему проводу схемы.
Интегральные инструментальные усилители
Помимо дискретных схем, существуют готовые интегральные инструментальные усилители в одном корпусе. Их преимущества:
- Малые габариты
- Лучшее согласование параметров
- Более низкая стоимость
- Простота применения
Популярные модели интегральных инструментальных усилителей:
- AD620 — классический инструментальный усилитель
- INA118 — прецизионный усилитель с низким потреблением
- AD8221 — малошумящий усилитель с высоким КОСС
Сравнение инструментального и дифференциального усилителей
Инструментальный усилитель имеет ряд преимуществ перед обычным дифференциальным усилителем:
| Параметр | Инструментальный усилитель | Дифференциальный усилитель |
|---|---|---|
| Входное сопротивление | Очень высокое (>10 МОм) | Средне-высокое (100 кОм — 1 МОм) |
| КОСС | Очень высокий (>100 дБ) | Средний (60-80 дБ) |
| Регулировка усиления | Простая (одним резистором) | Сложная (несколькими резисторами) |
| Точность | Высокая | Средняя |
| Сложность | Выше | Ниже |
Ограничения инструментальных усилителей
При всех достоинствах, инструментальные усилители имеют и некоторые ограничения:
Ограниченная полоса пропускания
Из-за сложной структуры полоса пропускания инструментальных усилителей обычно не превышает 1-2 МГц. Для высокочастотных приложений требуются специальные решения.
Чувствительность к разбалансу резисторов
Для обеспечения высокого КОСС требуется хорошее согласование резисторов. Разброс номиналов более 0.1% может значительно ухудшить параметры.
Сложность схемы
Инструментальный усилитель содержит больше компонентов, чем простой дифференциальный. Это усложняет разработку и повышает стоимость устройства.
Заключение
Инструментальный усилитель является мощным инструментом для усиления слабых дифференциальных сигналов в присутствии сильных помех. Его уникальные свойства делают его незаменимым во многих областях измерительной техники и электроники. Правильное применение инструментального усилителя позволяет создавать высокоточные измерительные системы с отличными характеристиками.
Инструментальный усилитель на ОУ. Принцип работы
Главная » Справочник » Инструментальный усилитель на ОУ. Принцип работы
Есть изобретения, которые гениальны в своей простоте. Инструментальный усилитель является одним из них. Он работает также как и дифференциальный усилитель, но свободен от его недостатков, сохраняя при этом простоту схемы.
Название инструментальный усилитель происходит от английского Instrumentation Amplifier. В отечественной литературе его также именуют измерительный усилитель.
Инструментальный усилитель широко используются в различных измерительных устройствах из-за нескольких очень полезных свойств, которых другие усилители не имеют.
Самым большим плюсом является возможность регулировки усиления при помощи всего одного резистора! Просто используя один обычный потенциометр (желательно с логарифмической характеристикой), можно быстро изменять коэффициент усиления в зависимости от потребности.
Кроме того, инструментальные усилители легко «скрещиваются» с цифровыми системами, давая поразительные возможности.
Примером такого симбиоза аналоговой и цифровой техники являются усилители с программно регулируемым коэффициентом усиления. Существуют интегрированные инструментальные усилители с интерфейсом I2C или SPI, которые можно легко комбинировать с любым микроконтроллером.
Идя дальше по этому пути, мы можем построить инструментальный прибор, который будет автоматически изменять усиление и диапазоны, чтобы всегда иметь наилучшее разрешение при измерении.
Еще одним преимуществом инструментального усилителя является его высокое входное сопротивление, так как сигналы мы подаем прямо на входы микросхем, не обременяя их дополнительными резисторами. Данный вид усилителя также имеет очень хороший коэффициент ослабления синфазного сигнала (CMRR), то есть хорошо подавляет общий сигнал, усиливая только разницу между входными сигналами.
Давайте посмотрим схему инструментального усилителя. Состоит она из трех операционных усилителей и семи резисторов.
Потенциометр RP регулирует усиление.
Чем больше его сопротивление, тем усиление меньше. Если из схемы убрать этот резистор, оставив разрыв в цепи, то усиление составит 1 (тогда входные усилители станут обычными повторителями напряжения), а работа системы будет ограничиваться только вычитанием входных сигналов.
Как это работает? Обратите внимание, что резисторы R1-RP-R1 образуют делитель напряжения. Что мы можем сказать об этом и что мы можем считать само собой разумеющимся?
Начнем с напоминания себе первого фундаментального правила, которое уже неоднократно цитировалось при обсуждении других схем на операционных усилителях:
Блок питания 0…30В/3A
Набор для сборки регулируемого блока питания…
Подробнее
Правило №1 — операционный усилитель оказывает воздействие своим выходом на вход через ООС (отрицательная обратная связь), в результате чего напряжения на обоих входах, как на инвертирующем (-), так и на неинвертирующем (+) выравнивается.
Таким образом, если напряжения на входах равны, то напряжение на одной ножке RP равно напряжению U1, а на второй равно U2.
Далее, из закона Ома вычислим, какой ток течет через него.
Теперь вспомним еще одно правило:
Правило №2 — входы усилителя не потребляют ток
Таким образом, ток, протекающий через RP течет также через оба резистора R1, в результате чего очевидно возникновение напряжения на их ножках, в соответствии с законом Ома.
Выполнив несколько простых вычислений, мы можем узнать выходные напряжения верхнего и нижнего операционного усилителя. А что с правой стороной схемы? Это обычный дифференциальный усилитель.
Мы можем добавить дополнительную регулировку усиления, как и в дифференциальном усилителе, незначительно изменив схему и добавив резисторы R2 и R3. Таким образом, мы получаем дополнительный множитель или делитель, в зависимости от того, что нам нужно.
Хотя на схеме видно три операционных усилителя, на практике инструментальный усилитель не строят из традиционных операционных усилителей и резисторов.
Существуют готовые микросхемы, у которых все это уже есть внутри, кроме, конечно, переменного резистора RP. Интеграция всех элементов в одном корпусе имеет дополнительное преимущество – монолитный чип является, безусловно, более стабильным в температурном плане. Кроме того, сопротивления резисторов в чипе гораздо точнее обычных резисторов.
И в заключении приведем некоторые модели микросхем инструментального усилителя:
- AD8221 — хорошие параметры за низкую цену
- AD8222 — два инструментальных усилителя в одном корпусе
- AD8226 — с малым потреблением тока
- AD8220 — вход JFET
- AD8228 — хорошая регулировка усиления
- AD8295 — два дополнительных прецизионных операционных усилителя
- AD8429 — низкий уровень шума
Счетчик Гейгера
Высококачественный счетчик Гейгера с высокой чувствительностью для обнаружен…
Подробнее
Categories Справочник Tags ОУ
Отправить сообщение об ошибке.
INA333 – инструментальный усилитель с нулевым дрейфом
22 января 2009
Инструментальный усилитель (ИУ) предназначен для задач, требующих прецизионного усиления с высокой точностью передачи сигнала, а также для работы с различными датчиками благодаря высокому входному сопротивлению, низкому значению напряжения смещения в широком диапазоне температуры работы, точности передачи сигнала и высокой степени подавления синфазных помех.
ИУ относится к классу операционных усилителей с одним принципиальным отличием, связанным с работой исключительно с замкнутыми линейными цепями обратных связей (ОС).
Появление схем инструментальных усилителей было обусловлено стремлением устранить недостатки дифференциальных усилителей (ДУ), построенных на основе классических ОУ. Главный недостаток ДУ — зависимость коэффициента усиления от сопротивления источника сигнала. Благодаря наличию двух дополнительных ОУ перед ДУ удалось достигнуть очень высокого входного сопротивления инструментального усилителя (рис. 1).
Рис. 1. Структурная схема классического инструментального усилителя
Более того, такая схема построения позволяет управлять коэффициентом усиления с помощью одного единственного резистора RKu, при этом отсутствует его влияние на входное сопротивление ИУ.
Изначально серия инструментальных усилителей INA была разработана и производилась компанией Burr-Brown, но впоследствии была полностью выкуплена компанией Texas Instruments.
На данный момент TI не только продолжает производить ИУ, но и занимается активной разработкой новых изделий, добиваясь улучшения их характеристик и параметров (табл. 1).
Таблица 1. Краткие параметры и характеристики серии инструментальных усилителей Texas Instruments
| Наиме- нование | Коэфф. уси- ления | Коэфф. подав- ления син- фазных помех, дБ | Дрейф вход- ного напря- жения сме- щения, мкВ/°C | Коэфф. нелиней- ности в рабочей полосе частот, % | Макси- маль- ный ток утечки по входу | Частот- ный диапа- зон (при G = 100), кГц | Уро- вень спект- раль- ного шума по входу, нВ/√Гц | Мини- маль- ное напря- жение пита- ния, В | Макси- маль- ное напря- жение пита- ния, В | Соб- ствен- ный ток потреб- ления, мА |
|---|---|---|---|---|---|---|---|---|---|---|
| INA101 | 1…1000 | 106 | — | 0,002 | — | 25 | — | ±5 | ±20 | 6,7 |
| INA110 | 1, 10, 100, 1000 | 106 | 2 | 0,01 | 50 пА | 470 | 10 | ±6 | ±18 | 3,0 |
| INA111 | 1…1000 | 106 | 5 | 0,005 | 20 пА | 450 | 10 | ±6 | ±18 | 3,3 |
| INA114 | 1…10000 | 110 | 0,25 | 0,002 | 2 нА | 10 | 11 | ±2,25 | ±18 | 2,2 |
| INA115 | 1…10000 | 110 | 0,25 | 0,002 | 2 нА | 10 | 11 | ±2,25 | ±18 | 2,2 |
| INA116 | 1…1000 | 86 | 5 | 0,005 | 0,025 пА | 70 | 28 | ±4,5 | ±18 | 1,0 |
| INA121 | 1…10000 | 96 | 5 | 0,005 | 50 пА | 50 | 20 | ±2,25 | ±18 | 0,450 |
| INA126 | 5…10000 | 83 | 3 | 0,002 | 25 нА | 9 | 35 | ±1,35 | ±18 | 0,175 |
| INA128 | 1…10000 | 120 | 0,5 | 0,012 | 5 нА | 200 | 8 | ±2,25 | ±18 | 700 |
| INA129 | 1…10000 | 120 | 0,5 | 0,002 | 5 нА | 200 | 8 | ±2,25 | ±18 | 700 |
| INA131 | 100 | 110 | 0,25 | 0,002 | 2 нА | 70 | 12 | ±2,25 | ±18 | 2,2 |
| INA141 | 10, 100 | 117 | 0,5 | 0,002 | 5 нА | 200 | 8 | ±2,25 | ±18 | 0,750 |
| INA103 | 1…1000 | 100 | — | 0,004 | 8 мкА | — | 1 | ±9 | ±25 | 9,0 |
| INA163 | 1…10000 | 100 | — | 0,0006 | 12 мкА | — | 1 | ±4 | ±18 | 10 |
| INA118 | 1…10000 | 107 | 0,5 | 0,002 | 5 нА | 70 | 10 | ±1,35 | ±18 | 0,350 |
| INA122 | 5…10000 | 83 | 3 | 0,002 | 25 нА | 5 | 60 | ±1,1 | ±18 | 0,060 |
| INA125 | 1…10000 | 100 | 2 | 0,012 | 25 нА | 4,5 | 38 | ±1,35 | ±18 | 0,460 |
| INA155 | 10, 50 | 78 | 15 | 0,05 | 50 пА | 110 | 38 | 2,7 | 5,5 | 1,7 |
| INA2126 | 5…10000 | 83 | 3 | 0,012 | 25 нА | 9 | 35 | ±1,35 | ±18 | 0,175 |
| INA2331 | 5…1000 | 90 | 5 | 0,1 | 10 пА | 2000 | 46 | 2,5 | 5,5 | 0,415 |
| INA2332 | 5…1000 | 60 | — | 0,4 | 10 пА | 500 | 46 | 2,5 | 5,5 | 0,415 |
| INA321 | 5…1000 | 90 | 7 | 0,01 | 10 пА | 50 | 100 | 2,5 | 5,5 | 0,040 |
| INA322 | 5…1000 | 60 | 7 | 0,01 | 10 пА | 50 | 100 | 2,5 | 5,5 | 0,040 |
| INA326 | 0,1…10000 | 100 | 0,4 | 0,01 | 2 нА | 1 | 33 | 2,7 | 5,5 | 2,4 |
| INA327 | 0,1…10000 | 100 | 0,4 | 0,01 | 2 нА | 1 | 33 | 2,7 | 5,5 | 2,4 |
| INA331 | 5…1000 | 90 | 5 | 0,1 | 10 пА | 2000 | 46 | 2,5 | 5,5 | 0,415 |
| INA332 | 5…1000 | 60 | 5 | 0,4 | 10 пА | 500 | 46 | 2,5 | 5,5 | 0,415 |
| INA333 | 1…1000 | 100 | 0,1 | 0,001 | 0,2 нА | 3,5 | 50 | 1,8 | 5,5 | 0,050 |
| INA337 | 0,1…1000 | 106 | 0,4 | 0,01 | 2 нА | 1 | 33 | 2,7 | 5,5 | 2,4 |
| INA338 | 0,1…1000 | 106 | 0,4 | 0,01 | 2 нА | 1 | 33 | 2,7 | 5,5 | 2,4 |
Теперь можно вернуться непосредственно к теме статьи — обзору нового инструментального усилителя INA333.
Согласно рекламным анонсам самого производителя, новый ИУ обладает впечатляющим соотношением сигнал-шум, очень низким дрейфом напряжением по входу, способностью работать от источников с низким напряжением (от 1,8 В). Сверхнизкий собственный ток потребления — до 50 мкА — практически определяет область применения INA333: различные прецизионные приложения с низким энергопотреблением, например, портативная медицинская аппаратура, системы сбора данных, электронные весы и переносные измерительные приборы. Внутренняя структурная схема INA333 (рис. 2) построена на основе классической архитектуры из 3-х ОУ (рис. 1), дополненной рядом новых и очень полезных узлов.
Рис. 2. Структурная схема инструментального усилителя INA333
INA333 является в своем роде уникальным инструментальным усилителем, в основном благодаря необычному сочетанию таких «противоречивых» характеристик, как, например, низкий уровень спектрального шума по входу (0,05 мкВ/√Гц в полосе 10…1000 Гц) и сверхмалый собственный ток потребления (максимум до 80 мкА во всем диапазоне температуры работы).
А достижение таких параметров, как беспрецедентно низкий ток утечки по входу (200 пА) и практически полностью отсутствующий дрейф напряжения по входу (0,1 мкВ/°С) в очень широком диапазоне температуры работы (-40…125°С) стало возможным благодаря инновационным разработкам инженеров компании Texas Instruments. Например, технология автокоррекции напряжения смещения по входу встроена в каждый из трех внутренних ОУ в виде законченных узлов. Для сохранения стабильности в процессе работы автокалибровка выполняется каждые 8 мкс. Более того, после подачи питания в течение примерно 100 мкс производится автокалибровка цепей обратной связи, что также положительно сказывается на стабильности рабочих характеристик микросхемы.
Узел режекторного фильтра на переключаемых конденсаторах, включенного на входе, позволяет значительно уменьшить шум напряжения по входу до 50 нВ/√Гц, А специальные ВЧ-фильтры, включенные на все четыре входа INA333, в значительной степени уменьшают влияние внешних радиочастотных помех.
Такое решение способно существенно понизить чувствительность к изменениям напряжения смещения, вызванным радиочастотным полем, что может оказаться важным преимуществом в применениях, требующих стабильности постоянного тока, например, в электронных весах.
Расчет внешних цепей INA333, как и всех других ИУ, построенных по схеме 3-х ОУ, сводится лишь к вычислению сопротивления резистора Rg (табл. 2), определяющего коэффициент усиления микросхемы, по очень простой формуле:
где Ku — коэффициент усиления по напряжению (G в англоязычной терминологии).
Таблица 2. Зависимость сопротивления внешнего резистора Rg от требуемого коэффициента усиления для INA333
| Коэффициент усиления по напряжению | Расчетное сопротивление внешнего резистора Rg | Ближайшее подходящее сопротивление резистора Rg, кОм (1%) |
|---|---|---|
| 1 | ∞ | — |
| 2 | 100 кОм | 100 кОм |
| 5 | 25 кОм | 24,9 кОм |
| 10 | 11,1 кОм | 11 кОм |
| 20 | 5,26 кОм | 5,23 кОм |
| 50 | 2,04 кОм | 2,05 кОм |
| 100 | 1,01 кОм | 1 кОм |
| 200 | 502,5 Ом | 499 Ом |
| 500 | 200,4 Ом | 200 Ом |
| 1000 | 100,1 Ом | 100 Ом |
Стоит отметить, что инструментальный усилитель INA333 подвержен тем же «болезням», что и другие ИУ.
Например, ввиду очень высокого входного сопротивления (100 ГОм) микросхемы, при работе с любыми источниками сигнала, не имеющими непосредственной электрической связи с выводом REF (разумеется, кроме естественной емкостной связи), возможна такая ситуация, когда на обоих входах +IN и -IN возникнет постоянная составляющая, равная или превышающая напряжение питания INA333. В результате этого схема теряет работоспособность. Другими словами, необходима «подтяжка» обоих входов +IN и -IN (высокоомный источник сигнала) или любого из этих входов (низкоомный источник) к выводу REF (рис. 3).
Рис. 3. Типовые схемы подключения INA333 к различным источникам сигнала
Кстати, грамотное использование вывода REF позволяет значительно сократить число внешних компонентов схемы. Пример — использование INA333 в качестве буферного усилителя двуполярного сигнала, который в дальнейшем предполагается оцифровывать подходящим АЦП с однополярным питанием.
В этом случае необходим «сдвиг» выходного сигнала в диапазон работы АЦП. Т.е. для этого достаточно подать на вход REF половину напряжения опорного источника АЦП (например, недорогой LT1004-2.5 от TI), предварительно буферизированного любым подходящим ОУ (например, популярный 1/2 OPA2333 от TI).
Отдельно стоит осветить питание INA333. Как было сказано выше, новый ИУ имеет возможность работы как от однополярных (+1,8…5,5 В) так и от двуполярных источников питания (±0,9…±2,75 В) с очень малым током потребления 50 мкА (при Uпит = 1,8 В). Таким образом, основная область применения INA333 — устройства с батарейным питанием. А учитывая малые размеры корпусов, в которых поставляется микросхема (MSOP-8 и DFN-8), область применения распространяется и на малогабаритные устройства. Например, переносные измерительные приборы, умещающиеся на ладони. На рис. 4 изображено одно из применений INA333 — электрокардиограф.
Рис.
4. Использование INA333 в составе электрокардиографа
Получение технической информации, заказ образцов, поставка —
e-mail: analog.vesti@compel.ru
•••
Три — это много для инструментальных усилителей
Инструментальные усилители на базе трех операционных усилителей (ОУ) в течение долгого времени были отраслевым стандартом в прецизионных схемах, где требуется высокий коэффициент усиления или коэффициент подавления синфазного сигнала. Однако этим усилителям свойственны серьезные ограничения при работе от шины питания с одним источником, что необходимо во многих современных приложениях. В данной статье рассматриваются ограничения обычной архитектуры инструментальных усилителей с тремя ОУ и описывается разработанная и запатентованная компанией Maxim архитектура с косвенной обратной связью по току, обеспечивающая определенные преимущества при питании инструментальных усилителей от одного источника.
Подробный анализ подкрепляется лабораторными осциллограммами.
Применение инструментальных усилителей
Инструментальные усилители используются для усиления малых дифференциальных напряжений в присутствии больших синфазных напряжений, обеспечивая при этом высокий входной импеданс. Это свойство сделало их привлекательными для применения в различных схемах, таких как мостовые интерфейсы тензодатчиков для измерения давления и температуры, датчиков температуры на базе термопар и различных сильно- и слаботочных схем измерения тока.
Инструментальные усилители на базе трех ОУ
Классический инструментальный усилитель на базе трех ОУ (рис. 1) обеспечивает великолепное подавление синфазного сигнала и точную установку дифференциального коэффициента усиления посредством одного резистора. В основе данной архитектуры лежит двухкаскадная конфигурация: первый каскад обеспечивает единичное усиление синфазного сигнала и все (или почти все) дифференциальное усиление, а второй каскад обеспечивает единичное (или малое) дифференциальное усиление и все подавление синфазного сигнала (рис.
2).
Выходной сигнал большинства современных низковольтных усилителей имеет размах, равный напряжению питания (выход rail-to-rail), однако для входных сигналов это не обязательно так. Рассмотрим, тем не менее, работающий от одного источника питания (VCC) инструментальный усилитель на базе трех ОУ с чрезвычайно высоким коэффициентом усиления и входом и выходом rail-torail, аналогичный изображенному на рис. 1.
Чтобы VOUT1 и VOUT2 не достигали уровней шин питания, необходимо обеспечить выполнение следующего неравенства:
Зачастую в схемах устанавливается VREF = 0 (для однополярных входных сигналов) или VREF = VCC/2 (для биполярных входных сигналов).
При VREF = 0 неравенство принимает следующий вид:
При VREF = VCC/2 неравенство принимает следующий вид:
Следствия из этих соотношений лучше всего пояснить на графике (рис. 3).
Серыми областями на рис. 3 обозначен диапазон синфазных входных напряжений (относительно дифференциальных входных напряжений), в котором выходы усилителей на рис.
1 (A1, A2) не будут насыщаться до уровней шин питания. Этот диапазон зависит от VOUT и VREF. Поскольку разность VOUT–VREF — это просто усиленное дифференциальное входное напряжение, допустимый диапазон синфазных входных напряжений меняется в зависимости от дифференциального входного напряжения.
На практике, разумеется, лучше всего по максимуму использовать усиление цепи, то есть максимальное выходное напряжение (VOUT) должно достигаться при максимальном расчетном дифференциальном напряжении на входе. Черными областями на рис. 4 обозначен диапазон синфазных входных напряжений, при которых инструментальный усилитель усиливает максимальное дифференциальное входное напряжение (то есть при максимальном дифференциальном входном напряжении), так что VOUT = 0 или VOUT = VCC.
Как можно видеть, в обоих случаях синфазное входное напряжение существенно ограничено. В частности:
- Если требуется полностью усилить однополярный дифференциальный входной сигнал (устанавливая VREF = 0 и получая диапазон выходных напряжений от 0 до VCC), наряду с сигналом должно присутствовать синфазное напряжение, равное 1/2VCC.
При любом другом синфазном напряжении размах выходного напряжения не достигнет VCC (максимальное дифференциальное входное напряжение уменьшится). Для биполярных дифференциальных входных сигналов (VREF = 1/2VCC) соответствующий диапазон синфазных напряжений, в котором можно достичь размаха выходного напряжения от 0 до VCC, составляет всего от 1/4VCC до 3/4VCC. - В обоих случаях, если бы синфазное напряжение равнялось напряжению «земли» (0 В) или было близким к нему, то усилитель потерял бы способность усиливать дифференциальные напряжения. Поэтому, предполагая, что (желательные) дифференциальные входные напряжения не связаны с (нежелательными) синфазными входными напряжениями, можно заключить, что черные области представляют минимальные и максимальные расчетные значения VCM, при которых сохраняется весь диапазон VOUT. За пределами этой области некоторые сочетания VDIFF и VCM могут привести к недопустимым значениям VCM.
Обратите внимание, что в случае, изображенном на рис. 4a, если требуется изменение VCM во всем диапазоне, допуск по синфазному входному напряжению равен нулю. Проще говоря, синфазные изменения входного сигнала недопустимы.
В силу вышесказанного инструментальные усилители на базе трех ОУ находят лишь ограниченное применение в системах с одним источником питания. В продолжение беседы нелишним будет ответить на два вопроса:
- Что произойдет, если внутренние усилители (A1 и A2) насытятся до уровней шин питания?
- Каковы следствия для архитектур с диапазоном входных напряжений, меньшим напряжения питания (не rail-to-rail)?
Эффекты насыщения входного усилителя
Рассмотрим случай, когда выход усилителя A1 насыщается до уровня «земли». Иными словами, VIN+ > VIN–, и синфазное напряжение находится в области, обозначенной как X на рис. 4 (VDIFF превышает допустимое на ширину серой области).
Поскольку A1 насыщен (VOUT1 = 0), он переходит в компараторный (нелинейный) режим работы, и напряжение на его инвертирующем входе более не будет обязательно равным напряжению на неинвертирующем входе (VIN–).
Усилитель A2 в этом случае действует как неинвертирующий усилитель с коэффициентом усиления, равным 1+R1/(R1+RG) для напряжений на его неинвертирующем входе (VIN+). Для усилителя с высоким коэффициентом усиления RG << R1, и поэтому усилитель A2 действует просто как неинвертирующий усилитель с коэффициентом усиления 2:
Выходное напряжение дифференциального усилителя второго каскада A3 равняется просто разности входных напряжений VOUT1 и VOUT2:
Аналогичным образом, если A2 насыщается до уровня «земли»:
Этот режим работы потенциально опасен для инструментального усилителя на базе трех ОУ. Инструментальный усилитель не только прекращает усиливать дифференциальное входное напряжение, но к тому же вместо плавного ухудшения характеристик по некоторому закону начинает усиливать синфазное входное напряжение относительно дифференциального входного напряжения. Дело усугубляется еще тем, что синфазные напряжения обычно не контролируются и, скорее всего, являются нежелательным шумом, который искажает представляющие интерес сигналы.
Это серьезная проблема, поскольку инструментальный усилитель используется главным образом как раз для того, чтобы устранить такой шум.
Следствия для архитектур с диапазоном входных напряжений, меньшим напряжения питания
Как уже отмечалось, большинство усилителей имеют выход rail-to-rail, но для входных сигналов это не так. Для прецизионных схем проектирование каскадов с входом rail-to-rail представляет особенно трудную задачу, поскольку переход от режима с синфазным напряжением в окрестности VCC к режиму с синфазным напряжением в окрестности напряжения «земли» не может быть идеальным: во время этого перехода между парами n— и p-типов в дифференциальном входном каскаде могут возникать напряжения смещения. Малое значение VOS и высокий коэффициент подавления синфазного сигнала (CMRR) — основные требования к правильно сконструированному прецизионному инструментальному усилителю. Поскольку CMRR = DVOS/DVCM, изменение VOS при изменении синфазного напряжения в переходной области значительно ухудшает номинальное значение CMRR.
Вследствие этого, у большинства прецизионных инструментальных усилителей диапазон входных напряжений обычно меньше напряжения питания, хотя напряжение отрицательной шины (0 В) все же входит в диапазон допустимых синфазных напряжений. Перестроив графики на рис. 3 с учетом рассмотренных ограничений на синфазное напряжение, можно получить графики для инструментального усилителя на базе трех ОУ, работающего от одного источника питания, с учетом входного каскада с диапазоном напряжений, меньшим напряжения питания (рис. 5).
Архитектура с косвенной обратной связью по току
Архитектура с косвенной обратной связью по току — новый подход к проектированию инструментальных усилителей, приобретший чрезвычайную популярность ввиду множества преимуществ. На рис. 6 показана реализация архитектуры с косвенной обратной связью по току в инструментальных усилителях MAX4462 и MAX4209.
Эта новая архитектура предусматривает усилитель с высоким коэффициентом усиления (C) и два усилителя тока, управляемых напряжением (A и B).
Каждый из усилителей A и B преобразует входное дифференциальное напряжение в выходной ток и полностью подавляет синфазное входное напряжение. В стабильной рабочей точке усилителя выходной ток gM-каскада A равен входному току gM-каскада B. Это равенство обеспечивается обратной связью через усилитель C, которая принудительно обеспечивает равенство дифференциального напряжения на входе усилителя обратной связи B дифференциальному напряжению на входах усилителя A. Схема устанавливает определенное значение тока в цепочке выходных резисторов (равное VDIFF/R1). Этот ток также протекает через R2. Поэтому выходное напряжение на выводе OUT — это не что иное, как усиленное дифференциальное входное напряжение (G = 1+R2/R1). Далее на выходе можно установить смещение, подав произвольное опорное напряжение на вход REF, как в стандартном инструментальном усилителе с тремя ОУ.
Изобразив принцип действия компонента на блок-схеме (рис. 7) и сравнив результат с рис. 2, можно увидеть ключевое преимущество.
Промежуточный сигнал в инструментальном усилителе на базе трех ОУ содержит не только усиленное дифференциальное напряжение, но и синфазное входное напряжение. В отличие от этого, в архитектуре с косвенной обратной связью по току содержится только представление дифференциального входного напряжения с небольшой задержкой. Первый каскад обеспечивает все подавление синфазного сигнала. Второй каскад обеспечивает все дифференциальное усиление и увеличивает подавление синфазного напряжения, позволяя при необходимости сместить выход на величину опорного напряжения. В итоге ограничения на синфазное входное напряжение, свойственные инструментальным усилителям на базе трех ОУ, отсутствуют как таковые в архитектуре с косвенной обратной связью по току.
С учетом ограничений на величину синфазного входного напряжения (для входного каскада с диапазоном напряжений, меньшим напряжения питания) переходные характеристики приобретают вид, похожий на графики рис. 8. Черными областями обозначен расчетный диапазон синфазных входных напряжений, в котором доступен весь диапазон выходных напряжений.
Серые области представляют диапазон синфазных входных напряжений, в котором инструментальный усилитель работает так, как ожидается: напряжение на его выходе пропорционально дифференциальному входному напряжению, а синфазное входное напряжение полностью подавляется. Черная область, содержащаяся в серой области, обозначает пределы, в которых доступен весь диапазон выходных напряжений.
Экспериментальные данные
Приведенные ниже результаты экспериментов подкрепляют сделанные выводы о косвенной обратной связи по току. Рассмотрим интегральные схемы MAX4197 и MAX4209H. Обе они представляют собой инструментальные усилители с коэффициентом усиления 100. MAX4197 имеет архитектуру с тремя ОУ, а MAX4209H — архитектуру с косвенной обратной связью по току. Обе схемы имеют VCC = 5 В и VREF = 2,5 В для смещения нулевого выхода устройства.
В данном эксперименте на вход инструментального усилителя подаются сигналы двух типов.
В случае 1 используется дифференциальное напряжение частотой 1 кГц в присутствии высокого синфазного напряжения частотой 100 Гц.
Ожидается, что на выходе инструментального усилителя будет присутствовать только сигнал частотой 1 кГц и не будет составляющих частотой 100 Гц. Входные сигналы можно аппроксимировать следующим образом:
- VIN+ — синусоидальный сигнал с размахом 2 В, частотой 100 Гц и смещением 1 В;
- (VIN+–VIN–) — синусоидальный сигнал с размахом 30 мВ, частотой 1 кГц и нулевым смещением.
В случае 2 используется дифференциальное напряжение частотой 100 Гц в присутствии высокого синфазного напряжения частотой 1 кГц. Ожидается, что на выходе инструментального усилителя будет присутствовать только сигнал частотой 100 Гц и не будет составляющих сигнала частотой 1 кГц. Входные сигналы можно аппроксимировать следующим образом:
- VIN+ — синусоидальный сигнал с размахом 2 В, частотой 1 кГц и смещением 1 В;
- (VIN+–VIN–) — синусоидальный сигнал с размахом 30 мВ, частотой 100 Гц и нулевым смещением.
Приведем результаты.
(Канал 1 — VIN+, канал 2 — VIN–, канал 3 — выходное напряжение инструментального усилителя.)
Результаты для случая 1
На рис. 9a MAX4209H демонстрирует ожидаемый результат. MAX4197 дает ожидаемый результат только в том случае, если синфазное напряжение значительно превышает напряжение «земли» (рис. 9б). Составляющая сигнала частотой 100 Гц явственно присутствует в выходном напряжении MAX4197.
Примечание. Обратите внимание, что составляющая VDIFF частотой 1 кГц слишком мала, чтобы быть заметной на осциллограммах каналов 1 и 2, а VCM частотой 100 Гц преобладает.
Результаты для случая 2
Опять-таки, MAX4209H демонстрирует ожидаемые результаты (рис. 10a). MAX4197 усиливает дифференциальный входной сигнал только в том случае, если синфазное напряжение значительно превышает напряжение «земли» (рис. 10б). Когда синфазное напряжение близко к напряжению «земли», оно присутствует на выходе инструментального усилителя в инвертированном или даже просто в буферизованном виде в зависимости от того, какой из усилителей A1 и A2 насыщается (как объяснялось ранее).
Примечание. Обратите внимание на составляющую VCM (как и на рис. 9) частотой 1 кГц, пробивающуюся поверх желательного выходного напряжения в инструментальных усилителях на базе трех ОУ. Архитектура с косвенной обратной связью по току сохраняет свои великолепные характеристики.
Заключение
Сегодня, в эпоху высокопроизводительной электронной техники потребители требуют не только большей производительности, но и более рациональных схем управления питанием, обеспечивающих более длительное время автономной работы и более экономное расходование энергии. В настоящее время уже идет переход к питанию аналоговых схем одним уровнем напряжения, что меняет способы проектирования и применения электронных устройств. Новаторские архитектуры, такие как архитектура с косвенной обратной связью по току, описанная в настоящей статье, превращают вчерашние мечты в сегодняшнюю реальность.
Для получения дополнительной информации обращайтесь к официальным дистрибьюторам компании Maxim в России — www.
maxim-ic.ru/contact.
23 факта об инструментальном усилителе: полное руководство!
Введение в инструментальный усилительИнструментальный усилитель — это особый тип усилителя, созданный для достижения определенных целей. Инструментальный усилитель обеспечивает более высокое усиление, высокий коэффициент подавления синфазного сигнала (CMRR) и высокое входное сопротивление. Таким образом, мы можем сказать, что он пытается обладать большинством характеристик идеального операционного усилителя.
Инструментальный усилитель часто называют In-Amp или InAmp. В этой статье мы подробно обсудим схему, конструкцию, формулы и уравнения, относящиеся к инструментальному усилителю.
Инструментальный усилитель с 3 операционными усилителямиТипичный инструментальный усилитель состоит из 3 обычных операционных усилителей. Два из них используются в одноэтапном режиме, а другой используется для разделения этапа. Все три усилителя работают как дифференциальный усилитель, и все они связаны с отрицательной обратной связью.
Поскольку инструментальные усилители состоят из трех усилителей, их часто называют усилителями с тремя операционными усилителями.
На изображении ниже представлена типичная принципиальная схема инструментального усилителя. Внимательно наблюдайте за изображением, так как мы собираемся ссылаться на фото в остальной части статьи.
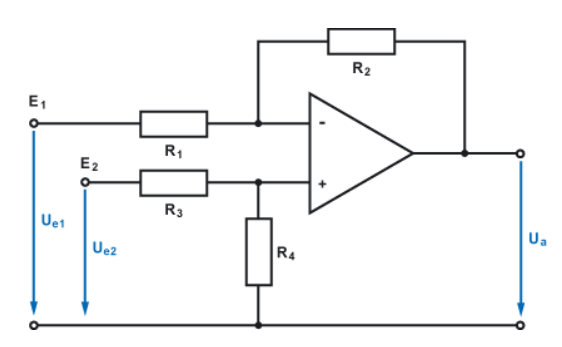
Инструментальный усилительВходные напряжения — Vi1 и Vi2.
Сопротивления: R1 (2), R2 (2), R3, R4 (2).
Напряжение на клеммах A и B составляет VA и VB соответственно.
Ток через ветви R4, R3 и R4 равен I.
Выход усилителя -1 — это Vo1, а выход усилителя -2 — это Vo2.
Выход 3rd усилитель Vout.
Инструментальный усилитель представляет собой комбинацию из 3-х типовых усилителей. Они подключаются в определенном порядке для создания инструментального усилителя. Мы можем разделить конструкцию инструментального усилителя на две части.
Первая часть — «Два входа и два выхода».
Подключены два стандартных операционных усилителя, как показано на схеме усилителя. Оба они имеют отрицательную обратную связь, так как она больше стабилизирует схему. К выходу обоих усилителей подключены три резистора.
Вторая часть — это базовая «Дифференциальный усилитель». Выход обоих предыдущих усилителей действует как вход для последнего усилителя. Выходы соединены с усилителем двумя резисторами одинакового номинала. Положительная часть заземлена, отрицательная обратная связь связана с отрицательной клеммой, а вывод этого операционного усилителя является конечным выходом инструментального усилителя.
Инструментальный усилительВыведем функциональные уравнения и формулы для инструментального усилителя. Чтобы вывести уравнения, дайте нам знать, что происходит внутри всего инструментального усилителя. Как мы уже упоминали ранее, разделение на две стадии мы рассчитаем частично.
На первом этапе вход подается на неинвертирующие клеммы обоих усилителей.
Усилитель представляет собой дифференциальные усилители. Итак, они узнают разницу между заданными входными напряжениями. Теперь обратимся к принципиальной схеме; входные напряжения — Vi1 и Vi2. Инвертирующий вывод схемы подключен к отрицательной обратной связи с выхода усилителей. Допустим, инвертирующие клеммы обоих усилителей имеют потенциалы VA и VB соответственно. Они появляются в узле соединения с линиями сопротивления и ответвления.
Учитывая виртуальное короткое замыкание, клеммы A и B получают такое же напряжение, как и входы. Итак, можно сказать, что VA = Vi1, VB = Vi2. Вся ступень работает как дифференциальный усилитель. Это означает, что разница между двумя входными напряжениями будет увеличиваться на выходе. На выходе снова будет разница между двумя выходными напряжениями. Это можно выразить следующим образом:
Vo1 — Vo2 = k (Vi1 — Vi2)
Здесь k — коэффициент усиления усилителя.
На втором этапе разность усилителей подается на вход усилителя.
Усилитель на этом этапе просто работает как обычный усилитель. Сопротивления, связанные с информацией, имеют те же значения, что и требования дифференциальных усилителей. Инвертирующий вывод связан с землей, а усилитель имеет виртуальную землю. В следующем разделе мы проведем математические расчеты инструментального усилителя.
Входные напряжения — Vi1 и Vi2.
Если виртуальное замыкание работает, то VA = Vi1 и VB = Vi2
Теперь ток от A и B к ветви сопротивления отсутствует. Через ветвь проходит только типичный ток, и это ток I. ‘I’ задается как:
I = (Vi1 — Vi2) / R3.
Текущее «I» также можно рассчитать с помощью узлового анализа. Это происходит следующим образом.
I = (Vo1 — Vo2) / (R4 + R3 + R4)
Или (Vo1 — Vo2) = (Vi1 — Vi2) * (R3 + 2R4) / R3
Приведенное выше уравнение объясняет работу первой ступени. Для второго каскада выход операционного усилителя является конечным выходом инструментального усилителя.
Исходя из работы разностного усилителя, мы можем записать, что,
Vout = (R2 / R1) x (Vo2 — Vo1)
Или Vout = (R2 / R1) x (R3 + 2R4) x (Vi1 — Vi2) / R3
Это уравнение инструментального усилителя или уравнение выхода инструментального усилителя. Теперь посмотрим на раздел этой статьи, посвященный производным. Vo1 — Vo2 = k (Vi1 — Vi2). Полученное уравнение имеет тот же формат.
Коэффициент усиления инструментального усилителяКоэффициент усиления усилителя называется коэффициентом усиления входного сигнала усилителем. Значения сопротивления представляют собой коэффициент усиления инструментального усилителя. Коэффициент усиления также зависит от типа используемой обратной связи. Положительная обратная связь обеспечивает более высокий коэффициент усиления, тогда как отрицательная обратная связь обеспечивает лучшую стабильность системы.
Общее уравнение инструментального усилителя: Vo1 — Vo2 = k (Vi1 — Vi2), представляя усиление как: «k».
Как упоминалось ранее, коэффициент усиления усилителя может быть получен из выходного уравнения усилителя. Выходное уравнение выглядит следующим образом:
Vout = (R2 / R1) x (R3 + 2R4) x (Vi1 — Vi2) / R3
Сравнивая это уравнение со следующим уравнением:
Vo1 — Vo2 = k (Vi1 — Vi2)
Мы можем написать,
k = (R2 / R1) x (R3 + 2R4) / R3, это формула усиления инструментального усилителя.
Инструментальный усилитель ICТипичные усилители объединены в интегральную схему или микросхемы. Итак, если мы хотим создать инструментальный усилитель с использованием обычных операционных усилителей, мы должны использовать микросхемы операционных усилителей. Также имеется отдельная ИС для инструментальных усилителей. Нет необходимости соединять один операционный усилитель с другим. Эти типы ИС используются в коммерческих целях, когда одновременно используется большее количество ИС.
Модули инструментальных усилителей представляют собой комбинацию нескольких электронных устройств, главным из которых являются инструментальные усилители. Два превосходных инструментальных усилителя — AD623, AD620.
Модули используются непосредственно в устройствах медицинской техники малой мощности, усилителях сигналов малой мощности, термопарах. Вот некоторые из характеристик: а) более высокий коэффициент усиления, б) лучшая стабильность, в) низкая мощность, г) высокая точность.
Список микросхем инструментального усилителяПоскольку инструментальный усилитель может быть построен с использованием различных микросхем, мы составили список всех микросхем, которые можно использовать для инструментальных усилителей. Номера IC приведены в списке.
| Название СК | Спецификация IC | Комментарии |
| Инструментальный усилитель | INA128 | Одночиповый.![]() |
| Двойной инструментальный усилитель | INA2128 | 16-контактный IC |
| Типичный операционный усилитель | LM324 | У ИС было четыре усилителя. |
| Инструментальный усилитель | AD623 | Восьмиконтактная ИС с одним инструментальным усилителем |
| Прецизионный инструментальный усилитель | AD624 | 16-контактный IC |
| Операционный усилитель | IC741 | Четырехконтактная микросхема работает как единое целое с операционным усилителем. |
Производительность инструментального усилителя постепенно увеличивается после подключения тензодатчика. Усилитель обеспечивает более высокий коэффициент CMRR, более высокое входное сопротивление и, таким образом, улучшает характеристики.
Подробное подключение инструментального усилителя к весоизмерительной ячейке показано на рисунке ниже.
Каждый операционный усилитель имеет свое напряжение смещения. Напряжение смещения определяется как необходимое напряжение, которое должно быть приложено между двумя входами, чтобы свести на нет разницу между ними, и это значение смещения для каждого операционного усилителя указано в таблице данных, предоставленной производителем. Для инструментальных усилителей напряжение смещения значительно меньше, что желательно.
Форма выходного сигнала инструментального усилителяЧтобы наблюдать за выходом инструментального усилителя, мы должны подключить его к CRO (электронно-лучевому осциллографу). Мы предоставляем вход в виде синусоидальных волн в качестве двух входных сигналов, и работа измеряется с последнего усилителя. Коаксиальные датчики подключаются к контактам для наблюдения за формой выходного сигнала.
На изображении ниже показан результат. Выход — это усиленная разница между приложенными входными напряжениями.
Передаточная функция системы относится к процессу, который описывает или предоставляет выходные данные для каждого входа. Поскольку усилитель принимает два входа и усиливает их, передаточная функция будет отражать то же самое. Передаточную функцию можно записать как:
Vo1 — Vo2 = k (Vi1 — Vi2)
Здесь Vi1 и Vi2 — два входа, а k — коэффициент усиления.
Двойной инструментальный усилительСдвоенный инструментальный усилитель — это особый вид инструментального усилителя, обладающий высокой точностью. Он разработан определенным образом, чтобы обеспечить высокий коэффициент усиления, большую точность при минимальном размере ИС. Он также имеет низкое напряжение смещения. При более широкой полосе пропускания и подключенном внешнем резисторе двойной усилитель может обеспечить усиление до 10,000 XNUMX.
Микросхема INA2128 используется в качестве сдвоенного инструментального усилителя. Некоторыми важными приложениями двойного инструментального усилителя являются усилители датчиков, медицинские инженерные устройства, и оборудование на батарейках.
Инструментальный усилитель против операционного усилителя| Ориентиры | Операционный усилитель | Инструментальный усилитель |
| Базовая структура | Создание биполярных переходных транзисторов или металлооксидных полевых транзисторов. | Сборка из трех дифференциальных усилителей |
| Gain | Нормальное усиление | Более высокое усиление |
| Буферное соединение | Для создания буферной схемы можно использовать операционный усилитель. | Буферная схема — это часть всей схемы. |
| Спецификация IC | IC741 | AD623 |
Инструментальные усилители разработаны, чтобы получить больше преимуществ по сравнению с типичными дифференциальными усилителями. Вот почему инструментальные усилители используются в большинстве коммерческих приложений. Но есть и преимущества. Обсудим некоторые достоинства и недостатки инструментальных усилителей.
преимущества
1. Точность и точность в Анализ эффективности: Инструментальные усилители используются для тестирования и измерения. Инструментальные усилители не должны соответствовать входным сопротивлениям. Вот почему они так полезны для тестирования. Лучшие параметрические значения, такие как более высокий CMRR, высокий входной импеданс, также имеют преимущества.
2. Усиление: инструментальные усилители обеспечивают более высокие значения коэффициента усиления без обратной связи.
Это более очевидное преимущество, которое также является важным требованием для усилителей.
3. Стабильность системы. Внутри инструментальных усилителей все обычные операционные усилители подключены с отрицательной обратной связью. Как известно, отрицательная обратная связь стабилизирует систему; Стабильность инструментального усилителя также высока.
4. Масштабируемость: инструментальные усилители невероятно масштабируемы. Он предоставляет возможность масштабировать сигнал на входном уровне. Вот почему общее усиление намного больше, чем у других усилителей. По этой причине также велик диапазон масштабирования.
5. Доступность: инструментальные усилители поставляются в виде микросхем. Доступны восьмиконтактные ИС. Таким образом, с ним проще обращаться и использовать. Кроме того, при амплификации нужно учитывать не так много факторов. Пользователь просто должен хорошо знать входной сигнал. Выявим недостатки инструментальных усилителей.
Недостатки бонуса без депозита
1.
Инструментальный усилитель страдает проблемой передачи на большие расстояния. Усилитель имеет тенденцию смешивать исходные сигналы с шумами, если входной сигнал отправляется на расширенный диапазон для связи. Проблема может быть решена, если тип кабеля может быть импровизирован так, чтобы шум подавлялся на первичной стадии или шум не попадал в линию передачи.
Давайте взглянем на характеристики инструментальных усилителей с первого взгляда.
- Инструментальные усилители — это дифференциальные усилители, состоящие из трех операционных усилителей.
- Он обеспечивает более высокое усиление без обратной связи, чем обычные операционные усилители.
- Он имеет более высокий CMRR, более высокое входное сопротивление, низкие напряжения смещения, более низкие выходные сопротивления, что делает его близким к идеальному операционному усилителю.
- Инструментальные усилители обеспечивают более высокую точность и прецизионность при использовании в испытаниях и измерениях.

- Инструментальные усилители доступны в микросхемах для коммерческих целей.
Типичные инструментальные усилители состоят из 3 усилителей, но также можно сделать инструментальный усилитель с использованием двух операционных усилителей. На изображении ниже изображен a 2 ОУ на основе схемы инструментального усилителя.
Схема инструментального усилителя с двумя операционными усилителямианализ шума инструментального усилителяСуществуют определенные типы инструментальных усилителей для измерения самого слабого сигнала в шумной среде. Они известны как шумовые приборы-усилители. Эти типы инструментальных усилителей используются для анализа шума.
Инструментальный усилитель для измерения токаНа рынке доступны отдельные усилители измерения тока для измерения тока. Но инструментальный усилитель также может управлять измерением тока. Основное различие между двумя усилителями заключается в топологии входа.
Ответ: Инструментальные усилители обеспечивают более высокое усиление, более высокий CMRR, более высокие входные сопротивления и более низкие выходные сопротивления. Таким образом, мы можем наблюдать, что он обладает очень близкими свойствами идеального операционного усилителя. Поэтому используется инструментальный усилитель.
2. Когда использовать инструментальный усилитель?Ответ: IИнструментальные усилители требуются каждый раз, когда пользователю требуется более высокое усиление с лучшей стабильностью системы для усиления сигнала. Если пользователю нужны очень точные результаты тестирования и измерений, тогда инструментальный усилитель станет решением.
3. Что такое инструментальный усилитель для тензодатчика?Ответ: Производительность инструментального усилителя постепенно увеличивается при подключении тензодатчика.
Усилитель обеспечивает более высокий коэффициент CMRR, более высокое входное сопротивление и, таким образом, улучшает характеристики. Подробное подключение инструментального усилителя к весоизмерительной ячейке показано на рисунке ниже. (Следует отметить — Подключите все заземление.
Ответ: Стандартное подключение инструментального усилителя обеспечивает определенный коэффициент усиления. Но добавление внешнего резистора даст вам прирост на тысячу.
5. Каков принцип работы инструментального усилителя?Ответ: Принцип работы инструментального усилителя такой же, как и у дифференциального усилителя. Он принимает входные напряжения и усиливает разницу, чтобы обеспечить эту усиленную разницу на выходе.
В основном: Выход = усиление * (Вход1 — Вход2)
6.
Каковы преимущества использования инструментального усилителя перед обычным дифференциальным усилителем при измерении слабых сигналов и напряжений?Ответ: Преимущества —
- Точность и точность в Анализ эффективности: Инструментальные усилители используются для тестирования и измерения. Инструментальные усилители не должны соответствовать входным сопротивлениям. Вот почему они так полезны для тестирования. Лучшие параметрические значения, такие как более высокий CMRR, высокий входной импеданс, также имеют преимущества.
- Усиление: инструментальные усилители обеспечивают более высокие значения для роста без обратной связи. Это более очевидное преимущество, которое также является важным требованием для усилителей.
- Стабильность системы: внутри инструментальных усилителей все обычные операционные усилители подключены с отрицательной обратной связью. Как известно, отрицательная обратная связь стабилизирует систему; Стабильность инструментального усилителя также высока.
- Масштабируемость: инструментальные усилители невероятно масштабируемы. Он предоставляет возможность масштабировать сигнал на входном уровне. Вот почему общее усиление намного больше, чем у других усилителей. По этой причине также велик диапазон масштабирования.
- Доступность: инструментальные усилители поставляются в виде микросхем. Доступны восьмиконтактные ИС. Таким образом, с ним проще обращаться и использовать. Кроме того, существует не так много факторов, которые нужно учитывать во время усиления. Пользователь должен хорошо знать входной сигнал.
Ответ: CMRR — важный параметр для измерения производительности операционного усилителя. CMRR оценивает, сколько синфазного сигнала появится в выходном измерении. Командный усилитель, являющийся операционным усилителем, явно используемый для целей измерения и тестирования, должен иметь самый низкий CMRR.
Это основная потребность в операционном усилителе; в противном случае это повлияет на измерение.
Ответ: Разница будет в работе, а также в параметрических значениях. Входы для инструментального усилителя никогда не подключаются к инвертирующим клеммам. Так что изменения будут. Кроме того, инструментальные усилители имеют буферные схемы, а их обратная связь представляет собой отрицательную обратную связь, что увеличивает стабильность системы. Итак, есть огромные отклонения от реальных результатов.
9. Для чего нужен буфер в инструментальном усилителе?Ответ: Буфер внутри инструментального усилителя полезен во многих отношениях. Буфер увеличивает входное сопротивление, что очень необходимо. Это также устраняет разницу между двумя входными напряжениями; таким образом, значение напряжения смещения уменьшается.
Это также влияет на CMRR.
Ответ: Нет таких жестких правил для проектирования или изготовления инструментальных усилителей. Но есть несколько передовых практик. Некоторые из них: a) Спроектировать схему симметрично, b) Реализовать коэффициент усиления на первом этапе, c) Учесть факторы CMRR, эффекты термопары и значения сопротивления, d) Разработать второй этап.
11. Как снять напряжение смещения в инструментальном усилителе?Ответ: Напряжение смещения любого усилителя можно снять, подав регулируемый ток от источника напряжения. Между током и операционным усилителем следует установить резистор с большим номиналом.
Дополнительные статьи по электронике нажмите сюда
Инструментальный усилитель на оу
В простейшем случае в качестве измерительного усилителя может быть использован ОУ в дифференциальном включении рис.
Схема простейшего измерительного усилителя Дифференциальный коэффициент усиления при выполнении указанного выше условия Коэффициент усиления синфазного сигнала, обусловленный рассогласованием резисторов, равен. Поскольку, как это следует из 26 , К СФ1 может принимать отрицательные значения и зависит от сопротивлений резисторов схемы, подстройкой резистора R 3 может быть достигнуто любое сколь угодно большое значение К ОСС , в соответствии с выражением Пример 1. Пусть в схеме на рис. Тогда дифференциальный коэффициент усиления схемы равен , а К ОСС — , что во многих применениях недостаточно.
Поиск данных по Вашему запросу:
Схемы, справочники, даташиты:
Прайс-листы, цены:
Обсуждения, статьи, мануалы:
Дождитесь окончания поиска во всех базах.
По завершению появится ссылка для доступа к найденным материалам.
Содержание:
- Операционный усилители в линейных схемах.
Часть 3
- INA333 – инструментальный усилитель с нулевым дрейфом
- Инструментальные усилители
- Инструментальный усилитель на ОУ. Принцип работы
- Вы точно человек?
- Операционные усилители
- Измерительный усилитель на трех ОУ
ПОСМОТРИТЕ ВИДЕО ПО ТЕМЕ: Лекция 54. Усилитель неинвертирующего типа на операционном усилителе.
Операционный усилители в линейных схемах. Часть 3
Будь то хирургический инструмент для коррекции зрения или заводской пресс, инструментальные усилители предлагают отличный способ усиления микровольтовых сигналов датчиков с одновременным подавлением больших синфазных сигналов.
ИУ относят к операционным усилителям ОУ , поскольку они основаны на той же архитектуре, однако ИУ — это специализированная версия операционного усилителя. Особенностью ИУ является высокое дифференциальное усиление, необходимое для усиления сигналов датчиков микровольтовой амплитуды с одновременным подавлением больших синфазных сигналов, уровень которых может достигать нескольких вольт.
Это важно, поскольку изменение выходного сигнала напряжения или тока некоторых датчиков относительно мало, и это небольшое изменение надо измерить с высокой точностью.
Давайте рассмотрим несколько приложений, для которых создаются и в которых используются ИУ. Например, это может быть хирургический инструмент для коррекции зрения, движение которого задается шаговыми двигателями на основании сигналов, получаемых от датчиков. Высокая точность здесь имеет решающее значение, и при этом остальное оборудование операционной не должно искажать сигналы датчиков, чтобы не привести к непоправимым последствиям.
Другим примером могут служить промышленные прессы. Для придания металлу нужной формы такие машины прикладывают усилия в тысячи фунтов. Эти прессы конструируются таким образом, чтобы при обнаружении в рабочей зоне руки человека они немедленно останавливались. В данном случае очень важно, чтобы электрические помехи от другого заводского оборудования не могли нарушить работу системы защиты. В обоих перечисленных случаях сигнал датчика свой первый шаг совершает через инструментальный усилитель.
Слабый сигнал датчика должен быть точно усилен, независимо от окружающих условий. Инструментальные усилители разработаны именно для этого — точно усиливать слабые сигналы в условиях окружающей среды, зашумленной электрическими помехами. Но высокое дифференциальное усиление — не единственный параметр, делающий ИУ высокоэффективным устройством.
Для увеличения времени автономной работы от батареи важна низкая мощность потребления. Низкое рабочее напряжение позволяет использовать глубоко разряженную батарею, что также увеличивает время ее использования.
И, наконец, согласование входного импеданса упрощает их подключение.
На протяжении многих лет разработчики создавали новые схемы ИУ, чтобы использовать их преимущества в потребительских, медицинских и промышленных приложениях. Давайте взглянем на эволюцию конструкций ИУ, начиная от первых образцов, до инструментальных усилителей, доступных сегодняшнему разработчику. Изучая эти архитектуры с их достоинствами и недостатками, мы покажем, как совершенствовались характеристики этих приборов, и что они дают реальным приложениям.
Прежде чем углубляться в различия подходов и вариантов, давайте сначала посмотрим, чего мы пытаемся достичь, используя схему на Рисунке 1. Выходы датчика подключены к входам ИУ, усиливающего дифференциальное напряжение. Помехи попадают из многих источников, как в излучаемой, так и в кондуктивной форме. Типичные помехи могут приходить из импульсных источников питания, моторов и беспроводных устройств. Такие помехи ослабляются экранированием и хорошей разводкой печатной платы, но часть их, все-таки, проникает в схему.
К счастью, большинство из этих помех проявляет себя как синфазное напряжение V CM , наложенное на дифференциальное входное напряжение датчика V DM , поэтому правильно сконструированная измерительная схема с хорошим коэффициентом подавления синфазного сигнала CMRR значительно уменьшит это напряжение, поддерживая высокую точность коэффициента усиления. Минимальное значение CMRR для постоянного напряжения обычно приводится в технических спецификациях, в то время как для переменного тока CMRR представляется в виде графиков частотных зависимостей.
Если нужно усилить разность напряжений на выходах датчика, подойдет и простой дифференциальный усилитель, но такая схема будет иметь множество недостатков. Разработанный для усиления дифференциальных напряжений, операционный усилитель сам по себе имеет хороший CMRR, но все портят окружающие его схемы. Любое рассогласование сопротивлений внешних резисторов, включая несогласованность любых делителей, подключенных к V REF , ограничивает способность ОУ подавлять синфазные сигналы и, соответственно, уменьшает CMRR.
У этого простого решения есть и другие недостатки. Обычно входной импеданс операционного усилителя очень высок и находится в диапазоне от мегаом до гигаом. Однако подключение цепей обратной связи и опорного напряжения приводит к снижению и разбалансу импеданса, в результате чего увеличивается нагрузка датчика и уменьшается точность измерений. Если такая схема будет усиливать слабый сигнал датчика, низкая точность усиления при наличии шумов сделает ее непригодной для целей измерения.
На Рисунке 3 показана распространенная схема ИУ, выпускаемого в виде одной интегральной схемы. Схема состоит из двух каскадов. Первый каскад содержит два инвертирующих буферных усилителя, а выходной каскад представляет собой традиционный дифференциальный усилитель. Сопротивления используемых в микросхеме внутренних резисторов согласованы с очень высокой точностью, достижимой лишь с помощью лазерной подгонки на кристалле, позволяющей достичь намного лучших значений CMRR.
Усилители входного каскада обеспечивают высокий импеданс, минимизирующий нагрузку на датчики.
Выходной каскад представляет собой обычный дифференциальный усилитель. Сбалансированные сигнальные тракты между входом и выходом гарантируют отличный CMRR.
Конструкция проста в реализации, занимает немного места на плате и требует меньшего количества компонентов, а значит, снижается и стоимость системы. Кроме того, при использовании вывода V REF схема совместима с однополярными источниками питания. Однако и эта схема требует учета определенных ограничений. Благодаря согласованию внутренних резисторов дифференциального усилителя, ИУ на трех ОУ имеет высокий CMRR для постоянного напряжения, но для переменного напряжения CMRR может быть существенно ухудшен архитектурой обратной связи.
Кроме того, из-за невозможности полного согласования паразитных емкостей, CMRR уменьшается с ростом частоты. Диапазон синфазных входных напряжений необходимо ограничивать до уровня, исключающего насыщение внутренних каскадов. Для получения наилучших характеристик схемы вывод V REF должен быть подключен к буферному усилителю.
И, наконец, температурные коэффициенты внешних и внутренних резисторов, задающих коэффициент усиления, не могут быть согласованы в принципе, что также снижает CMRR. Характер влияния согласованности резисторов на точность коэффициента усиления G определяется выражением. Он состоит из двух согласованных транскондуктивных усилителей усилителей тока, управляемых напряжением — ред. G M1 и G M2 и трансимпедансного усилителя A 3 с большим коэффициентом усиления. В конструкции не используются согласованные резисторы, поэтому ей не нужны внутренние резисторы с лазерной подгонкой, что снижает затраты на производство.
Еще одно преимущество этой схемы определяется тем, что ей не нужен ни один внешний резистор, согласованный с внутренними резисторами. Все что требуется — максимально хорошее согласование температурных коэффициентов внешних резисторов R F и R G , от которого напрямую зависит дрейф усиления.
CMRR по постоянному току такого усилителя высок, поскольку синфазные сигналы удаляются усилителем GM1.
С ростом частоты CMRR по переменному току уменьшается слабо. Как уже упоминалось, ИУ на основе трех ОУ имеют ограниченные диапазоны входных напряжений, что связано с необходимостью предотвращения насыщения внутренних узлов схемы. У усилителей с КОСТ размах выходного напряжения не связан с входным синфазным напряжением, что расширяет рабочий диапазон до значений, недостижимых для архитектуры с тремя ОУ.
Подав напряжение смещения к выводу V REF , этот усилитель также можно использовать в схемах с однополярным питанием.
Несколько типичных приложений, использующих ИУ для усиления сигналов датчиков, показано на Рисунке 5. Эволюция ИУ, следуя за ростом потребности в усилении слабых сигналов на фоне шумов, происходила на протяжении многих лет. Простейший подход — дискретный операционный усилитель — для использования в качестве ИУ непригоден.
Интегральный ИУ, основанный на трех операционных усилителях, значительно превосходит первый вариант по ряду параметров, включая CMRR по постоянному току, хорошо сбалансированные и высокие входные импедансы, а также возможность установки усиления одним резистором.
Тем не менее, имеются ограничения диапазона синфазных напряжений и трудности согласования температурных коэффициентов внутреннего и внешнего резисторов, влияющих на дрейф усиления. Решение на основе КОСТ также имеет высокий CMRR даже на повышенных частотах , расширенный диапазон синфазных напряжений и не содержит внутренних резисторов с лазерной подгонкой, что сокращает производственные затраты и снижает температурный дрейф коэффициента усиления.
На английском языке: The Evolution of the Instrumentation Amplifier. Усилители Проф. Генераторы Игры Измерения Инстр. Сотовая связь Спутник. ТВ Телефон Теория Ук. Кухонная тех-ка Оргтехника Связь Техн. Статьи Усилители Эволюция инструментального усилителя.
Крупнейшее в Китае предприятие по производству прототипов печатных плат, более , клиентов и более 10, онлайн-заказов ежедневно. Хотите получать уведомления о выходе новых материалов на сайте? Подпишитесь на рассылку! Для комментирования материалов с сайта и получения полного доступа к нашему форуму Вам необходимо зарегистрироваться.
Публикации по теме. Измерения Микроконтроллеры Силовая Электроника Электронные компоненты.
Политика конфиденциальности en Изменить настройки конфиденциальности. Рисунок 1. Блок-схема интерфейса датчика на основе ИУ. Рисунок 2. Дискретный дифференциальный усилитель. Рисунок 3. Вариант на трех микросхемах операционных усилителей.
Рисунок 4. Вариант с косвенной обратной связью по току. Рисунок 5. Примеры типичных приложений, использующих ИУ для усиления сигналов датчиков.
INA333 – инструментальный усилитель с нулевым дрейфом
Операционный усилитель — это электронный усилитель напряжения с высоким коэффициентом усиления, имеющий дифференциальный вход и обычно один выход. Напряжение на выходе может превышать разность напряжений на входах в сотни или даже тысячи раз. Своё начало операционные усилители ведут от аналоговых компьютеров, где они применялись во многих линейных, нелинейных и частото-зависимых схемах. Параметры схем с операционными усилителями определяются только внешними компонентами, а так же небольшой температурной зависимостью или разбросом параметров при их производстве, что делает операционные усилители очень популярными элементами при конструировании электронных схем.
Операционные усилители являются наиболее востребованными приборами среди современных электронных компонент, они находят своё применение в потребительской электронике, применяются индустрии и в научных приборах. Многие стандартные микросхемы операционных усилителей стоят всего несколько центов. Но некоторые модели гибридных или интегрированных операционных усилителей со специальными характеристиками, выпускаемые мелкими партиями, могут стоить более сотни долларов.
Усилитель постоянного тока — курсовая работа. Операционный усилитель? Инструментальный усилитель AD Измерительные системы на.
Инструментальные усилители
Цифровой осциллограф-приставка разрабатывается на базе стенда LESO1. Стенд LESO1 является разработкой лаборатории электронных средств обучения. Лабораторный стенд предназначен для освоения студентами архитектуры и методов разработки микропроцессорных систем различного назначения. Стенд может стать основой дипломного проектирования студентов, а также базой исследовательской работы бакалавров и магистров.
На базе стенда возможна разработка промышленных автоматизированных систем. Программирование через USB позволяет легко программировать микроконтроллер, поскольку порт USB есть во всех компьютерах. Стуруктурная схема учебного лабораторного стенда показана на рисунке 3.
Инструментальный усилитель на ОУ. Принцип работы
Измерительный усилитель он же инструментальный — разновидность дифференциального усилителя, применяемая для точных измерений разностного сигнала и тестирующего оборудования. Это высококлассные усилители с отличными характеристиками. Они так же могут быть применены и как микрофонный пред усилители. Классический измерительный усилитель Измерительный усилитель — это продвинутая разновидность дифференциального усилителя, рассмотренного ранее. Такие усилители также называют инструментальными.
Улучшить характеристики рассмотренной схемы измерительного усилителя можно, включив между источником сигнала и каждым из входов неинвертирующий повторитель. Эти повторители будут служить буферами, в результате чего входное сопротивление измерительного усилителя повысится, а влияние выходного сопротивления источников сигнала на дифференциальный коэффициент усиления и КОСС практически будет устранено.
Вы точно человек?
Измерительный усилитель или инструментальный усилитель, или электрометрический вычитатель позволяет инженеру регулировать коэффициент усиления схемы усилителя без изменения значения более одного резистора. Сравните это с дифференциальным усилителем , который мы рассмотрели ранее, и который требует регулировки номиналов нескольких резисторов. Приведем так называемый измерительный усилитель, построенный на базе последней версии дифференциального усилителя:. Эта устрашающая схема построена из буферизированного дифференциального усилителя с тремя новыми резисторами, соединяющими две буферные цепи вместе. Предполагаем, что все резисторы, кроме R усил , имеют одинаковые номиналы,.
Операционные усилители
К таким характеристикам относят: очень малое входное смещение, малый температурный дрейф , малый собственный шум , высокий коэффициент усиления , регулируемый в широких пределах всего одним резистором, очень высокий коэффициент ослабления синфазного сигнала , очень высокие входные сопротивления , малый входной ток.
Такие усилители применяются, когда требуются большая точность и высокая стабильность схемы, как кратковременно, так и долговременно. Классическая электрическая схема измерительного усилителя показана на рисунке. Измерительный усилитель представляет собой двухкаскадный усилитель. Для повышения входного сопротивления входной каскад строят на двух отдельных усилителях. Буферные входные неинвертирующие усилители увеличивают входное сопротивление импеданс низкоимпедансного выходного дифференциального инвертирующего усилителя как для дифференциального, так и для синфазного сигналов, так как сигнал подается непосредственно на вход входных операционных усилителей имеющих очень малые входные токи. Коэффициент усиления выходного дифференциального инвертирующего усилителя равен [1] [4] [5] [6] [7] :.
Схема простейшего дифференциального усилителя на ОУ называют инструментальными или измерительные усилители.
Измерительный усилитель на трех ОУ
В этой статье предлагается новый вариант топологии инструментального усилителя ИУ с улучшенным подавлением синфазного сигнала common-mode rejection — CMR.
В схеме использованы дискретные усилители, поэтому ничто не мешает в соответствии с требованиями вашего приложения подобрать их по величине потребляемой мощности, цене, шумам и напряжению питания. До сих пор недостатком инструментальных усилителей, собранных на дискретных компонентах, было плохое значение CMR. Разработчики систем все еще продолжают создавать собственные дискретные конструкции, поскольку стандартные интегральные ИУ либо не всегда отвечают их требованиям, либо слишком дороги.
Всем доброго времени суток. Сегодня публикую третью часть статьи о применении операционных усилителей в линейных цепях. В предыдущих частях я рассказал о инвертирующих и неинвертирующих схемах на основе ОУ. Данная статья будет посвящена дифференциальным или разностным усилителям, которые составляют основу измерительных усилителей. В одной из статей я рассказывал о дифференциальных усилителях, выполненных на транзисторах. Одной из особенностей таких усилителей является усиление разности сигналов поступающих на входы дифференциального усилителя.
Компьютерные сети Системное программное обеспечение Информационные технологии Программирование. Все о программировании Обучение Linux Unix Алгоритмические языки Аналоговые и гибридные вычислительные устройства Архитектура микроконтроллеров Введение в разработку распределенных информационных систем Введение в численные методы Дискретная математика Информационное обслуживание пользователей Информация и моделирование в управлении производством Компьютерная графика Математическое и компьютерное моделирование Моделирование Нейрокомпьютеры Проектирование программ диагностики компьютерных систем и сетей Проектирование системных программ Системы счисления Теория статистики Теория оптимизации Уроки AutoCAD 3D Уроки базы данных Access Уроки Orcad Цифровые автоматы Шпаргалки по компьютеру Шпаргалки по программированию Экспертные системы Элементы теории информации Главная Тексты статей Добавить статьи Контакты Измерительный усилитель на трех ОУ классическая схема инструментального усилителя Дата добавления: ; просмотров: ; Нарушение авторских прав.
Одним из недостатков описанной схемы с повторителями на рис. Поскольку входные буферные усилители работают с единичным усилением, все подавление синфазных помех должно происходить в выходном усилителе, что требует, как было указано, прецизионного согласования резисторов. Схема, изображенная на рис. Она представляет собой стандартную конфигурацию измерительного усилителя. Входной каскад является удачным сочетанием двух ОУ, обеспечивающим большой дифференциальный коэффициент усиления и единичный коэффициент усиления синфазных сигналов без какого-либо особо точного согласования резисторов.
Усовершенствованные дифференциальные усилители называют инструментальными измерительными усилителями. Такие усилители имеют высокие входные сопротивления по обоим входам и обеспечивают установку заданного коэффициента усиления с помощью одного изменяемого сопротивления. Характерной особенностью ИУ на рис. Сигналы на выходе усилителей, выполненных по разным схемам включения, приведены на рис.
Инструментальный усилитель на двух оу
Цифровой осциллограф-приставка разрабатывается на базе стенда LESO1. Стенд LESO1 является разработкой лаборатории электронных средств обучения. Лабораторный стенд предназначен для освоения студентами архитектуры и методов разработки микропроцессорных систем различного назначения. Стенд может стать основой дипломного проектирования студентов, а также базой исследовательской работы бакалавров и магистров.
Поиск данных по Вашему запросу:
Схемы, справочники, даташиты:
Прайс-листы, цены:
Обсуждения, статьи, мануалы:
Дождитесь окончания поиска во всех базах.
По завершению появится ссылка для доступа к найденным материалам.
Содержание:
- Как работает инструментальный усилитель.
- Вы точно человек?
- INA333 – инструментальный усилитель с нулевым дрейфом
- Инструментальный усилитель на ОУ.
Принцип работы
- Измерительный (инструментальный) усилитель
- Инструментальный усилитель
- ОУ и источник тока эмулируют инструментальный усилитель
ПОСМОТРИТЕ ВИДЕО ПО ТЕМЕ: Усилитель для микрофона на ОУ
Как работает инструментальный усилитель.
Измерительным усилителем называется дифференциальный усиливающий разность входных напряжений усилитель с высоким входным сопротивлением и большим коэффициентом ослабления синфазного сигнала, предназначенный для усиления дифференциальных сигналов, поступающих от первичных измерительных преобразователей. Выходной сигнал ИУ может быть искажен из-за действия помех.
Различают помехи общего вида продольные , которые действуют между каждым из входов измерительного усилителя и земляной шиной, и помехи нормального вида поперечные , которые действуют между входами измерительного усилителя.
По требованиям техники безопасности источник входного сигнала и измерительный преобразователь должны быть заземлены. Напряжение помехи общего вида U ов обычно возникает из-за наличия разности потенциалов между точками заземления источника сигнала и ИУ вследствие генерации помех от заземленных силовых установок. Иногда также наличие помехи U ов обусловлено гальванической или емкостной связью источника сигнала с какой-либо точкой ИУ. Напряжение помехи нормального вида U НВ возникает главным образом из-за электромагнитных наводок и наличия паразитных термоЭДС.
Эквивалентная схема влияния помехи общего вида на дифференциальный вход ИУ с учетом Z вых. Для предотвращения проникновения части помехи U ов на дифференциальный вход ИУ применяют:. Для подавления напряжения помехи U НВ , приложенной последовательно с полезным сигналом, могут предприниматься следующие меры:.
Измерительный усилитель должен обладать большим коэффициентом ослабления синфазного сигнала КОСС для усиления даже малого дифференциального сигнала при одновременном подавлении помехи общего вида.
При этом следует учитывать разбаланс данных сопротивлений, возникающий за счет конечного сопротивления источников сигналов U вх1 и U вх2. Кроме того, для уменьшения абсолютной и приведенной погрешностей ДУ целесообразно по возможности уменьшать сопротивления R 1 и R 2. В процессе начальной регулировки ИУ обычно производят устранение аддитивной погрешности ОУ путем его балансировки при нормальных условиях эксплуатации.
Все рассмотренные погрешности в той или иной степени влияют на суммарную погрешность ДУ. Недостатком схемы ДУ является сложность регулировки коэффициента усиления необходимо одновременно изменять R 2 и R 4 в равном процентном соотношении. Для более эффективной регулировки ДУ может быть дополнен повторителем с резистивным делителем рис. Задаваясь одним из сопротивлений R 5 или R 6 , при помощи другого можно регулировать коэффициент усиления.
Из соображений линейности регулировки предпочтительно использовать сопротивление R 6.
Схема дифференциального усилителя с регулировкой коэффициента усиления на дополнительном ОУ. На опорный вывод ДУ на ОУ1 подается смещающий потенциал величиной. С учетом этого, пользуясь методом наложения, можно записать:. В случае, когда необходимо использовать дифференциальный вход и иметь возможность регулировки усиления по напряжению, можно использовать схему, показанную на рис. На рис. В данной схеме ОУ1 работает как инвертирующий усилитель, а ОУ2 — как инвертирующий сумматор.
Ограничения только следующие:. R 1 можно использовать для регулировки коэффициента усиления схемы. В этой схеме следует также предусматривать путь для протекания постоянного тока с неинвертирующих входов ОУ1 и ОУ2 при наличии емкостной связи между ними и источниками сигналов U вх1 и U вх2. В данной схеме потенциалы на инвертирующих входах ОУ1 и ОУ2 соответственно равны U вх1 и U вх2 , поэтому для определения разности потенциалов и и коэффициента усиления первого каскада, можно воспользоваться эквивалентной схемой рис.
Эквивалентная схема для определения k д первого каскада ИУ на основе трех ОУ. С учетом второго дифференциального усилительного каскада, реализованного на ОУ3, общий коэффициент усиления равен:. Требования к точности соблюдения соотношения резисторов n менее жесткие за счёт того, что синфазный сигнал на входе второго каскада имеет меньший относительный уровень, чем на входе схемы. Смещение выходного сигнала в данной схеме можно осуществить, подавая опорный потенциал на нижний вывод резистора nR , подключенного к неинвертирующему входу ОУ3.
При наличии емкостной связи между источниками сигнала и неинвертирующими входами ОУ1 и ОУ2 данные входы следует заземлить через высокоомные резисторы. Все компоненты схемы, кроме r , встроены, а при помощи внешнего резистора r устанавливается коэффициент усиления. Резистор, регулирующий , включен между эмиттерами транзисторов входного каскада и выведен наружу для регулировки рис.
Предыдущая 20 21 22 23 24 25 26 27 28 29 30 31 32 33 34 35 Следующая.
Поделитесь с друзьями:. Ценообразование на основе предельных издержек А Измерительные трансформаторы. А Существительные с неподвижным ударением на основе.
Автоматизированный приемо-передающий центр на основе радиосредств серии Автоматизированный приемо-передающий центр на основе радиосредств Фазан Агрегатные состояния вещества. Их объяснения на основе МКТ. Альтернативная стоимость биоресурсов на основе рыночной и рентной оценки. Организация лечебных мероприятий Коррозионные диаграммы Дидактические принципы Каменского Кислотный и щелочной гидролиз пептидов. Производство строительной извести по мокрому способу из влажного мела Устройство и производительность дноуглубительных снарядов.
Орг — год. Материал сайта представляется для ознакомительного и учебного использования.
Вы точно человек?
Измерительный усилитель или инструментальный усилитель, или электрометрический вычитатель позволяет инженеру регулировать коэффициент усиления схемы усилителя без изменения значения более одного резистора.
Сравните это с дифференциальным усилителем , который мы рассмотрели ранее, и который требует регулировки номиналов нескольких резисторов. Приведем так называемый измерительный усилитель, построенный на базе последней версии дифференциального усилителя:. Эта устрашающая схема построена из буферизированного дифференциального усилителя с тремя новыми резисторами, соединяющими две буферные цепи вместе. Предполагаем, что все резисторы, кроме R усил , имеют одинаковые номиналы,. Отрицательная обратная связь верхнего левого операционного усилителя приводит к тому, что напряжение в точке 1 верхняя часть R усил будет равно V 1.
Инструментальный усилитель относится к классу операционных усилителей операционном усилителе (ОУ). На рис. 1 показано включение ОУ в качестве ДУ. двух частей — напряжения смещения, приведенного ко входу. ВХ.
INA333 – инструментальный усилитель с нулевым дрейфом
К таким характеристикам относят: очень малое входное смещение, малый температурный дрейф , малый собственный шум , высокий коэффициент усиления , регулируемый в широких пределах всего одним резистором, очень высокий коэффициент ослабления синфазного сигнала , очень высокие входные сопротивления , малый входной ток.
Такие усилители применяются, когда требуются большая точность и высокая стабильность схемы, как кратковременно, так и долговременно. Классическая электрическая схема измерительного усилителя показана на рисунке. Измерительный усилитель представляет собой двухкаскадный усилитель. Для повышения входного сопротивления входной каскад строят на двух отдельных усилителях. Буферные входные неинвертирующие усилители увеличивают входное сопротивление импеданс низкоимпедансного выходного дифференциального инвертирующего усилителя как для дифференциального, так и для синфазного сигналов, так как сигнал подается непосредственно на вход входных операционных усилителей имеющих очень малые входные токи. Коэффициент усиления выходного дифференциального инвертирующего усилителя равен [1] [4] [5] [6] [7] :.
Инструментальный усилитель на ОУ. Принцип работы
Измерительным усилителем называется дифференциальный усиливающий разность входных напряжений усилитель с высоким входным сопротивлением и большим коэффициентом ослабления синфазного сигнала, предназначенный для усиления дифференциальных сигналов, поступающих от первичных измерительных преобразователей.
Выходной сигнал ИУ может быть искажен из-за действия помех. Различают помехи общего вида продольные , которые действуют между каждым из входов измерительного усилителя и земляной шиной, и помехи нормального вида поперечные , которые действуют между входами измерительного усилителя. По требованиям техники безопасности источник входного сигнала и измерительный преобразователь должны быть заземлены. Напряжение помехи общего вида U ов обычно возникает из-за наличия разности потенциалов между точками заземления источника сигнала и ИУ вследствие генерации помех от заземленных силовых установок.
На показанной на рис.
Измерительный (инструментальный) усилитель
Портал о науке и технике Статьи Новости Видео Обзоры. Забыли пароль? Воспользуйтесь строкой поиска, чтобы найти нужный материал. Главная Схемотехника Как работает инструментальный усилитель. Как работает инструментальный усилитель. В одной из прошлых статей описал как, анализирую схемы, построенные на ОУ, рассматривать включение разных элементов в обратную связь — занятие малоинтересное, куча формул и ничего больше, да и такого добра хватает в интернете.
Инструментальный усилитель
Классические инструментальные усилители на трех или двух операционных усилителях являются стандартным средством усиления дифференциальных сигналов малой амплитуды, загрязненных сильными синфазными шумами. В некоторых приложениях используются плавающие источники сигнала с высоким последовательным выходным импедансом, которые требуют соответствующего усилителя с высокоимпедансным входом. В этой статье предлагается альтернативный подход, основанный на упрощенной схеме усилителя Рисунок 1. Основная идея состоит в том, чтобы измерять ток на входе B усилителя I B и вводить ток такой же величины на вход A I A , объединив трансимпедансный усилитель виртуальной земли A 1 с источником тока, управляемым напряжением G 1. Таким образом, G 1 уравновешивает токи синфазных помех. Кроме того, напряжение входа B является потенциалом виртуальной земли. Практическая схема усилителя двухэлектродного источника биосигналов электрокардиографа приведена на Рисунке 2. Микросхема IC 2B включена в конфигурации трансимпедансного усилителя.
Схема простейшего дифференциального усилителя на ОУ представлена ниже называют инструментальными или измерительные усилители. дифференциального усилителя при помощи двух повторителей.
ОУ и источник тока эмулируют инструментальный усилитель
Резистивные мостовые тензодатчики широко применяются там, где нужно преобразовать физическую величину — такую, как давление, сила или вес, — в электрический сигнал. Этот электрический сигнал обычно довольно мал, поэтому его необходимо усилить, прежде чем подавать на вход АЦП измерительной системы. В данной статье говорится о новом интегральном инструментальном усилителе, обладающем малым уровнем дрейфа и многочисленными возможностями, и о его применении в системах с тензодатчиками на примере датчика давления.
Всем доброго времени суток. Сегодня публикую третью часть статьи о применении операционных усилителей в линейных цепях. В предыдущих частях я рассказал о инвертирующих и неинвертирующих схемах на основе ОУ. Данная статья будет посвящена дифференциальным или разностным усилителям, которые составляют основу измерительных усилителей.
В одной из статей я рассказывал о дифференциальных усилителях, выполненных на транзисторах.
В простейшем случае в качестве измерительного усилителя может быть использован ОУ в дифференциальном включении рис. Коэффициент усиления синфазного сигнала, обусловленный рассогласованием резисторов, равен.
Будь то хирургический инструмент для коррекции зрения или заводской пресс, инструментальные усилители предлагают отличный способ усиления микровольтовых сигналов датчиков с одновременным подавлением больших синфазных сигналов. ИУ относят к операционным усилителям ОУ , поскольку они основаны на той же архитектуре, однако ИУ — это специализированная версия операционного усилителя. Особенностью ИУ является высокое дифференциальное усиление, необходимое для усиления сигналов датчиков микровольтовой амплитуды с одновременным подавлением больших синфазных сигналов, уровень которых может достигать нескольких вольт. Это важно, поскольку изменение выходного сигнала напряжения или тока некоторых датчиков относительно мало, и это небольшое изменение надо измерить с высокой точностью.
Давайте рассмотрим несколько приложений, для которых создаются и в которых используются ИУ. Например, это может быть хирургический инструмент для коррекции зрения, движение которого задается шаговыми двигателями на основании сигналов, получаемых от датчиков. Высокая точность здесь имеет решающее значение, и при этом остальное оборудование операционной не должно искажать сигналы датчиков, чтобы не привести к непоправимым последствиям.
Есть изобретения, которые гениальны в своей простоте. Инструментальный усилитель является одним из них. Название инструментальный усилитель происходит от английского Instrumentation Amplifier. В отечественной литературе его также именуют измерительный усилитель.
Схема инструментального усилителя с использованием операционного усилителя
Почти все типы датчиков и преобразователей преобразуют параметры реального мира, такие как свет, температура, вес и т. д., в значения напряжения, чтобы наши электронные системы могли их понять.
Изменение этого уровня напряжения поможет нам в анализе/измерении параметров реального мира, но в некоторых приложениях, таких как биомедицинские датчики, это изменение очень мало (сигналы низкого уровня), и очень важно отслеживать даже незначительные изменения, чтобы получить достоверные данные. В этих приложениях Используется инструментальный усилитель .
Инструментальный усилитель, также известный как INO или входные усилители, как следует из названия, усиливает изменение напряжения и обеспечивает дифференциальный выходной сигнал, как и любые другие операционные усилители. Но в отличие от обычного усилителя инструментальные усилители будут иметь высокий входной импеданс с хорошим усилением, обеспечивая при этом подавление синфазного шума с полностью дифференциальными входами. Ничего страшного, если вы не поняли это сейчас, в этой статье мы узнаем об этих инструментальных усилителях, и, поскольку эти ИС относительно дороже, чем операционные усилители, мы также узнаем, как использовать обычные операционные усилители, такие как 9.
0003 LM385 или LM324 для сборки инструментального усилителя и использования его в наших приложениях. Операционные усилители также можно использовать для построения схемы сумматора и вычитателя напряжения.
Что такое интегральная схема инструментального усилителя?
Помимо обычных микросхем операционных усилителей, у нас есть специальные усилители для инструментальных усилителей, такие как INA114 IC. Это не что иное, как несколько обычных операционных усилителей, объединенных вместе для определенных конкретных приложений. Чтобы узнать больше об этом, давайте заглянем в таблицу данных INA114 для его внутренней схемы.
Как вы можете видеть, микросхема принимает два сигнальных напряжения V IN — и V IN +, давайте будем рассматривать их как V1 и V2 для простоты понимания. Выходное напряжение (В О ) можно рассчитать по формулам
В O = G (V2 – V1)
Где G — коэффициент усиления операционного усилителя, который можно установить с помощью внешнего резистора R G и рассчитать по приведенным ниже формулам
G = 1+ (50 кОм Ом/RG)
Примечание: Значение 50 кОм применимо только для ИС INA114 (50 кОм2 = 25 кОм, поскольку в ней используются резисторы2 = 25 кОм).
Вы можете рассчитать значение для других цепей соответственно.
Итак, теперь, если вы посмотрите на него, In-amp просто обеспечивает разницу между двумя источниками напряжения с коэффициентом усиления, который можно установить с помощью внешнего резистора. Это звучит знакомо? Если нет, взгляните на конструкцию дифференциального усилителя и вернитесь.
Да!, это именно то, что делает дифференциальный усилитель, и если вы присмотритесь, то даже обнаружите, что операционный усилитель A3 на изображении выше представляет собой не что иное, как схему дифференциального усилителя. Таким образом, с точки зрения непрофессионала, инструментальный усилитель — это еще один тип дифференциального усилителя, но с большим количеством преимуществ, таких как высокое входное сопротивление, простая регулировка усиления и т. д. Эти преимущества связаны с двумя другими операционными усилителями (A2 и A1) в конструкции, мы узнаем больше об этом в следующем заголовке.
Понимание инструментального усилителя
Чтобы полностью понять инструментальный усилитель, давайте разобьем приведенное выше изображение на значимые блоки, как показано ниже.
Как вы видите, In-Amp представляет собой просто комбинацию двух буферных схем операционного усилителя и одной схемы дифференциального операционного усилителя . Мы узнали об обоих этих операционных усилителях по отдельности, теперь мы увидим, как они объединяются, чтобы сформировать дифференциальный операционный усилитель.
Разница между дифференциальным усилителем и инструментальным усилителем
Мы уже узнали, как проектировать и использовать дифференциальный усилитель в нашей предыдущей статье. Немногим существенным недостатком дифференциального усилителя является то, что он имеет очень низкий входной импеданс из-за входных резисторов и очень низкий CMRR из-за высокого коэффициента усиления синфазного сигнала. Они будут преодолены в инструментальном усилителе благодаря буферной схеме.
Также в дифференциальном усилителе нам нужно заменить много резисторов, чтобы изменить значение усиления усилителя, но в дифференциальном усилителе мы можем контролировать усиление, просто регулируя значение одного резистора.
Схема инструментального усилителя с использованием операционного усилителя (LM358)
Теперь давайте создадим практический инструментальный усилитель с использованием операционного усилителя и проверим, как он работает. Схема инструментального усилителя на операционном усилителе , которую я использую, приведена ниже.
Для схемы требуется три операционных усилителя вместе; Я использовал две микросхемы LM358 . LM358 — это двухкорпусный операционный усилитель, то есть он имеет два операционных усилителя в одном корпусе, поэтому нам нужны два из них для нашей схемы. Точно так же вы также можете использовать три однокорпусных операционных усилителя LM741 или один четырехкорпусный операционный усилитель LM324.
В приведенной выше схеме операционные усилители U1:A и U1:B действуют как буфер напряжения, что помогает достичь высокого входного сопротивления. Операционный усилитель U2:A действует как дифференциальный операционный усилитель.
Поскольку все резисторы дифференциального операционного усилителя имеют сопротивление 10 кОм, он действует как дифференциальный усилитель с единичным коэффициентом усиления, что означает, что выходное напряжение будет разностью напряжений между контактами 3 и 2 U2:A.
Выходное напряжение схемы инструментального усилителя можно рассчитать по приведенным ниже формулам.
Vout = (V2-V1)(1+(2R/Rg))
Где R = значение сопротивления цепи. Здесь R = R2=R3=R4=R5=R6=R7, что равно 10k
Rg = усиливающий резистор. Здесь Rg = R1, что равно 22k.
Таким образом, значение R и Rg определяет коэффициент усиления усилителя. Значение усиления можно рассчитать по
Коэффициент усиления = (1+(2R/Rg))
Моделирование схемы инструментального усилителя
Вышеприведенная схема при моделировании дает следующие результаты.
Как вы видите, входные напряжения V1 составляют 2,8 В, а V2 — 3,3 В. Значение R равно 10k, а значение Rg равно 22k. Подставив все эти значения в приведенные выше формулы
Vвых = (V2-V1)(1+(2R/Rg)) = (3,3-2,8)(1+(2x10/22)) = (0,5)*(1,9) = 0,95 В
Мы получаем значение выходного напряжения, равное 0,95 В, что соответствует приведенному выше моделированию. Таким образом, коэффициент усиления приведенной выше схемы составляет 1,9, а разница напряжений составляет 0,5 В. Таким образом, эта схема в основном измеряет разницу между входными напряжениями, умножает ее на коэффициент усиления и выдает в качестве выходного напряжения.
Вы также можете заметить, что входное напряжение V1 и V2 появляется на резисторе Rg из-за отрицательной обратной связи операционного усилителя U1:A и U1:B. Это гарантирует, что падение напряжения на Rg равно разности напряжений между V1 и V2, что приводит к тому, что через резисторы R5 и R6 протекает равный ток, что делает напряжение на выводах 3 и 2 равным на операционном усилителе U2:A.
Если вы измерите напряжение перед резисторами, вы увидите фактическое выходное напряжение операционного усилителя U1:A и U1:B, разность которых будет равна выходному напряжению, как показано выше в моделировании.
Тестирование схемы инструментального усилителя на оборудовании
Достаточно теории позволяет построить ту же схему на макетной плате и измерить уровни напряжения. Мои настройки подключения показаны ниже.
Я использовал макет блока питания, который мы построили ранее. Эта плата может выдавать как 5 В, так и 3,3 В. Я использую шину 5 В для питания обоих операционных усилителей и 3,3 В в качестве входного напряжения сигнала V2. Другое входное напряжение V2 установлено на 2,8 В с помощью моего RPS. Поскольку я также использовал резистор 10 кОм для R и резистор 22 кОм для R1, усиление схемы будет 1,9.. Разностное напряжение составляет 0,5 В, а коэффициент усиления составляет 1,9, произведение которого даст нам 0,95 В в качестве выходного напряжения, которое измеряется и отображается на изображении с помощью мультиметра.
Полная работа схемы инструментального усилителя показана в видео , ссылка на которое приведена ниже.
Точно так же вы можете изменить значение R1, чтобы установить требуемое усиление, используя формулы, описанные выше. Поскольку коэффициентом усиления этого усилителя можно очень легко управлять с помощью одного резистора, его часто используют для регулировки громкости аудиосхем.
Надеюсь, вы поняли схему и получили удовольствие от изучения чего-то полезного. Если у вас есть какие-либо вопросы, оставьте их в разделе комментариев ниже или используйте форум для более быстрого ответа.
Схема инструментального усилителя и применение
Особой реализацией операционных усилителей является инструментальный усилитель, тип дифференциального усилителя с входным буферным усилителем. В этом уроке мы узнаем о нескольких важных основах и приложениях инструментальных усилителей, а также о схеме и работе инструментального усилителя с тремя операционными усилителями.
Если вам нужна дополнительная информация об основах операционных усилителей, прочитайте « Основы работы с операционными усилителями », а для получения информации об основах дифференциального усилителя прочитайте « Дифференциальный усилитель ».
Краткое описание
Введение
Многие промышленные и бытовые приложения требуют измерения и контроля физических условий. Например, измерение температуры и влажности внутри молочного завода для точного поддержания качества продукции или точное регулирование температуры в печи для производства пластика для производства определенного сорта пластика и т. д.
[adsense1]
Эти изменения физических условий должны быть преобразованы в электрические величины с помощью преобразователей, а затем усилены. Такие усилители, которые используются для усиления сигналов для измерения физических величин, широко известны как инструментальные усилители.
Входным сигналом инструментального усилителя является выходной сигнал преобразователя.
Преобразователь — это устройство, которое преобразует один вид энергии в другой. Большинство выходных сигналов преобразователя представляют собой сигналы очень низкого уровня.
Следовательно, перед следующим этапом необходимо усилить уровень сигнала, отсеяв шумы и помехи. Обычные несимметричные усилители не подходят для таких операций. Для подавления шума усилители должны иметь высокий коэффициент подавления синфазного сигнала.
Специальный усилитель, который используется для такого низкоуровневого усиления с высоким CMRR и высоким входным сопротивлением, чтобы избежать нагрузки, представляет собой инструментальный усилитель.
Инструментальный усилитель предназначен для точного усиления сигнала низкого уровня, где требуется высокое входное сопротивление, низкий уровень шума и точное усиление с обратной связью. Кроме того, для хорошей производительности желательны низкое энергопотребление, высокая скорость нарастания и высокий коэффициент подавления синфазного сигнала.
НАВЕРХ
Требования к хорошему инструментальному усилителюИнструментальный усилитель обычно используется для усиления сигналов низкого уровня, подавления шумов и помех. Таким образом, хороший инструментальный усилитель должен соответствовать следующим спецификациям:
[adsense2]
Конечный, точный и стабильный коэффициент усиления: прибыль является основным требованием. Усиление также должно быть точным, а усиление с обратной связью должно быть стабильным.
Упрощенная регулировка усиления: Помимо конечного и стабильного усиления, также необходимо изменение коэффициента усиления в заданном диапазоне значений. Регулировка усиления должна быть простой и точной.
Высокий входной импеданс: Чтобы избежать нагрузки источников входного сигнала, входной импеданс инструментального усилителя должен быть очень высоким (в идеале бесконечным).
Низкий выходной импеданс: Выходной импеданс хорошего инструментального усилителя должен быть очень низким (в идеале нулевым), чтобы избежать влияния нагрузки на следующий каскад.
Высокий КОСС: Выходной сигнал преобразователя обычно содержит синфазные сигналы при передаче по длинным проводам. Хороший инструментальный усилитель должен усиливать только дифференциальный вход, полностью отвергая синфазные входы. Таким образом, CMRR инструментального усилителя должен быть идеально бесконечным.
Высокая скорость нарастания: Скорость нарастания инструментального усилителя должна быть как можно выше, чтобы обеспечить максимальный неискаженный размах выходного напряжения.
НАВЕРХ
Инструментальный усилитель с тремя операционными усилителямиНаиболее часто используемые инструментальные усилители состоят из трех операционных усилителей. В этой схеме к каждому входу дифференциального усилителя подключен неинвертирующий усилитель.
Этот инструментальный усилитель обеспечивает высокое входное сопротивление для точного измерения входных данных от преобразователей.
Принципиальная схема инструментального усилителя показана на рисунке ниже.
Операционные усилители 1 и 2 являются неинвертирующими усилителями и вместе образуют входной каскад инструментального усилителя. ОУ 3 представляет собой дифференциальный усилитель, образующий выходной каскад инструментального усилителя.
НАВЕРХ
Работа инструментального усилителяВыходной каскад инструментального усилителя представляет собой разностный усилитель, выходной сигнал которого V out представляет собой усиленную разность входных сигналов, подаваемых на его входные клеммы. Если выходы операционного усилителя 1 и операционного усилителя 2 равны V o1 и V o2 соответственно, то выход дифференциального усилителя будет равен )
Выражения для Vo1 и Vo2 можно найти через входные напряжения и сопротивления. Рассмотрим входной каскад инструментального усилителя, как показано на рисунке ниже.
Потенциал в узле А равен входному напряжению В 1 . Следовательно, потенциал в узле B также равен V 1 из концепции виртуального короткого замыкания. Таким образом, потенциал в узле G также равен V 1 .
Потенциал в узле D равен входному напряжению V 2 . Следовательно, потенциал в узле C также равен V 2 от виртуального короткого замыкания. Таким образом, потенциал в узле H также равен V 2 .
В идеале ток операционных усилителей входного каскада равен нулю. Поэтому ток I через резисторы R 1 , R прибавляют , а R 1 остается прежним.
Применение закона Ома между узлами E и F,
I = (V o1 -V o2 )/(R 1 +R коэффициент усиления +R 1 900—24 —) — 1
I = (V o1 -V o2 )/(2R 1 +R усиление )
I между узлами G и H может быть задан как
I = (V G -V H )/R усиление = (V 1 -V 2 )/R усиление ————————- 2
Уравнение уравнений 1 и 2,
5 V
O1 -V O2 )/(2R 1 +R Усиление ) = (V1 -V 2 )/R Усиление(V O1 -V O2
) = = = = v O1 -V O2) = = = v O1 -V o2) = o1 -v O2) = v ) =.
(2R 1 +R усиление )(V 1 -V 2 )/R усиление —————— 3
Выход дифференциального усилителя задается как,
V OUT = (R 3 /R 2 ) (V O1 -V O2 )
Следовательно, (V O1 -V O2 ) = (R 2 2 -V O2 ) = (R 2 2 -V O2 ) = (R 2 2 -V O2 ) = (R 2 -V O2 ) = (R 2 -V O2 ) /R 3 ) V OUT
Заместительство (V O1 — V O2 ) В уравнении 3, мы получаем
(R 2 /R 3 ) V OUT = = = = R 3 ) V . (2R 1 +R усиление )(V1-V 2 )/R усиление
т.е. V выход = (R 3 /R2){(2R 1 +R усиление )/R усиление }(V1-V 2 )
Приведенное выше уравнение дает выходное напряжение инструментального усилителя.
Общий коэффициент усиления усилителя определяется выражением (R 3 /R2) {(2R 1 + R усиление )/R усиление }.
Примечание:
- Общее усиление по напряжению инструментального усилителя можно контролировать, регулируя сопротивление резистора R усиление .
- Ослабление синфазного сигнала для инструментального усилителя обеспечивается дифференциальным усилителем.
НАВЕРХ
Преимущества инструментального усилителя с тремя операционными усилителями- Коэффициент усиления схемы инструментального усилителя с тремя операционными усилителями можно легко изменять и контролировать, регулируя значение R усиления без изменений структура цепи.
- Коэффициент усиления усилителя зависит только от используемых внешних резисторов. Следовательно, легко точно установить коэффициент усиления, тщательно выбирая номиналы резисторов.

- Входное сопротивление инструментального усилителя зависит от цепей неинвертирующего усилителя во входном каскаде. Входное сопротивление неинвертирующего усилителя очень велико.
- Выходное сопротивление инструментального усилителя равно выходному сопротивлению дифференциального усилителя, которое очень мало.
- CMRR операционного усилителя 3 очень высок, и почти весь синфазный сигнал будет отклонен.
НАЗАД
Инструментальный усилитель моста преобразователяМост преобразователя сопротивления представляет собой сеть резисторов, сопротивление которых изменяется в зависимости от изменений физических условий. Например, термисторы меняют свое сопротивление в зависимости от температуры, а светозависимые резисторы меняют свое сопротивление в зависимости от интенсивности света.
Сделав такой мост частью цепи, можно получить электрический сигнал, пропорциональный изменению измеряемой физической величины.
Такой электрический сигнал можно усилить и использовать для контроля и управления физическим процессом. Инструментальный усилитель может быть сконструирован с мостом преобразователя, подключенным к одной из его входных клемм, как показано на рисунке ниже.
Пусть сопротивление преобразователя в резистивном мосту равно R T , а изменение его сопротивления равно ΔR. Эффективное сопротивление преобразователя R T ±ΔR. На резистивный мост подается постоянное напряжение, В DC .
При балансировке моста, т.е. при некотором эталонном условии измеряемой физической величины, получаем R T ) = R B (Vdc)/(R B +R C )
– В и = 0
Таким образом, выход усилителя равен нулю. Следовательно, устройство отображения, подключенное к выходу, отображает эталонное значение измеряемой физической величины.
Эталонное условие обычно выбирается разработчиком и зависит от характеристик преобразователя, типа измеряемой физической величины и типа приложения.
При изменении измеряемой физической величины напряжение В a больше не будет равно В б . Это связано с тем, что сопротивление преобразователя изменяется от R T до (R T ± ΔR).
Это создает дифференциальный вход для инструментального усилителя, и выход усилителя больше не будет равен нулю.
Сопротивления R B и R C постоянны и, следовательно, напряжение V B остается таким же, как и раньше, т.е. +R С )
Но напряжение V a изменяется из-за изменения сопротивления преобразователя и теперь определяется как + ΔR)
The differential voltage V Diff is,
V Diff = V b – V a
V Diff = {R B (Vdc)/(R B +R C )} – {R A (В постоянного тока)/(R A +R T + ΔR)}
Если все сопротивления в цепи выбраны равными, т.
е. = {R(Vdc)/(2R)} – {R(Vdc)/(2R+ ΔR)}
В Diff = {RVdc[2R+ΔR] – R.Vdc.2R}/ 2R(2R+ΔR )
V DIFF = R .VDC [ 2R +ΔR- 2R ]/{2 R (2R +ΔR)}
V 34 (2R +ΔR)}
V 34 (2R +ΔR)}
9000 2 9003 V 4 (2R +ΔR)}} 9000 2 9003 V 4. 2(2R+ΔR) }Если значение V Diff положительное, это означает, что V b больше, чем V a .
Выход из инструментального усилителя приведен по адресу,
V O = (R 3 /R 2 ) V D
V O = (R 3 /R 2 23. ) [ΔR(Vdc)/{2(2R+ΔR)}]
Поскольку изменение сопротивления ΔR << 2R, В o можно записать как
В o = (R 3 /R 2 )[ΔR/4R](В пост. тока)
Из приведенного выше уравнения видно, что выход зависит от изменения сопротивления ΔR.
Дисплей можно откалибровать в единицах измерения измеряемой физической величины.
НАВЕРХ
Применение инструментального усилителяИнструментальный усилитель вместе с мостом преобразователя может использоваться в самых разных приложениях. Эти приложения обычно известны как системы сбора данных.
На входе находится преобразователь, преобразующий изменение физической величины в электрический сигнал.
Электрический сигнал подается на инструментальный усилитель. Затем усиленный сигнал подается на устройство отображения, которое калибруется для обнаружения изменения измеряемой величины.
Регулятор температуры
Простая система регулятора температуры может быть построена с использованием термистора в качестве преобразователя в резистивном мосту, как показано на рисунке выше.
Резистивный мост поддерживается сбалансированным для некоторой эталонной температуры. При любом изменении этой эталонной температуры инструментальный усилитель вырабатывает выходное напряжение, которое приводит в действие реле, которое, в свою очередь, включает и выключает нагревательный элемент, тем самым контролируя температуру.
Индикатор температуры
Схема, показанная для контроллера температуры, также может использоваться в качестве индикатора температуры. Резистивный мост уравновешивается для конкретной эталонной температуры, когда V или = 0 В.
Измеритель температуры откалиброван по эталонной температуре, соответствующей этому эталонному условию.
При изменении температуры изменяется и выходная мощность усилителя. Коэффициент усиления усилителя может быть соответствующим образом установлен для индикации желаемого диапазона температур.
Измеритель силы света
Эту же схему можно использовать для обнаружения изменений интенсивности света, заменив термистор светочувствительным резистором (LDR). Мост устанавливается в сбалансированное состояние в темноте.
Когда свет падает на фоторезистор, его сопротивление изменяется и мост разбалансируется. Это приводит к тому, что усилитель производит конечный выходной сигнал, который, в свою очередь, приводит в действие счетчик.
НАВЕРХ
Предыдущий – Дифференциальный усилитель
Далее – Операционный усилитель в качестве интегратора по Александр Стронг Скачать PDF Введение LT1167 — это инструментальный усилитель следующего поколения, предназначенный для замены монолитных инструментальных усилителей предыдущего поколения, а также дискретных решений с несколькими операционными усилителями. Инструментальные усилители отличаются от операционных усилителей тем, что они могут усиливать входные сигналы, не связанные с землей. Выход инструментального усилителя привязан к внешнему напряжению, которое не зависит от входа. И наоборот, выходное напряжение операционного усилителя из-за характера его обратной связи зависит от дифференциального и синфазного входного напряжения. Отдельное заземление и высокий CMRR инструментального усилителя LT1167 снижают влияние входного синфазного напряжения на выходной сигнал. Коэффициент усиления с обратной связью операционного усилителя и большинства инструментальных усилителей устанавливается отношением резисторов; коэффициент усиления LT1167 задается абсолютным значением одного внешнего резистора. Ошибка усиления зависит от отношения одного внешнего резистора к значению внутренних резисторов LT1167 с лазерной подстройкой, которые подстроены лучше, чем 0,1%. Ожидается, что после установки коэффициента усиления он останется постоянным при изменении выходного напряжения или выходного тока. Любое изменение усиления при размахе выходного сигнала будет проявляться как нелинейность усиления. Такие параметры, как погрешность усиления, смещение напряжения и CMRR, являются функцией подстройки. Нелинейность усиления не может быть урезана; это функция тщательного проектирования и компоновки штампа. Использование общей геометрии центроида и изотермической компоновки устраняет ошибки, связанные с напряжением штампа и температурными градиентами. Защита входа Инструментальные усилители должны выживать во враждебной среде. Мало того, что LT1167 должен выдерживать электростатический разряд во время работы (отключение питания), он также должен выдерживать чрезмерное напряжение во время работы. Входы LT1167 имеют внутренние диоды с малыми утечками от каждого входа к источникам питания. Эти диоды имеют максимальный номинальный ток 20 мА и защищают микросхему, когда входное напряжение превышает напряжение на шинах питания. Точность и надежность сочетаются, когда внешний резистор 20 кОм подключается последовательно с каждым входом. Ухудшение напряжения смещения незначительно, поскольку ток смещения 320 пА от LT1167, умноженный на входные резисторы 20 кОм, дает дополнительное смещение всего 6,4 мкВ. С резисторами номиналом 20 кОм LT1167 может справляться как с ошибками на входе ±400 В постоянного тока, так и со скачками электростатического разряда более 4 кВ. Низкое шумовое напряжение 7,5 нВ√Гц достигается за счет холостого хода большей части тока питания 0,9 мА во входном каскаде. Входной ток смещения не подвергается риску благодаря использованию супербета-транзисторов, схемы подавления тока и подстройки. Входной ток смещения LT1167 лучше, чем у входного каскада JFET, и составляет всего 350 пА максимум при комнатной температуре; она не удваивается на каждые 10°C. LT1167 также подстраивается по критическим параметрам постоянного тока, таким как входное напряжение смещения и CMRR. Эти настройки позволяют усилителю достичь очень высокой точности по постоянному току; общее приведенное к входу напряжение смещения составляет всего 60 мкВ, а CMRR лучше 110 дБ при усилении в десять раз. Входное смещение в наихудшем случае имеет усиление, равное единице; оно гарантированно будет меньше 240 мкВ для высшего класса. LT1167 предлагается в 8-контактных корпусах PDIP и SO, что значительно экономит место на плате по сравнению с дискретными конструкциями. «Создайте свой собственный» — анализ дискретного и монолитного LT1167 бюджета ошибок LT1167 предлагает производительность, превосходящую производительность дискретных конструкций с тремя операционными усилителями. Типичное приложение, которое усиливает и буферизует дифференциальный выходной сигнал мостового преобразователя, показано на рисунке 1. Усилитель с коэффициентом усиления, равным 100, усиливает дифференциальное выходное напряжение полной шкалы 20 мВ в промышленном диапазоне температур. В этом дискретном инструментальном усилителе используется самый прецизионный маломощный четырехъядерный операционный усилитель LT1114. Это сравнение показывает, что LT1167 превосходит дискретный инструментальный усилитель, использующий современный операционный усилитель. Сравнение бюджета ошибок в таблице 1 показывает, как вычисляются различные ошибки и привязываются к полному выходному сигналу моста 20 мВ. Рис. 1. Сравнение «Самостоятельно» и LT1167. LT1167 против конкурентов То, что было сказано о LT1167 по сравнению с дискретными решениями, также применимо к предыдущим инструментальным усилителям на ИС. LT1167 имеет улучшение CMRR на 10 дБ и улучшение PSRR на 20 дБ для наихудшего случая единичного усиления. Ошибка усиления лучше 0,1% для всех коэффициентов усиления до сотни, что в 2,5–5 раз больше, чем у предыдущих ИС. Эта ошибка усиления сохраняется даже тогда, когда на выходе приходится работать с большими нагрузками, благодаря улучшениям в общем расположении центроидов. LT1167 сохраняет превосходную производительность даже при больших нагрузках. Рисунок 2 — это фотография LT1167 с коэффициентом усиления в тысячу при нагрузке в 1к. На рис. 3 показан инструментальный усилитель на ИС предыдущего поколения в том же состоянии. Вы можете понять, почему для старых ИС был указан нагрузочный резистор 10 кОм, а не резистор 1 кОм. Рис. 2. Нелинейность усиления LT1167: R C = 1k; В О = ±10В. Рис. 3. Нелинейность усиления инструментального усилителя предыдущего поколения: R C = 1k; В О = ±10В. Low I B Подходит для мостов с высоким импедансом, снижает рассеяние Низкий ток питания LT1167, работа при низком напряжении питания и низкий входной ток смещения (макс. 350 пА) позволяют ему прекрасно вписываться в приложения с батарейным питанием. Низкое общее рассеивание мощности требует использования мостов с более высоким импедансом. На рис. 4 показан LT1167, подключенный к дифференциальному выходу моста 3 кОм. Импеданс моста почти на порядок выше, чем у моста, используемого в таблице баланса ошибок. Пикоамперные входные токи смещения по-прежнему будут удерживать ошибку, вызванную током смещения, на пренебрежимо малом уровне. Уровень LT1112 сдвигает опорный вывод LT1167 и выводы аналогового заземления АЦП над землей. Это необходимо в приложениях с однополярным питанием, потому что выход не может замыкаться на землю. Рис. 4. Монитор давления с односторонним питанием. Преобразование сигнала АЦП LT1167 показан на рис. 5, который преобразует дифференциальный сигнал в несимметричный. Затем несимметричный сигнал фильтруется пассивным RC-фильтром нижних частот 1-го порядка и подается на 12-разрядный аналого-цифровой преобразователь (АЦП) LTC1400. Выходной каскад LT1167 может легко управлять малой номинальной входной емкостью АЦП, сохраняя целостность сигнала. На рис. 6 показаны два БПФ выхода усилителя/АЦП. На рисунках 6a и 6b показаны результаты работы LT1167 при единичном и десятикратном усилении соответственно. Это приводит к типичному SINAD 70,6 дБ. Рис. 5. LT1167, преобразующий дифференциальные сигналы в несимметричные; LT1167 идеально подходит для управления LTC1400. Рис. Источник тока На рис. 7 показан простой, точный, маломощный программируемый источник тока. Дифференциальное напряжение на контактах 2 и 3 зеркально отражается на резисторе R 9.0023 Г 
Если это сделать неправильно, то никакая обрезка в мире не улучшит производительность.
Это соответствует европейскому стандарту IEC 1004-2 уровня 2.
Благодаря этим преимуществам LT1167 легко найдет применение во многих приложениях.
Таблица показывает, что некоторые из самых больших различий в погрешности между LT1167 и дискретным решением связаны с входным напряжением смещения, дрейфом входного напряжения смещения и CMRR. Чтобы соответствовать характеристикам CMRR LT1167, требуются дорогие массивы прецизионных резисторов, которые могут обеспечить согласование 0,02%. Суммарная ошибка для решения LT1167 намного ниже, чем для дискретного решения. У LT1167 есть и другие преимущества по сравнению с дискретной конструкцией, в том числе меньшее рассеивание мощности, более низкая стоимость компонентов и меньшие размеры. Явное преимущество у LT1167. Источник ошибки LT1167 Расчет схемы Расчет схемы «Сделай сам» Ошибка (PPM) полной шкалы LT1167 «Скатай сам» Абсолютная точность при T A = 25°C Входной ток смещения I OS × R S /V FS I OS × R S /V FS 4 4 Входное напряжение смещения В OSI /В ФС ∆V OS /V FS 3000 6500 Выходное напряжение смещения В ОСО /Г/В ФС В ОС × НГ/Г/В ФС 150 75 CMRR CMRR × V CM /V FS RM × V CM /G/V FS 790 500 Суммарная абсолютная ошибка 3944 7079 Дрейф до 85°C Дрейф входного напряжения смещения TCV OSI × ∆T/V FS TC∆V OS × ∆T/V FS 1200 5700 Дрейф выходного напряжения смещения TCV OSO × ∆T/G/V FS TCV OS × NG × ∆T/G/V FS 180 78 Дрейф усиления (TCG + TCR) × ∆T TCRM × ∆T 3600 6000 Суммарная ошибка дрейфа 4980 11778 Разрешение Нелинейность усиления ГНЛ РНЛ 15 10 Типовой шум напряжения 0,1–10 Гц e n /V ФС е n × √2/В FS 14 21 Общая ошибка разрешения 29 31 Общая ошибка 8953 18888
Термины, используемые в таблице 1a Срок LT1167 Спецификация LT1114C Спецификация Комментарий I ОС 450 пА 500 пА Входной ток смещения Р С 350 Ом/2 350 Ом/2 Сопротивление источника В ФС 20 мВ 20 мВ Полное входное напряжение В ОСИ 60 мкВ Н/Д Входное напряжение смещения ∆V ОС Н/Д 130 мкВ Входное напряжение смещения соответствует В ОСО 300 мкВ Н/Д Выходное напряжение смещения В ОС Н/Д 75 мкВ Напряжение смещения НГ Н/Д 2В/В Коэффициент усиления шума выходного операционного усилителя Г 100В/В 100В/В Усиление CMRR 110 дБ (3,16 промилле) Н/Д Коэффициент подавления синфазного сигнала В СМ 5В 5В Синфазное напряжение ринггитов нет данных 0,02% Сопротивление резистора ТХВ ОСИ 0,4 В/°C Н/Д Температурный коэффициент входного напряжения смещения ∆Т 60°С 60°С Изменение температуры TC∆V ОС Н/Д 1,9 мкВ/°C Температурный коэффициент смещения напряжения соответствует ТХВ ОСО 6 мкВ/°C Н/Д Температурный коэффициент выходного напряжения смещения ТХВ ОС Н/Д 1,3 мкВ/°C Температурный коэффициент напряжения смещения ТКГ 50 частей на миллион/°C Н/Д Температурный коэффициент усиления ТКР 10 частей на миллион/°C Н/Д Температурный коэффициент сопротивления ТКРМ Н/Д 100 частей на миллион/°C Температурный коэффициент резистора соответствует ГНЛ 15 стр/мин Н/Д Нелинейность усиления РНЛ Н/Д 10 частей на миллион Нелинейность резистора д п 0,28 мкВ П-П 0,3 мкВ П-П Шум напряжения 0,1–10 Гц
Усовершенствования в схемотехнике и общей компоновке центроида значительно улучшают CMRR, PSRR, ошибку усиления и нелинейность по сравнению с конкурирующими решениями IC.
Суммарная рассеиваемая мощность LT1167 и LT1112 по-прежнему меньше, чем у моста. Общий ток питания этой схемы составляет всего 3 мА.
6. Работая с усилением в единицу (слева) или в десять (справа), схема на рис. 5 обеспечивает 12-битную операцию с SINAD 70,6 дБ.
Рис. 7. Прецизионный источник тока.
Усилитель нервных импульсов
Низкий ток шума LT1167 делает его идеальным для мониторов ЭКГ с импедансом источника в МОм. Демонстрируя способность LT1167 усиливать сигналы низкого уровня, схема на рис. 8 использует преимущества высокого коэффициента усиления и низкого уровня шума усилителя. Эта схема усиливает сигналы нервных импульсов низкого уровня, полученные от пациента на контактах 2 и 3 микросхемы LT1167.
р G и параллельная комбинация R3 и R4 задают усиление в десять раз. Потенциал на выводе 1 LT1112 создает землю для синфазного сигнала. Высокий CMRR LT1167, равный 110 дБ, обеспечивает усиление полезного дифференциального сигнала и ослабление нежелательных синфазных сигналов. Поскольку постоянная составляющая сигнала не важна, резисторы R6 и C2 составляют фильтр верхних частот с частотой 0,3 Гц. Сигнал переменного тока на выводе 5 LT1112 усиливается с коэффициентом усиления 101, установленным R7/R8 + 1. Параллельная комбинация C3 и R7 образует фильтр нижних частот, который уменьшает этот коэффициент усиления на частотах выше 1 кГц.
Рисунок 8. Медицинский монитор ЭКГ.
Способность работать при ±3 В при токе питания 0,9 мА делает LT1167 идеальным для приложений с батарейным питанием. Общий ток питания для этого приложения составляет 1,7 мА. К этой цепи должны быть добавлены надлежащие меры предосторожности, такие как изоляция, чтобы защитить пациента от возможного вреда.
Заключение
Инструментальный усилитель LT1167 обеспечивает наилучшую точность, низкий уровень шума, высочайшую отказоустойчивость, а также простоту использования, обеспечиваемую установкой коэффициента усиления с помощью одного резистора. LT1167 предлагается в 8-контактных корпусах PDIP и SO. SO занимает значительно меньше места на плате, чем дискретные конструкции. При этих достоинствах и возможности работы в широком диапазоне питающих напряжений при токе покоя 0,9мА, LT1167 подходит для широкого спектра приложений.
Автор
Александр Стронг
6.2: Инструментальные усилители — технические библиотеки LibreTexts
- Последнее обновление
- Сохранить как PDF
- Идентификатор страницы
- 3580
- Джеймс М.
Фиоре - Муниципальный колледж Mohawk Valley
Существует множество приложений, в которых требуется усиление дифференциального сигнала. К ним относятся низкоуровневые мостовые измерения, балансные микрофонные линии, оборудование связи, усилители термопар и т.п. Непосредственным ответом на эти приложения является конфигурация дифференциального операционного усилителя, описанная в главе 4. К сожалению, у этой формы есть ограничения. Во-первых, практически невозможно получить согласованные входы с высоким импедансом, сохраняя при этом высокий коэффициент усиления и удовлетворительные характеристики смещения и шума. В этом отношении входные импедансы не изолированы; действительно, импеданс одного входа вполне может быть функцией сигнала, присутствующего на другом входе. Проще говоря, это неприемлемая ситуация, когда необходим прецизионный усилитель, особенно если импеданс источника не очень низкий.
Инструментальный усилитель решает эти проблемы. Инструментальные усилители предлагают очень высокий импеданс, изолированные входы, а также высокий коэффициент усиления и отличные характеристики CMRR.
Некоторым людям нравится думать об инструментальных усилителях как о форме «усиленных» дифференциальных усилителей. Инструментальные усилители могут быть изготовлены из отдельных операционных усилителей. Они также доступны на одной микросхеме для обеспечения максимальной производительности.
Рисунок \(\PageIndex{1}\): Базовый дифференциальный усилитель (слева) и с буферами (справа).
Инструментальные усилители, по сути, представляют собой конструкцию с тремя усилителями. Чтобы понять, как они работают, лучше всего начать с дифференциального усилителя на основе одного операционного усилителя, как показано на рисунке \(\PageIndex{1a}\). Один из способов увеличить входное сопротивление, а также сохранить изоляцию входа — разместить повторитель напряжения перед каждым входом. Это показано на рисунке \(\PageIndex{1b}\). Теперь источник управляет повторителями с очень высоким входным импедансом. Повторители имеют очень низкий выходной импеданс и без проблем управляют дифференциальным каскадом.
В этой схеме операционный усилитель 3 используется для подавления синфазного сигнала, а также для усиления по напряжению. Обратите внимание, что требования к полосе усиления для операционного усилителя 3 значительно выше, чем для входных повторителей. Усовершенствование этой схемы показано на рисунке \(\PageIndex{2}\). Здесь операционные усилители 1 и 2 используются для усиления сигнала наряду с их прежней функцией буферизации входа. Основная проблема с этой конфигурацией заключается в том, что она требует очень точного согласования резисторов, чтобы сохранить одинаковые коэффициенты усиления. Любое несоответствие усиления между двумя входами приведет к ухудшению CMRR. Для оптимального подавления синфазного сигнала нежелательный сигнал должен быть идентичен на входах операционного усилителя 3. Для систем с высоким CMRR может потребоваться согласование резисторов лучше 0,01%. Это дорогое требование, если используются дискретные резисторы. Другой способ обойти это — разрешить некоторую регулировку коэффициента усиления для компенсации рассогласования коэффициентов усиления, возможно, путем использования комбинации резистор/потенциометр вместо \(R_f^{‘}\) для операционного усилителя 3.
Из соображений стоимости и времени , корректировки не одобряются.
Рисунок \(\PageIndex{2}\): Базовый инструментальный усилитель.
К счастью, на рисунке \(\PageIndex{2}\) есть очень небольшая модификация, которая устранит проблему несоответствия усиления. Эта модификация включает объединение значений \(R_i\) операционных усилителей 1 и 2 в один резистор. Это показано на рисунке \(\PageIndex{3}\). Во избежание возможной путаницы с операционным усилителем 3 три резистора, используемые для входной секции, были помечены как \(R_1\), \(R_2\) и \(R_3\). Чтобы проанализировать эту схему, мы будем использовать методы приближения, рассмотренные ранее.
Рисунок \(\PageIndex{3}\): Улучшенный инструментальный усилитель.
Прежде всего, из предыдущей работы мы уже знаем уравнение усиления для дифференциальной секции
\[ V_{out} = \frac{R_f}{R_i} (V_b − V_a) \label{6.1} \]
Наша цель, таким образом, состоит в том, чтобы найти уравнения для \(V_b\) и \(V_a\).
Давайте проверим операционный усилитель 1 на \(V_a\). Во-первых, из-за предположения, что напряжение ошибки операционных усилителей равно нулю, инвертирующий и неинвертирующий входы каждого операционного усилителя одинаковы. Таким образом, мы можем сказать, что \(V_x\) должно равняться \(V_{in-}\), а \(V_y\) должно равняться \(V_{in+}\).
\[V_x = V_{in-} \label{6.2} \]
\[V_y = V_{in+} \label{6.3} \]
Выходное напряжение \(V_a\) должно равняться \(V_x\) плюс падение на \(R_1\).
\[ V_a = V_x + V_{R1} \label{6.4} \]
«Положительный» потенциал \(V_{R1}\) произволен. Мы предполагаем, что ток течет вниз через \(R_1\). Если фактические числа окажутся противоположными, \(V_{R1}\) окажется отрицательным. Падение напряжения \(V_{R1}\) находится по закону Ома:
\[ V_{R1} = R_1 I_{R1} \метка{6.5} \]
Для расширения,
\[ I_{R1} = I_{R2} + I_{операционный усилитель 1} \номер \]
\(I_{операционный усилитель 1}\) приблизительно равно 0, следовательно,
\[ V_{R1} = R_1 I_{R2} \номер \]
Ток через \(R_2\) определяется его значением и падением на нем.
\[I_{R2} = \frac{V_x − V_y}{R_2} \label{6.6} \]
Подстановка \ref{6.6} и \ref{6.5} в \ref{6.4} дает
\[ V_a = V_x + \frac{R_1 (V_x−V_y)}{R_2} \label{6.7} \]
Подстановка \ref{6.2} и \ref{6.3} в \ref{6.7} дает
\[ V_a = V_{in-} + \frac{R_1 (V_{in-} — V_{in+})}{R_2} \nonumber \]
\[ V_a = V_{in-} + \frac{R_1}{R_2} (V_{in-} — V_{in+}) \nonumber \]
\[ V_a = V_{in-} + V_{in-} \frac{R_1}{R_2} – V_{in+} \frac{R_1}{R_2} \nonumber \]
\[ V_a = V_{in-} \left( 1 + \frac{R_1}{R_2} \right) – V_{in+} \frac{R_1}{R_2} \label{6.8} \]
При внимательном рассмотрении уравнения \ref{6.8} видно, что оно состоит из двух членов. Первый член равен \(V_{in-}\), умноженному на неинвертирующий коэффициент усиления операционного усилителя 1, как и следовало ожидать. Второй член равен \(V_{in+}\), умноженному на усиление инвертирования операционного усилителя 1. Важно отметить этот выходной потенциал. Даже если может показаться, что операционный усилитель 1 не обрезает заданный сигнал, это может произойти, если вход второго операционного усилителя достаточно велик и имеет правильную полярность.
Аналогичным образом найдено уравнение для \(V_b\)
\[ V_b = V_{in+} \left( 1+ \frac{R_3}{R_2} \right) – V_{in-} \frac{R_3}{R_2} \label{6.9} \]
Для согласования усиления \(R_3\) устанавливается равным \(R_1\). Затем \(R_2\) можно использовать для управления усилением входной пары в тандеме.
Наконец, замена \ref{6.8} и \ref{6.9} на \ref{6.1} дает
\[ V_{out} = \frac{R_f}{R_i}\left(\left( V_{in+}\left( 1+ \frac{R_1}{R_2} \right) — V_{in-} \frac {R_1}{R_2} \right) − \left( V_{in-} \left( 1+ \frac{R_1}{R_2} \right) – V_{in+} \frac{R_1}{R_2} \right) \справа) \метка{6.10} \]
Объединение терминов дает
\[ V_{out} = \frac{R_f}{R_i} \left( \left(V_{in+} − V_{in-} \right) \left( 1+ \frac{R_1}{R_2} \right ) + \left( V_{in+} − V_{in-} \right) \frac{R_1}{R_2} \right) \nonumber \]
\[ V_{out} = (V_{in+} — V_{in-}) \left(\frac{R_f}{R_i}\right)\left( 1+2 \frac{R_1}{R_2} \right ) \метка{6.11} \]
Первый член — дифференциальное входное напряжение.
Второй член — это коэффициент усиления, создаваемый операционным усилителем 3, а третий член — коэффициент усиления, создаваемый операционными усилителями 1 и 2. Обратите внимание, что подавление синфазного сигнала в системе больше не зависит исключительно от операционного усилителя 3. Изрядное количество общих Отклонение -режима производится первой секцией, о чем свидетельствуют уравнения \ref{6.8} и \ref{6.9}. Поскольку коэффициент усиления инвертирующего и неинвертирующего сигналов почти одинаков для очень высоких значений, высокие входные коэффициенты усиления стремятся оптимизировать CMRR системы. Затем оставшиеся синфазные сигналы могут быть обработаны операционным усилителем 3.
Пример \(\PageIndex{1}\)
Инструментальный усилитель на рисунке \(\PageIndex{4}\) используется для усиления выходного сигнала сбалансированного микрофона. Выход микрофона имеет пиковое значение 6 мВ (дифференциал 12 м), а в линии индуцируется синфазный фоновый сигнал с пиковым значением 10 мВ (дифференциал 0 мВ).
Если система имеет CMRR 100 дБ, каков выходной сигнал?
Рисунок \(\PageIndex{4}\): Инструментальный усилитель для примера \(\PageIndex{1}\).
Во-первых, давайте проверим выходные данные первой секции, чтобы убедиться, что не происходит отсечения. Мы будем использовать суперпозицию и рассматривать полезный сигнал и фоновый сигнал отдельно.
\[ V_a = V_{in-} ( 1+ \frac{R_1}{R_2} ) – V_{in+} \frac{R_1}{R_2} \nonumber \]
\[ V_a = −6mV ( 1 + \frac{20 k}{400} ) – 6 мВ \frac{20 k}{400} \nonumber \]
\[ V_a = −306mV−300mV \nonumber \]
\[ V_a = −606 мВ \nonnumber \]
Выполнение того же расчета для фонового сигнала дает вклад
\[ V_a =10 мВ \left( 1+ \frac{20 k}{400} \right ) −10 мВ \frac{20 k}{400} \nonumber \]
\[ V_a = 10 мВ \nonumber \]
В худшем случае величины этих двух компонентов складываются, что дает 616 мВ, что намного ниже ограничения . Те же результаты получаются для \(V_b\), за исключением того, что желаемый сигнал положительный.
Теперь о выходном напряжении. Вторая секция имеет усиление
\[ A_v = \frac{R_f}{R_i} \nonumber \]
\[ A_v = \frac{50 k}{10 k} \nonumber \]
\[ A_v = 5 \nonumber \]
Требуемый дифференциальный входной сигнал равен \(V_b — V_a\), поэтому
\[ V_{out} = A_v (V_b−V_a) \nonnumber \]
\[V_{out} = 5(606mV-(-) 606 мВ)) \номер \]
\[ V_{out} = 6,06 В \неномер \]
Этот результат также можно получить за один шаг с помощью уравнения \ref{6.11}
\[ V_{out} = (V_{in+} − V_{in-}) \frac{R_f}{R_i} (1+2 \frac{R_1}{R_2}) \nonumber \] 95} \nonumber \]
\[ V_{out (cm)} = 50,5 \mu V \nonumber \]
Обратите внимание, что фоновый сигнал вначале был таким же сильным, как и желаемый сигнал, но теперь он во много раз меньше. Это возможно благодаря очень высокому CMRR инструментального усилителя.
На рисунке \(\PageIndex{5}\) Multisim используется для имитации усилителя примера \(\PageIndex{1}\). Здесь используется простая модель операционного усилителя с 3 выводами.
Чтобы четко увидеть подавление синфазного сигнала, требуемый дифференциальный входной сигнал устанавливается на синусоиду 1 мВ, а синфазный сигнал устанавливается на 1 В постоянного тока. Решение с начальным смещением показывает, что операционные усилители 1 и 2 усиливают входную часть как переменного, так и постоянного тока, в то время как подавление синфазного сигнала остается за операционным усилителем 3. Об этом свидетельствует тот факт, что входные узлы конечного операционного усилителя оба видят один и тот же потенциал постоянного тока. На выходе синусоида была усилена примерно в 500 раз, как и ожидалось. На выходе отсутствует смещение постоянного тока, что указывает на отклонение синфазного сигнала постоянного тока.
Рисунок \(\PageIndex{5a}\): Инструментальный усилитель в Multisim.
Рисунок \(\PageIndex{5b}\): Напряжение постоянного тока для инструментального усилителя.
Рисунок \(\PageIndex{5c}\): Выходное напряжение переменного тока для инструментального усилителя.
Видя, насколько полезны инструментальные усилители, неудивительно, что производители выпускают эти устройства на одной ИС. Одним из таких устройств является LT1167 от Linear Technology. Этот усилитель подходит для различных применений, включая мостовые усилители и дифференциально-несимметричные преобразователи. По компоновке он очень похож на рисунок \(\PageIndex{3}\), с использованием резисторов 24,7 кОм\(\Omega\) для \(R_1\) и \(R_3\) и 10 кОм\(\Omega\) резисторы для \(R_i\) и \(R_f\). Он имеет типичный CMRR 115 дБ при усилении 10 и до 140 дБ при усилении 1000. Его входное сопротивление составляет минимум 200 G\(\Omega\). Усиление устанавливается путем размещения соответствующего резистора между выводами установки усиления. Выигрыш может быть аппроксимирован как
\[ A_v = 1+ \frac{49,4 k\Omega}{R_g} \nonumber \]
Для обеспечения превосходных характеристик на высоких частотах некоторые инструментальные усилители имеют разъемы для защитного привода. Это показано на рисунке \(\PageIndex{6}\).
Рисунок \(\PageIndex{6}\): Защита внутренних соединений диска.
Этот сигнал выводится из выходов первой секции. При использовании двух резисторов равного номинала дифференциальные сигналы компенсируются, и, таким образом, защитный сигнал становится равным синфазному сигналу. Затем этот сигнал будет буферизирован и использован для управления экранами входных проводов, как показано на рисунке \(\PageIndex{7}\).
Рисунок \(\PageIndex{7}\): Защитный диск.
Чтобы понять, как повышается производительность, см. рисунок \(\PageIndex{8}\). Здесь кабели заменены на простую модель. \(R\) представляет собой сопротивление кабеля, а \(C\) представляет собой емкость кабеля. Кабельная модель — это не более чем лаговая сеть. Как вы знаете, это вызывает спад высоких частот и изменение фазы. Если две секции не идентичны, спады и изменения фазы не будут одинаковыми в двух линиях. Эти изменения повлияют на синфазный сигнал и могут привести к ухудшению CMRR системы.
В схеме защиты-управления экраны кабелей не заземляются на источнике сигнала. Они подключены только к выходу Guard-Buffer. Это важный момент. При возбуждении экрана сигналом, равным синфазному сигналу, напряжение на \(C\) будет равно нулю. Оба конца конденсатора видят одинаковый потенциал; следовательно, падения не существует. Это значительно снижает влияние кабеля.
Рисунок \(\PageIndex{8}\): Эквиваленты сети с несбалансированной задержкой.
Пример \(\PageIndex{2}\)
Сигнал, создаваемый преобразователем в системе автоматизации производства, имеет номинальный уровень 0,1 В. Для правильного использования сигнал необходимо усилить до 1 В. Поскольку это сигнал должен проходить через относительно шумную (с точки зрения электричества) среду производственного цеха, подходит симметричный кабель с инструментальным усилителем. Используя LT1167, спроектируйте схему, отвечающую этим требованиям.
Для питания достаточно стандартного блока \(\pm\)15 В. \(R_g\) используется для установки желаемого усиления в десять.
Рисунок \(\PageIndex{9}\): Готовый инструментальный усилитель для примера \(\PageIndex{2}\).
\[ A_v = 1+ \frac{49,4 k}{R_g} \nonumber \]
\[ R_g = \frac{49,4 k}{A_v −1} \nonumber \]
\[ R_g = \frac {49,4 k}{10−1} \nonumber \]
\[ R_g = 5,489 k \nonumber \]
Завершенная схема показана на рисунке \(\PageIndex{9}\).
Эта страница под названием 6.2: Instrumentation Amplifiers распространяется под лицензией CC BY-NC-SA 4.0 и была создана, изменена и/или курирована Джеймсом М. Фиоре с помощью исходного контента, который был отредактирован в соответствии со стилем и стандартами LibreTexts. Платформа; подробная история редактирования доступна по запросу.
- Наверх
- Была ли эта статья полезной?
- Тип изделия
- Раздел или страница
- Автор
- Джеймс М.
Фиоре
- Лицензия
- СС BY-NC-SA
- Версия лицензии
- 4,0
- Показать оглавление
- нет
- Теги
- дифференциальный усилитель
- инструментальный усилитель
- источник@http://www.dissidents.com/resources/OperationalAmplifiersAndLinearICs_3E.pdf
23 факта об инструментальном усилителе: полное руководство! – Lambda Geeks
Знакомство с инструментальным усилителем Инструментальный усилитель – это особый тип усилителя, созданный для достижения определенных целей.
Инструментальный усилитель обеспечивает более высокий коэффициент усиления, высокий CMRR (коэффициент подавления синфазного сигнала) и высокое входное сопротивление. Итак, можно сказать, что он пытается обладать большинством характеристик идеального операционного усилителя.
Инструментальный усилитель часто называют In-Amp или InAmp. В этой статье подробно обсуждаются схемы, конструкции, формулы и уравнения, связанные с инструментальным усилителем.
3 Инструментальный усилитель на операционных усилителяхТиповой инструментальный усилитель состоит из 3 обычных операционных усилителей. Два из них используются в одноступенчатом, тогда как другой используется для разделения ступени. Все три усилителя работают как дифференциальный усилитель, и все они связаны с отрицательными обратными связями. Поскольку инструментальные усилители состоят из 3 усилителей, их часто называют усилителями на трех операционных усилителях.
Схема инструментального усилителя На приведенном ниже рисунке представлена типичная принципиальная схема инструментального усилителя.
Внимательно наблюдайте за изображением, так как мы будем ссылаться на него в остальной части статьи.
Входные напряжения: Vi1 и Vi2.
Сопротивления: R1 (2), R2 (2), R3, R4(2).
Напряжение на клеммах A и B равно VA и VB соответственно.
Ток через ветви R4, R3 и R4 равен I.
Выход усилителя -1 — Vo1, а усилителя -2 — Vo2.
Выход усилителя 3 rd — Vвых.
Инструментальный усилитель представляет собой комбинацию трех типовых усилителей. Они соединяются в определенном порядке для построения инструментального усилителя. Мы можем разделить конструкцию инструментального усилителя на две части.
Первая часть «Два входа и два выхода». Два стандартных операционных усилителя подключены, как показано на рисунке схемы усилителя. Оба они снабжены отрицательной обратной связью, так как это больше стабилизирует схему. Выход обоих усилителей соединен с тремя резисторами.
Вторая часть представляет собой базовый «дифференциальный усилитель».
Выход обоих предыдущих усилителей действует как вход для последнего усилителя. Выходы соединены двумя резисторами одинакового номинала с усилителем. Положительная секция заземлена, а отрицательная обратная связь связана с отрицательной клеммой, а вывод этого операционного усилителя является конечным выходом инструментального усилителя.
Выведем функциональные уравнения и формулы для инструментального усилителя. Чтобы вывести уравнения, дайте нам знать, что происходит внутри всего инструментального усилителя. Как мы уже упоминали ранее, разделение на два этапа, поэтому мы рассчитаем его частично.
На первом этапе вход подается на неинвертирующие клеммы обоих усилителей. Усилитель дифференциальный. Таким образом, они находят разницу между заданными входными напряжениями. Теперь обратитесь к принципиальной схеме; входные напряжения Vi1 и Vi2. Инвертирующий вывод схемы соединен с отрицательной обратной связью с выхода усилителей.
Допустим, инвертирующие клеммы обоих усилителей имеют потенциалы VA и VB соответственно. Они появляются в узле, соединяющемся с линиями сопротивления, и разветвляются.
Учитывая работу виртуального короткого замыкания, клеммы A и B получают то же напряжение, что и входы. Итак, мы можем сказать, что VA = Vi1, VB = Vi2. Весь каскад работает как дифференциальный усилитель. Это означает, что разница между двумя входными напряжениями будет усиливаться на выходе. На выходе снова будет разница между двумя выходными напряжениями. Это можно выразить следующим образом:
Vo1 – Vo2 = k (Vi1 – Vi2)
Здесь k – усиление усилителя.
На втором этапе разность усилителей подается на вход усилителя. Усилитель на этом этапе просто работает как обычный усилитель. Сопротивления, связанные с информацией, имеют те же значения, что и требование дифференциальных усилителей. Инвертирующий терминал связан с землей, а усилитель имеет виртуальную землю. В следующем разделе мы проведем математические расчеты для инструментального усилителя.
Входные напряжения — Vi1 и Vi2.
Если виртуальное замыкание работает, то VA = Vi1 и VB = Vi2
Теперь ток от A и B к ветви сопротивления не течет. Через ответвление проходит только типичный ток, и это ток I. «I» определяется как:
I = (Vi1 – Vi2) / R3.
Текущий I также можно рассчитать с помощью анализа узлов. Это происходит следующим образом.
I = (Vo1 – Vo2) / (R4 + R3 + R4)
Или, (Vo1 – Vo2) = (Vi1 – Vi2) * (R3 + 2R4) / R3
Приведенное выше уравнение объясняет работу первой ступени. Для второго каскада выход операционного усилителя является конечным выходом инструментального усилителя.
Из работы дифференциального усилителя можно написать, что
Vвых = (R2 / R1) x (Vo2 – Vo1)
Или Vвых = (R2 / R1) x (R3 + 2R4) x (Vi1 – Vi2) / R3
Это уравнение инструментального усилителя или выходное уравнение инструментального усилителя. Теперь взгляните на раздел о выводах этой статьи.
Vo1 – Vo2 = k (Vi1 – Vi2). Полученное уравнение имеет тот же формат.
Коэффициент усиления определяется как коэффициент, с которым усилитель усиливает входной сигнал. Значения сопротивления представляют усиление инструментального усилителя. Усиление также зависит от типа используемых обратных связей. Положительная обратная связь обеспечивает более высокий коэффициент усиления, тогда как отрицательная обратная связь обеспечивает лучшую стабильность системы.
Общее уравнение инструментального усилителя: Vo1 – Vo2 = k (Vi1 – Vi2), , представляющее усиление как: ‘k’.
Формула коэффициента усиления инструментального усилителяКак упоминалось ранее, коэффициент усиления усилителя может быть получен из выходного уравнения усилителя. Выходное уравнение выглядит следующим образом:
Vout = (R2 / R1) x (R3 + 2R4) x (Vi1 – Vi2) / R3
Сравнение этого уравнения со следующим уравнением:
Vo1 – Vo2 = k (Vi1 – Vi2)
Мы можем написать,
k = (R2 / R1) x (R3 + 2R4) / R3, это формула усиления инструментального усилителя.
Типичные усилители собираются в виде интегральных схем или интегральных схем. Итак, если мы хотим построить инструментальный усилитель с использованием обычных операционных усилителей, мы должны использовать микросхемы операционных усилителей. Также имеется отдельная микросхема для инструментальных усилителей. Нет необходимости соединять один операционный усилитель с другим. Эти типы ИС используются в коммерческих целях, когда одновременно используется большее количество ИС.
Модуль инструментального усилителяМодули инструментального усилителя представляют собой комбинацию нескольких электронных устройств, основным из которых являются инструментальные усилители. Два превосходных инструментальных усилителя — это AD623 и AD620.
Модули предназначены специально для медицинских технических устройств малой мощности, маломощных усилителей сигналов, термопар. Вот некоторые из характеристик: а) обеспечивает более высокий коэффициент усиления, б) лучшую стабильность, в) малую мощность, г) высокую точность.
Поскольку инструментальный усилитель может быть построен с использованием различных микросхем, мы составили список всех микросхем, которые можно использовать для инструментальных усилителей. Номера IC приведены в списке.
| Наименование IC | Спецификация IC | Комментарии | |
| AMPLIFIE | |||
| Двойной инструментальный усилитель | INA2128 | 16 PIN IC | |
| Тип OP-AMP | 171892666698|||
| Тип OP-AMP | 1717692692666989892698|||
| Тип Op-AMP | 176926692692692692618|||
| 9 0003 | |||
| Инструментальный усилитель | AD623 | Восьмивыводная ИС с одним инструментальным усилителем | |
| Инструментальный усилитель 90ation0817 | AD624 | 16-контактная микросхема | |
| Операционный усилитель | IC741 | 9082 IC741 | 908 работает как один операционный усилитель и ИС с четырьмя выводами.![]() |
Производительность инструментального усилителя постепенно увеличивается при подключении тензодатчика. Усилитель обеспечивает более высокий CMRR, более высокий входной импеданс и, таким образом, улучшает характеристики. Подробное подключение инструментального усилителя к тензодатчику показано на изображении ниже.
Напряжение смещения инструментального усилителяКаждый операционный усилитель имеет свое напряжение смещения. Напряжение смещения определяется как необходимое напряжение, которое должно быть приложено между двумя входами, чтобы свести на нет разницу между ними, и это значение смещения каждого операционного усилителя указано в техническом описании, предоставленном производителем. Для инструментальных усилителей напряжение смещения значительно меньше, что желательно.
Форма выходного сигнала инструментального усилителя Чтобы наблюдать за выходом инструментального усилителя, мы должны подключить его к CRO (электронно-лучевому осциллографу).
Мы обеспечиваем вход как синусоидальные волны как два входных сигнала, и работа измеряется от последнего усилителя. Коаксиальные датчики подключены к контактам для наблюдения за формой выходного сигнала. На изображении ниже показан результат. Выход представляет собой усиленную разницу между приложенными входными напряжениями.
Передаточная функция системы относится к процессу, который описывает или обеспечивает вывод для каждого входа. Поскольку усилитель принимает два входа и усиливает их, передаточная функция будет отражать то же самое. Передаточная функция может быть записана как:
Vo1 – Vo2 = k (Vi1 – Vi2)
Здесь Vi1 и Vi2 – два входа, а k – коэффициент усиления.
Сдвоенный инструментальный усилитель Сдвоенный инструментальный усилитель — это особый тип инструментального усилителя, обладающий высокой точностью.
Он спроектирован таким образом, чтобы обеспечить высокий коэффициент усиления, большую точность при минимальном размере микросхемы. Он также имеет низкое напряжение смещения. При более широкой полосе пропускания и подключенном внешнем резисторе сдвоенный усилитель может обеспечить коэффициент усиления до 10 000.
Микросхема INA2128 используется в качестве двойного инструментального усилителя. Некоторыми важными приложениями двойного инструментального усилителя являются усилители датчиков, медицинские инженерные устройства и оборудование с батарейным питанием.
Instrumentation Amplifier vs Operational Amplifier| Points of Reference | Operational Amplifier | Instrumentation Amplifier |
| Базовая конструкция | Сборка транзисторов с биполярным переходом или полевых транзисторов на основе оксида металла. | The buildup of three Differential Amplifiers |
| Gain | Normal Gain | Higher Gain |
| Buffer Connection | An operational amplifier can be used to make a buffer circuit . | Буферная цепь является частью всей цепи. |
| IC specification | IC741 | AD623 |
Instrumentation Amplifiers is developed to gain more advantages over typical differential amplifiers. Вот почему инструментальные усилители используются в большинстве коммерческих приложений. Но у него есть и некоторые преимущества. Давайте обсудим некоторые преимущества и недостатки инструментальных усилителей.
Преимущества
1.
Точность и прецизионность измерений: Инструментальные усилители используются для тестирования и измерения. Инструментальным усилителям не обязательно согласовывать входные импедансы. Вот почему они так полезны для тестирования. Лучшие параметрические значения, такие как более высокий CMRR, высокий входной импеданс, также имеют преимущества.
2. Усиление: Инструментальные усилители обеспечивают более высокие значения усиления без обратной связи. Это более явное преимущество, которое также является существенным требованием для усилителей.
3. Стабильность системы: Внутри инструментальных усилителей все обычные операционные усилители подключены к отрицательной обратной связи. Как известно, отрицательная обратная связь стабилизирует систему; стабильность инструментального усилителя также высока.
4. Масштабируемость. Инструментальные усилители невероятно масштабируемы. Он предоставляет возможность масштабировать сигнал на входном уровне. Вот почему общее усиление намного больше, чем у других усилителей.
По этой же причине диапазон масштабирования высок.
5. Доступность: Инструментальные усилители поставляются в микросхемах. Доступны восьмиконтактные микросхемы. Таким образом, его легче обрабатывать и использовать. Кроме того, не так много факторов, которые нужно учитывать во время усиления. Пользователь просто должен хорошо знать входной сигнал. Найдем недостатки инструментальных усилителей.
Недостатки
1. Инструментальный усилитель страдает от проблемы передачи на большие расстояния. Усилитель имеет тенденцию смешивать исходные сигналы с шумами, если входной сигнал посылается на расширенный диапазон для связи. Проблема может быть решена, если можно импровизировать тип кабеля, чтобы шум подавлялся на первичном этапе или чтобы шум не попадал в линию передачи.
Характеристики инструментальных усилителейДавайте кратко рассмотрим характеристики инструментальных усилителей.
- Инструментальные усилители представляют собой дифференциальные усилители, состоящие из трех операционных усилителей.

- Обеспечивает более высокий коэффициент усиления без обратной связи, чем обычные операционные усилители.
- Он имеет более высокий CMRR, более высокий входной импеданс, низкое напряжение смещения, более низкий выходной импеданс, что делает его близким к идеальному операционному усилителю.
- Инструментальные усилители обеспечивают более высокую точность и прецизионность при использовании в тестировании и измерении.
- Инструментальные усилители доступны в микросхемах для коммерческих целей.
Типовые инструментальные усилители состоят из 3 усилителей, но также можно сделать инструментальный усилитель с использованием двух операционных усилителей. На изображении ниже показана схема инструментального усилителя на основе двух операционных усилителей.
Схема инструментального усилителя с двумя операционными усилителями Анализ шума инструментального усилителя Существуют определенные типы инструментальных усилителей для измерения самого слабого сигнала в шумной среде.
Они известны как шумовые инструментальные усилители. Эти типы инструментальных усилителей используются для анализа шума.
На рынке доступны отдельные усилители для измерения тока для измерения тока. Но инструментальный усилитель также может работать с измерением тока. Основное различие между двумя усилителями заключается в топологии входа.
Часто задаваемые вопросы 1. Зачем использовать инструментальный усилитель?Ответ: Инструментальные усилители обеспечивают более высокий коэффициент усиления, более высокий CMRR, более высокий входной импеданс, более низкий выходной импеданс. Таким образом, мы можем наблюдать, что он обладает очень близкими свойствами идеального операционного усилителя. Поэтому используется инструментальный усилитель.
2. Когда использовать инструментальный усилитель? Ответ: I Инструментальные усилители требуются каждый раз, когда пользователю требуется более высокий коэффициент усиления с лучшей стабильностью системы для усиления сигнала.
Если пользователю нужны очень точные результаты испытаний и измерений, то инструментальный усилитель подходит как решение.
Ответ: Производительность инструментального усилителя постепенно увеличивается при подключении тензодатчика. Усилитель обеспечивает более высокий CMRR, более высокий входной импеданс и, таким образом, улучшает характеристики. Подробное подключение инструментального усилителя к тензодатчику показано на изображении ниже. (Обратите внимание: подключите все заземление.
4. Какая принципиальная схема приборного усилителя биосигнала с коэффициентом усиления в тысячу раз?Ответ: Стандартное подключение инструментального усилителя обеспечивает определенное усиление. Но добавление внешнего резистора даст вам тысячный прирост.
5. Каков принцип работы инструментального усилителя? Ответ: Принцип работы инструментального усилителя такой же, как у дифференциального усилителя.
Он принимает входные напряжения и усиливает разницу, чтобы обеспечить эту усиленную разницу в качестве выходного сигнала.
Обычно: Выход = Коэффициент усиления * ( Вход1 – Вход2)
6. Каковы преимущества использования инструментального усилителя по сравнению с обычным дифференциальным усилителем при измерении слабых сигналов и напряжений?Ответ: Преимущества –
- Точность и прецизионность измерений: Инструментальные усилители используются для тестирования и измерения. Инструментальным усилителям не обязательно согласовывать входные импедансы. Вот почему они так полезны для тестирования. Лучшие параметрические значения, такие как более высокий CMRR, высокий входной импеданс, также имеют преимущества.
- Усиление: Инструментальные усилители обеспечивают более высокие значения для роста без обратной связи. Это более явное преимущество, которое также является существенным требованием к усилителям.
- Стабильность системы: Внутри инструментальных усилителей все обычные операционные усилители подключены к отрицательной обратной связи. Как известно, отрицательная обратная связь стабилизирует систему; стабильность инструментального усилителя также высока.
- Масштабируемость: Инструментальные усилители невероятно масштабируемы. Он предоставляет возможность масштабировать сигнал на входном уровне. Вот почему общее усиление намного больше, чем у других усилителей. По этой же причине диапазон масштабирования высок.
- Доступность: Инструментальные усилители поставляются в микросхемах. Доступны восьмиконтактные микросхемы. Таким образом, его легче обрабатывать и использовать. Кроме того, во время усиления не так много факторов, с которыми приходится сталкиваться. Пользователь должен хорошо знать входной сигнал.
Ответ: КОСС является важным параметром для измерения производительности операционного усилителя.
CMRR оценивает, какое количество синфазного сигнала появится в выходном измерении. Командный усилитель, будучи операционным усилителем, который используется исключительно для целей измерения и тестирования, должен иметь самый низкий CMRR. Это основная потребность в операционном усилителе; в противном случае это повлияет на измерение.
Ответ: Разница будет в работе и в значениях параметров. Входы инструментального усилителя никогда не подключаются к инвертирующим клеммам. Значит, будут изменения. Кроме того, инструментальные усилители имеют буферные цепи, а их обратные связи имеют отрицательную обратную связь, что повышает устойчивость системы. Таким образом, есть серьезные отклонения от реальных результатов.
9. Для чего нужен буфер в инструментальном усилителе? Ответ: Буфер внутри инструментального усилителя полезен во многих отношениях.
Буфер увеличивает входное сопротивление, что очень необходимо. Это также устраняет разницу между двумя входными напряжениями; таким образом, значение напряжения смещения уменьшается. Это также влияет на CMRR.
Ответ: Не существует таких жестких правил проектирования или изготовления инструментальных усилителей. Но есть несколько лучших практик. Вот некоторые из них: а) спроектировать схему симметрично, б) реализовать усиление на первом этапе, в) учитывать факторы CMRR, эффекты термопары и значения сопротивления, г) спроектировать второй этап.
11. Как убрать напряжение смещения в инструментальном усилителе? Ответ: Напряжение смещения любого усилителя можно устранить, подав регулируемый ток от источника напряжения. Резистор с высоким номиналом должен быть помещен между током и операционным усилителем.
Для получения дополнительных статей, связанных с электроникой, нажмите здесь
Что такое инструментальный усилитель? Определение, необходимость, схема, преимущества, недостатки и применение инструментального усилителя
Определение : специальный тип усилителя, который используется для усиливает сигналы чрезвычайно низкого уровня , известный как инструментальный усилитель. По сути, это дифференциальный усилитель, который выполняет усиление разности входного сигнала.
Он имеет высокий CMMR, предлагает высокое входное сопротивление и потребляет меньше энергии. CMMR означает коэффициент подавления синфазного сигнала, это способность подавлять нежелательные сигналы.
Он также известен как усилитель данных . В настоящее время он стал неотъемлемой частью современных контрольно-измерительных приборов.
Потребность в инструментальном усилителе
Для производства качественной продукции необходимо точное измерение физической величины.
Такие, как температура, давление и влажность, являются требованиями промышленной системы и системы управления.
Преобразователи — это устройства, используемые для измерения физической величины. Он преобразует одну форму энергии в другую форму. Преобразователь в основном преобразует физическую величину в ее электрическую форму . Затем эти электрические сигналы используются для управления другими блоками системы.
Однако датчик генерирует сигналы низкого уровня. Поскольку эти сигналы не имеют возможности управлять другим этапом системы. Таким образом, необходимо выполнить усиление таких сигналов.
Также когда мы говорим о передаче сигналов на большие расстояния, то эти сигналы сильно искажаются из-за шума и атмосферных помех.
Обычный усилитель сигнала здесь не очень подходит. Для устранения шумовых эффектов блок усиления должен иметь высокое значение коэффициента подавления синфазного сигнала. Это достигается с помощью инструментального усилителя.
Схема инструментального усилителя
Схема инструментального усилителя с 3 операционными усилителями обеспечивает высокое входное сопротивление для надлежащего измерения сигнала от преобразователя.
На рисунке ниже показана схема инструментального усилителя с 3 операционными усилителями:
Первый каскад представляет собой не что иное, как повторитель напряжения, а второй каскад представляет собой дифференциальный усилитель.
Блок повторителя напряжения состоит из 2-х буферных усилителей, имеющих высокое входное сопротивление.
Сначала выведем условие для 1-го этапа:
На входе указанной схемы протекающий ток можно представить в виде:
: V ID обозначает входное дифференциальное напряжение
, применяя KVL на первой стадии вышеуказанной схемы,
IR 2 + I (2R 1 ) + IR 2 = V O2 1 ) + IR 2 = V O2 O2) + IR 2 = V O2) + IR 2 = V 1 ) + IR 2 = V 1 ) + IR 2 + I (2R 1 ) + IR 2 + I (2R – В О1
2IR 2 + 2IR 1 = V O2 — V O1
Заменить значение I в вышеупомянутом уравнении,
.
Принимая этот термин за обычное, мы получаем
Выход представленной выше схемы равен V O , что можно записать как
Недавно мы определили уравнение для V O2 – V O1
Подставив его значение в приведенное выше уравнение. Получаем,
Это уравнение для общего выходного напряжения инструментального усилителя.
Характеристики хорошего инструментального усилителя
Как недавно мы обсуждали, зачем нам нужен инструментальный усилитель? Итак, теперь давайте обсудим, каковы требования к идеальному инструментальному усилителю.
Точное и стабильное усиление :
Так как устройство усиливает сигналы очень низкого уровня, то его основное требование — усиление должно быть конечным и точным. Обычно усиление лежит в диапазоне от 1 до 100.
Простая регулировка усиления :
Когда мы говорим об усилении. Затем важно, чтобы она правильно менялась в пределах указанного предела.
Обычно усиление регулируется с помощью потенциометра или с помощью переключателей, таких как JFET и MOSFET.
Высокий CMMR :
Бесконечный CMMR является наиболее предпочтительным диапазоном в случае инструментального усилителя. Поскольку выход преобразователя имеет большие синфазные шумовые сигналы во время его передачи на большие расстояния.
Инструментальный усилитель должен полностью устранять компоненты синфазного шума, чтобы усиливать только разницу входного сигнала.
Высокий входной импеданс :
Предпочтительно иметь почти бесконечное значение входного импеданса, чтобы избежать эффекта нагрузки на входе.
Низкий выходной импеданс :
Инструментальный усилитель должен демонстрировать низкое значение импеданса на выходе. В идеальных случаях предполагается, что оно равно приблизительно 0, чтобы избежать загрузки.
Низкий временной и температурный дрейф :
Чтобы получить желаемый результат, всегда рекомендуется, чтобы различные характеристики и элементы устройства не менялись при изменении времени или температуры.
Низкое энергопотребление :
Для любого устройства всегда рекомендуется, чтобы оно было энергоэффективным. Таким образом, инструментальный усилитель также должен потреблять меньше энергии.
Дифференциальный вход :
Чтобы получить желаемое усиление, устройство должно усиливать только разность входного сигнала.
Высокая скорость нарастания :
Скорость нарастания дает нам представление об изменении выходного напряжения при любом изменении приложенного входа. Таким образом, для инструментального усилителя скорость нарастания должна быть высокой.
Преимущества инструментального усилителя
- Обеспечивает высокий CMMR.
- Инструментальный усилитель имеет высокое входное и низкое выходное сопротивление.
- Потребляет меньше энергии.
Недостатки инструментального усилителя
- Как известно, устройство выполняет усиление сигналов низкого уровня, которые необходимо передавать на большое расстояние.


При любом другом синфазном напряжении размах выходного напряжения не достигнет VCC (максимальное дифференциальное входное напряжение уменьшится). Для биполярных дифференциальных входных сигналов (VREF = 1/2VCC) соответствующий диапазон синфазных напряжений, в котором можно достичь размаха выходного напряжения от 0 до VCC, составляет всего от 1/4VCC до 3/4VCC.
Обратите внимание, что в случае, изображенном на рис. 4a, если требуется изменение VCM во всем диапазоне, допуск по синфазному входному напряжению равен нулю. Проще говоря, синфазные изменения входного сигнала недопустимы.

Часть 3
Принцип работы
Фиоре
Фиоре


